| Passwort vergessen?
Sie sind nicht angemeldet. |  Anmelden

Sprache auswählen:

Wumpus Gollum Forum von
Wumpus Welt der (alten) Radios
Sie sind nicht angemeldet.
 Anmelden

VE301W mit Post-Pentode C3b / Schallplattenwiedergabe mit Hifi-MM Tonabnehmer
  •  
 1 2 3 4 5 6
 1 2 3 4 5 6
08.06.17 12:55
HB9 

500 und mehr Punkte

08.06.17 12:55
HB9 

500 und mehr Punkte

Re: VE301W mit Post-Pentode C3b / Schallplattenwiedergabe mit Hifi-MM Tonabnehmer

Hallo Herrmann,

die Idee war ja nicht, einen VE301 digital aufzurüsten, sondern ein neues Gerät zu bauen, welches gute alte mit guter neuer zu superguter Technik vereint. Einen 9kHz-Saugkreis zur Unterdrückung der Nachbarträger ist aber eine lohnende Investition und mit L und C aufgebaut kompatibel zur restlichen Technik.

Durch geeignete Dimensionierung des Audions sollte es eigentlich keine Probleme mit Pendelschwingungen geben, jedenfalls bei meinem gibt es erst bei massivem Überziehen der Rückkopplung Pendelschwingungen. Eine Stabilisierung der Spannung ist sicher gut, aber sollte nicht unbedingt nötig sein. Ich vermute, dass der relativ grosse Fangbereich bei meinem Audion durch die beiden gekoppelten Schwingkreise des Bandfilters entsteht, beim Körting Syntektor haben sie dem Oszillator ja auch noch einen zweiten Schwingkreis spendiert, der gemäss Beschreibung den Frequenzbereich erweitern soll. Bei nächster Gelegenheit muss ich mal an meinem Zweikreiser messen, die Geschichte wird interessant.

Gruss HB9

!
!!! Fotos, Grafiken nur über die Upload-Option des Forums, KEINE FREMD-LINKS auf externe Fotos.    

!!! Keine Komplett-Schaltbilder, keine Fotos, keine Grafiken, auf denen Urheberrechte Anderer (auch WEB-Seiten oder Foren) liegen!
Solche Uploads werden wegen der Rechtslage kommentarlos gelöscht!

Keine Fotos, auf denen Personen erkennbar sind, ohne deren schriftliche Zustimmung.

Den Beitrag-Betreff bei Antworten auf Threads nicht verändern!
09.06.17 08:40
Herrmann 

500 und mehr Punkte

09.06.17 08:40
Herrmann 

500 und mehr Punkte

Re: VE301W mit Post-Pentode C3b / Schallplattenwiedergabe mit Hifi-MM Tonabnehmer

Hallo HB9,

einen großen Fangbereich hätte ich auch gerne. Meiner ist nur wenige Hz breit.

Ich habe festgestellt, daß Pendelschwingungen bei ungünstiger Einstellung meines Bandfilters entstehen. Gestern habe ich eine bessere Bandfilter-Verschaltung herausgefunden: Der Eingangs-Drehko kommt an eine Anzapfung, die Antenne an die volle Antennenspule. Der Eingangskreis wird dadurch sehr breitbandig und bequem einzustellen, und um die Schwebung auf Null zu bringen hat man 45° Drehwinkel zur Verfügung.

Gestern fing die Glimmlampe an zu flackern, was rhytmische Verstärkungsänderungen zur Folge hatte. Empfangsversuche wurden vorerst abgebrochen. Eine echte Stabiröhre wäre also notwendig. Ich habe aber eine andere Idee: Beide Röhren bekommen einen gemeinsamen Schirmgitterwiderstand und (durch einen mit 10MOhm überbrückten Koppelkondensator) eine ganz schwache DC-Mitkopplung - unter Korrektur des Ruhe-Arbeitspunktes der RES164 natürlich.
Folge: Je mehr Signalpegel das Audion über Gittergleichrichtung bekommt, um so mehr Anoden- und Schirmgitterstrom liefert die RES164 (was ja auch den Nebeneffekt einer "Sparschaltung" hat), wodurch die gemeinsame Schirmgitterspannung beider Röhren jetzt sogar eher ganz leicht sinkt statt zu steigen. Dadurch wird die Rückkopplung noch weicher. Natürlich muß diese Mitkopplung wohldosiert sein, sonst fängt der VE an zu blubbern - ein Effekt, den jeder aus seiner Anfangszeit mit zu schlecht betriebsspannungs-entkoppelten Verstärkerstufen kennt.

Viele Grüße, Herrmann

Zuletzt bearbeitet am 09.06.17 08:46

10.06.17 12:53
HB9 

500 und mehr Punkte

10.06.17 12:53
HB9 

500 und mehr Punkte

Re: VE301W mit Post-Pentode C3b / Schallplattenwiedergabe mit Hifi-MM Tonabnehmer

Hallo zusammen,

ich habe an meinem Audion gemessen. Der Fangbereich hängt wie erwartet vom Verhältnis der Eingangs- zur Oszillatorspannung am Steuergitter des Audions ab. Auf den absoluten Wert kommt es nicht so an, für die Auslegung spielt er aber eine Rolle (Verstärkung, Verzerrung und auch Stabilität der Rückkopplung). Bei meiner Schaltung ist eine Oszillatorspannung von 100..300mVss am Steuergitter der Audionröhre ideal. Auf MW ergibt sich bei einer HF-Eingangsspannung von 100mV (mit Rückkopplung kurz vor dem Schwingungseinsatz gemessen) einen Fangbereich von etwa +/-200Hz am tieffrequenten und etwa +/-500Hz am hochfrequenten Ende des MW-Bereichs. Auf KW liegt der Fangbereich über +/-2kHz. Eine mechanisch präzise Abstimmvorrichtung ist hier natürlich Pflicht.

Im schwingenden Zustand ist die Schaltung kein Audion mehr, sondern eine selbstschwingende, additive Mischstufe. Die Differenz aus Eingangs- und Oszillatorsignal ist dabei die gewünschte NF, solange der Oszillator mit dem HF-Signal synchronisiert und einigermassen in Phase ist. Somit sollte man für diesen Betrieb einen 'echten' additiven Mischer bauen, ein Audion ist hier nicht so ideal, da die noch vorhandene Demodulation am Steuergitter unerwünscht ist und auch die Ankopplung des HF-Signals am 'heissen' Ende des Oszillator-Schwingkreises ist eigentlich schlecht. Die Filterung übernimmt in diesem Betrieb nicht mehr der Schwingkreis, sondern der NF-Teil und das Ohr, da frequenzmässig weiter entfernte Sender schnell auf unhörbar hohe Frequenzen gemischt werden. Lediglich der unmittelbare obere und untere Nachbar liegt noch ganz im hörbaren Bereich, und da stört vor allem der Träger, der als 9kHz-Pfeifton in Erscheinung tritt. Das kann mit einem passenden NF-Filter beseitigt werden. Da der Schwingkreis nicht mehr als Filter wirkt, ist das NF-Signal auch nicht mehr dumpf, eine allfällige Abschwächung der Höhen kommt vom RC-Glied im Anodenkreis, welches die HF im NF-Signal abblockt, oder vom NF-Teil selber.

Weiter haben meine Messungen auch bestätigt, dass die Verzerrungen stark abnehmen, da ein Mischer im Gegensatz zum Audion in Bezug auf das Eingangssignal linear ist. Allerdings steigt der Klirrfaktor bei Verstimmung stark an, ich vermute hier, dass es in diesem Fall zu einer Phasenmodulation des Oszillators kommt, da die Phasendifferenz zum Eingangssignal von der Amplitude abhängt, und die ist ja moduliert. Bei korrekter Abstimmung (dann ist der Oszillator in Phase mit dem Eingangssignal) habe ich einen Klirrfaktor von 1% bei 100% Modulation gemessen, im Gegensatz zu etwa 10% im Audionbetrieb. Der Klirrfaktor ist auch kaum abhängig von der HF-Amplitude. Es gibt auch keinen Schwellen-Effekt bei kleinen HF-Signalen, solange die Amplitude für eine Synchronisation ausreicht. Da für kleine HF-Signale auch die Oszillator-Amplitude klein sein muss, muss die Rückkopplung sehr weich sein und einen 'fliessenden' Übergang in den schwingenden Betrieb ermöglichen. Eine HF-Stufe ist natürlich von Vorteil, dann ist das HF-Signal stärker und gleichzeitig wird das Oszillatorsignal nicht abgestrahlt.

Das Ganze könnte man als 'Volks-Synchrondemodulator-Empfänger' mit einer ECH81 oder ECF80 und einer ECL86 recht kompakt bauen. Die Heptode (oder Pentode) wäre dann der HF-Verstärker, die Triode der additive Mischer und die ECL86 für den NF-Teil. Alternativ kann die leichter erhältliche PCL86 und dazu passend die PCF80 verwendet werden. Eine Herausforderung dürfte die Stabilisierung der Oszillator-Amplitude beim Abstimmen sein, da der Oszillator hier nur eine schwache Rückkopplung habe soll.

Die Stabilisierung der Schirmgitterspannung sollte nicht notwendig sein. Bei meinem Audion wird die Schirmgitterspannung über ein Poti zwecks Feineinstellung der Rückkopplung zugeführt, und da kann man durchaus etwas drehen, ohne die Synchronisation zu verlieren. Aber das hängt natürlich auch von der Röhre ab, bei einer mit relevanter Miller-Rückwirkung ändert sich mit der Verstärkung auch die Eingangskapazität, was den Schwingkreis verstimmen würde.

Gruss HB9

10.06.17 16:36
Herrmann 

500 und mehr Punkte

10.06.17 16:36
Herrmann 

500 und mehr Punkte

Re: VE301W mit Post-Pentode C3b / Schallplattenwiedergabe mit Hifi-MM Tonabnehmer

Hallo HB9,

vielen Dank für Deine fundierten Erläuterungen und Messungen.

Zitieren:
Somit sollte man für diesen Betrieb einen 'echten' additiven Mischer bauen, ein Audion ist hier nicht so ideal, da die noch vorhandene Demodulation am Steuergitter unerwünscht ist

Ich habe über die Anforderung an die Homodyne-Stufe nachgedacht. Zunächst dachte ich an einen Linearverstärker, wie es z.B. eine NF-Verstärkerstufe darstellt. Da aber Mischprodukte nur an gekrümmten Kennlinien entstehen, sollte man die Mischstufe also nicht so linear betreiben wie eine NF-Stufe - wenngleich das natürlich wegen der immer mehr oder weniger gekrümmten Röhrenkennlinien auch schon funktionieren würde - nur wären eben die Mischprodukte dann nicht so stark wie es wünschenswert wäre.
Also erteilt man der Mischröhre eine stärkere feste negative Gittervorspannung, so daß man im Arbeitsbereich eines Anodengleichrichters landet. Dann hat man natürlich wieder eine zusätzliche Hüllkurvendemodulation in Form der Anodengleichrichtung. Eine Form der unerwünschten Hüllkurvendemodulation findet also immer irgendwie statt, weil man ja zum Erzeugen der Mischprodukte auch immer irgendwie in einem (besonders) nichtlinearen Teil der Röhre arbeiten möchte.
Aber Moment mal - ist die Anodengleichrichtung hier in dem Fall nicht identisch mit der Synchrondemodulation? Ist das jetzt hier an dieser Stelle nicht ein- und der selbe Vorgang?
Man kann die Synchrondemodulation auch als Hüllkurvendemodulation betrachten, bei der die Trägeramplitude empfängerseitig stark angehoben wird, so daß der resultierende Modulationsgrad sich auf einen Bruchteil verringert - z.B. auf 10%. Das erklärt die enorme Verringerung des Klirrfaktors. Die Vergrößerung der Audiobandbreite kann man sich damit erklären, daß der Kreis im selbstschwingenden Zustand für alle Frequenzen außer der Trägerschwingung nun wieder wie ein nicht entdämpfter Kreis arbeitet.
Es geht noch weiter: Man kann den Einkreiser mit normaler Hüllkurvendemodulation (Diode, Audion etc.) auch als Homodyne-Empfänger betrachten, bei dem der Oszillator vom Empfänger zum Sender verlagert wurde. Der Sender sendet also die "Oszillatorfrequenz für die ZF 0" gleich mit, und im Emfänger findet nur noch die Mischung statt.
Das bedeutet aber, daß diese Aussage
Zitieren:
ein Audion ist hier nicht so ideal, da die noch vorhandene Demodulation am Steuergitter unerwünscht ist
ein Irrtum ist, denn die "noch vorhandene Demodulation am Gitter" ist in diesem Fall der Mischvorgang für die "ZF von 0", es ist ein und der selbe Vorgang! Die Mischröhre arbeitet hier sozusagen in additiver Gittermischung, die man problemlos durch andere Beschaltung auch zur additiven Anodenmischung ändern kann.
Da bekanntermaßen Anodengleichrichtung für hohe Pegel günstiger ist, ist dies zu bevorzugen.
Zitieren:
Da für kleine HF-Signale auch die Oszillator-Amplitude klein sein muss, muss die Rückkopplung sehr weich sein und einen 'fliessenden' Übergang in den schwingenden Betrieb ermöglichen.

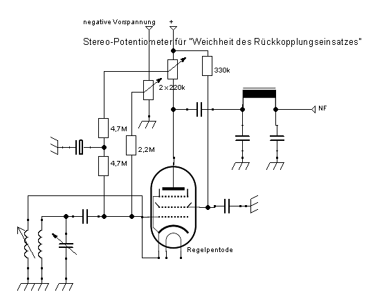
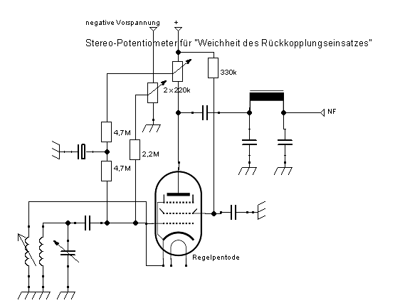
Deshalb habe ich eine Schaltung entworfen, die mit Hilfe einer Regelpentode einen superweichen Rückkopplungseinsatz erzielen soll. Die Schaltung arbeitet als Anodengleichrichter mit RC-Kopplung, und die signalpegelabhängige mittlere Anodenspannung wird als Regelspannung dem Gitterspannungsteiler zugeführt, der so dimensioniert ist, daß im Regelbereich immer eine negative Gittervospannung anliegt. Zusätzlich trägt der Schirmgitterstrom auch noch zur Regelspannungserzeugung bei, was bei dieser Verschaltung obendrein noch 2 Bauelemente einspart.
Die Rückkopplung erfolgt per ECO-Schaltung und Variokoppler.


Viele Grüße, Herrmann

Zuletzt bearbeitet am 10.06.17 17:05

Datei-Anhänge
superweicher_Oszillator.png superweicher_Oszillator.png (398x)

Mime-Type: image/png, 7 kB

10.06.17 17:25
HB9 

500 und mehr Punkte

10.06.17 17:25
HB9 

500 und mehr Punkte

Re: VE301W mit Post-Pentode C3b / Schallplattenwiedergabe mit Hifi-MM Tonabnehmer

Hallo Herrmann,

da scheint es noch ein Missverständnis zu geben:

Eine (Hüllkurven-) Demodulation durch Gleichrichtung (egal ob Diode, Gitter- oder Anodengleichrichtung) ist eine stark nichtlineare Angelegenheit, die vor allem bei hohem Modulationsgrad oder kleinen Signalen Verzerrungen verursacht. Die Gründe sind einerseits die Tatsache, dass der Übergang vom sperrenden in den leitenden Zustand nicht exakt im Nulldurchgang erfolgt, andererseits ist der Vorgang auch asymmetrisch bezüglich des demodulierten Signals, da z.B. die Diode bei steigender Spannung Strom liefert, während sie bei sinkender Spannung sperrt und damit das Absinken der demodulierten Spannung durch den Entladewiderstand pegelabhängig schneller oder langsamer erfolgt, was zu einem Tiefpassverhalten und Verzerrungen bei hohen Frequenzen führt. Die gekrümmte Kennlinie, welche einen 'fliessenden' Übergang vom sperrenden in den leitenden Zustand bewirkt, sorgt für zusätzliche Verzerrungen, vor allem beim Audion.

Eine Mischung dagegen ist im Idealfall eine Multiplikation (auch die additive Mischung) und damit in Bezug auf das Eingangssignal linear. Daher gibt es unabhängig von der Modulationstiefe und Signalamplitude theoretisch keine Verzerrungen (auch ein Modulationsgrad über 100% ist möglich, was in der Praxis durch Selektivschwund passiert, wenn der Träger abgeschwächt wird).

Mischen geht in der Praxis auf 2 Arten:

Die eine sind die schaltenden Mischer, z.B. Diodenmischer. Hier steuert das Oszillatorsignal elektronische Schalter (z.B. Dioden), welche das Eingangssignal z.B. während der positiven Oszillatorhalbwelle nicht-invertiert und während der negativen Oszillator-Halbwelle invertiert zum Ausgang schalten. Das ergibt sehr gute Mischresultate, ist aber mit Aufwand verbunden. Die meisten Mischer-ICs arbeiten nach diesem Prinzip.

Die zweite Variante besteht darin, dass das Oszillatorsignal die Verstärkung einer Verstärkerstufe steuert, welche das Eingangssignal verstärkt. Der klassische Vertreter dieses Typs ist die Misch-Hexode, aber auch die additive Mischung funktioniert nach diesem Prinzip, indem durch das normalerweise kräftige Oszillatorsignal ein stark gekrümmter Kennlinienteil abgefahren wird, so dass die Verstärkung im positiven Scheitel des Oszillatorsignals wesentlich höher ist als im negativen.

Beim schwingenden Audion gibt es beides, die Gittergleichrichtung des empfangenen HF-Signals und die Mischung mit dem Oszillatorsignal. Wenn man es gut machen will, müsste man eine separate Mischstufe vorsehen, aber dann wird es aufwendig. In der Praxis funktioniert auch das schwingende Audion bei guter Dimensionierung ganz ordentlich. Durch eine Vergrösserung des Kondensators der Gitterkombination kann der Demodulations-Effekt der Gittergleichrichtung reduziert werden.

Noch ein Nachtrag, dein Schaltplan wurde zuerst unterschlagen
Deine Idee mit der Regelung tönt interessant, das könnte ich bei mir auch so einbauen, der Aufwand wäre klein. Bei der Synchrongleichrichtung entsteht ja neben der NF eine Gleichspannung an der Anode, welche bei steigenden Signalpegeln sinkt, da Oszillator und HF-Signal am Gitter in Phase sind. Somit würde das für die Regelung passen. Durch Eingriff am Steuer- und Schirmgitter wird die Regel-Steilheit und damit die Wirksamkeit noch erhöht. Eine negative Hilfsspannung ist bereits vorhanden.

Gruss HB9

Zuletzt bearbeitet am 10.06.17 17:34

10.06.17 17:42
Herrmann 

500 und mehr Punkte

10.06.17 17:42
Herrmann 

500 und mehr Punkte

Re: VE301W mit Post-Pentode C3b / Schallplattenwiedergabe mit Hifi-MM Tonabnehmer

Hallo zusammen,

der erste Entwurf des superweichen Oszillators hatte 2 Nachteile: Durch die starke Verstärkungsregelung kann man Regelschwingungen (deren Frequenz der Elko bestimmt) nicht mehr ausschließen. Außerdem belastet der Schirmgitterwiderstand 220k den Ausgang zu stark.

Also habe ich ein Potentiometer hinzugefügt, mit dem man die Weichheit der Rückkopplung bzw. die Härte der Verstärkungsregelung einstellen kann. Damit sich durch Verstellen nicht der mittlere Arbeitspunkt der Röhre verschiebt, ist eine 2. Potentiometerbahn auf der Achse erforderlich, die diese Arbeitspunktverschiebung kompensiert (dort fehlt masseseitig noch ein Widerstand, da die Gittervorspannung am unteren Anschlag sonst auf Null zurückgehen würde.)


Viele Grüße, Herrmann

Datei-Anhänge
superweicher_Oszillator.png superweicher_Oszillator.png (398x)

Mime-Type: image/png, 10 kB

10.06.17 18:03
Herrmann 

500 und mehr Punkte

10.06.17 18:03
Herrmann 

500 und mehr Punkte

Re: VE301W mit Post-Pentode C3b / Schallplattenwiedergabe mit Hifi-MM Tonabnehmer

Hallo HB9

Zitieren:
Die zweite Variante besteht darin, dass das Oszillatorsignal die Verstärkung einer Verstärkerstufe steuert, welche das Eingangssignal verstärkt. Der klassische Vertreter dieses Typs ist die Misch-Hexode, aber auch die additive Mischung funktioniert nach diesem Prinzip, indem durch das normalerweise kräftige Oszillatorsignal ein stark gekrümmter Kennlinienteil abgefahren wird, so dass die Verstärkung im positiven Scheitel des Oszillatorsignals wesentlich höher ist als im negativen.

Wir können uns sicher darauf einigen, daß der Betrieb in einem stark gekrümmten Kennlinienteil immer auch eine Hüllkurvendemodulation verursacht.

Man kann bei Gedankenmodellen über technische Vorgänge ein und die selbe Sache immer von verschiedenen Seiten betrachten, und mir ist immer noch nicht plausibel, warum man bei unserer primitiven additive Mischung mittelst selbstschwingender Pentode die Arbeitsweise nicht auch so betrachten kann, daß der Homodyne-Empfänger zunächst die Trägerschwingung um mehrere 100% erhöht und das resultierende Empfangssignal mit einen sehr hohen Pegel mit einem sehr niedrigen Modulationsgrad hüllkurven-demoduliert.

Oder ein anderes Gedankenexperiment: Wo ist der Unterschied, wenn ich a) das Audion in den Homodyne-Betrieb schalte oder b) das Audion sich im Geradeausempfang mit schwacher Rückkopplung befindet und der Sender plötzlich die Leistung seiner Trägerwelle von 100 auf 2000kW erhöht, die Seitenbänder aber unverändert weiter mit einer Leistung von 20kW sendet. Aus Sicht des Röhren-Steuergitters sind doch beide Varianten gar nicht unterscheidbar. In Variante b) wurde lediglich der Oszillator vom Empfänger zum Sender verlagert (die 1900kW Leistungszuwachs der Trägerwelle sind jetzt "der Homodyne-Oszillator")

Und warum kann man einen Geradeausempfänger nicht generell als (primitiven) additiven Direktmischempfänger mit der ZF=0 betrachten, bei dem der Sender das Oszillatorsignal gleich mitsendet?

Nochmal:
Zitieren:
indem durch das normalerweise kräftige Oszillatorsignal ein stark gekrümmter Kennlinienteil abgefahren wird, so dass die Verstärkung im positiven Scheitel des Oszillatorsignals wesentlich höher ist als im negativen.

Was Du sehr exakt beschrieben hast, ist nichts anderes als eine Anodengleichrichtung. Beim Geradeausempfang wird das gekrümmte Kennlinienfeld vom Trägersignal abgefahren, beim Homodyneempfang vom um den Betrag der Oszillatorschwingung verstärkten Trägersignal. Aus Sicht des Steuergitters ist es dabei überhaupt nicht unterscheidbar und auch irrelevant, was die Ursache für die starke Erhöhung der Trägeramplitude ist (Selbsterregung der Empfangsschaltung mit Einrasten, oder senderseitiges Erhöhen der Trägerampitude, denkbar wäre auch ein extrem schmalbandiges Quarzfilter im Empfänger, was eine nadelförmige Durchlaßkurve für den Träger und eine schwache Rechteckkurve für die Seitenbänder liefert.) Die letzten beiden Varianten wären wieder Geradeausempfang, aber wie gesagt, es ist überhaupt nicht unterscheidbar am Steuergitter.

Wie auch immer - es wäre toll wenn Du die Oszillatorvariante mit der Verstärkungsregelung bauen würdest. Je höher die negative Hilfsspannung, um so weniger wird die Regelspannung im Gitterpannungsteiler heruntergeteilt (da der untere Widerstand im Verhältnis zum oberen immer größer werden muß) und um so steiler wird die maximal mögliche Regelung.

Viele Grüße, Herrmann

Zuletzt bearbeitet am 10.06.17 19:29

10.06.17 19:50
HB9 

500 und mehr Punkte

10.06.17 19:50
HB9 

500 und mehr Punkte

Re: VE301W mit Post-Pentode C3b / Schallplattenwiedergabe mit Hifi-MM Tonabnehmer

Hallo Herrmann,

Mischung und Addition mit Hüllkurvendemodulation sind nicht dasselbe, nur ist eine einfache Erklärung schwierig, da muss ich mir noch was einfallen lassen. Man sollte auch beachten, dass der additive Mischer die schlechteste Variante eines Mischers ist, der tatsächlich einige Eigenschaften eines Hüllkurvendemodulators hat, die ihn so schlecht machen (aber nichts zur eigentlichen Mischfunktion beitragen). Aber was solls... Hauptsache, es funktioniert und macht Spass!

Ich werde die Verstärkungsregelung mal ausprobieren, die negative Vorspannung beträgt etwa -250V, das sollte reichen... Eventuell kann man die HF-Vorstufe mitregeln, das gäbe dann eine einfache Schwundregelung, der Aufwand hält sich in Grenzen.

Gruss HB9

11.06.17 22:01
HB9 

500 und mehr Punkte

11.06.17 22:01
HB9 

500 und mehr Punkte

Re: VE301W mit Post-Pentode C3b / Schallplattenwiedergabe mit Hifi-MM Tonabnehmer

Hallo Herrmann,

hier noch ein Versuch, um den Unterschied zwischen Hüllkurvendemodulation und Mischung zu erklären. Vorab aber noch die Definition der Begriffe 'Überlagerung' und 'Mischung', die teilweise falsch verwendet werden.

Überlagerung: Addition zweier Signale, das resultierende Signal enthält alle Frequenzkomponenten der Eingangssignale, aber nur diese, es gibt keine neue.

Mischung: Multiplikation zweier Signale. Im Falle von sinusförmigen Signalen besteht das Ausgangssignal aus den beiden Frequenzen Summe und Differenz der Eingangssignale, es gibt keine weiteren Frequenzkomponenten.

Nun nehmen wir zwei Sender A und B, die Frequenzen liegen dabei 20kHz auseinander, so dass die Trennschärfe eines einfachen Einkreisers nicht ausreicht, um die Sender sauber zu trennen. Somit werden die beiden Sender im HF-Pfad überlagert und am Demodulator erscheint die Summe der HF-Signale von A und B.

Der Hüllkurvendemodulator demoduliert beide Sender korrekt, wie das jeder Radiobastler kennt, daneben erscheint auch noch die Differenz A-B der beiden HF-Signale, was aber meistens ausserhalb des Hörbereichs liegt. Wer das nachrechnet, stellt fest, dass die resultierende Hüllkurve der Summe der beiden Hüllkurven entspricht und somit die Summe der beiden NF-Signale wiedergegeben wird.
Wird dem Sender A lokal ein phasengleicher Zusatzträger addiert, um die Verzerrungen durch Selektivschwund zu reduzieren, ändert sich an der Situation grundsätzlich nichts, es ist tatsächlich dasselbe, als würde Sender A mit einer entsprechend höheren Trägerleistung und damit geringerer Modulationstiefe senden.

Beim Synchrondemodulator (Mischer) ergibt sich Folgendes, es wird angenommen, dass der Oszillator auf die Frequenz von Sender A abgestimmt ist: Am Mischerausgang erscheint das Produkt aus dem Oszillatorsignal und der Summe von A und B, also:

NF = (A + B) * Oszillator, was gleichbedeutend ist mit A * Oszillator + B * Oszillator

Schaut man sich die Frequenzkomponenten an, wird der Unterschied sofort ersichtlich. fA ist die Frequenz von Sender A, fB die Frequenz von Sender B, und der Oszillator hat gemäss Vorgabe die Frequenz fA. Bei der Multiplikation entsteht die Differenz und die Summe der Eingangsfrequenzen, somit hat das NF-Signal am Mischerausgang folgende Frequenzkomponenten:

fA - fA: gewünschte NF, Sender A auf Frequenz Null 'heruntergemischt'
fA + fA und fA + fB: Frequenzen oberhalb Sendefrequenz, hier uninteressant und wird durch Tiefpass weggefiltert
fB - fA: 'demoduliertes' Signal von Sender B, liegt um die Frequenzdifferenz der beiden Sender über dem NF-Signal vom gewünschten Sender A und kann mit einem Tiefpassfilter weggefiltert werden, bei der Annahme von 20kHz Differenz ist es sowieso unhörbar.
Hier muss der Oszillator lokal sein, da er mit dem Sendesignal multipliziert wird, was beim Sender selber nicht möglich ist, da dann die Sendefrequenz ja ändern würde, zudem müsste das ja auch der Sender B mitbekommen, denn dieses Signal wird ja ebenfalls mit dem Oszillator multipliziert.

Somit die Zusammenfassung:
Bei Hüllkurvendemodulation werden alle Sender, die am Demodulator ankommen, korrekt demoduliert, es entsteht ein 'Stimmengewirr'.
Bei Synchrondemodulation werden nur Sender, welche die Frequenz des Oszillators haben, korrekt demoduliert, die anderen werden entsprechend der Frequenzdifferenz im Spektrum verschoben und können so durch einen Tiefpass weggefitert werden.
Damit der Synchrondemodulator korrekt funktioniert, müssen das HF- und Oszillatorsignal zudem in Phase (oder Gegenphase) sein, bei 90° Verschiebung gibt es kein NF-Signal.

Hoffentlich sind jetzt alle Klarheiten beseitigt

Gruss HB9

12.06.17 19:41
Herrmann 

500 und mehr Punkte

12.06.17 19:41
Herrmann 

500 und mehr Punkte

Re: VE301W mit Post-Pentode C3b / Schallplattenwiedergabe mit Hifi-MM Tonabnehmer

Hallo HB9,
vielen Dank für Deine Mühe. Deine Erklärung ist gut.

Zitieren:
Bei Hüllkurvendemodulation werden alle Sender, die am Demodulator ankommen, korrekt demoduliert, es entsteht ein 'Stimmengewirr'.
Bei Synchrondemodulation werden nur Sender, welche die Frequenz des Oszillators haben, korrekt demoduliert, die anderen werden entsprechend der Frequenzdifferenz im Spektrum verschoben und können so durch einen Tiefpass weggefitert werden.

Dieser Vergleich ist sehr einleuchtend und verständlich. Beim normalen Einkreiser hört man quasi eng benachbarte Sender wie mit einem Mischpult (ein linearer Überlagerer) zusammengemischt, beim Homodyne hört man den Nachbarsender schlechtenfalls als frequenzverschobenes piepsendes Zirpen wegen der endlichen Steilheit des NF-Tiefpasses. (tatsächlich so auch schon gehört mit meinem VE)
Wobei dieses Idealverhalten wohl nur mit einem idealen Mischer erreichbar ist, und nicht mit unserer primitiven selbstschwingenden Pentodenstufe, bei der ein Mix aus Hüllkurvendemodulation und additiver Mischung stattfindet - ein gemischter Mischer quasi.

Um auf den idealen Mischer zurückzukommen, ich sehe eine Möglichkeit für einen Festfrequenz-Homodyne-Empfänger ohne lokalen Oszillator:


Bei meinen Recherchen bin ich auf RM auf einen Synchrodyne-Demodulator für einen Standard-AM-Super gestoßen. Dieser arbeitet statt der üblichen EBF8x oder EF8x+EABC80 (ZF-Verst.+Demodulation) mit einer ECH81 als Synchronmischer. Zur Entkopplung von Lokaloszillator und ZF-Basisband ist dort noch eine ECC85 in 2 x Anodenbasisschaltung vorgeschaltet.
Sowohl Bedienkomfort (Fingerspitzengefühl beim Senderabstimmen!) als auch Röhrenökonomie ist aber schlechter als beim Standardsuper.

Wenn man jedoch diesen Synchrodyne-Super als Einbereichssuper für LW+MW auslegt (mit der ZF von z.B. 2,5MHz), sehe ich einen riesigen Vorteil: Es ist KEIN Abgleich erforderlich. Nichts. Null. Es gibt nur 2 berechnete Tiefpässe: Am Antenneneingang (fg 1,7MHz) und ein NF-Tiefpaß. Problematisch wird das unvermeidliche Weglaufen des Senderabstimm-Oszillators sein.
EDIT: Den Kreis des Synchrodyne-Oszillators muß man natürlich grob auf die gewünschte ZF abgleichen. Aber Gleichlauf-Probleme irgendwelcher Art gibt es dennoch nicht.

Viele Grüße, Herrmann

Zuletzt bearbeitet am 12.06.17 20:13

Datei-Anhänge
Synchrodyne ohne Lokaloszillator.png Synchrodyne ohne Lokaloszillator.png (391x)

Mime-Type: image/png, 8 kB

 1 2 3 4 5 6
 1 2 3 4 5 6
Hüllkurvendemodulation   Schallplattenwiedergabe   Grüße   Post-Pentode   Tonabnehmer   Schirmgitterspannungsversorgungen   Schirmgitterspannungs-Reduzierung   Synchrodyne-Lieblingsschaltung   Herrmann   Schallplatten-Audiowiedergabe   Rückkopplung   Hifi-MM   Mittelwellen-Frequenzbereichs   Oszillator   Schirmgitterspannung   Synchrondemodulator   betriebsspannungs-entkoppelten   Antennen-Parallelschwingkreis   Volks-Synchrondemodulator-Empfänger   Festfrequenz-Homodyne-Empfänger