| Passwort vergessen?
Sie sind nicht angemeldet. |  Anmelden

Sprache auswählen:

Wumpus Gollum Forum von
Wumpus Welt der (alten) Radios
Sie sind nicht angemeldet.
 Anmelden

Nordmende Fidelio
  •  
 1 2
 1 2
04.04.08 12:42
Wolle 

500 und mehr Punkte

04.04.08 12:42
Wolle 

500 und mehr Punkte

Re: Nordmende Fidelio

Hallo Marco.

Vom Systemaufbau her ist die von Dir gezeigte Röhre eine EL84. Auch die von Dir eingetragene Zählweise ist richtig. Anbei eine Darstellung der interessanten Stifte.

Stift 1 Nicht benutzt
Stift 2 Gitter 1, Steuergitter
Stift 3 Katode und Gitter 3, Bremsgitter Hier etwa 7 Volt
Stift 4 Heizung
Stift 5 Heizung
Stift 6 Nicht beschaltet
Stift 7 Anode
Stift 8 Nicht beschaltet
Stift 9 Gitter 2, Schirmgitter

An den Stiften 7 und 9 mü0ten etwa 250 Volt zu messen sein, Stift 4 und Stift 5 haben 6,3 Volt Wechselspannung, ist aber in Ordnung, da die Röhre ja heizt.

Am Stift 2 darf auf keinen Fall eine positive Spannung zu messen sein. Du kannst bitte die Röhre herausziehen und dort messen. Sollte hier eine Spannung meßbar sein, muß der Koppelkondensator ersetzt werden. Dieser ist, ausgehend vom Stift 2, an einem Widerstand (etwa 1 kOhm) angeschlossen und geht zur EABC80.

Viel Erfolg und viele Grüße.
Wolle

!
!!! Fotos, Grafiken nur über die Upload-Option des Forums, KEINE FREMD-LINKS auf externe Fotos.    

!!! Keine Komplett-Schaltbilder, keine Fotos, keine Grafiken, auf denen Urheberrechte Anderer (auch WEB-Seiten oder Foren) liegen!
Solche Uploads werden wegen der Rechtslage kommentarlos gelöscht!

Keine Fotos, auf denen Personen erkennbar sind, ohne deren schriftliche Zustimmung.

Den Beitrag-Betreff bei Antworten auf Threads nicht verändern!
05.04.08 20:14
Pfalzer 

0-49 Punkte

05.04.08 20:14
Pfalzer 

0-49 Punkte

Re: Nordmende Fidelio

Hallo Wolle

Nach ca 1 Stunde Betrieb erreicht der schwarze zylinder ca 67 Crad ok ?????
Was ist das schwarze teil eigentlich ??
An pinn 4 und 5 messe ich keine Spannung 0.0 Volt
an Pin 2 messe ich 6.3 Volt
Alles ohne eingesteckte Röhre gemessen !!
Auch wird wenn ich die Röhre entferne und das gerät einschalte das Magische auge Grün und leuchtet richtig hell !
Wenn ich die Röhre dann wieder einsetze glimmt das Auge nur noch ganz minimal !!orange

Gruss Marco

06.04.08 08:36
Wolle 

500 und mehr Punkte

06.04.08 08:36
Wolle 

500 und mehr Punkte

Re: Nordmende Fidelio

Hallo Marco.

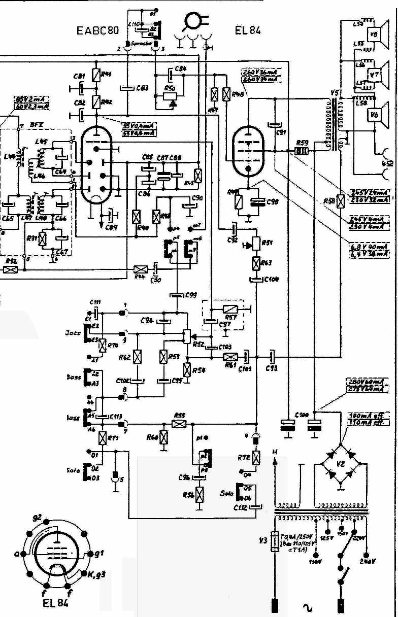
Der schwarze Zylinder ist der Gleichrichter für die Anodenspannung. Er ist als Brückengleichrichter, auch als Graetzgleichrichter bezeichnet, ausgeführt und stellt die Anodenspannung von Plus 250 Volt bereit. Diese Gleichspannung wird durch einen nachgeschalteten Elektrolytkondensator (Elko) geglättet und gesiebt. Die mögliche Ausführung ist ein silberner Becher mit der Aufschrift 50 + 50 µF bei einer Spannung von 385 Volt.
Versuche bitte, ob bei gezogener Röhre EL84 mit dem Gerät auf UKW oder auf Mittetwelle Empfang möglich ist. Die Aussage liefert Dir das magische Auge.
Dann messe bitte bei gesteckter Röhre EL84 die Spannungen an den Stiften 3 und 9.
Eine Temperatur um 70°c an dem Gleichrichter ist akzeptabel, interessant sind die Spannungen an der EL84. Anbei ein Schaltbildausschnitt zum Netzteil und zum NF- Verstärker.

Viele Grüße.
Wolle

Datei-Anhänge
aaa1.jpg aaa1.jpg (412x)

Mime-Type: image/pjpeg, 158 kB

aaa2.jpg aaa2.jpg (377x)

Mime-Type: image/pjpeg, 58 kB

01.10.08 08:06
Florianska 

500 und mehr Punkte

01.10.08 08:06
Florianska 

500 und mehr Punkte

Re: Nordmende Fidelio

Hallo,
ich hatte ähnliche Fragen zu einem Nordmende Carmen 55.
Der Graetz-Gleichrichter wird sehr warm und die angegebenen Spannungen von 270V an der EL84 bzw 285V am Ladeelko werden nicht erreicht.
Bei gesteckter EL84 221V, bei gezogener262V. das bedeutet, bei 45mA weniger Anodenstrom 40V mehr Spannung. Ist das nicht ein sicheres Zeichen für einen zu hohen Innenwiderstand des Netzteiles (hier vermutlich GLR)? Immerhin sind im Schaltbild effektiv 120mA eingetragen und 285V und auf dem verbauten GLR steht B250C80.
Welchen Innenwiderstand darf ein solcher GLR denn haben?
Hat jemand vielleicht daten dazu aus den 50er oder 60er Jahren?
MfG
Florianska

 1 2
 1 2
Wickelkondensatoren   Restaurationsbericht   Koppelkondensator   Sicherheitshinweise   herauszubekommen   nachgeschalteten   unterschiedliche   Koppelkondensatoren   Elektrolytkondensator   Isolationswiderstand   leistungssrarker   Graetz-Gleichrichter   Graetzgleichrichter   bediehnungsanleitung   Schaltbildausschnitt   Spannungsmessung   Innenwiderstand   Nordmende   Brückengleichrichter   Fidelio