| Passwort vergessen?
Sie sind nicht angemeldet. |  Anmelden

Sprache auswählen:

Wumpus Gollum Forum von
Wumpus Welt der (alten) Radios
Sie sind nicht angemeldet.
 Anmelden

Audion mit Schwundregelung
  •  
 1 2 3 4 5 6 .. 11
 1 2 3 4 5 6 .. 11
05.12.13 21:17
nobbyrad58 

500 und mehr Punkte

05.12.13 21:17
nobbyrad58 

500 und mehr Punkte

Re: Audion mit Schwundregelung

Hallo Andreas!

Mach doch mal einfach eine Skizze von Deinem ganzen Empfänger. Ich hatte das ECO Audion mit Vorstufe im Kopf. Also ein Zweikreiser mit Diodengleichrichtung und ALR, dieser Empfängertyp wurde auch kommerziell hergestellt. Es war die Krönung der Zweikreiser - Technologie.

MFG Nobby

Zuletzt bearbeitet am 05.12.13 21:27

!
!!! Fotos, Grafiken nur über die Upload-Option des Forums, KEINE FREMD-LINKS auf externe Fotos.    

!!! Keine Komplett-Schaltbilder, keine Fotos, keine Grafiken, auf denen Urheberrechte Anderer (auch WEB-Seiten oder Foren) liegen!
Solche Uploads werden wegen der Rechtslage kommentarlos gelöscht!

Keine Fotos, auf denen Personen erkennbar sind, ohne deren schriftliche Zustimmung.

Den Beitrag-Betreff bei Antworten auf Threads nicht verändern!
05.12.13 21:21
AndreasStefan 

250-499 Punkte

05.12.13 21:21
AndreasStefan 

250-499 Punkte

Re: Audion mit Schwundregelung

Hallo Nobby,

das mach ich und stell das morgen ein.

Grüße von Andreas

08.12.13 17:46
AndreasStefan 

250-499 Punkte

08.12.13 17:46
AndreasStefan 

250-499 Punkte

Re: Audion mit Schwundregelung

Hallo Nobby,

hier mal der "Schaltplan". Der ist nicht durch Lustlosigkeit optisch so geworden. Leider hatte ich vor
8 Monaten einen Schlaganfall. Das Schreiben und Zeichnen fällt mir noch schwer. Aber den Lötkolben
konnte ich nach 6 Monaten wieder perfekt halten. Hoffe, du störst dich nicht allzu sehr daran, und
kannst damit was anfangen.


Grüße von Andreas

Zuletzt bearbeitet am 08.12.13 17:54

Datei-Anhänge
audi.jpg audi.jpg (853x)

Mime-Type: image/jpeg, 110 kB

08.12.13 19:26
nobbyrad58 

500 und mehr Punkte

08.12.13 19:26
nobbyrad58 

500 und mehr Punkte

Re: Audion mit Schwundregelung

Hallo Andreas!

Erst mal gute Besserung und wieder volle Einsatzkraft nach Deiner schweren Erkrankung!
Zu der Schaltung: Erste Stufe aperiodischer Katodenfolger (Anodenbasischaltung). Zweite Stufe: Bandfilter mit Entdämpfung des ersten Kreises. Gleichrichtung in Anodenkreis durch Diode, Regelspannungserzeugung durch Integration, Tiefpass der NF.
Zweite Röhre gleichstrommäßig als Triode. Hier könnte man auch eine Regelung der Rückkopplung durch ein Schirmgitterpoti machen.
Die ALR Spannung wird bei Industriegeräten durch den HF Träger erzeugt. Man versucht die NF Amplitudenmodulation durch einen Tiefpass auszugleichen so wie bei Deinem Radio. Die restlichen ca. 70% erzeugen die ALR aus dem Trägerrest, der ja nie ganz weg ist. Auch werden durch den Anzapf der letzten ZF Spule verschieden hohe Spannungen erzeugt. Das gilt natürlich nur bei getrennter ALR Erzeugung und NF Demodulation. Bein Deiner Schaltung wird kein Träger mehr das sein für die ALR. Ob eine Verbesserung der Schaltung oder der Regelung durch die Verwendung des Trägerrest, der ja eigentlich 70% bei 30% Modulationsgrad beträgt wäre noch eine gute Frage. Also alle Experten suchen jetzt eine Lösung für eine Demodulation und ALR Erzeugung getrennt mit den zwei Dioden einer EAA 91.

MFG Nobby

08.12.13 19:54
AndreasStefan 

250-499 Punkte

08.12.13 19:54
AndreasStefan 

250-499 Punkte

Re: Audion mit Schwundregelung

Hallo Nobby,

danke für die Genesungswünsche. Bis auf das Schreiben und Zeichnen geht es mir relativ gut.
Das mit der Rückkopplung habe ich bewusst so rausgesucht. Wollte auf ein Poti verzichten.
Bei einwandfreier Einstellungen der Schwingkreise arbeitet die RK vom oberen bis unteren Band gleichmäßig.
Die Antenne muss aber unbedingt auf Resonanz gebracht werden. Wenn der Eingangskreis stimmt, ist noch der
Sekundärkreis auf Gleichlauf zu bringen. Mit den Serientrimmer wird noch die Trennschärfe eingestellt, fertig.
Da die Antenne abgestimmt werden muss, habe ich noch eine HF-Stufe vorgesetzt. Die hatte ich in meinen
Audion (Volkers Seite) schon erfolgreich verbaut.
Nun noch die Sache mit der EAA91 und ein MA, dann nähern wir uns der Ziellinie.
Das Teil spielt schon richtig gut. Die Schwundregelung macht sich bemerkbar.
Einen KW Kreis habe ich schon gebaut. Ist aber zu Breitbandig. Geht von 3,8-9,5Mhz. Da leidet die Selektivität.
Na ja, morgen ist auch noch ein Tag. Bin mal gespannt, wie es hier weiter geht.


Grüße von Andreas

09.12.13 21:00
uwe_thomas 

250-499 Punkte

09.12.13 21:00
uwe_thomas 

250-499 Punkte

Re: Audion mit Schwundregelung

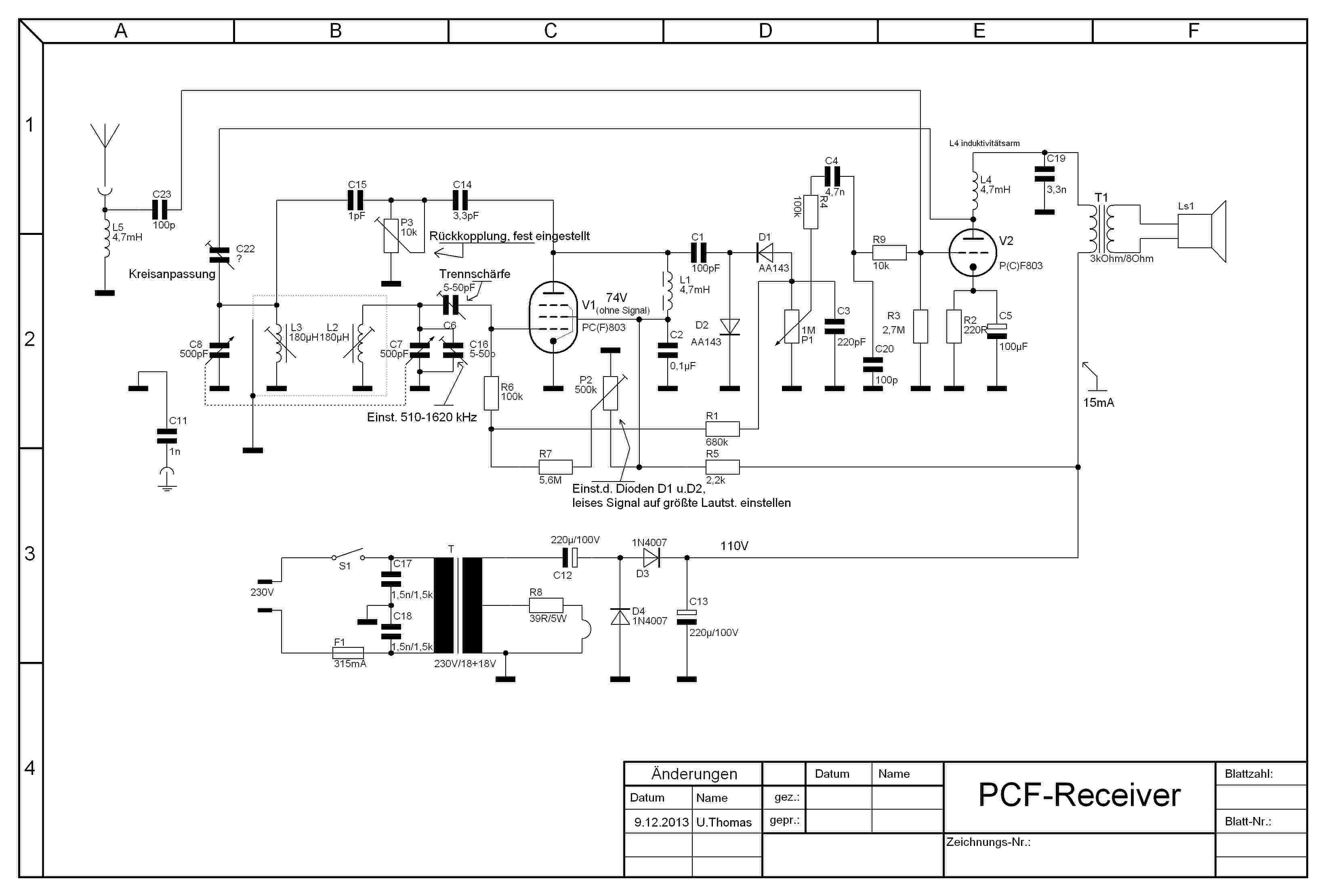
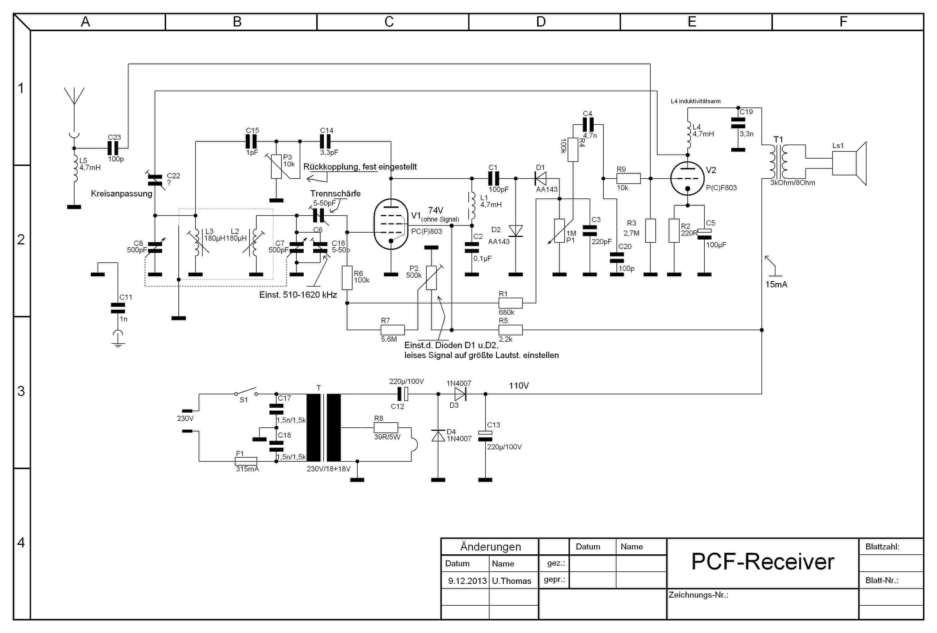
Hallo Andreas, Hallo zusammen,

Ich habe meine ursprüngliche Schaltung mal etwas verändert (zum Reflex).
Endstufe würde jetzt zusätzlich als HF-Vorstufe wirksam sein. Sollte funktionieren.

Die Schaltung sollte auch ganz gut mit EAA91 arbeiten (vielleicht Vorspannungspoti anders justieren).

@Rainer

Du kennst das Radio mit der ursprünglichen Schaltung, war schon mal bei Dir zu Hause (Bastelwettbewerb).

Mit freundlichen Grüßen,

Uwe Thomas

Zuletzt bearbeitet am 09.12.13 21:11

Datei-Anhänge
pcf803-radio2.jpg pcf803-radio2.jpg (1492x)

Mime-Type: image/jpeg, 302 kB

09.12.13 21:35
AndreasStefan 

250-499 Punkte

09.12.13 21:35
AndreasStefan 

250-499 Punkte

Re: Audion mit Schwundregelung

Hallo Uwe,

schön dich hier zu lesen.
Habe von der Schaltung "nur" den Mittelteil verwendet. Muss sagen, funktioniert gut. Als Röhre eine PCF801.
NF Teil mit einer PCL82 in Standartschaltung. Also nichts besonderes. Den HF Teil werde ich mit einer PCF82 oder EF80(183) realisieren.
Das habe ich schon mal gemacht, und funzt richtig gut. EF80 und EAA91 passen mir gut in meinen Heizkreis.
Als MA werde ich eine UM11 verbauen. Warum? Weil ich sie da liegen habe, und das "Röhrendurcheinander" mag.
Die Heizung ist natürlich separat.
Nun kommen wir zu meinen Problem. Du meinst, eine EAA91 ist so ohne weiteres zu verwenden?
Dann werde ich das mal ausprobieren. So was habe ich noch nicht gemacht und deshalb keinerlei Erfahrung damit.
Werde mal sehen.


Grüße von Andreas

10.12.13 12:39
uwe_thomas 

250-499 Punkte

10.12.13 12:39
uwe_thomas 

250-499 Punkte

Re: Audion mit Schwundregelung

Hallo Andreas,

Ich habe grad mit Erschrecken festgestellt, daß ich in der Schaltung von Anfang an einen Kondensator vergessen habe.

An dem Punkt, wo der 100k mit dem 680k und dem 5,6M verbunden ist, muß noch ein C zum Sieben der Regelspannung gegen Masse geschaltet werden (ca 47n bis 100n).

Ansonsten: NF-Teil mit PCL82 ist natürlich um einiges besser als das C-System der PCF803 als NF.

Wie wärs denn damit? PCF801: C-System als aperiodischer HF-Verstärker, F-System wie in ursprünglicher Schaltung?

Viel Glück mit dem Versuch mit der EAA91.

Mit freundlichen Grüßen,

Uwe Thomas

10.12.13 16:09
AndreasStefan 

250-499 Punkte

10.12.13 16:09
AndreasStefan 

250-499 Punkte

Re: Audion mit Schwundregelung

Hallo Uwe,

..aber gehen tut es trotzdem. Bin gerade auf den Weg ins Bastelzimmer. Werde das sofort in Angriff nehmen.
Die Sache mit der HF Verstärkung werde ich mal ausprobieren. Kann mir aber nicht vorstellen, ob das soviel
bringt wie mit einer EF80 o.ä. Wir werden sehen. Klappt es, ist mir das in Hinsicht der Heizleistung meines
Trafos allemal lieber. Die Reserven sind eh knapp, bevor er die Knie durch drück.
Habe jetzt einen MW und KW Kreis. Der KW Kreis war etwas schwierig in Punkto Bandbreite. Da mir die Werte der
Kerne nicht bekannt sind, war es wie im Trüben fischen. Bin jetzt bei 5,8-7,5Mhz und sehr zufrieden.
Habe so lange getüftelt, bis ich ohne Trimmer auskomme, so dass ich nur den Drehko umschalten muss.
Na ja, werde mal basteln gehen und mich wieder melden.


Grüße von Andreas

11.12.13 11:53
nobbyrad58 

500 und mehr Punkte

11.12.13 11:53
nobbyrad58 

500 und mehr Punkte

Re: Audion mit Schwundregelung

Hallo Zusammen!

Die UM 11 braucht -20 V für "Vollausschlag". Dafür sind etwa 15 V eff. HF nötig beim Einsatz einer EAA91. Bei einer Super ZF Schaltung hat man verschiedene Anzapfe an den Bandfilter(n) genommen und so die gewünschte Spannung und Bandbreite für die Anwendung, also ALR oder NF erhalten.
Hier geht natürlich kein Bandfilter sondern nur ein HF Trafo, Übertrager, eine Spule zur Herauf und Heruntertransformation. Dieser HF Übertrager müsste aber für MW und KW verschiedene Werte haben. Man könnte das Prinzip der kombinierten AM FM ZF Filter versuchen, allerdings sind dort die Frequenzen weiter auseinander.

MFG Nobby

 1 2 3 4 5 6 .. 11
 1 2 3 4 5 6 .. 11
Andreas   Katodenrückkopplung   Regelspannungsverzögerung   Bandfilterzweikreiser   Arbeitspunkteinstellungen   Schwundregelung   bearbeitet   Gittergleichrichtung   funktioniert   Zuletzt   Heruntertransformation   herauftransformierenden   Schaltung   Gitterableitkondensator   Schirmgitter   Gleichrichterschaltung   Regelspannungserzeugung   Rückkopplung   Vorspannungserzeugung   Schaltplanausschnitt