| Passwort vergessen?
Sie sind nicht angemeldet. |  Anmelden

Sprache auswählen:

Wumpus Gollum Forum von
Wumpus Welt der (alten) Radios

Audion mit Schwundregelung
  •  
 1 .. 3 4 5 6 7 .. 11
 1 .. 3 4 5 6 7 .. 11
11.12.13 18:16
AndreasStefan 

250-499 Punkte

11.12.13 18:16
AndreasStefan 

250-499 Punkte

Re: Audion mit Schwundregelung

Hallo Nobby,


na du kannst einen aber auch Mut machen. Dann muss ich mal sehen, was ich noch
in der Bastelkiste habe. Muss nicht unbedingt eine UM 11 sein.
Stelle morgen mal eine Schaltung aus dem Netz ein. Dann können wir wieder beraten.


Grüße von Andreas

!
!!! Fotos, Grafiken nur über die Upload-Option des Forums, KEINE FREMD-LINKS auf externe Fotos.    

!!! Keine Komplett-Schaltbilder, keine Fotos, keine Grafiken, auf denen Urheberrechte Anderer (auch WEB-Seiten oder Foren) liegen!
Solche Uploads werden wegen der Rechtslage kommentarlos gelöscht!

Keine Fotos, auf denen Personen erkennbar sind, ohne deren schriftliche Zustimmung.

Den Beitrag-Betreff bei Antworten auf Threads nicht verändern!
11.12.13 19:28
nobbyrad58 

500 und mehr Punkte

11.12.13 19:28
nobbyrad58 

500 und mehr Punkte

Re: Audion mit Schwundregelung

Hallo Andreas!

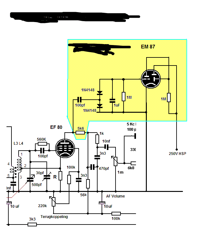
Eine EM 87 bräuchte etwa 7 V eff. HF. Hab eine kleine Skizze, auch nicht so besonders, gemacht. Mann könnte auch getrennte Primär.- Sekundärwicklungen machen.
Ein auf die Spitze treiben wäre eine zusätzliche NF Regelung mit einer PF 83.
Sehe gerade das es so aussieht als wären die Windungzahlen der Spulenhälften gleich, die obere der ALR soll ntürlich größer sein als die untere der NF Erzeugung.

MFG Nobby

Zuletzt bearbeitet am 11.12.13 19:34

Datei-Anhänge
Skizze ALR NF .jpg Skizze ALR NF .jpg (651x)

Mime-Type: image/jpeg, 29 kB

11.12.13 19:59
AndreasStefan 

250-499 Punkte

11.12.13 19:59
AndreasStefan 

250-499 Punkte

Re: Audion mit Schwundregelung

Hallo Nobby,

auch nicht schlecht. Wie zauberst du das immer aus dem Hut?
Schau mal hier. Was hältst du davon?


Grüße von Andreas

Datei-Anhänge
1v12 - Kopie.gif 1v12 - Kopie.gif (691x)

Mime-Type: image/gif, 20 kB

11.12.13 22:02
nobbyrad58 

500 und mehr Punkte

11.12.13 22:02
nobbyrad58 

500 und mehr Punkte

Re: Audion mit Schwundregelung

Hallo Andreas!

Gute Idee! Klappt so aber nur mit dem Audion, dem Gittergleichrichter. Der Spannungsverdoppler aus den beiden Dioden hat eine viel zu große Zeitkonstante, da kann man so keine NF bekommen.
Man müsste eine dritte Diode einsetzen bei Deinem Bandfilter - Zweikreiser für die NF Gewinnung. Eine PABC 80 könnte man auch in Erwägung ziehen, ist auch billigwenn man die Sache mit Röhren machen will.
Zwei Dioden sind ja bei der Röhre ähnlich wie die EAA 91 für die FM Demodulation, eine für AM Demodulation.
Was meinen die anderen dazu: Spannungsverdopplung mit den zwei FM Dioden, AM Diode für die NF und NF Vorstufe mit der Triode. Es gibt natürlich einige Einschränkungen bei der PABC 80, müsste aber im Prinzip möglich sein.

MFG Nobby

12.12.13 07:12
AndreasStefan 

250-499 Punkte

12.12.13 07:12
AndreasStefan 

250-499 Punkte

Re: Audion mit Schwundregelung

Hallo Nobby,


ich werde mal deine Schaltung probieren. Die Andere hatte ich mal in einem anderen Audion aufgebaut. Da ich nur
eine EM84 hatte, kam es zu keinen Erfolg.


Grüße von Andreas

12.12.13 09:32
nobbyrad58 

500 und mehr Punkte

12.12.13 09:32
nobbyrad58 

500 und mehr Punkte

Re: Audion mit Schwundregelung

Hallo Andreas!

Hab nicht so genau hingeschaut bei Deiner Schaltung zu Spannungsverdopplung. Schau mal nach Greinacher oder Delonschaltung. Die haben zwei Ladekondensatoren. Eine EM 84 oder UM 11 geht natürlich im Prinzip, nur die zeigen dann "weniger" an.
Deine Idee ist aber gut meine ich, nur bei den obigen Schaltungen geht die PABC 80 nicht. Mit zwei Dioden wäre die abgewandelte Bandfilterschaltung auch gut zu machen meine ich.

MFG Nobby

12.12.13 12:02
AndreasStefan 

250-499 Punkte

12.12.13 12:02
AndreasStefan 

250-499 Punkte

Re: Audion mit Schwundregelung

Hallo Nobby,


du hast eine PN.


Grüße von Andreas

12.12.13 19:17
AndreasStefan 

250-499 Punkte

12.12.13 19:17
AndreasStefan 

250-499 Punkte

Re: Audion mit Schwundregelung

Hallo Nobby, hallo Uwe,


Im Anhang mein MW und KW Kreis. Musste ein Abschirmblech einbauen. Die sek. Kreise haben sich gegenseitig
behindert. Jetzt geht es.
Die Sache mit der EAA91 war von mäßigen Erfolg gekrönt. Im Prinzip geht das schon, aber es ist ein Geprassel trotz mehrerer Einstellversuche.
Muss da noch mal ran. Auch konnte ich nicht das gesamte Band empfangen. War als ob das Band verkürz wurde.
Mit dem MA werde ich erst anfangen, wenn die Diodensache erledigt ist.
Fällt Jemand was konstruktives ein?


Grüße von Andreas

Datei-Anhänge
IMG_1177.JPG IMG_1177.JPG (596x)

Mime-Type: image/jpeg, 39 kB

12.12.13 20:57
nobbyrad58 

500 und mehr Punkte

12.12.13 20:57
nobbyrad58 

500 und mehr Punkte

Re: Audion mit Schwundregelung

Hallo Andreas!

Du hast PN von mir. Mit dem Prasseln kann ich mir nicht erklären, bei meiner Skizze war der C der parallel zum R ist nicht eingezeichnet. In der PN ist das schematisch zu sehen.
Mir fällt ein, wenn es getrennte Prim.- Sek. Kreise sind, werden die Trenn C an der Katode nicht benötigt.

MFG Nobby

Zuletzt bearbeitet am 12.12.13 21:19

13.12.13 00:26
uwe_thomas 

250-499 Punkte

13.12.13 00:26
uwe_thomas 

250-499 Punkte

Re: Audion mit Schwundregelung

Hallo Andreas, hallo zusammen,

Es ist ja so, dass in meiner ursprünglichen Schaltung die Rückkopplung auf die relativ starke Bedämpfung des Ausgangskreises durch die beiden niederohmigen Dioden AA143 eingestellt war.
Deshalb hat diese Schaltung in dieser Konstellation gut funktioniert.
Nehme ich jetzt statt der 2X AA143 eine EAA91 oder PABC80, verändere ich die Bedämpfung des Gesamtsystems, muss ich in diesem Falle auch die Rückkopplung ändern.

Was ich jetzt tun würde, wäre:

Die Schaltung ohne Rückkopplung aufbauen (das Prasseln ist für mich Rückkopplung).
zum Beispiel so:

Wenn die Schaltung dann funktioniert, die Rückkopplung optimieren.

Die kleingeschriebenen Werte könnte ich mir für KW bis 25m vorstellen.

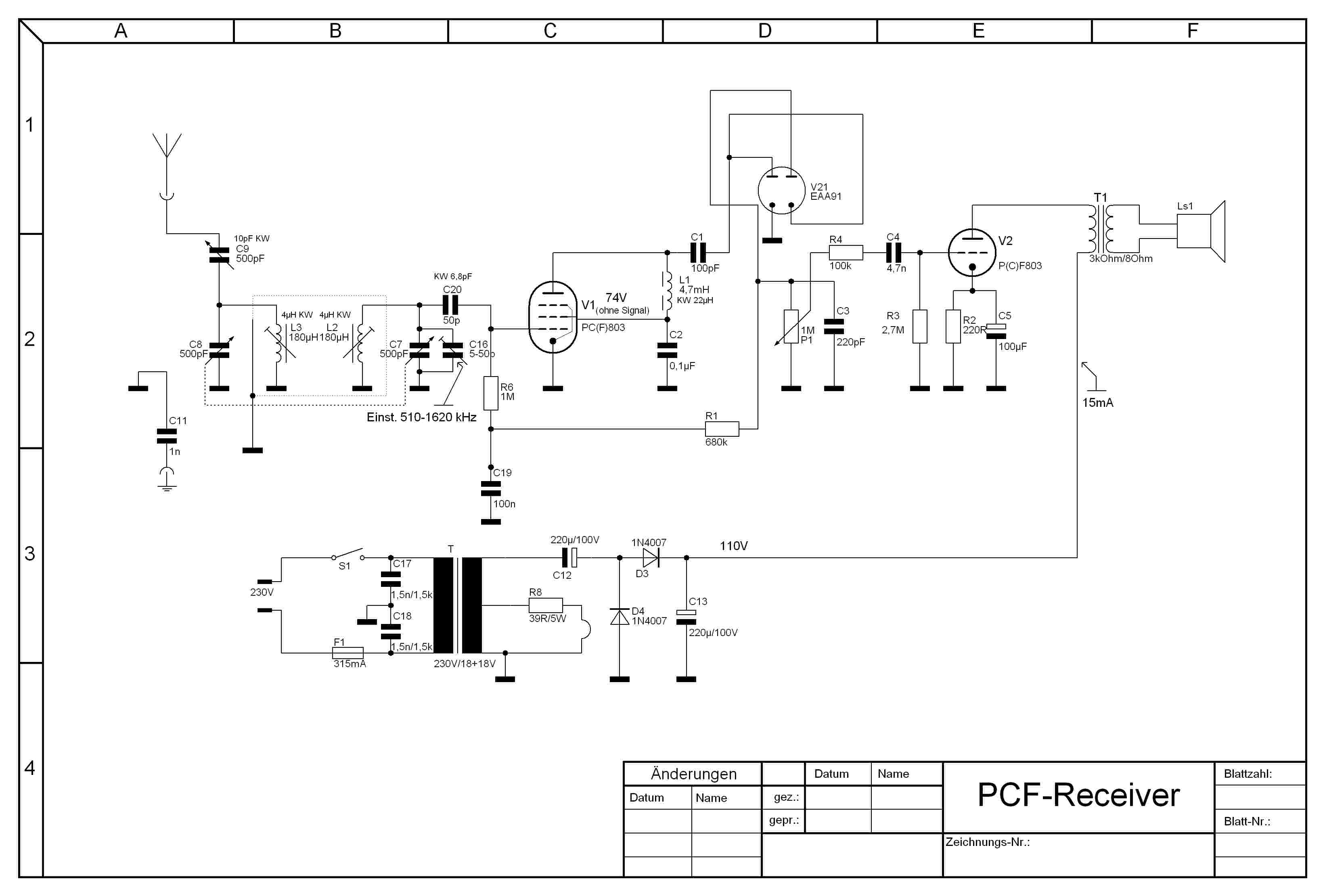
Ich habe mit dieser Schaltung übrigens eine EM800 angesteuert. 110V: nicht ganz hell, aber akzeptabler Ausschlag.

Mit freundlichen Grüßen,

Uwe Thomas

Zuletzt bearbeitet am 13.12.13 00:46

Datei-Anhänge
PCF Radio3.jpg PCF Radio3.jpg (731x)

Mime-Type: image/jpeg, 281 kB

 1 .. 3 4 5 6 7 .. 11
 1 .. 3 4 5 6 7 .. 11
Vorspannungserzeugung   Schaltung   herauftransformierenden   Gittergleichrichtung   Katodenrückkopplung   Schirmgitter   Bandfilterzweikreiser   funktioniert   Zuletzt   Regelspannungsverzögerung   Gitterableitkondensator   Rückkopplung   Regelspannungserzeugung   Arbeitspunkteinstellungen   Schwundregelung   bearbeitet   Schaltplanausschnitt   Gleichrichterschaltung   Heruntertransformation   Andreas