| Passwort vergessen?
Sie sind nicht angemeldet. |  Anmelden

Sprache auswählen:

Wumpus Gollum Forum von
Wumpus Welt der (alten) Radios
Sie sind nicht angemeldet.
 Anmelden

Miniradio. Seite 90 einer Funkschau fehlt.
  •  
 1 .. 3 4 5 6 7 .. 14
 1 .. 3 4 5 6 7 .. 14
01.02.07 23:29
roehrenfreak

nicht registriert

01.02.07 23:29
roehrenfreak

nicht registriert

Re: Miniradio. Seite 90 einer Funkschau fehlt.

Zitat:



Hallo

in den Tropen ist ja das klassische Rundfunk-Mittelwellenband wegen der dort herrschenden ständigen Gewitter (Krachstörungen, QRN) weniger gut geeignet. Deshalb wird in diesen Bereichen auch für Rundfunk das sogenannte Tropenband (besser die Tropenbänder) genutzt. Wenn Du Deinen Empfänger noch weiter auf diese Bereiche erweiterst, wirst Du viele afrikanische Stationen nachts hören können.

Tropenbänder:
2300-2495 khz (120 m)
3200-3400 khz (90 m)
3900-4000 khz (75 m)

MFG Rainer

Möge die Welle mit uns sein.



Hallo Rainer,

interessant - habe ich so auch noch nicht gewußt! Das inspiriert mich für mein nächstes Bauprojekt... Germanium-Transistoren habe ich noch - die warten nur drauf... Den "Kleinen" aus FS ´59 werde ich jedenfalls nicht mehr verändern. Leben geht weiter... lalelu, nur der Vollmond schaut uns zu wenn wir kleinen Bastler löten, drum löt´ auch Du...

Ich gebe zurück an die angeschlossenen Funkhäuser...
Jürgen rf

!
!!! Fotos, Grafiken nur über die Upload-Option des Forums, KEINE FREMD-LINKS auf externe Fotos.    

!!! Keine Komplett-Schaltbilder, keine Fotos, keine Grafiken, auf denen Urheberrechte Anderer (auch WEB-Seiten oder Foren) liegen!
Solche Uploads werden wegen der Rechtslage kommentarlos gelöscht!

Keine Fotos, auf denen Personen erkennbar sind, ohne deren schriftliche Zustimmung.

Den Beitrag-Betreff bei Antworten auf Threads nicht verändern!
16.12.09 19:12
Alois 

0-49 Punkte

16.12.09 19:12
Alois 

0-49 Punkte

Re: Miniradio. Seite 90 einer Funkschau fehlt.

Hallo, leider habe ich diese Seite auch nicht. Vielleicht kann ich in anderen Fällen helfen, da ich die Funkschauhefte ziemlich komplett von 1931 bis 1938 und 1946 bis 1953 (von meinem Vater) habe. Alois

Zuletzt bearbeitet am 16.12.09 19:13

07.01.11 05:08
Bennybuis

nicht registriert

07.01.11 05:08
Bennybuis

nicht registriert

Re: Miniradio. Seite 90 einer Funkschau fehlt.

Hallo Freunde,

ich beginne mit dem Versuchsaufbau in wenigen Minuten, ich bin sehr neugierig, haha. Vielleicht gebrauche ich nur die GE Audionstufe und gehe für den Verstärker mit SI Bauteilen, weiß noch nicht.



Viele liebe Grüße aus Holland,


Bernd

07.01.11 07:42
Martin.M 

500 und mehr Punkte

07.01.11 07:42
Martin.M 

500 und mehr Punkte

Re: Miniradio. Seite 90 einer Funkschau fehlt.

hallo Bernd,

du hast ja Erfahrung mit Röhrenendstufen, warum also nicht "so ähnlich" :-)

ich denk grade an deine AC188.
Hast du in der Wühlkiste noch ein par Minitrafochen ?
Die gute alte Radau-Endstufe für 1,5 Volt benötigt drei Transistoren und 2 Trafochen.

1. Vorstufe, ideal ist AC151 VII, geht aber auch jeder andere pnp
2. dahinter kommt Trafochen1, Phasenwender sekundär mit Mittelabgriff.
3. Push Pull AC188, Ausgangstrafo hat primär Mittelabgriff, sekundär 8 Ohm.

Das kann bis etwa 0,2 Watt, zusammen mit einem Minilautsprecher wird das richtig laut
Gefüttert wird mit 1,5 Volt.

nette Grüße
Martin

07.01.11 13:43
Bennybuis

nicht registriert

07.01.11 13:43
Bennybuis

nicht registriert

Re: Miniradio. Seite 90 einer Funkschau fehlt.

Hallo Martin,

ich habe leider nur einen 1000 Ohm zu 8 Ohm Trafo, aber ich bekomme binnen paar Tagen noch paar von diesen Trafos, die sind nicht schlecht und an beiden Wicklungen in der Mitte abgegriffen, so gut brauchbar. Hast Du einen Schaltplan?


Viele liebe Grüße aus Holland,


Bernd

07.01.11 14:52
Bennybuis

nicht registriert

07.01.11 14:52
Bennybuis

nicht registriert

Re: Miniradio. Seite 90 einer Funkschau fehlt.

Hallo Freunde,

ich habe zuerst den Verstärker diskret aufgebaut mit AC128 und als Endstufe den AC188, aber ich bin nicht echt begeistert, werde vielleicht etwas anderes probieren mit den selben Transistoren. Dieser Verstärker klingt nicht so schlecht, den habe ich schon getestet, auch mit AC128 und AC188. Mal sehen, haha. Für den eigentlichen Empfänger sind meine AT Typen vielleicht gut geeignet.


Viele liebe Grüße aus Holland,


Bernd

Datei-Anhänge
germanium transistor power amp.jpg germanium transistor power amp.jpg (582x)

Mime-Type: image/jpeg, 20 kB

08.01.11 07:21
Martin.M 

500 und mehr Punkte

08.01.11 07:21
Martin.M 

500 und mehr Punkte

Re: Miniradio. Seite 90 einer Funkschau fehlt.

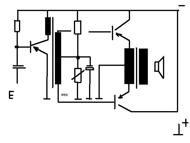
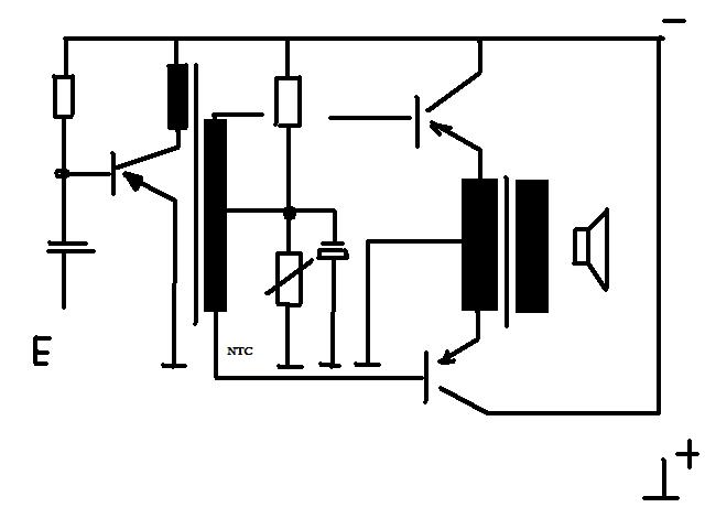
hallo Bernd,

Trafochen 1 sollte einen Luftspalt haben weil kleiner Ruhestrom fließt, 1000 Ohm sekundär müßte prime gehen.
Trafochen 2 = push pull AC188, niederohmig.
Der NTC sollte mit den AC188 thermisch verbunden sein damit er den Ruhestrom bei Wärme reduziert.
Erinnerst du dich noch an die kleinen Japan Taschenradios nur MW? Die hatten das immer, meist mit 2SB56

Du kannst sie auch andersrum aufbauen, mit den Emittern an Masse und Kolektoren an den Trafo, Mittelabgriff dann an -



nette Grüße
Martin

Zuletzt bearbeitet am 08.01.11 07:39

Datei-Anhänge
radauendstufe.jpg radauendstufe.jpg (403x)

Mime-Type: image/jpeg, 24 kB

08.01.11 12:16
Bennybuis

nicht registriert

08.01.11 12:16
Bennybuis

nicht registriert

Re: Miniradio. Seite 90 einer Funkschau fehlt.

Danke Martin, das will ich gerne ausprobieren, ich habe 3 AC188, muss nur noch die Trafos abwarten, paar Tage, haha.



Viele liebe Grüße aus Holland,


Bernd

10.01.11 23:04
roehrenfreak

nicht registriert

10.01.11 23:04
roehrenfreak

nicht registriert

Re: Miniradio. Seite 90 einer Funkschau fehlt.

Hallo Martin,

die Endstufe arbeitet Deiner Darstellung nach in Kollektorschaltung, erzeugt also nur reine Stromverstärkung. Die Ausgangsimpedanz ist dann bereits sehr niederohmig. Damit hätte der Trafo einzig und allein nur die Aufgabe der Phasenumkehr.

Mir sind die trafogekoppelten Endstüfchen in den jap. Transistorradios jedoch in Emitterschaltung erinnerlich, was auch zur Signalverstärkung beiträgt. Das machte im Gegensatz zum OTL auch eine weitere NF-Vorstufe entbehrlich.

Freundliche Grüsse,
Jürgen rf

Noli turbare circulos meos (Störe meine KREISE nicht! - Archimedes)

11.01.11 08:02
Pluspol 

500 und mehr Punkte

11.01.11 08:02
Pluspol 

500 und mehr Punkte

Re: Miniradio. Seite 90 einer Funkschau fehlt.

Hallo Bernd und alle

Die Nutzung diskreter Ge.-Transistoren als NF-Versträker ist gut geeignet, um in dieser Richtung eigene Erfahrungen zu sammeln.
Für den optimalen Einsatz in Hinsicht auf Zeit, Kostenaufwand und mäßigen Stromverbrauch, bleibt da der fertige NF-Chip LM386 o. ä. als beste Lösung.
Modernere Lösungen erhöhen die Standzeit des Akku- oder Batterieberiebes.
Kleiner Preis, wenig Beschaltung und variable Betriebsspannung zwischen 4 bis 12 Volt.
Wer den Treibertrafo und Ausgangsübertrager in seiner Bastelkiste hat, kann auch den klassischen NF-Verstärker aufbauen, wie er in den Anfangsjahren war. Wie Jürgen schon meint, sind die Germaniumtransistoren im NF-Teil sehr stromhungrig.

Freundliche Grüße von Dietmar

 1 .. 3 4 5 6 7 .. 14
 1 .. 3 4 5 6 7 .. 14
Freundliche   zusammen   Funkhäuser   Zink-Luft-Hörgerätezellen   Miniradio   funktioniert   angeschlossenen   Funkschau   vielleicht   Transistoren   zurück   MW-Rückkopplungs-Einkreisaudion   Schaltung   rettet-unsere-radios   Grüße   Basisvorwiderstand-Ankopplung   Jürgen   Transistor   Rückkopplung   Holland