| Passwort vergessen?
Sie sind nicht angemeldet. |  Anmelden

Sprache auswählen:

Wumpus Gollum Forum von
Wumpus Welt der (alten) Radios
Sie sind nicht angemeldet.
 Anmelden

Miniradio. Seite 90 einer Funkschau fehlt.
  •  
 1 .. 5 6 7 8 9 .. 14
 1 .. 5 6 7 8 9 .. 14
20.01.11 04:47
Bennybuis

nicht registriert

20.01.11 04:47
Bennybuis

nicht registriert

Re: Miniradio. Seite 90 einer Funkschau fehlt.

Hallo Freunde,

ich habe den Zwerg am laufen, hehe, bin noch nicht ganz zufrieden, muss das feedback Poti immer voll aufgedreht haben, vielleicht paar mehr Windungen für die Rückkopplungsspule.


Viele liebe Grüße aus dem Herzen von Holland.




Bernd

!
!!! Fotos, Grafiken nur über die Upload-Option des Forums, KEINE FREMD-LINKS auf externe Fotos.    

!!! Keine Komplett-Schaltbilder, keine Fotos, keine Grafiken, auf denen Urheberrechte Anderer (auch WEB-Seiten oder Foren) liegen!
Solche Uploads werden wegen der Rechtslage kommentarlos gelöscht!

Keine Fotos, auf denen Personen erkennbar sind, ohne deren schriftliche Zustimmung.

Den Beitrag-Betreff bei Antworten auf Threads nicht verändern!
20.01.11 05:55
Bennybuis

nicht registriert

20.01.11 05:55
Bennybuis

nicht registriert

Re: Miniradio. Seite 90 einer Funkschau fehlt.

Antenne verändert, noch immer zu wenig Rückkopplung, liegt es doch am ersten Transistor? Momentan ein AF 139, die sind doch gut, ich habe eine ganze Palette AF Transistoren, vielleicht weiter spielen. Na ja, viel besser als am Anfang, aber im Vergleich zu meinem 2 Transistor Rückkopplungsradio noch immer sehr schlecht.


Viele liebe Grüße aus dem Herzen von Holland.




Bernd

20.01.11 14:49
Bennybuis

nicht registriert

20.01.11 14:49
Bennybuis

nicht registriert

Re: Miniradio. Seite 90 einer Funkschau fehlt.

Hallo Freunde, hier die versprochenen Fotos. Das ist also meine Version, noch nicht ganz perfekt. Mein kleiner zwei Transistor Empfänger geht viel viel besser.

Auch habe ich mir eine LM 386 NF Stufe gebaut.


Viele liebe Grüße aus dem Herzen von Holland.




Bernd

Datei-Anhänge
IMG_1712.jpg IMG_1712.jpg (450x)

Mime-Type: image/jpeg, 51 kB

IMG_1714.jpg IMG_1714.jpg (400x)

Mime-Type: image/jpeg, 49 kB

IMG_1717.jpg IMG_1717.jpg (417x)

Mime-Type: image/jpeg, 57 kB

20.01.11 15:32
Bennybuis

nicht registriert

20.01.11 15:32
Bennybuis

nicht registriert

Re: Miniradio. Seite 90 einer Funkschau fehlt.

Hallo Freunde,

mein bewährtes Radio hat auch manche Dinge, die unbedingt verbessert werden müssen. Selbst ein LM386 nachgeschaltet hat großen Einfluss auf die Rückkopplung. Ich werde das Radio nach einmal bauen und anstelle de Kollektor Widerstandes einen kleinen Trafo einsetzen, mal sehen ob ich die Sache dann vom Hochfrequenzteil trennen kann. Gelingt mir das, werde ich vielleicht einen LM386 Verstärker dahinter setzen, vielleicht habe ich dann endlich ein vollwertiges AM Radio gebaut, haha.


Viele liebe Grüße aus Holland.




Bernd

22.01.11 06:20
Bennybuis

nicht registriert

22.01.11 06:20
Bennybuis

nicht registriert

Re: Miniradio. Seite 90 einer Funkschau fehlt.

Also ich gebe auf, habe alle HF tauglichen GE Transistoren ausprobiert, das Radio geht nicht gut. Von allen meinen kleinen Radio Projekten ist das 4 Transistor GE Radio doch die größte Enttäuschung. Ich weiß nicht, was ich noch probieren soll, werde meine Transistoren raus löten und das Ding unter schlechte Erfahrung weglegen, haha




Viele liebe Grüße aus Holland.




Bernd

22.01.11 13:16
Bennybuis

nicht registriert

22.01.11 13:16
Bennybuis

nicht registriert

Re: Miniradio. Seite 90 einer Funkschau fehlt.

Hallo zusammen,


habe den NF Verstärker getestet, Resultat ist auch nicht gut, vielleicht brauchen meine Transistoren Widerstände zwischen Kollektor und Basis, manche GE Transistoren lecken genug, um ohne diese Widerstände zu funktionieren, meine scheinbar nicht.

Schade, jetzt habe ich schon so viel Zeit in das kleine Maschinchen gesteckt, ohne Erfolg.


Viele liebe Grüße aus Holland.




Bernd

22.01.11 15:54
joeberesf 

500 und mehr Punkte

22.01.11 15:54
joeberesf 

500 und mehr Punkte

Re: Miniradio. Seite 90 einer Funkschau fehlt.

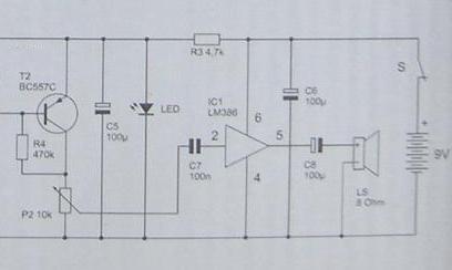
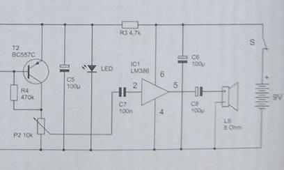
Hallo Bernd,

Dein LM386 ist ja schön mit Lautsprecher auf einer eigenen Platine untergekommen.
Dieser modulare Aufbau ist ja für viele Anwendungen zu nutzen. Finde ich gut gelungen.
Den kann man bestimmt auch an einen Detektor hängen. Beim Verbinden mit dem
Rückkopllungsradio gibt es aber doch bestimmt längere Leitungswege. Diese
beeinflussen natürlich auch die Rückopplung.

Rückkopllungsradios haben bei der Verwendung des LM386 , oft noch eine Lautstärkeregelung.

Hier noch eine Schaltung dazu. An der Basis des T2 hängen auch nochmal 100nF
Gruß

Joe

Datei-Anhänge
LM386 mit Vorstufe.JPG LM386 mit Vorstufe.JPG (409x)

Mime-Type: image/pjpeg, 11 kB

22.01.11 22:20
roehrenfreak

nicht registriert

22.01.11 22:20
roehrenfreak

nicht registriert

Re: Miniradio. Seite 90 einer Funkschau fehlt.

Hallo Bernd,

dass das Radiochen bei Dir nicht so will wie es soll, finde ich schade und auch seltsam. Mein Exemplar spielt immer noch prächtig. Bist Du sicher, nichts übersehen zu haben? So etwas passiert schnell und keiner von uns ist dagegen gefeit. Auch ich bin schon auf mich selbst hereingefallen....

In solchen Situationen hilft "Ruhig Blut" behalten, das Gerät mal für ein paar Tage beiseite legen und dann noch einmal schauen. "Nur nicht aufgeben!" sagte sich der Frosch, der schon zur Hälfte im Schlund des Storches steckte, den er mit seinen kleinen Patscherchen bis zuletzt versuchte, zu erwürgen.

Freundliche Grüsse,
Jürgen rf

Noli turbare circulos meos (Störe meine KREISE nicht! - Archimedes)

27.01.11 07:00
Bennybuis

nicht registriert

27.01.11 07:00
Bennybuis

nicht registriert

Re: Miniradio. Seite 90 einer Funkschau fehlt.

Hallo zusammen,

mittlerweile habe ich eine viel größere GE Transistor Sammlung, so vielleicht gebe ich dem GE Radio noch eine zweite Chance, mal sehen, wie sich der AC153 in der NF Stufe verhält. Ich mache heute Morgen eine neue Platine für so ein Ding, Fotos kommen bald.



Viele liebe Grüße aus Holland.




Bernd

27.01.11 08:21
Bennybuis

nicht registriert

27.01.11 08:21
Bennybuis

nicht registriert

Re: Miniradio. Seite 90 einer Funkschau fehlt.

Wenns beim Jürgen geht, muss es bei mir doch auch gehen, haha. Ich probiere es nochmal, mit meinen vorigen Versuchen war der AF125 ab besten als Audion Transistor geeignet, den NF Teil will ich gerne die AC153 versuchen, die Widerstände noch original lassen. Mal sehen was passiert. Kleine 8 ohm zu 1000 ohm Trafochen habe ich auch zwei Stück.


Viele liebe Grüße aus Holland.




Bernd

 1 .. 5 6 7 8 9 .. 14
 1 .. 5 6 7 8 9 .. 14
Funkhäuser   funktioniert   zurück   Rückkopplung   rettet-unsere-radios   Jürgen   Transistor   Funkschau   angeschlossenen   Transistoren   Freundliche   Basisvorwiderstand-Ankopplung   Zink-Luft-Hörgerätezellen   Miniradio   MW-Rückkopplungs-Einkreisaudion   zusammen   Schaltung   Grüße   Holland   vielleicht