| Passwort vergessen?
Sie sind nicht angemeldet. |  Anmelden

Sprache auswählen:

Wumpus Gollum Forum von
Wumpus Welt der (alten) Radios
Sie sind nicht angemeldet.
 Anmelden

Zweibrueder LED-Lenser P7.2 Taschenlampe
  •  
 1 2
 1 2
22.01.14 14:20
NorbertWerner 

500 und mehr Punkte

22.01.14 14:20
NorbertWerner 

500 und mehr Punkte

Re: Zweibrueder LED-Lenser P7.2 Taschenlampe

Hallo Rainer, hallo zusammen,

ich habe jetzt einmal drei Taschenlampen verglichen. Zu meinem Erstaunen wird bei einer der Lampen kein Takt verwendet.
Für die Messungen habe ich ein Spektrometer, sowie einen Photomultiplier (auch SEV genannt) verwendet.
Bei der 3Watt LED kann man noch einen deutlichen Anstieg im nahen IR-Bereich erkennen. Das ist eigentlich verschwendete Energie, da das menschliche Auge in diesem Bereich ja nichts mehr sehen kann.
Damit keine Missverständnisse entstehen, die Amplituden der Messungen sind keine direkte Referenz zur Intensität der LEDs, da ich die -HV des PMTs und auch die Integrationszeit des Spektrometers so angepasst habe, dass der Dynamikbereich 'gut' genutzt wird.



















Gruss
Norbert

Datei-Anhänge
1Watt 3LEDs.jpg 1Watt 3LEDs.jpg (270x)

Mime-Type: image/jpeg, 27 kB

Spektrum 1Watt 3LEDs.jpg Spektrum 1Watt 3LEDs.jpg (267x)

Mime-Type: image/jpeg, 161 kB

Takt 1Watt 3LEDs.jpg Takt 1Watt 3LEDs.jpg (269x)

Mime-Type: image/jpeg, 63 kB

1Watt LED.jpg 1Watt LED.jpg (276x)

Mime-Type: image/jpeg, 46 kB

Spektrum 1Watt LED.jpg Spektrum 1Watt LED.jpg (255x)

Mime-Type: image/jpeg, 166 kB

Takt 1Watt LED.jpg Takt 1Watt LED.jpg (272x)

Mime-Type: image/jpeg, 61 kB

3Watt LED.jpg 3Watt LED.jpg (273x)

Mime-Type: image/jpeg, 44 kB

Spektrum 3Watt LED.jpg Spektrum 3Watt LED.jpg (272x)

Mime-Type: image/jpeg, 164 kB

Takt 3Watt LED.jpg Takt 3Watt LED.jpg (280x)

Mime-Type: image/jpeg, 62 kB

!
!!! Fotos, Grafiken nur über die Upload-Option des Forums, KEINE FREMD-LINKS auf externe Fotos.    

!!! Keine Komplett-Schaltbilder, keine Fotos, keine Grafiken, auf denen Urheberrechte Anderer (auch WEB-Seiten oder Foren) liegen!
Solche Uploads werden wegen der Rechtslage kommentarlos gelöscht!

Keine Fotos, auf denen Personen erkennbar sind, ohne deren schriftliche Zustimmung.

Den Beitrag-Betreff bei Antworten auf Threads nicht verändern!
23.01.14 17:21
Holzradio 

500 und mehr Punkte

23.01.14 17:21
Holzradio 

500 und mehr Punkte

Re: Zweibrueder LED-Lenser P7.2 Taschenlampe

Hallo Norbert,
warum hast du einen Takt erwartet? Die mittlere Taschenlampe mit dem etwas dickeren Griff sieht verdächtig nach 3 x 1,5V aus. Mit 4,5V entfällt die Notwendigkeit eines Aufwärtsreglers. Die gesamte "Elektronik" beschränkt sich dann oftmals sehr spartanisch auf einen Widerstand mit wenigen Ohm. Das Licht ist dann natürlich "glatt" wie ein Aal.

Die üblichen Step-Up-Converter in "besseren" Taschenlampen zerhacken die Eingangsspannung und liefern daher eine pulsierende Ausgangsspannung. Meine Vermutung ist, dass der Wirkungsgrad für das Gesamtkonzept ist höher ist da es keinen Vorwiderstand gibt an dem Leistung verbraten wird, wobei der Wirkungsgrad der LED selbst durch den höheren Strom geringfügig verschlechtert wird. Das gleiche gilt sinngemäß für Step-Down-Converter, beispielsweise in 230V LED-Lampen. Es wird der Leistungsfressende Vorwiderstand vermieden. Darum meine (bisher unbestätigte) Theorie: Impulsbetrieb Bei LEDs gibt es als Nebeneffekt von einfachen Spannungswandlern aber nicht etwa weil die LED selbst dann irgendwie besser funktioniert.

VG Björn

Es strahlen die Sender Bild, Ton und Wort elektromagnetisch an jeden Ort
-Kraftwerk-

24.01.14 14:26
NorbertWerner 

500 und mehr Punkte

24.01.14 14:26
NorbertWerner 

500 und mehr Punkte

Re: Zweibrueder LED-Lenser P7.2 Taschenlampe

Hallo Björn,

Holzradio:
Mit 4,5V entfällt die Notwendigkeit eines Aufwärtsreglers.

bis zu einer gewissen Leistung ist das ja richtig, aber es gibt auch LEDs die eine höhere Arbeitsspannung benötigen. Da sind auch 4,5V noch zu wenig.
Im Anhang siehst Du eine 5Watt LED. Man kann sie mit zwei Leuchtstärken betreiben, indem das Puls-Pausen-Verhältnis geändert wird. Ich habe bei der höheren Leistung einen Batteriestrom von 1,24A gemessen. Das machen die Batterien bestimmt nicht lange mit.
Ach ja, sie hat noch einen dritten Modus. Sie kann per Lichtsignale SOS morsen.


Holzradio:
Meine Vermutung ist, dass der Wirkungsgrad für das Gesamtkonzept ist höher ist da es keinen Vorwiderstand gibt an dem Leistung verbraten wird, wobei der Wirkungsgrad der LED selbst durch den höheren Strom geringfügig verschlechtert wird. Das gleiche gilt sinngemäß für Step-Down-Converter, beispielsweise in 230V LED-Lampen. Es wird der Leistungsfressende Vorwiderstand vermieden.

Das mit dem Wirkungsgrad bringt mich ins grübeln. Klar, einen Vorwiderstand zu nehmen wäre nicht gut, zudem dieser Widerstand dann auch noch in der 'geschlossenen Lampe heiss wird. Hohe Temperaturen erzeugen bei einer LED einen zusätzlichen Strom, was dann den Wirkungsgrad verschlechtert.

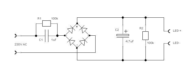
Ich habe hier noch eine 230V Multi-LED-Lampe. Hier wird kein Wandler verwendet, sondern nur ein schlichtes Netzteil mit einem 1uF Kondensator als 'Vorwiderstand'. Da hat man wenigstens keine Probleme mit Modulationen, wenn man noch einen alten Fernseher verwendet.

Gruss
Norbert

Datei-Anhänge
5Watt LED.jpg 5Watt LED.jpg (273x)

Mime-Type: image/jpeg, 56 kB

Spektrum 5Watt LED.jpg Spektrum 5Watt LED.jpg (273x)

Mime-Type: image/jpeg, 57 kB

Takt 5Watt LED_A.jpg Takt 5Watt LED_A.jpg (298x)

Mime-Type: image/jpeg, 55 kB

Takt 5Watt LED_B.jpg Takt 5Watt LED_B.jpg (293x)

Mime-Type: image/jpeg, 55 kB

Netzteil__230V.jpg Netzteil__230V.jpg (264x)

Mime-Type: image/jpeg, 10 kB

 1 2
 1 2
Oldtimer-Stammtisch   Taschenlampenforen   Wirkungsgrad   Elektronikversender   Präsentationsräumen   glühlampenbestückten   Zweibrueder   Puls-Pausen-Verhältnis   Sicherheitsladechip   Beleuchtungszwecken   Weißlicht-Taschenlampe   Step-Down-Converter   Konstantstromreglers   Verkehrsteilnehmern   LED-Lenser   LED-Taschenlampen   Batterieherstellern   Leistungsfressende   Durchschnittshelligkeit   Taschenlampe