| Passwort vergessen?
Sie sind nicht angemeldet. |  Anmelden

Sprache auswählen:

Wumpus Gollum Forum von
Wumpus Welt der (alten) Radios
Sie sind nicht angemeldet.
 Anmelden

TV Empfänger mit E-Röhren.
  •  
 1 2 3 4
 1 2 3 4
14.07.11 20:03
Kurzschluss 

250-499 Punkte

14.07.11 20:03
Kurzschluss 

250-499 Punkte

TV Empfänger mit E-Röhren.

Hallo Miteinander.
Ich habe vor einigen Wochen bei einen hier nicht ganz unbekannten Surplus Händler zwei Sortimente E Röhren bestellt.
Darunter waren: ECF86,ECC89,EC86 und ECL84. Das sind eigentlich Röhren wie sie in Fernseher verwendet wurden.
Nur halt mit Parallel Heizung.Die Hersteller sind: Pinacle und Mullard.
Frage: kann mir jemand sagen, in welchen TV Geräten diese Röhren verwendet wurden ?
Danke und viele Grüße
Norbert
PS: Eine EBF89 war auch noch dabei.Mit den Röhren müsste sich eigentlich ein ganz netter Super realisieren lassen.
Wenn ein FS mit 15 Röhren läuft, ist der Anblick durch die Rückwand auf jeden Fall schöner und interessanter wie das Programm auf der Mattscheibe.

Noch gefällt der Beitrag keinem Nutzer.
!
!!! Fotos, Grafiken nur über die Upload-Option des Forums, KEINE FREMD-LINKS auf externe Fotos.    

!!! Keine Komplett-Schaltbilder, keine Fotos, keine Grafiken, auf denen Urheberrechte Anderer (auch WEB-Seiten oder Foren) liegen!
Solche Uploads werden wegen der Rechtslage kommentarlos gelöscht!

Keine Fotos, auf denen Personen erkennbar sind, ohne deren schriftliche Zustimmung.

Den Beitrag-Betreff bei Antworten auf Threads nicht verändern!
14.07.11 20:52
nobbyrad58 

500 und mehr Punkte

14.07.11 20:52
nobbyrad58 

500 und mehr Punkte

Re: TV Empfänger mit E-Röhren.

Hallo Norbert !

Einem bestimmten FS Modell oder einem Hersteller lassen sich die Röhren nicht zuordnen. Eher schon den Baujahren, ich würde meinen so 1961 - 1966 kommen da in Frage. Es handelt sich bis auf die EBF89 um Röhren aus der "Spätzeit" der Röhrenära, sie stellen den Endpunkt der Entwicklung für Consumer Geräte da. Sie sind auf dem letzten Stand der Technik. Für ganz genaue Feststellungen müsste man die Druckschriften der FS Firmen aus diesen Jahren zu Rate ziehen.
Ein Radio mit NUR diesen Röhren ist natürlich möglich, ein AM Radio (Super) müsste dann mit additiver Mischung arbeiten. Die ECF86 ist dafür gebaut worden. Eine ECC89 könnte man dafür auch nehmen, schöne Knobelarbeit wenn man bei diesen Vorgaben bleiben will. Die additive Mischung soll auch bei AM Vorteile bringen; geringeres Rauschen kann nicht schaden auch und gerade bei KW. Allerdings ist die Verstärkung geringer, die Störabstrahlunterdrückung wird zum Thema.

MFG Nobby

14.07.11 21:45
Kurzschluss 

250-499 Punkte

14.07.11 21:45
Kurzschluss 

250-499 Punkte

Re: TV Empfänger mit E-Röhren.

Hallo Nobby.
Die ECC89 beinhaltet Zwei Regel Trioden.Die könnte man dann schon als regelbare Kaskode Vorstufe hernehmen und die ECF86 als Mischer. Es liegt so nebenbei auch noch ein Dreifach Drehko in der Bastelkiste.
VG Norbert


Wenn ein FS mit 15 Röhren läuft, ist der Anblick durch die Rückwand auf jeden Fall schöner und interessanter wie das Programm auf der Mattscheibe.

14.07.11 22:23
nobbyrad58 

500 und mehr Punkte

14.07.11 22:23
nobbyrad58 

500 und mehr Punkte

Re: TV Empfänger mit E-Röhren.

Hallo Norbert !

Dann dürfte einen AM - KW (Groß) Super nichts im Wege stehen . Vorstufe ECC89, additiver Mischer ECF86, ZF + Demod. EBF89, NF ECL84, mit Bandfilter - Vorstufe durch 3fach Drehko . Wäre eine Möglichkeit, nicht einfach, aber das wichtigste sind die Noval Fassungen . Das dürfte diesmal kein Thema sein.
Wobei ich nicht weis ob bei den bekannten Schaltungen die für viel kürzere Wellen ausgereift angewendet wurden, sich so ohne weiteres auf längere Wellen anwenden lassen. Also einfach die L + C anzupassen, eigentlich müsste das noch einfacher zu realisieren sein, eigentlich.....

MFG Nobby

14.07.11 22:28
Wolle 

500 und mehr Punkte

14.07.11 22:28
Wolle 

500 und mehr Punkte

Re: TV Empfänger mit E-Röhren.

Hallo Norbert.

Die ECL84 findest Du im Record von Rafena. Die ECF86 steckt unter anderem im Verstärker DL von Dynacord, oder im PB10000, einem Fernsehgerät aus Frankreich. Die EC86 und die ECF86 sind im TTV26M/19 von Telefunken/ Italien eingesetzt.
Die ECC89 ist im Videorecorder EL3400 von Philips zu finden.

Mit vielen Grüßen.
Wolle

15.07.11 00:28
nobbyrad58 

500 und mehr Punkte

15.07.11 00:28
nobbyrad58 

500 und mehr Punkte

Re: TV Empfänger mit E-Röhren.

Hallo Norbert !

Wie heißt es so schön: Am Abend werden die Faulen fleißig, so auch ich. Hab mal in einem TV Schaltungsbuch aus der Zeit von 1964 reingeguckt. Es ging um die additive Mischung, die ja eine gekrümmte Kennlinie voraussetzt. Das heißt das der Arbeitspunkt der E(C)F nicht in der Mitte sondern im gekrümmten Teil sein muss. Die Oszillatorspannung muss im Verhältnis zur HF Eingangsspannung groß sein so das sie bis den positiven Teil der Ia - Ug Kennlinie reicht. Eine R C Kombination, ähnlich der eines Audion sorgt für den richtigen Arbeitspunkt. Man sieht das es einige Unterschiede zur Multiplikativen Mischung gibt aber keine echten Hindernisse.

MFG Nobby

Zuletzt bearbeitet am 15.07.11 02:17

15.07.11 09:09
Pluspol 

500 und mehr Punkte

15.07.11 09:09
Pluspol 

500 und mehr Punkte

Re: TV Empfänger mit E-Röhren.

Hallo Norbert

Schön, dass Du wieder ein Projekt mit den erwähnten E-Röhren anvisierst. Der Reiz daran ist, mit den gerade verfügbaren Röhren einen anspruchsvollen Empfänger hinzubekommen. Die additive Mischung unter Berücksichtigung des richtigen Kennlinienbereichs und die Kaskodevorstufe sind dabei die Besonderheit im Unterschied zur geregelten HF-Pentoden-Vorstufe.
Ein Beispiel dafür ist der Jennen Trio JR101 oder die verbesserte Variante des Trio 9R-59D bzw. DS.
Letzterer hat im Unterschied zum Vorgänger karamische ZF-Filter. Mit mehreren gespreizten KW-Bändern besitzen diese Geräte zwei 3-fach-Drehkos und eine zusätzliche manuelle Regelung der Vorstufe.
In Anbetracht des gleichen Heizstroms (If=300mA) waren EF 184, EF183 und EF80 im ZF-Teil in TV`s oft in Kombination mit P-Röhren eingesetzt.
Es gab z.B. in der DDR eine Radio-TV-Schrank-Kombination, die nur oder vorwiegend mit E-Röhren bestückt war. Der Tuner hatte z.B. die ECC84-Kaskode. Dann viel Spass und Elan bei der Verwirklichung Deines Vorhabens.

Freundliche Grüße von Dietmar

15.07.11 12:27
nobbyrad58 

500 und mehr Punkte

15.07.11 12:27
nobbyrad58 

500 und mehr Punkte

Re: TV Empfänger mit E-Röhren.

Hallo Norbert, Hallo Zusammen !

In obigen Beitrag meinte ich mit nicht zuordnen, das Wort ist etwas missverständlich, meinte ich das es eine Vielzahl von FS - Geräte Herstellern gab die diese Röhren verwendeten. Bei Loewe - Opta zum Beispiel, von der Firma besitze ich einige Servicebücher. Ab den Jahren 1963/64 wurden zunehmend Transistoren verwendet. Einige FS Röhren wurden auch von manchen Herstellern nicht verwendet, man hatte seine bewährten Schaltungen und dann kam ja der Transistor.
Die additive Mischung im UKW Bereich mit Trioden ist ja hinlänglich bekannt, bei Pentoden ist das Prinzip das gleiche nur die Schaltungsausführung ist ein wenig anders. Die ECF86 wird in den FS zur Mischung verwendet, Triode als Oszillator, Pentode zur additiven Mischung. Eine Vorstufe ist da fast ein Muss aus den erwähnten Gründen.

MFG Nobby

15.07.11 12:46
Kurzschluss 

250-499 Punkte

15.07.11 12:46
Kurzschluss 

250-499 Punkte

Re: TV Empfänger mit E-Röhren.

Hallo Miteinander
Danke für die Info.Sie waren also doch nicht so exotisch wie ich gedacht hatte.Wenn aber die V und H Endröhren auch noch parallel beheizt waren, dann hat man wirklich dicken Draht gebraucht.Wirklich Sinn hat es aber nur, wenn man die Geräte auch für Batterie betrieb ausgelegt hatte.Kann das sein ?
Hallo Nobby.
Leider hat die ECF86 gemeinsame Kathoden.Dieses mal wollte ich zur Rückkoplung am Oszillator eine Induktive Dreipunkt Schaltung zwischen Gitter und Kathode verwenden.Ich bin mir nicht ganz sicher, ob dann stark einfallende Sender am Pentoden Teil die Stabilität des Oszillators nicht negativ verändern.Es gäbe ja die Möglichkeit, als Oszillator nur EC86 zu verwenden und eine Triode der ECC89 als Vorstufe und die Zweite als Mischstufe zu verwenden.Für den Kurzwellen Bereich ist der äquivalente Rauschwiderstand immer noch klein genug.Die ECF 86 wäre dann frei um den Dienst als Seitenband Oszillator und ESB Mischer an zu treten.Warum nicht auch SSB Empfang ?
VG
Norbert

Wenn ein FS mit 15 Röhren läuft, ist der Anblick durch die Rückwand auf jeden Fall schöner und interessanter wie das Programm auf der Mattscheibe.

Zuletzt bearbeitet am 15.07.11 12:48

15.07.11 14:12
nobbyrad58 

500 und mehr Punkte

15.07.11 14:12
nobbyrad58 

500 und mehr Punkte

Re: TV Empfänger mit E-Röhren.

Hallo Norbert !

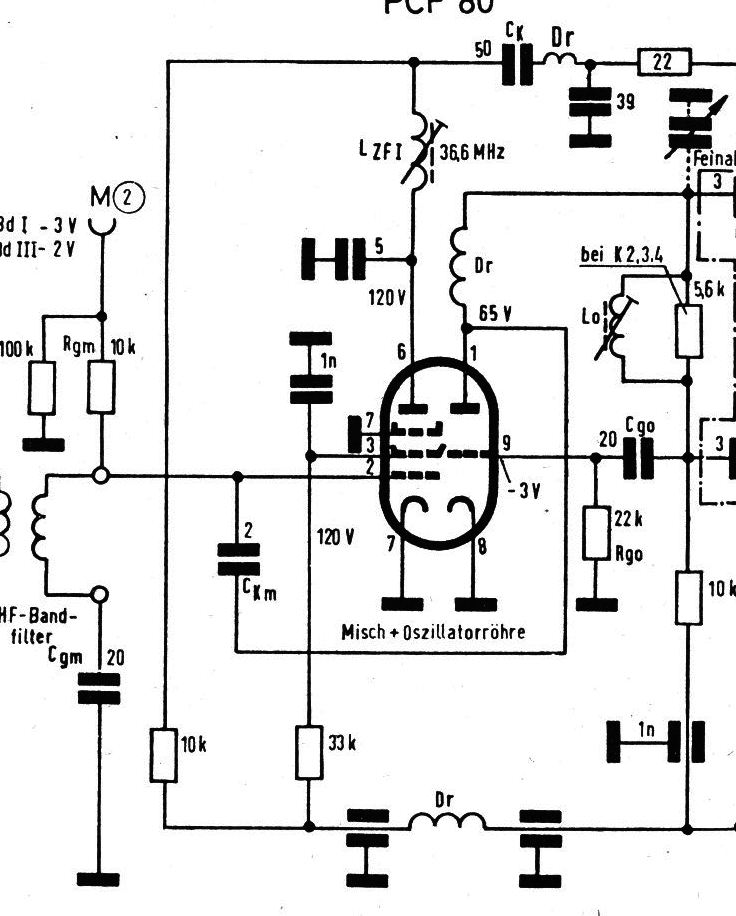
Die FS Schaltungen benutzen eine gemeinsame oder beide auf Masse gelegte Katoden. Deshalb hat man bei der Spanngitterröhre ECF86 beide Katoden im Innern zusammengelegt, die Arbeitpunkteinstellung erfolgt für die Pentode durch ein R C Glied und Spannungsteiler.
Der Oszillator arbeitet in sog. Dreipunkt - oder Colpittschaltung mit kapazitiver RK. Bei den hohen VHF Frequenzen werden die inneren Röhrenkapazitäten zur Phasendrehung mitbenutzt. Die EC86 könnte man auch als gemeinsame Misch und Oszillatorröhre nehmen, für ESB Mischung? wie bei UKW Schaltungen aber ich glaube das wird nicht so einfach sein. Eine Triode als Katodenbasis Vorstufe müsste evtl. Neutralisiert werden, eine Neutroschaltung für einen weiten Frequenzbereich auch wieder ein Problem. Aber Probleme sind dazu da gelöst zu werden.

MFG Nobby

Datei-Anhänge
Colpits1.jpg Colpits1.jpg (506x)

Mime-Type: image/jpeg, 72 kB

ECF80.jpg ECF80.jpg (563x)

Mime-Type: image/jpeg, 83 kB

 1 2 3 4
 1 2 3 4
Arbeitspunkteinstellung   Programm   Arbeitpunkteinstellung   Anodenverlustleisung   Oszillator   Mattscheibe   Nutzleistungsverlust   Radio-TV-Schrank-Kombination   Schaltungsausführung   Zwischenbasisschaltung   Vorstufe   Katodenbasisschaltung   Rückwand   Empfänger   Norbert   E-Röhren   interessanter   HF-Pentoden-Vorstufe   Schreibtischüberlegung   Störabstrahlunterdrückung