| Passwort vergessen?
Sie sind nicht angemeldet. |  Anmelden

Sprache auswählen:

Wumpus Gollum Forum von
Wumpus Welt der (alten) Radios

Brummen RFT Dominante A122
  •  
 1 2 3 4
 1 2 3 4
19.11.09 17:03
caretaker 

50-99 Punkte

19.11.09 17:03
caretaker 

50-99 Punkte

Brummen RFT Dominante A122

Habe ein RFT Dominante A122 restauriert. Alle Kondensatoren und Elkos wurden getauscht.
Leider habe ich immer noch ein recht nerviges Brummen, was man bei Zimmerlautstärke noch recht gut hören kann.
Wie war denn bei den Geräten dieser Qualität Anfang der 60er Jahre überhaupt die "Brummfreude". Nicht dass ich suche und suche und diese Geräte haben schon immer etwas gebrummt.

Hat jemand Erfahreungen dazu?

Hallo Caretaker,
hier im Forum herrscht ein freundlicher Ton,heißt das man die Regeln des Forum die Du ja akzeptiert hast bei der Regtistrierung auch befolgt!!!

Oder hast Du die nicht gelesen???

Gruß Bernhard Mod.

Noch gefällt der Beitrag keinem Nutzer.
!
!!! Fotos, Grafiken nur über die Upload-Option des Forums, KEINE FREMD-LINKS auf externe Fotos.    

!!! Keine Komplett-Schaltbilder, keine Fotos, keine Grafiken, auf denen Urheberrechte Anderer (auch WEB-Seiten oder Foren) liegen!
Solche Uploads werden wegen der Rechtslage kommentarlos gelöscht!

Keine Fotos, auf denen Personen erkennbar sind, ohne deren schriftliche Zustimmung.

Den Beitrag-Betreff bei Antworten auf Threads nicht verändern!
19.11.09 17:21
Pluspol 

500 und mehr Punkte

19.11.09 17:21
Pluspol 

500 und mehr Punkte

Re: Brummen RFT Dominante A122

Hallo Caretaker

Ich kann Dir versichern, daß bei diesem Gerät, wie auch anderen verkauften Allwellensupern der EX-DDR, der Empfang brummfrei war. Ebenso war die Ausführung qualitativ gut. Das Brummen bei Deinem Radio hat sicher noch andere oder weitere Fehlerursachen. Dafür ist eine systematische Fehlersuche, beginnend mit der Überprüfung der Anodenspannung am Netzteil sowie Messungen an den Röhrenelektroden (Steuergitter Schimgitter und Anode) der NF-Stufe erforderlich. Hier kommt es auf Deinen Erfahrungsstand und die vorhandenen Messmittel an. Hilfe wirst Du hier sicher von erfahrenen Kollegen mit den vorhandenen Schaltplänen finden. Es wird aber auch einige Geduld und Ausdauer erfordern.

Freundliche Grüße von Dietmar

19.11.09 22:45
wumpus 

Administrator

19.11.09 22:45
wumpus 

Administrator

Re: Brummen RFT Dominante A122

Hallo Caretaker,
das Gerät ist wohl ein Allströmer, die Röhren liegen heizungsmäßig in Reihe. Wenn die Netzelkos ok sind, kann auch eine Röhre im Heizkreis einen leichten Kathodenschluß haben. Was passiert, wenn Das Gerät auf TA steht (und brummt) und nun einfach die UKW-Röhre herausgezogen wird. Ist das Brummen dann schlagartig weg?

Mit freundlichen Grüssen Rainer (Forum-Admin)

Möge die Welle mit uns sein.



Zuletzt bearbeitet am 19.11.09 22:47

20.11.09 08:27
Wolle 

500 und mehr Punkte

20.11.09 08:27
Wolle 

500 und mehr Punkte

Re: Brummen RFT Dominante A122

Hallo Caretaker.

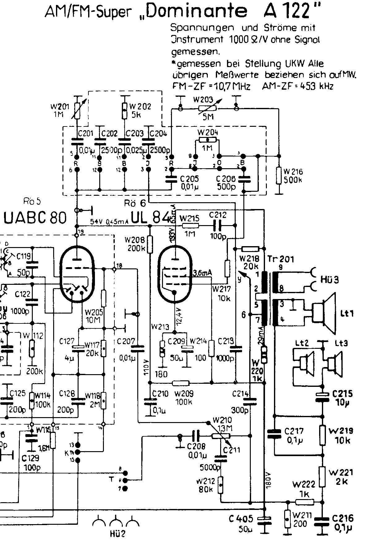
Ergänzend zu Rainers Tipps noch zwei Fraagen. Wie hoch ist die Spannung an der Kathode der UL84? Hast Du den Koppelkondensator am Gitter der UABC80 ersetzt? Hier kann die Einbaurichtung eine Rolle spielen. Der Innenbelag des Kondensators gehört an das Gitter des C- Systems der UAB(C) 80. Eventuell kann dieser Kondensator zusätzlich geschirmt werden, z.B. mit einer Metallfolie. Ist bei TA die Intensität des Brummens von der Stellung des Lautstärkereglers abhängig? Anbei ein Schaltungsauszug des NF- Verstärkers.

Mit vielen Grüßen.
Wolle

Datei-Anhänge
Dominante_A122.png Dominante_A122.png (437x)

Mime-Type: image/x-png, 41 kB

20.11.09 13:57
Pluspol 

500 und mehr Punkte

20.11.09 13:57
Pluspol 

500 und mehr Punkte

Re: Brummen RFT Dominante A122

Hallo Wolle,

hatte von Deinem Krankenhausaufenthalt gehört und entsprechende Genesungswünsche übermittelt.
Jetzt bist Du hoffentlich ohne dauerhafte Nachwirkungen wieder fit und aktiv. Dabei sehe ich Deine Gesundheit als vordergründig, mit der Du wieder im Forum Dein Fachwissen und Hilfe bei Problemen bereitstellen kannst. So hofft man auf das Beste für sich und auch die anderen Forumspartner.

Freundliche Grüße von Dietmar

20.11.09 18:54
caretaker 

50-99 Punkte

20.11.09 18:54
caretaker 

50-99 Punkte

Re: Brummen RFT Dominante A122

Hallo Dietmar, Wolle und Rainer,
vielen Dank für die schnellen Ratschläge. Ich werde sie am Wochenende mal abarbeiten und mich dann wieder melden.
Einen Versuch habe ich schon gemacht und habe in Stellung TA die UCC85 gezogen, aber das Brummen blieb. Ich werde mich mal auf den Gitterkondensator der UABC80 konzentrieren und hoffen...

Freundliche Grüße von Dirk

20.11.09 19:31
wumpus 

Administrator

20.11.09 19:31
wumpus 

Administrator

Re: Brummen RFT Dominante A122

Hallo Dirk,
wenn der Koppel-C von der Trioden-Anode der UABC80 nicht defekt ist, gibt s noch einen weiteren Schnelltest:

1. Radio auf TA, UABC80 ziehen. Sofort Brummen weg?

Wieder aufheizen.

2. Radio auf TA, UL84 ziehen. Sofort Brummen weg?


Mit freundlichen Grüssen Rainer (Forum-Admin)

Möge die Welle mit uns sein.

21.11.09 11:03
caretaker 

50-99 Punkte

21.11.09 11:03
caretaker 

50-99 Punkte

Re: Brummen RFT Dominante A122

Hallo Rainer,
ich habe eben die Röhren gezogen und nachdem ich die UABC80 zog, wurde das Brummen leiser.
Richtig weg war es erst als ich nach erneutem Aufheizen die UL84 (aber bei eingesteckter UABC80) zog.
Also liegt der Fehler eher bei der UL84??
Allerdings hatte ich noch nicht die Zeit, um den Lötkolben anzuheizen und die Sache mit dem Koppel-C zu testen.

Mit freundlichem Gruß Dirk

21.11.09 16:44
wumpus 

Administrator

21.11.09 16:44
wumpus 

Administrator

Re: Brummen RFT Dominante A122

Hallo Dirk,
wenn das Brummen schlagartig beim Ziehen nur der UL84 weg ist, wäre das u.U. schon ein Hinweis auf den Koppelkondensator C205. Dann müßte aber auch die Spannung an der Kathode etwas höher als 12,8 Volt sein.


Mit freundlichen Grüssen Rainer (Forum-Admin)

Möge die Welle mit uns sein.



Zuletzt bearbeitet am 21.11.09 16:44

22.11.09 12:07
caretaker 

50-99 Punkte

22.11.09 12:07
caretaker 

50-99 Punkte

Re: Brummen RFT Dominante A122

Hallo Rainer,

habe den C205 gedreht, aber das Brummen blieb. Die Kathodenspannung an der UL84 beträgt 12,3 V und die Anodenspannung an der UL84 beträgt 201 V. Ist dies nicht etwas zu hoch?
Woran könnte es noch liegen?

Mit freundlichen Grüßen Dirk

 1 2 3 4
 1 2 3 4
Selengleichrichter   Heizvorwiderstandes   Koppelkondensator   vernachlässigbares   Dominante   Krankenhausaufenthalt   Grüssen   Gegenkopplungszweig   Sicherheitshinweise   Selengleichricher   freundlichen   Brummen   Fehlereinkreisung   bearbeitet   Komplettschaltbild   Siebwiderstandsänderung   Einweggleichrichter   Gegenkopplungsbereich   Forum-Admin   Zwischenkontrollen