| Passwort vergessen?
Sie sind nicht angemeldet. |  Anmelden

Sprache auswählen:

Wumpus Gollum Forum von
Wumpus Welt der (alten) Radios
Sie sind nicht angemeldet.
 Anmelden

Ein Anfänger und seine Philetta B2D 13A
  •  
 1 2 3
 1 2 3
12.07.12 16:45
achim01 

500 und mehr Punkte

12.07.12 16:45
achim01 

500 und mehr Punkte

Ein Anfänger und seine Philetta B2D 13A

Liebe Forengemeinde,

mehr durch Zufall, nämlich auf der Suche nach einem alten 50er Jahre Radio als Requisit für ein Mieder-Fotoshooting im 50er Jahre Stil, bin ich bei *(W)* auf diese Philetta gestoßen und hab mich in diese Radios verliebt. Da steht es nun seit einiger Zeit und soll auch wieder spielen. Ich finde es einfach bildschön.

Ich bin von Beruf Zahntechnikermeister, 53 Jahre alt und werde, berufsbedingt, mit der mechanischen Restauration wohl keine Probleme haben.
Von der elektronischen Seite her sieht das leider anders aus. Zwar bin ich im Umgang mit dem Lötkolben geübt, Elektronikbasteln ist seit meiner Jugend ein Hobby, aber tiefere Kenntnisse besitze ich nicht. Relais sind mir lieber als MosFets....

Natürlich sind mir grundlegende Dinge wie Ohm´sches Gesetz, elektronische Bauteile wie Widerstände, Kondenatoren, ect. vertraut, aber von Röhrentechnik, HF-Technik, ect. hab ich keine Ahnung.
Da wäre ich auf Eure geschätzte Hilfe angewiesen.
Lötausrüstung, Multimeter, ect. ist natürlich vorhanden.

Doch jetzt zum Stand der Dinge.
Als ich die Philetta bekam, hat sie leidlich gespielt. Ich hab das Chasis in stundenlanger Kleinarbeit mit Alkohol, Pinsel und Wattesstäbchen gereinigt. Bis dahin alles paletti.
Dann machte ich mich an den Austausch verdächtiger Kondensatoren. Getauscht wurde der Koppelkondensator, die Elkos und zwei dieser abgeschirmten Papierkondensatoren.
Seiher ist die Wiedergabe total abgehackt und verzerrt. Wenn ich ein externes NF-Signal über die DIN-Buchse einspeise ist das in gleicher Weise gestört. Zuvor hatte das tadellos funktioniert.
Nach gründlicher Recherche glaube ich nicht, dass es überhaupt was mit dieser Tauschaktion zu tun hat. Inzwischen hatte ich die alten Teile zurückgetauscht mit dem gleichen Ergebnis. Die gleiche Tauschaktion an einem zweiten Philetta-Chassis B2D 03A ergab keine Probleme. Vielleicht hat sich durch Transport, oder einfach durch Zufall dieser Fehler zusätzlich eingeschlichen.
In meiner Begeisterung haben sich inzwischen neun Philettas angesammelt. Alle spielen so ein bisschen mit vielen Störungen. Meine Frau weiss gar nichts von meinem neuen Hobby. Eigentlich sollte ich das bad renovieren....

Kurz- ich weiss nicht weiter. Die Röhren glimmen alle gleichmäßig. Hab sie auch alle schon getauscht, aber das Ergebnis blieb immer gleich.
Wenn mir jemand weiterhelfen könnte würde ich mich tierisch freuen.
Mir ist klar dass das schwierig ist, frei nach dem Motto "mein Auto fährt so komisch, was ist da kaputt?"

Vielen Dank fürs Lesen und viele Grüße,
Achim

Noch gefällt der Beitrag keinem Nutzer.
    !
    !!! Fotos, Grafiken nur über die Upload-Option des Forums, KEINE FREMD-LINKS auf externe Fotos.    

    !!! Keine Komplett-Schaltbilder, keine Fotos, keine Grafiken, auf denen Urheberrechte Anderer (auch WEB-Seiten oder Foren) liegen!
    Solche Uploads werden wegen der Rechtslage kommentarlos gelöscht!

    Keine Fotos, auf denen Personen erkennbar sind, ohne deren schriftliche Zustimmung.

    Den Beitrag-Betreff bei Antworten auf Threads nicht verändern!
    12.07.12 18:06
    laurel1 

    500 und mehr Punkte

    12.07.12 18:06
    laurel1 

    500 und mehr Punkte

    Re: Ein Anfänger und seine Philetta B2D 13A

    Hallo Achim,

    ich bin etwas enttäuscht! Du hast den gleichen Eintrag auch in einem anderen Forum geschrieben und einiges an Hilfe bekommen. Arbeite das doch erst einmal ab, oder möchtest Du Vollbeschäftigung für alle? Um 17 Uhr 06 erfolgte ein Eintrag von mir, in Bezug auf den Schaltplan und meine Meinung zu Deinen Fragen. Ich habe irgendwo das Gefühl und das ist nicht Böse gemeint, Du erwartest umgehend und schnellstens eine perfekte Antwort. Sicherlich ist es absolut legitim sich woanders zu informieren, nur würde ich erst einmal die eine "Option" abarbeiten und wenn es dann immer noch klemmt, frage ich halt woanders!

    Sicherlich bist Du ungeduldig und die schnelle Lösung soll her, die gibt es bei einem alten Radio nicht mal eben so. Alle die helfen, ob hier, in einem anderen Forum etc. machen dieses gerne, aber Du musst uns schon etwas Luft lassen. Viele haben einen Job und schaffen Stunden ohne Ende. Dann nach Feierabend eine freiwillige und Kostenfreie Beratung in Bezug auf eine Reparatur.

    Leicht frustrierte Grüße
    Peter

    Zuletzt bearbeitet am 12.07.12 18:30

      12.07.12 18:35
      achim01 

      500 und mehr Punkte

      12.07.12 18:35
      achim01 

      500 und mehr Punkte

      Re: Ein Anfänger und seine Philetta B2D 13A

      Lieber Peter,
      deinen Link zum Plan hatte ich noch nicht gesehen - vielen Dank dafür.
      Nein, natürlich erwarte ich keine umgehende Hilfe - wie könnte ich als Laie und Newbie darauf auch einen Anspruch erheben? Das ist es nicht. Ungeduldig ja natürlich - geb ich gerne zu. Wer ist nicht ungeduldig wenn er begeistert ist? Ich versuch halt grade, soviel Info wie möglich aufzusaugen. Ich wollte keinesfalls den Eindruck von "Anspruchsdenken" erwecken. Wenn das so rübergekommen sein sollte entschuldige ich mich dafür.

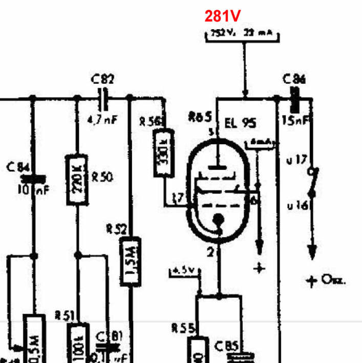
      Sind die Spannungsangaben auf dem Schaltplan (kann sie ehrlich gesagt kaum entziffern) so zu verstehen, dass sie an dem angegebenen Punkt gegen Masse durchzuführen sind?
      Die Angabe am Messpunkt zwischen C86? und der Röhre EL95 - heisst das 252V und 22mA?


      Gruß,
      Achim

        12.07.12 20:34
        Daveax

        nicht registriert

        12.07.12 20:34
        Daveax

        nicht registriert

        Re: Ein Anfänger und seine Philetta B2D 13A

        Hallo Achim, hallo Peter,
        lieber Achim, wenn man in verschiedenen Foren in etwas der gleichen Zeit fragt sollte man das einfach einmal erwähnen, hier und dort, muss ja nicht dabeistehen wo.
        Für den Einen ist es ein Ansporn ("Mein Forum ist besser") en Anderer ärget sich vielleicht dann nicht.

        Lieber Peter, nicht ärgern... vergeben...


        Aber zum Thema: Ja, das heißt dort 252V und 22mA, die mA kann man messen, besser gesagt berechnen indem man die Spannung an der Kathode misst, dort steht 4,5V, wenns dort stimmt sollte es passen.
        Was hast Du mit dem Kondensator C76 gemacht? Und mit dieser Abschirmung?
        Dort ist eine recht empfindliche Stelle, da ist die Regelspannung drauf und bei TA kannst Du einen Brumm über eine Masseschleife bekommen, oder wer weiß was, so ein Blech gehört da nicht hin und der rote Draht auch nicht. Mach mal das Blech ab und schau mal dort nach, oder mache ein neues Foto, man kann ja nicht sehen was dort Sache ist.
        Tausch aber zuerst mal den C80 aus, wenns Radio vorher nicht richtige gegangen ist und dort die Spannung nicht stimmt dann kommt auch sowas heraus wie Du es beschreibst, und wenn dann der Rest besser geworden ist dann hört man diesen Fehler auch nur besser.

        Gruß,
        Dave

          13.07.12 03:09
          achim01 

          500 und mehr Punkte

          13.07.12 03:09
          achim01 

          500 und mehr Punkte

          Re: Ein Anfänger und seine Philetta B2D 13A

          Hallo Dave,
          Was die Foren betrifft, war das vielleicht etwas ungeschickt von mir. Es ist nur bedauerlich, dass die Foren sich untereinander immer als "Mitbewerber" fühlen, obwohl es doch um eine gemeinsame Sache geht...

          C76 hab ich probeweise durch einen Wima MKS4 ersetzt. Das Blech ist Zinnfolie die ich als Abschirmung drumgewickelt hab und mit dem roten Draht verlötet der dann nach Masse geht. Ist das nicht ok so? Hat aber keine Änderung ergeben. Weder mit noch ohne Abschirmung. Aber sollte man diese Ölpapierkondensatoren nicht grundsätzlich ersetzen? C80 hab ich durch einen entsprechenden Styroflex ersetzt. Ohne Abschirmung. Hat aber auch nichts geändert. Offenbar waren die Originalkondensatoren noch intakt.
          C82 (Koppelkondensator?) ist auch ersetzt.

          Hab jetzt auch mal diese Messungen gemäß Schaltplan durchgeführt. Die roten Zahlen sind die Messergebnisse. Seltsam ist das Ergebnis an der ECH81 mit 0V.
          Ich kann die Sollwerte nicht richtig entziffern. Die Qualität der PDF-Datei ist einfach zu schlecht. Kann man die Pläne nicht irgendwo in Originalqualität herbekopmmen? Muss ja nicht gratis sein.

          Gruß,
          Achim

          Zuletzt bearbeitet am 13.07.12 03:19

          Datei-Anhänge
          EL95.jpg EL95.jpg (419x)

          Mime-Type: image/jpeg, 56 kB

          EABC80.jpg EABC80.jpg (374x)

          Mime-Type: image/jpeg, 38 kB

          EF89.jpg EF89.jpg (344x)

          Mime-Type: image/jpeg, 52 kB

          ECH81.jpg ECH81.jpg (397x)

          Mime-Type: image/jpeg, 61 kB

          ECC85.jpg ECC85.jpg (374x)

          Mime-Type: image/jpeg, 46 kB

            13.07.12 04:28
            Daveax

            nicht registriert

            13.07.12 04:28
            Daveax

            nicht registriert

            Re: Ein Anfänger und seine Philetta B2D 13A

            Hallo Achim,
            was die Foren betrifft und was "bedauerlich" ist wird Dir vielleicht im Laufe der Zeit noch etwas klarer, aber sei gefasst auf Zustände die Dir viellecht das vor Wochen Gegessene wieder hervorholen können, nicht möglich? Warts einfach ab, auch im menschlichen Verdauungstrakt gibts Ecken die man bis heute noch nicht erforscht hat, die melden sich dann, und das Ergebnis davon hindert Viele daran um sich jemals wieder in einem Forum blicken zu lassen...

            Deine Spannungen im Radio sind natürlich zu hoch, dass an der ECH81 keine Anodenspannung anliegt mag die Ursache haben dass Du nicht auf MW geschaltet hast, ansonsten ist der Wellenschalter wohl etwas verharzt, aber vorsichtig damit umgehen, dort geht schnell etwas kaputt.
            Schau mal nach ob der Netztrafo wirklich an seinem letzen Anschluss angeschlossen ist, vielleicht gibts ja dort auch noch eine Einstellung für 240V, ausmessen, das ist der der die höchste Ohmzahl hat, miss auch die Spannung am C1, und schau wieviel der überhaupt verträgt.
            Eigentlich ist so ein Radio ein recht einfaches Teil, aber wenn die Elkos alt und ausgetrocknet sind muss man sie ersetzen, wenn dort von mir aus 50V mehr drauf sind dann baue eben solche rein die das auch abkönnen, dem Ausgangstrafo und den Röhren schadets nicht, im Zweifelsfall, wenn der Anodenstrom zu hoch ist, baut man einen Kathodenwiderstand rein mit ein paar mehr Ohms, oder man baut gleich eine Mosfetregelung ins Netzteil, dann hat man Ruhe.
            Die "echten" Röhrenfreaks würden sowas natürlich nie tun, die nehmen dann einen Lastwiderstand, ist aber die falsche Lösung, und auch die falsche (Lebens-)Einstellung, aber das geht mich nichts an.
            Schau nach ob die Netzelkos gute Masseverbindungen haben, dort gibts sehr oft Grünspan der die Stromleitung stört, ist natürlich kein echter Grünspan, aber das richtige Wort fällt mir jetzt nicht dafür ein, grün ists aber meistens.
            Elko ausbauen, Schmirgelpapier und gudis.
            Die Röhrenfassungen mit Kontaktspray einsprühen, und das ein paarmal hintereinander in Abständen von ein paar Stunden, dann Kontaktreinigungsspray drauf, so dass es unten herausläuft, ich nenne hier nicht die Markenbezeichnung, aber WL steht drauf, einen Lappen unterlegen wegen dem Dreck.
            Das Gleiche kannst Du auch mit dem Wellenschalter machen, und lass Dir nix erzählen von wegen schädlich usw., ich hab da schon ganz andere Sachen gemacht.
            Mit den Potis muss man dann schon etwas vorsichtiger umgehen weil es so gut wie keinen Ersatz dafür gibt, aber auch da gibts einige Tricks wie man auch den verrostesten und abgenutztesten Heimer wieder hinkriegt, ist nur eine Frage der Geduld und der Fingerfertigkeit, Du solltes ja wohl Beides haben.
            Also, nach dem Trafo schauen, die Elkos begutachten und alle Kontakte säubern, geht dann immer noch nichts kommt zuerst das Netzteil in Kur und anschließend die kleine Endstufe, pass auf dass Du das Skalenseil nicht aus Versehen kaputtmachst, ist ärgerlich, der Rest ist eigenlich wirklich eine Sache die auch ein Anfänger mit etwas Hilfe hinbekommt.
            Und lass Dir nicht zu viel erzählen, schön wenn man weiß dass ein Teil "Ratio-Elko" heißt, heißt aber nur Elko, und ist jetzt blau.


            Gruß,
            Dave

              13.07.12 09:24
              joeberesf 

              500 und mehr Punkte

              13.07.12 09:24
              joeberesf 

              500 und mehr Punkte

              Re: Ein Anfänger und seine Philetta B2D 13A

              Hallo zusammen,

              Daveax:
              Hallo Achim,
              was die Foren betrifft und was "bedauerlich" ist wird Dir vielleicht im Laufe der Zeit noch etwas klarer, aber sei gefasst auf Zustände die Dir viellecht das vor Wochen Gegessene wieder hervorholen können, nicht möglich? Warts einfach ab, auch im menschlichen Verdauungstrakt gibts Ecken die man bis heute noch nicht erforscht hat, die melden sich dann, und das Ergebnis davon hindert Viele daran um sich jemals wieder in einem Forum blicken zu lassen...

              diesen Fall versuchen wir hier gemeinsam zu vermeiden. Das ist auch ein Pluspunkt des WGF, da hier von allen Mitgliedern
              ein guter Umgangston gepflegt wird. Es gibt hier kaum Rangeleien oder Besserwisserei. Unterschiedliche Fachkompetenz
              führt hier nicht zum Draufhauen. Das gegenseitige Profilieren steht nicht im Vordergrund....es geht um Unterstützung
              auf hohem zwischenmenschlichen Niveu!

              Gruß

              Joe

                13.07.12 15:22
                achim01 

                500 und mehr Punkte

                13.07.12 15:22
                achim01 

                500 und mehr Punkte

                Re: Ein Anfänger und seine Philetta B2D 13A

                Wir sind doch erwachsene Menschen und ich hab genügend Forenerfahrung um mich niemals provozieren zu lassen, bzw. selbst zu provozieren. Man kann mal was in den falschen Hals bekommen, das ist bei der eingeschränkten Kommunikation in einem Forum ohne das gesprochene Wort, ohne Mimik und Gestik kaum zu vermeiden.

                Dass ich auf MW schalten muste, wusste ich nicht - wie noch so vieles in diesem Bereich.
                Die Elkos sind alle ersetzt, auch der Siebelko. Hab mir Tuner 600 Spray besorgt. Taugt der?
                Trafo ist vollständug angeschlossen. Werde heute abend mal die Spannungen am Trafo messen, die Kontakte alle säubern, die Kontaktstifte aller Röhren mit Glasperlen strahlen und mich dann wieder melden wenn nichts dabei rausgekommen ist.

                Nachdem sich jetzt bei mir 9 Philettas angesammelt haben, hab ich sie gestern nacht alle mal nebeneinander ausprobiert.
                Eine geht gar nicht. Im Moment egal. Die anderen spielen alle. Aber sehr unterschiedlich. Auf einer krieg ich eine Unzahl von Sendern, auf anderen nur zwei oder drei. Und eine andere reagiert extrem darauf, ob man vor dem Radio steht oder zur Seite tritt. Das wird noch ein harter Kampf. Ob ich die jemals alle auf das gleiche Niveau bekomme?
                Aber egal, jetzt soll erstmal die B2D 13A wieder spielen. Schritt für Schritt, eins nach dem anderen. Ich lerne jeden Tag ein kleines bisschen dazu....

                Gruß und danke für die Unterstützung,
                Achim

                  13.07.12 16:39
                  Daveax

                  nicht registriert

                  13.07.12 16:39
                  Daveax

                  nicht registriert

                  Re: Ein Anfänger und seine Philetta B2D 13A

                  Hallo Achim,

                  Zitieren:
                  Dass ich auf MW schalten muste, wusste ich nicht - wie noch so vieles in diesem Bereich.
                  solche und ähnliche "Fehler" die während einer Reparatur auftauchen geschehen meistens durch Übereifer oder auch mal durch "RaM crowded", Arbeitsspeicher überfüllt, man sieht den Wald vor lauter Bäumen nicht.
                  Beim Arbeiten an sämtlichen Elektrogeräten darf das aber eigentlich nicht vorkommen, Ersteres schon mal gar nicht. Ist vielleicht einfach gesagt, aber wenn man nicht mehr weiß wo Vorn und Hinten ist dann sollte man eine Pause machen, das Gerät beiseite stellen und sich in aller Ruhe den Schaltplan durchsehen.
                  Die gesamte Elektronik ist logisch aufgebaut, wenn "A" dann "B" oder wenn "C" dann "A+B", folglich gilt dann auch: "Wenn C=0 dann A oder/und B = 0", das bedeutet in Deinem Fall: "Wenn Anode ECH81=0 dann u20 - u19=off", oder "R28=tot", oder "k17-k16/L3-L2=off".
                  Im Plan unten links steht über der Tastatur dieser Satz: "Die angegebenen Spannungs- und Stromwerte gelten für den UKW-Bereich (Ausnahme MW). Spannungen wurden...", deshalb gilt: "eine Pause machen, das Gerät beiseite stellen und sich in aller Ruhe den Schaltplan durchsehen."
                  Natürlich wird man auf eine Frage wie Deine auch eine Antwort bekommen, aber besser ist es wirklich erst einmal selbst zu suchen, nicht nur der Erfolg freut einem wenn man es selbst gefunden hat, man hat auch dabei etwas gelernt, das ist ähnlich wie wenn man in der Schule bei einer Prüfung einen Sitznachbar fragt wo man sein Kreuzchen hinmachen soll, Prüfung vielleicht bestanden, aber nutzen tuts nicht wirklich...
                  (Kurze Unterbrechung - musste aufs Enkelchen aufpassen...)

                  Wenn es scheint dass die Anodenspannung insgesamt viel zu hoch ist dann muss man bei alten Geräten erstmal die Spannungsumstellung auf 230V berücksichtigen, das sind ja nicht immer nur 10V mehr sondern können auch manchmal sogar mehr als 50V mehr werden als vorher, früher hatten wir 220v +/-10%, jetzt 230V +/-10% (=früher min. 198V heute max. 253V)wenns geht natürlich am Gerät umschalten, gehts nicht dann die Spannungen messen und die Elkos genauer anschauen, meistens reichts aber aus. Eine recht einfache Lösung ist es wenn man ein Z-Diode zwischen Gleichrichter und erstem Elko einbaut, bei einem solchen kleinen Radio bleibt das auch noch im Rahmen, dort reicht eine Z20/2W, hier würde eine 1N5357B schon ausreichen. Man kann auch die Spannung so lassen wenns die Elkos schaffen und dann aber den Strom messen den die einzelnen Röhren ziehen, dann wird man aber wohl die Kathodenwiderstände anpassen müssen, ist also schon etwas mehr an Fummelei. Bei Geräten mit höherer Leistung wäre dann eine Spannungsregelung mit einem Mosfet die praktischste Lösung, dann bietet sich gleichzeitig auch eine Spannungsstabilisierung damit an, was bedeutet dass der Brumm minimiert wird und die Spannung auch bei Netzschwankungen recht stabil bleibt, Platz dafür ist immer genug da, hätte es diese Teile früher schon gegeben dann hätten die Hersteller sehr wohl darauf zurückgegriffen, denn mit einer solchen ganz einfachen Regelung können einige Stufenelkos und die Netzdrossel, falls vorhanden, entfallen, diese Fets kosten nicht mal einen Euro und sind gegenüber den Elkos auch viel umweltfreundlicher.
                  In diesem Gerät wird der Lautsprechertrafo gleichzeitig als Netzdrossel verwendet, Anschluss 1 - 2, die NF-Schwankungen spielen dabei keine Rolle weil ein R/C-Glied folgt, R1-C2, hier könnte man noch zusätlich eine Diode dazwischenschalten um eine Rückladung bei höherer Lautstärke zu vermeiden, der Klang würde etwas besser werden und auch der Brumm weniger.
                  Bei solchen Geräten bei denen kein besonderer Sammlerwert besteht, außer vielleicht einem persönlichem, ist prinzipiell fast alles erlaubt was Spass macht...


                  Viele Grüße,
                  Dave

                  Zuletzt bearbeitet am 13.07.12 17:46

                    14.07.12 09:33
                    achim01 

                    500 und mehr Punkte

                    14.07.12 09:33
                    achim01 

                    500 und mehr Punkte

                    Re: Ein Anfänger und seine Philetta B2D 13A

                    Hallo Dave, vielen Dank für die Ausführungen.
                    Alle Röhrensockel und der Wellenbereichsschalter sind mit Kontaktreiniger gereinigt. Die Spannungen am Trafo betragen sekundärseitig 6,8V und 240 Volt. Am Siebelko liegen 277V und 241V an. Die Kontakte des Spannungsumschalters sind ebenfalls gereinigt.
                    Die Philetta spielt nach wie vor extrem leise und verzerrt.

                    Viele Grüße,
                    Achim

                       1 2 3
                       1 2 3
                      Spannungen   funktioniert   allgemein-verhalten-bezogenen   Anfänger   Oberflächenbearbeitung   Letztrechthaber-Effekt   Wellenbereichsschalter   Natürlich   Kontaktreinigungsspray   einfach   Forum-Software-Updates   Vielleicht   Anodenspannungspotenzial   Reparaturhilfe-Anfrage   Spannungsstabilisierung   anderen   Wissenschaftsrecherche   Philetta   Gitterableitwiderstand   Kondsensatorwiderstandes