| Passwort vergessen?
Sie sind nicht angemeldet. |  Anmelden

Sprache auswählen:

Wumpus Gollum Forum von
Wumpus Welt der (alten) Radios
Sie sind nicht angemeldet.
 Anmelden

Sachsenwerk Olympia W502 (ohne magisches Auge)
  •  
 1 2 3 4 5 .. 7
 1 2 3 4 5 .. 7
26.09.13 11:28
radiouli 

500 und mehr Punkte

26.09.13 11:28
radiouli 

500 und mehr Punkte

Re: Sachsenwerk Olympia W502 (ohne magisches Auge)

Andreas_P:
Hallo Ronn,

genauso wird das kommen. Demnächst geht tagsüber nicht mehr viel. Ich würde auch keine Ferrit-Antenne nachrüsten. Ich experimentiere gerade an einer externen Ferritantenne mit Verstärker, so wie sie Helmut vorgestellt hat. Steht irgendwo unter dem Thema DX-Antenne. Ich habe damit schonmal grob exerimentiert. Das Resultat war beeindruckend. Klar, Ulis 3 Meterantenne reicht nicht, da muß mehr sein! Aber wir wollen mal sehen, wie der Oszillator-Test verläuft. Viel Erfolg, Uli

Hi Andreas, hallo Ronn,

okay, dann lasse ich das lieber mit dem Einbau einer Ferritantenne. Den Oszillator werd ich heute Abend prüfen und gebe dann eine Info was los ist.

bis dahin einen schönen Tag...

Grüße
Uli

!
!!! Fotos, Grafiken nur über die Upload-Option des Forums, KEINE FREMD-LINKS auf externe Fotos.    

!!! Keine Komplett-Schaltbilder, keine Fotos, keine Grafiken, auf denen Urheberrechte Anderer (auch WEB-Seiten oder Foren) liegen!
Solche Uploads werden wegen der Rechtslage kommentarlos gelöscht!

Keine Fotos, auf denen Personen erkennbar sind, ohne deren schriftliche Zustimmung.

Den Beitrag-Betreff bei Antworten auf Threads nicht verändern!
26.09.13 11:31
Ronn 

500 und mehr Punkte

26.09.13 11:31
Ronn 

500 und mehr Punkte

Re: Sachsenwerk Olympia W502 (ohne magisches Auge)

Hallo Andreas,

eine Rahmenantenne bietet mir zumindest am späten Nachmittag (kurz vor Dämmerung) schon mehr Empfang, zudem eignet sie sich wunderbar für Gray Line-DX bzw. Twilight DXing. Eine MiniWhip nach PA0RDT auf mehre Meter Höhe holt auch tagsüber noch einiges aus dem MW-Bereich raus. Hier im Bereich MD kommt dann tagsüber auch der NDR auf MW noch gut durch, Bayern ist schon leicht wahrnehmbar. Ab der Dämmerung geht es dann richtig rund. Nachteil, die MiniWhip habe ich nur provisorisch auf einem Teleskopmast installieren können, ist also keine Dauerlösung in meinem Fall.

Gruss Ronn

26.09.13 12:54
wumpus 

Administrator

26.09.13 12:54
wumpus 

Administrator

Re: Sachsenwerk Olympia W502 (ohne magisches Auge)

Hallo zusammen,

das Word "Tuner" wies irgendwie auf UKW-Tuner hin.



Gruß von Haus zu Haus
Rainer (Forumbetreiber)

26.09.13 13:05
Ronn 

500 und mehr Punkte

26.09.13 13:05
Ronn 

500 und mehr Punkte

Re: Sachsenwerk Olympia W502 (ohne magisches Auge)

Hallo zusammen,

Meiner Meinung nach wird mit dem Wort "Tuner" doch nur das HF-Empfangsteil als solches bezeichnet, das kann also auch MW/LW oder UHF/VHF bis sonstwas sein oder irre ich mich?! Tuner rein mit UKW gleichzusetzen scheint nur eine Marotte von uns Radiobastlern zu sein.

Gruss Ronn

26.09.13 13:06
radiouli 

500 und mehr Punkte

26.09.13 13:06
radiouli 

500 und mehr Punkte

Re: Sachsenwerk Olympia W502 (ohne magisches Auge)

Ronn:
Hallo zusammen,

Meiner Meinung nach wird mit dem Wort "Tuner" doch nur das HF-Empfangsteil als solches bezeichnet, das kann also auch MW/LW oder UHF/VHF bis sonstwas sein oder irre ich mich?! Tuner rein mit UKW gleichzusetzen scheint nur eine Marotte von uns Radiobastlern zu sein.

Gruss Ronn

Sorry, Andreas hat mich aufgeklärt :-) Oszillator wäre besser gewesen... alles gut...

viele Grüße
Uli

26.09.13 13:08
Ronn 

500 und mehr Punkte

26.09.13 13:08
Ronn 

500 und mehr Punkte

Re: Sachsenwerk Olympia W502 (ohne magisches Auge)

Hallo Uli,

rein Oszillator (als gänzliche Bezeichnung dieser Stufe) wäre auch nicht richtig, dann schon eher Tuner! Was Andreas aber meint ist, dass Du mal den Oszillator am Mischer prüfen sollst, ob dieser an den Bandgrenzen noch schwingt, also quasi oszilliert! Aber das haben wir ja schon geklärt wie man das mit einfachen Mitteln überprüft.

Gruss Ronn

Zuletzt bearbeitet am 26.09.13 13:10

26.09.13 13:16
radiouli 

500 und mehr Punkte

26.09.13 13:16
radiouli 

500 und mehr Punkte

Re: Sachsenwerk Olympia W502 (ohne magisches Auge)

Ronn:
Hallo Uli,

rein Oszillator (als gänzliche Bezeichnung dieser Stufe) wäre auch nicht richtig, dann schon eher Tuner! Was Andreas aber meint ist, dass Du mal den Oszillator am Mischer prüfen sollst, ob dieser an den Bandgrenzen noch schwingt, also quasi oszilliert! Aber das haben wir ja schon geklärt wie man das mit einfachen Mitteln überprüft.

Gruss Ronn

okay: Empfangsteil für den AM Bereich ?


Uli

26.09.13 14:15
nobbyrad58 

500 und mehr Punkte

26.09.13 14:15
nobbyrad58 

500 und mehr Punkte

Re: Sachsenwerk Olympia W502 (ohne magisches Auge)

Hallo Uli!

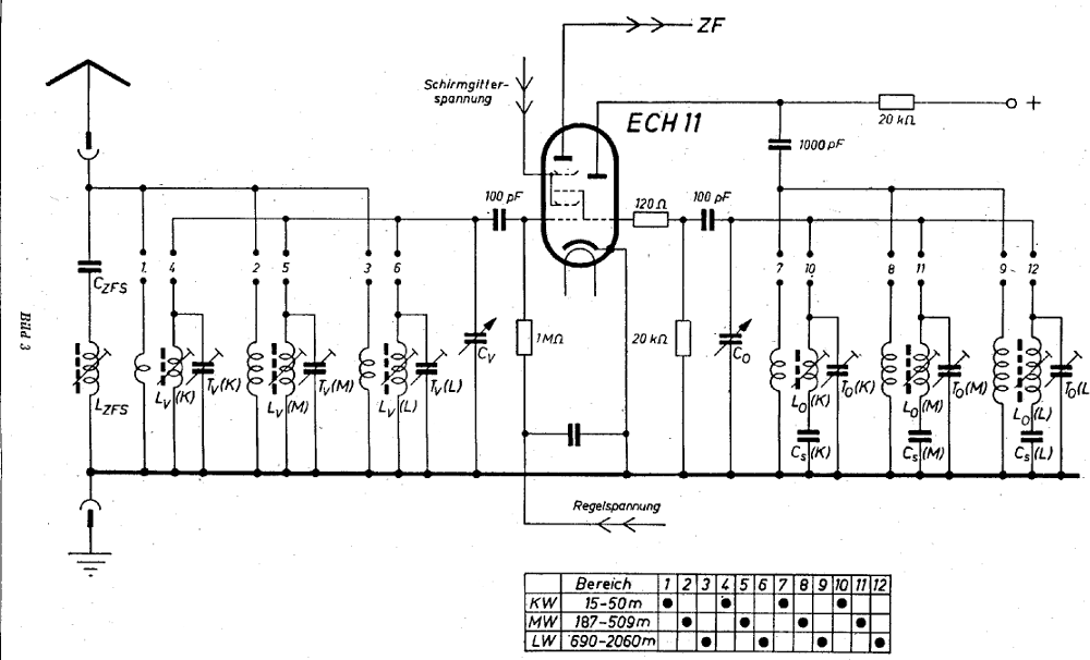
Im Prinzip sieht die AM Vor und Oszillatorstufe bei den meisten Radios so aus. Im Bild sind die zugehörigen Spulen und Kondensatoren mit Lv, Cv und dem zugehörigen Wellenbereich in Klammern für den Vorkreis gekennzeichnet; das gleiche für den Oszillator Lo, Co und den Wellenbereichen.
So kann man sich zurechtfinden und von dort aus mögliche Fehler einkreisen. Kleiner Nachtrag: Es gibt natürlich Varianten dieser Schaltung, aber das Prinzip ist gleich.

MFG Nobby

Zuletzt bearbeitet am 26.09.13 14:43

Datei-Anhänge
Vorstufe und Oszillator Prinzip.gif Vorstufe und Oszillator Prinzip.gif (316x)

Mime-Type: image/gif, 82 kB

27.09.13 08:18
radiouli 

500 und mehr Punkte

27.09.13 08:18
radiouli 

500 und mehr Punkte

Re: Sachsenwerk Olympia W502 (ohne magisches Auge)

Moin Moin zusammen,

habe gestern Abend man ein wenig abgeglichen und siehe da - deutlich besser! Wenn man das Gerät untern öffnet, sind am Wellenschalter je zwei Trimmspulen. Ich vermute, je zwei pro Bereich. Ich habe mir die zwei MW Spulen vorgenommen und so lange abgeglichen, bis ganz hinten ein Sender zu empfangen war und ganz vorn auch. Es ist jetzt auf der gesamten Skale ein in etwa gleichmäßiges Rauschen zu hören. Ich bekommen nun auch drei DLF Frequenzen, ganz links, rechts und die mittlere Frequenz aus BS. Das mit dem einpfeifen hat auch funktioniert, danke Andreas - Oszillator o.k.
Einzig, meine bescheidenen Drahtantenne (3m draht) ist sehr subopitmal. Ich kann aber auch nichts nach draußen legen oder was sichtbares drin hinstellen - das gäbe nur ärger :-)

Grüße
Uli

27.09.13 10:47
Andreas_P 

500 und mehr Punkte

27.09.13 10:47
Andreas_P 

500 und mehr Punkte

Re: Sachsenwerk Olympia W502 (ohne magisches Auge)

Hallo Uli,

aber nicht einfach dran rumdrehen!!! Du mußt Dir ein Vergleichsgerät daneben stellen und sehen, dass die Frequenzen der einfallenden Sender identisch sind. Wenn Du an dem Gerät evtl. eine verstellte oder verlagerte ZF-Frequenz hast, dann wird das Gerät empfindlich, an Stellen auf der Skala, wo die Sender überhaupt nicht arbeiten. Wenn man das ohne Meßsender macht, was bedingt möglich ist, muß man ganz bedacht vorgehen. An den ZF-Filtern aber lieber nicht drehen. Nobby hatte Dir da ja mal ein Schema übermittelt. Also nochmal, Uli, bei diesem Abgleich sei sehr vorsichtig und bedacht, sonst wird das nichts.

 1 2 3 4 5 .. 7
 1 2 3 4 5 .. 7
Sachsenwerk   Hochfrequenzeingangsteil   Antenne   radiouli   Schirmgitterkondensatoren   Rahmenantenne   wumpus-gollum-forum   Olympia   Ferritantenne   Festkondensator   Rückwand   die-rahmenantenne-%E2%80%93-dimensionierung-der-spule-als-teil-des-lc-resonanzkreises   Papierkondensatoren   Oszillator   französischsprachigen   Kapazitätsvariation   Kondensatoren   richtig   magisches   natürlich