| Passwort vergessen?
Sie sind nicht angemeldet. |  Anmelden

Sprache auswählen:

Wumpus Gollum Forum von
Wumpus Welt der (alten) Radios
Sie sind nicht angemeldet.
 Anmelden

Fidelio 56 keine Lautstärkeregelung möglich
  •  
 1 2 3
 1 2 3
10.01.14 21:02
saarwolf 

100-249 Punkte

10.01.14 21:02
saarwolf 

100-249 Punkte

Re: Fidelio 56 keine Lautstärkeregelung möglich

Hallo Alex,
das Gitterbrummen könnte normal sein. Ich würde mal noch in der Nähe des Lautstärkepotis prüfen. Hat das Poti eine Unterbrechung?
Könnte sein das der Fehler "vor dem Gitter" der EABC liegt ?

Gruß Wolfgang

!
!!! Fotos, Grafiken nur über die Upload-Option des Forums, KEINE FREMD-LINKS auf externe Fotos.    

!!! Keine Komplett-Schaltbilder, keine Fotos, keine Grafiken, auf denen Urheberrechte Anderer (auch WEB-Seiten oder Foren) liegen!
Solche Uploads werden wegen der Rechtslage kommentarlos gelöscht!

Keine Fotos, auf denen Personen erkennbar sind, ohne deren schriftliche Zustimmung.

Den Beitrag-Betreff bei Antworten auf Threads nicht verändern!
10.01.14 21:21
Wothan 

50-99 Punkte

10.01.14 21:21
Wothan 

50-99 Punkte

Re: Fidelio 56 keine Lautstärkeregelung möglich

Hm also wenn es hinter dem C+ 10M R noch brummen sollte, muß ich wohl gratulieren.... direkt dahinter tut sich garnichts mehr...
Ich vermute mal dass dann der Kondensator oder der Widerstand hin sind? Da ich den Kondensator schon mal auf verdacht getauscht hatte wird es wohl der Widerstand sein, nur wie ersetzt man Freitag abend um halb 10 einen 10MOhm Widerstand?! Vielleicht mit einem Stück trockenem Holz... :D
Nein im Ernst werde gleich mal schauen was ich machen kann und erstmal die Teile nachmessen.

Vielen dank schon mal soweit!

10.01.14 21:46
puntomane 

500 und mehr Punkte

10.01.14 21:46
puntomane 

500 und mehr Punkte

Re: Fidelio 56 keine Lautstärkeregelung möglich

Der 10M R liegt zwischen G1 und Masse und der C zwischen G1 und Schleifer des Lsr.
Versuche eine Bauteilerneuerung C und (oder) R erst einmal ohne Abschirmung, sollte es aber verstärkt neben dem Signal brummen, muss abgeschirmt werden, die Schirmung muss dann auch auf Masse

10.01.14 21:56
Wothan 

50-99 Punkte

10.01.14 21:56
Wothan 

50-99 Punkte

Re: Fidelio 56 keine Lautstärkeregelung möglich

Hm leider zu früh gefreut...

Also nach Ausbau der Teile und dem Messen zeigte sich: alles ok... 0,01 mikro und 10,4 MOhm
Trotzdem andere Teile versucht, aber leider gleiches Ergebnis: leiser dumpfer Klang und hinter C97 kein Brummen mehr...
Komisch dabei ist dass das Radio fast genauso gut spielt wenn die beiden Teile nicht verbaut sind...
Könnte vielleicht C103 daran schuld sein? Ist zumindest der Einzige der noch im gleichen Strang liegt.

@Wolfgang: Ist mit vor dem Gitter gemeint: vor der EABC80?

Zuletzt bearbeitet am 10.01.14 22:03

10.01.14 22:01
puntomane 

500 und mehr Punkte

10.01.14 22:01
puntomane 

500 und mehr Punkte

Re: Fidelio 56 keine Lautstärkeregelung möglich

Wenn an der Verdrahtung nichts geändert wurde, kanns nur noch dieser sein, sollte sich aber mittels Ohmmessung prüfen lassen. Zwischen Schleifer des Lsr. und Masse sollten ein veränderbarer Widerstand zwischen ca. 1M und 50 Ohm feststellbar sein.

Zuletzt bearbeitet am 10.01.14 22:05

10.01.14 22:49
Wothan 

50-99 Punkte

10.01.14 22:49
Wothan 

50-99 Punkte

Re: Fidelio 56 keine Lautstärkeregelung möglich

also bei abgelöteter C+R Einheit ergibt sich bei einer Messung gegen Masse exakt 50 Ohm, die sich nicht verändern.
Wenn der C+R der Schleifer Pin ist und die anderen Anschlüsse am Lsr keinen Einfluss haben, würde das bedeuten, dass der Schleifer auf Minimum steht und sich nicht mehr mit bewegt.... das wiederum könnte auf die Mechanik von Bandbreiten- und Lautstärkeregelung hindeuten, dann muss ich Wohl oder Übel den Regler mal ausbauen.... Oder habe ich da etwas übersehen?

10.01.14 23:23
nobbyrad58 

500 und mehr Punkte

10.01.14 23:23
nobbyrad58 

500 und mehr Punkte

Re: Fidelio 56 keine Lautstärkeregelung möglich

Hallo Alex!

Die Messungen der Spannungen waren doch zt. deutlich außerhalb der Toleranz. Anode EL84 statt 260V 220 V.
Es könnte ein Fehler im Netzteil oder AÜ oder dessen Peripherie sein. Ich habe keinen Schaltplan, hat das Radio halbautomatische - g1 Erzeugung? Die Röhren mal ziehen und dann das Netzeil messen. Es muss was sein was die Strom.- Spannungsbilanz merklich beeinflusst, defekte Röhren schließe ich mal aus, da getestet nehme ich an.

MFG Nobby

11.01.14 02:23
qw123 

500 und mehr Punkte

11.01.14 02:23
qw123 

500 und mehr Punkte

Re: Fidelio 56 keine Lautstärkeregelung möglich

Hallo Wothan,

Wothan:
Allerdings liegt nun die Problematik darin, dass ich nicht weiß wie ich den Abweichungen am besten nachgehe ;)
ganz einfach.
Indem Du die gemessenen Werte hier vorstellst und auf weitere Hilfestellung hoffst :-)

Wie auch 'Nobby' schon angemerkt hat, liegen die Werte für die Betriebsspannung so deutlich unter den nominellen Werten aus dem Schaltplan, daß man hier eingreifen sollte.

Ich sehe im Moment zwei mögliche Ursachen dafür:
a) durch die zu niedrige Gittervorspannung der EL84 zieht diese soviel zusätzlichen Strom aus dem Netzteil, daß ein zusätzlicher Spannungsabfall von ca. 40V entsteht. (weniger wahrscheinlich)
b) der Selengleichrichter hat durch Alterung einen zu hohen Innenwiderstand angenommen, sodaß an diesem die fehlenden 40V abfallen. (wahrscheinlicher)

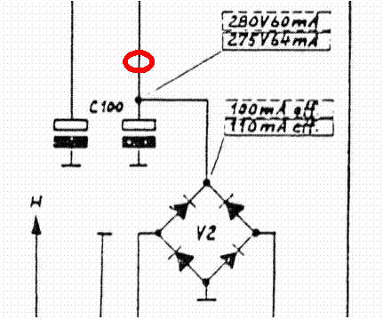
Die einfachste Möglichkeit, zwischen den beiden Fällen zu unterscheiden, ist eine Strom-Messung. Du trennst an der rot markierten Stelle auf (siehe Bild, vermutlich am 100µ-C) und mißt den Strom. Bei Stellung TA sollten es also 60mA sein.



Sind es mehr, EL84 austauschen oder Kathodenwiderstand vergrößern. Sind es 60mA oder weniger, Selengleichrichter (evtl. probeweise) durch Si-Brücke oder 4 passende Dioden ersetzen. Dann sollte auch die Spannung an dieser Stelle wieder stimmen (bzw. etwas zu groß sein bei Einsatz von Si).

Die zu niedrige Betriebsspannung muß nicht unbedingt die Ursache für die zu geringe Lautstärke sein.
Ich habe aber die Erfahrung gemacht, daß es immer besser ist, offensichtliche Defekte zuerst zu beheben, ehe man sich auf die Suche nach kniffligeren Fehlern macht.

Gruß

Heinz

Datei-Anhänge
wotan_01.gif wotan_01.gif (245x)

Mime-Type: image/gif, 13 kB

11.01.14 07:20
puntomane 

500 und mehr Punkte

11.01.14 07:20
puntomane 

500 und mehr Punkte

Re: Fidelio 56 keine Lautstärkeregelung möglich

Moin moin Alex,

deine Befürchtung hinsichtlich des Lsr. teile ich ebenfalls, nach dem du ermittelt hast, das kein vom Drehwinckel abhängiger Widerstand nachweisbar ist. Die Öffnung des Lsr. haben wir ja schon behandelt, der Rep. erolg des Lsr. ist relativ hoch.


Ich bitte an dieser Stelle, alle an diesem Tread teilhabenden Mitarbeiter um etwas Rückhaltung, um den TE nicht durch neue (zu viele) Meinungen zu verunsichern.
Wir haben bislang festgestellt dass das NF-Teil bis zum Steuergitter der EABC80, arbeitsfähig ist. Die leichten Spannungsabweichungen der DC Arbeitspannungen an der EL84 sind zwar NF-Leistungsmindernd jedoch nicht so tief das die Röhre nicht arbeiten könnte.
Den Grund dafür finden wir vermtl. in einem gealtertem und damit Leistungsschwachem Selengleichrichter, zuvor werden wir aber Feststellen in welcher Höhe sich die Heizspannung des Radios befindet, um Sie dann durch den Netzspannungswähler in der Umstellung 220 - 240 VAC so nah wie möglich an die enge Tolanz von +/- 0,2 VAC heranzustellen.
Wäre dann die Ub. des Gerätes immer noch zu tief und der Betriebsstrom nicht über dem Soll, käme ein Wechsel des Gleichrichters durch einen modernen Silizium Netzgleichrichter mit einem Vorwiderstand in Frage, zuerst aber möchten wir den TE durch eine grundsätzliche Spielbereitschaft des Radios mobilisieren um die dann Leistungssteigernden Maßnahmen zu realisieren.

Zuletzt bearbeitet am 11.01.14 07:21

11.01.14 12:26
nobbyrad58 

500 und mehr Punkte

11.01.14 12:26
nobbyrad58 

500 und mehr Punkte

Re: Fidelio 56 keine Lautstärkeregelung möglich

Hallo Zusammen!

Die Heizspannung ist ein guter Anhaltspunkt für die richtigen Spannungen im Netzteil. Bei einer Abweichung von mehr als 0,1 V mehr müsste die sek. Spannung am Anodenspannunswicklung schon gut Messbar über den angegebenen Wert sein. Bei 6,6 V z. B. könnte die Anodenspannung schon 20 V oder mehr nach oben abweichen.
Wie Harry schrieb erstmal für ein "sauberes" Netzteil sorgen. Die obige Aussage hab ich durch Messungen selber herausgefunden um das 220 V - 230 V Problem zu prüfen. Die Röhrenheizspannungen sollten möglichst genau eingehalten werden, die Netzteile sind bei 220 V Einstellung dafür konstruiert worden. Bei einer 240 V Einstellung könnte die Heizspannung zu niedrig sein, so 6,2 V sind aber auch auf die Dauer noch zu tolerieren.

MFG Nobby

 1 2 3
 1 2 3
Lautstärkeregelung   Gittertrennkondesator   NF-Leistungsmindernd   Gleichspannungsausgang   Ausgangssignalerzeugung   Betriebsgleichspannung   10MOhm-Gitterwiderstand   Lebensdauerverlängerung   wechselspannungsgekoppelt   Fidelio   Selengleichrichter   Röhrenheizspannungen   Anodenspannunswicklung   Anodenbetriebspannung   möglich   Leistungssteigernden   Original-Lautsprecher   Folienkondensatoren   bearbeitet   Spannungsabweichungen