| Passwort vergessen?
Sie sind nicht angemeldet. |  Anmelden

Sprache auswählen:

Wumpus Gollum Forum von
Wumpus Welt der (alten) Radios
Sie sind nicht angemeldet.
 Anmelden

Grundig 97 UKW- Empfang mit Störungen aber nicht immer.
  •  
 1 2
 1 2
20.07.14 13:34
radiorolli 

50-99 Punkte

20.07.14 13:34
radiorolli 

50-99 Punkte

Re: Grundig 97 UKW- Empfang mit Störungen aber nicht immer.

Hallo Rainer,

ich habe gerade meinen Modulator für Mittelwelle angeschlossen. Die eingespeiste Musik ist laut und klar. Ich kann die Lautstärke nicht so weit audrehen weil es extrem laut wird. Der Klang verliert beim lauter drehen nicht an Tiefe. Die abgegebene Frequenz 840KHz des Modulators stimmt mit dem angezeigten Wert auf der Skalenscheibe überein. An TA TB habe ich noch nichts angeschlossen aber mit einem Schraubendreher getestet. Beim anfassen des blanken Metalls des Schraubendreher zusammen in die TA TB- Buchse, brummt der Lautsprecher stark. Laut Schaltplan müsste dies auch i.O. sein wenn MW richtig funktioniert.

Als ich das Radio bekommen hatte, war dieser Fehler schon da. Beim öffnen des Radios habe ich gesehen, dass auch jemand in der UKW- Box war. In der Box aber wurde nichts verändert. Alles Bauteile waren noch original. Es wurde auch nichts gelötet. Scheinbar hatte der Vorbesitzer auch verzweifelt den Fehler gesucht, bis nur noch die UKW- Box übrig war.

Es klingt alles seltsam, aber das Radio funktioniert tatsächlich nicht richtig.

Gruß

Matthias

!
!!! Fotos, Grafiken nur über die Upload-Option des Forums, KEINE FREMD-LINKS auf externe Fotos.    

!!! Keine Komplett-Schaltbilder, keine Fotos, keine Grafiken, auf denen Urheberrechte Anderer (auch WEB-Seiten oder Foren) liegen!
Solche Uploads werden wegen der Rechtslage kommentarlos gelöscht!

Keine Fotos, auf denen Personen erkennbar sind, ohne deren schriftliche Zustimmung.

Den Beitrag-Betreff bei Antworten auf Threads nicht verändern!
20.07.14 15:51
Volker 

500 und mehr Punkte

20.07.14 15:51
Volker 

500 und mehr Punkte

Re: Grundig 97 UKW- Empfang mit Störungen aber nicht immer.

Hallo Matthias,

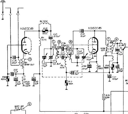
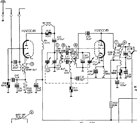
dieses plötzliche Aussetzen erinnert mich an defekte Trimmkondensatoren. Wenn der Trimmkondensator C47 im UKW-Teil ausfällt, dann wird der Empfang schwächer und verrauscht. Der C47 gehört nicht zum Oszillatorkreis und ist relativ unkritisch zu ersetzen. Vielleicht einfach mal mit Tunerspray reinigen und etwas verdrehen. Mein Tipp ist aber unter Vorbehalt, da ich den Tuner selbst noch nicht geöffnet habe. Aber alte Trimmkondensatoren haben oft ihre Macken.

Da fällt mir was ein. Tritt der Fehler am unteren oder oberen Bandende stärker in Erscheinung? Wenn er am oberen Bandende stärker in Erscheinung tritt, dann spricht das für den Defekt des C47.



Vielleicht hat auch der Drehko eine defekte Lötstelle. Hier am Drehko treten Kräfte durch die Sendereinstellung auf, die an den Bauteilen und an den Lötstellen zerren.

Ich habe selbst einen Grundig 97. Deshalb interessiert mich das sehr.

Zuletzt bearbeitet am 20.07.14 15:55

Datei-Anhänge
grundig97ukwteil.png grundig97ukwteil.png (356x)

Mime-Type: image/png, 24 kB

20.07.14 17:58
wumpus 

Administrator

20.07.14 17:58
wumpus 

Administrator

Re: Grundig 97 UKW- Empfang mit Störungen aber nicht immer.

Hallo Matthias,

mir kam es mit meinen Fragen an sicherzustellen, dass der beschriebene Fehler wirklich im UKW-Teil liegt, das war nach der Beschreibung nicht ganz klar.

Jetzt kann ich fast beruhigt feststellen: Der Fehler liegt wohl tatsächlich im UKW-Teil, obwohl die Bassgeschichte in diesem Zusammenhang nicht ganz schlüssig ist.

Weitere Frage:

Hast Du ein zweites Radio mit UKW-Teil und Wechselstromversorgung? Dann könntest Du von diesem testweise das herausgehende UKW-ZF-Signal auf den UKW Ausgang des defekten Gerätes leiten. Erst wenn jetzt UKW nicht mehr aussetzt, wäre ich hinsichtlich der Fehlerquelle beruhigt



Gruß von Haus zu Haus
Rainer (Forumbetreiber)

20.07.14 18:15
Volker 

500 und mehr Punkte

20.07.14 18:15
Volker 

500 und mehr Punkte

Re: Grundig 97 UKW- Empfang mit Störungen aber nicht immer.

Hallo Rainer,

das Fehlen der Bässe war mir auch nicht klar. Wenn die UKW-Sender aber verrauscht sind, dann hat man subjektiv den Eindruck, dass die Bässe fehlen. Ich habe es mir angehört.

21.07.14 18:01
radiorolli 

50-99 Punkte

21.07.14 18:01
radiorolli 

50-99 Punkte

Re: Grundig 97 UKW- Empfang mit Störungen aber nicht immer.

Hallo zusammen,

dass UKW-Teil ist i.O. Ich habe es so gemacht wie Rainer es vorgeschlagen hat. Dazu habe ich meine Philetta genommen. Den UKW- Ausgang der Philetta habe abgelötet und ein geschirmtes Kabel angelötet. Dieses habe ich dann im Grundig an der ECH 81 angelötet. Zuvor hatte ich natürlich das UKW- Teil vom Grundig von der ECH 81 abgelötet. Der Test erghab, die Sender von der Philetta waren nicht sehr laut und schlecht. Genauso schlecht wie zuvor beim Grundig. Das Ganze habe ich auch andersherum gemacht. Die Sender vom Grundig waren in der Philetta sehr klar und mit gutem Klang. Die Lautstärke war genau so leise wie beim 1. Experiment. Warum das so mit der Lautstärke ist weiß ich noch nicht. Demnach ist die UKW- Box i.O. Nun kann ich die Box in ruhe lassen, und suchen wo das Signal an stärke verliert. Klingen tut das Radio so als wäre eine schlechte Antenne dran. Ich hoffe das in den ZF- Stufen kein Bauteil defekt ist. Der seltsame Effekt, das dass Radio plötzlich laut, klar und mit hervorragendem Empfang spielt ist nicht mehr aufgetreten.

Ich werde weiter suchen.

Gruß Matthias

21.07.14 19:23
laurel1 

500 und mehr Punkte

21.07.14 19:23
laurel1 

500 und mehr Punkte

Re: Grundig 97 UKW- Empfang mit Störungen aber nicht immer.

Hallo Matthias,

ich möchte noch einmal auf den Tastensatz zurückkommen. Dieser ist ja etwas eigenwillig aufgebaut, beim betätigen der UKW Taste wird ein Doppelschieber betätigt.
Also zwei Schalter auf ein mal und da könnte der Hase im Pfeffer liegen. Wenn der Doppelschieber aus einem Stück besteht, sollte es keine Probleme geben und der Fehler wäre woanders zu suchen. Sind es aber zwei einzelne Schieber, welche gemeinsam betätigt werden, sieht es schon anders aus. Schieber Schalter D wäre mein Kandidat, wenn dieser beschädigt, ausgehakt etc. ist und dadurch nicht richtig schaltet, würde es Dein Problem erklären. Hier sind auch Ebenen welche bei UKW öffnen sollen, brücken bringt da nichts. Der Schalter greift auch in die ZF Filter 1 ein, also ein heißer Kandidat.

Beste Grüße
Peter

Zuletzt bearbeitet am 21.07.14 19:25

27.07.14 16:45
radiorolli 

50-99 Punkte

27.07.14 16:45
radiorolli 

50-99 Punkte

Re: Grundig 97 UKW- Empfang mit Störungen aber nicht immer.

Hallo zusammen,

habe den Fehler gefunden! Der c38 = 20pF war die Ursache.



Dieser ist nicht defekt, sondern extrem verschmutzt. Durch die langen Anschlussdrähte lag er direkt am Spulenkörper an. Die Vorderseite war sauber wie auf dem Foto, aber die Rückseite zwischen Spulenkörper und Kondensator hat sich eine klebriche Schicht gebildet. Diese Schicht hat zudem den Kondensator hochohmig werden lassen. Dieser Effekt war auch zeitweilig verschwunden. Dadurch das dieser Kondensator regelrecht an der Spule klebte, war die schwarze Schicht in ihrem gesamten Umfang nicht sichtbar.





Übrigens sah es auch so schwarz in der UKW- Box aus.

Vielleicht stand das Radio früher erst jahrelang in einer Küche und später lange Zeit in einer Werkstatt. Wenn dort Metall verarbeitet wurde, könnten sich durch Schleifarbeiten winzigste metallische Staubteile gebildet haben die dann nach und nach in das Radio gezogen sind. Diese blieben dann auf dem klebrichen Küchendreck kleben. Nur eine Theorie.

Ein kleiner Fehler mit großer Wirkung, wer hätte das gedacht.

Danke für die Mithilfe! Alle Fehlerursachen die hier vorgebracht wurden sind sehr nützlich, weil dieses Problem auch anders verursacht werden kann.

Beste Grüße

Matthias

Datei-Anhänge
grundig97.jpg grundig97.jpg (346x)

Mime-Type: image/jpeg, 114 kB

c38a.jpg c38a.jpg (352x)

Mime-Type: image/jpeg, 91 kB

c38b.jpg c38b.jpg (366x)

Mime-Type: image/jpeg, 99 kB

01.08.14 10:40
Volker 

500 und mehr Punkte

01.08.14 10:40
Volker 

500 und mehr Punkte

Re: Grundig 97 UKW- Empfang mit Störungen aber nicht immer.

Hallo Matthias,

Gratulation zu Reparatur! Das ist schon bemerkenswert mit der Dreckschicht, die sehr niederohmig sein muss, da die angeschlossene Antenne mit ihrer theoretischen Antennenimpedanz nur 240 Ohm hat. Das hätte ich nie gedacht. Der Dreck sieht wie verschmutztes Wachs aus.

Bist du sicher, dass es die Dreckschicht war? Durch das Auslöten und Herumbiegen können ja auch kalte Lötstellen und Wackelkontakte verschwinden. Mir ist nicht klar, wie Dreck auf einem Kondensator Wackelkontakte erzeugen kann.

Zuletzt bearbeitet am 01.08.14 10:48

01.08.14 11:42
MB-RADIO 

500 und mehr Punkte

01.08.14 11:42
MB-RADIO 

500 und mehr Punkte

Re: Grundig 97 UKW- Empfang mit Störungen aber nicht immer.

radiorolli:
Diese Schicht hat zudem den Kondensator hochohmig werden lassen.

Beste Grüße
Matthias

Hallo Matthias,

das glaube ich auch nicht. Wenn schon, dann wird der C bei Feuchtigkeit niederohmig.
Aber ich vermute auch das , was Volker schreibt.

Es gibt auch Radiozupfer. Die Zupfen und biegen an den Bauelementen herum und welch ein Wunder, das Radio funktioniert wieder.
Durchrchs Biegen und Zupfen wird der schlechte Kontakt oft auch für längere Zeit beseitigt.

Viele Grüße
Bernd

03.08.14 15:24
radiorolli 

50-99 Punkte

03.08.14 15:24
radiorolli 

50-99 Punkte

Re: Grundig 97 UKW- Empfang mit Störungen aber nicht immer.

Hallo zusammen,

ehrlich gesagt glaube ich selber nicht daran. Es wird wohl wieder Zufall gewesen sein, nur diesmal hält er länger an. Die langen Anschlussdrähte des Kondensators waren auch nicht versehentlich zusammengekommen. Ich habe schon über 100 Radios restauriert und bin kein Anfänger. Nur so was nervraubendes wie diesen Fehler hatte ich noch nie. Wenn der Fehler auftritt, kommt er jedes Mal von selbst und verschwindet auch von selbst, deshalb vermute ich was anderes. Wenn der merkwürdige Effekt wieder auftritt, werde ich den Fehler wenn ich ihn gefunden habe hier ins Forum schreiben.

Gruß

Matthias

 1 2
 1 2
Kathodenwiderstand   Regelspannungserzeugung   Ausfallwahrscheinlichkeit   Sendereinstellung   Grundig   Papierkondensator   Keramikkondensatoren   Störungen   Versorgungsspannungen   Funktioniert   Fehlereingrenzung   Trimmkondensatoren   temperaturkompensierten   Pertinaxstreifchen   Brückengleichrichter   Empfang   Matthias   Wechselstromversorgung   frequenzbestimmenden   Papierkondensatoren