| Passwort vergessen?
Sie sind nicht angemeldet. |  Anmelden

Sprache auswählen:

Wumpus Gollum Forum von
Wumpus Welt der (alten) Radios
Sie sind nicht angemeldet.
 Anmelden

Imperial Stassfurt 50WK
  •  
 1 2 3
 1 2 3
12.05.15 18:48
nobbyrad58 

500 und mehr Punkte

12.05.15 18:48
nobbyrad58 

500 und mehr Punkte

Re: Imperial Stassfurt 50WK

Hallo Friedrich!

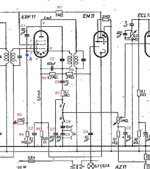
Das waren keine Anweisungen! Nur Vorschläge. Aber zurück zum Thema, das mag. Auge wird von der neg. AVC = Automatic Volume Control gesteuert. Nur bei dieser Schaltung nicht. An den g1 der ECH und EBF muss eine neg. Regelspannung oder -g1 sein. Die ECH wird direkt, also ohne Kathodenwiderstände mit der -g1 versorgt. Dort muss eine AVC Spannung sein.
Wie hoch ist die Spannung direkt an der rechten Diodenstrecke gemessen? Über dem 0,2M R? Verbindung zum 10 nF Koppel C lösen. Hat die EBF auch ohne Signal (ohne Antenne) eine Positive Kathodenspannung? Errechnet hab ich 1,26 V. Genau diese Spannung muss auch an der Kathode der EM sein. Eine kleine Ungereimtheit ist mir aufgefallen: Das g1 der EM ist mit der positiven Kathodenspannung an der Kathode der EBF verbunden, probiere einfach mal den 0,2M direkt an Masse zu legen.
Haben andere auch noch eine Idee?

MFG Nobby

Zuletzt bearbeitet am 12.05.15 19:00

!
!!! Fotos, Grafiken nur über die Upload-Option des Forums, KEINE FREMD-LINKS auf externe Fotos.    

!!! Keine Komplett-Schaltbilder, keine Fotos, keine Grafiken, auf denen Urheberrechte Anderer (auch WEB-Seiten oder Foren) liegen!
Solche Uploads werden wegen der Rechtslage kommentarlos gelöscht!

Keine Fotos, auf denen Personen erkennbar sind, ohne deren schriftliche Zustimmung.

Den Beitrag-Betreff bei Antworten auf Threads nicht verändern!
12.05.15 20:36
friedrich-kutnik 

500 und mehr Punkte

12.05.15 20:36
friedrich-kutnik 

500 und mehr Punkte

Re: Imperial Stassfurt 50WK

Hallo Nobby,

danke. Ich werde probieren. Ich habe auch die Schaltplan bisschen "verbesert", damit leichter sich unterhalten.






MfG Friedrich

Datei-Anhänge
11.jpg 11.jpg (309x)

Mime-Type: image/jpeg, 239 kB

13.05.15 18:46
nobbyrad58 

500 und mehr Punkte

13.05.15 18:46
nobbyrad58 

500 und mehr Punkte

Re: Imperial Stassfurt 50WK

Hallo Friedrich!

Hab mir das noch mal genauer angeschaut. Das Steuergitter, einfach mal g der EM11 hat das GLEICHE Potenzial wie die Kathode dieser Röhre. Das heißt es ist gegen Masse + positiv. Daher auch Deine Messengen mit +. Das g der EM11 ist über R6 und R2 mit der Kathode der EBF11 verbunden. Um eine negative Anzeigespannung zu erhalten muss am Knotenpunkt R3, R6, C3 eine neg. Spannung sein die Höher als die +1,26 V am g der EM11. Bei - 1 V also 1,26 + 1 =~ - 2,5 V. Diese müsste über R2 zu messen sein. An der Anode Diodenstrecke ist -. Auch wenn kein Sender zu empfangen ist, Antenne Erde gebrückt im Eingangskreis sollten - 1,5 V über R2 zu messen sein.
An Punkt A wird eigentliche AVC zu messen sein. Sie sollte mind. ohne Eingangssignal bei -2 V sein am g1 H der ECH11 und der EBF11. Damit es überhaupt mal klappt könnte man R6 vom Kontenpunkt R2 C2 lösen und dort wo Du das rote Kreuz gemacht hast, bei R3 verbinden.

MFG Nobby

Zuletzt bearbeitet am 13.05.15 18:46

13.05.15 19:47
friedrich-kutnik 

500 und mehr Punkte

13.05.15 19:47
friedrich-kutnik 

500 und mehr Punkte

Re: Imperial Stassfurt 50WK

Hallo Nobby,

danke für die Hilfe.
Ich soll jetzt ein paar Tage Pause machen.
Nachher probiere ich das alles realisieren, was Du schreibst, und benachrichtige.


MfG Friedrich

 1 2 3
 1 2 3
Stassfurt   Gittervorspannungen   Spannung   Gitterableitwiderstand   Papierkondensatoren   Kathodenwiderstände   Regelspannungserzeugung   Koppel-Kondensator   Friedrich   Vorspannungserzeugung   Isolationswiderstand   Anodenspannung   Gittervorspannungsrzeugung   Koppelkondensatoren   Kondensator   Isolationsprüfgeräte   Imperial   Forumbetreiber   Tetroden-Steuergitter   spannungsabhängiger