| Passwort vergessen?
Sie sind nicht angemeldet. |  Anmelden

Sprache auswählen:

Wumpus Gollum Forum von
Wumpus Welt der (alten) Radios
Sie sind nicht angemeldet.
 Anmelden

VE 301 dyn Fehler bei den Kondensatoren ?
  •  
 1 .. 4 5 6 7 8 .. 12
 1 .. 4 5 6 7 8 .. 12
19.02.13 21:47
joeberesf 

500 und mehr Punkte

19.02.13 21:47
joeberesf 

500 und mehr Punkte

Re: VE 301 dyn Fehler bei den Kondensatoren ?

Hallo Thomas,

aber im Video hast Du das typische Geräusch gehört....oder? Das muss Dein Gerät auch machen.

Gruß

joe

!
!!! Fotos, Grafiken nur über die Upload-Option des Forums, KEINE FREMD-LINKS auf externe Fotos.    

!!! Keine Komplett-Schaltbilder, keine Fotos, keine Grafiken, auf denen Urheberrechte Anderer (auch WEB-Seiten oder Foren) liegen!
Solche Uploads werden wegen der Rechtslage kommentarlos gelöscht!

Keine Fotos, auf denen Personen erkennbar sind, ohne deren schriftliche Zustimmung.

Den Beitrag-Betreff bei Antworten auf Threads nicht verändern!
19.02.13 21:51
Detektor7765 

500 und mehr Punkte

19.02.13 21:51
Detektor7765 

500 und mehr Punkte

Re: VE 301 dyn Fehler bei den Kondensatoren ?

Hallo Joe,
ja das habe ich gehört.
Aber mein Gerät macht garnichts in der Richtung. Es Rauscht nicht einmal.
Und wen ich den Sender scharf stellen will dan kommt auch kein Pfeifen .
Kann das an der Elektronik liegen ?

19.02.13 22:04
joeberesf 

500 und mehr Punkte

19.02.13 22:04
joeberesf 

500 und mehr Punkte

Re: VE 301 dyn Fehler bei den Kondensatoren ?

Hallo Thomas,

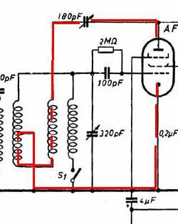
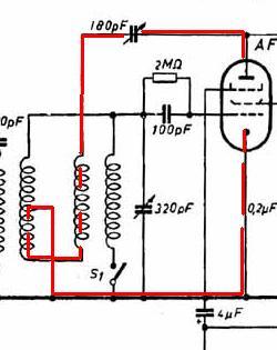
hier ein Bild vom Rückkopplungskreis. Überprüfe im ausgeschalteten Zustand die Verbindungen.
Du hattest doch ein Problem mit Deiner Spule? Waren das die Rückkopplungswindungen?

Verändert sich wenigstens ein bisschen der Empfang, wenn Du am Quetscher drehst? Oder ist es so,
als ob er garnicht da wäre...?

Gruß

joe



Zuletzt bearbeitet am 19.02.13 22:15

Datei-Anhänge
VE Rückkopplungszweig.JPG VE Rückkopplungszweig.JPG (231x)

Mime-Type: image/jpeg, 16 kB

19.02.13 22:15
Detektor7765 

500 und mehr Punkte

19.02.13 22:15
Detektor7765 

500 und mehr Punkte

Re: VE 301 dyn Fehler bei den Kondensatoren ?

Hallo Joe,
ja das war die Rückkopplungsspule.
Aber ich habe eine "neue" bekommen und Eingebaut.
Also wen ich am Quetscher drehe dan merkt man schon
das ich gedreht habe. Ich kann z.B. Sender die auf einer
Frequenz sind trennen.Nur bei mir ist nicht dieser Typische
Pfeifton.

19.02.13 22:26
joeberesf 

500 und mehr Punkte

19.02.13 22:26
joeberesf 

500 und mehr Punkte

Re: VE 301 dyn Fehler bei den Kondensatoren ?

Hallo Thomas,

wenn Du besser trennen kannst, dann funktioniert die Rückkopplung
schon etwas. Das ist sehr gut. Dafür ist die Rückkopplung ja da. Nun
kommt wieder die Frage nach der Antenne...also fängst Du genug HF damit ein?

Wie lang ist die Antenne im Zimmer? Oder hast Du einen Außenantennendraht gespannt?

Gruß

joe

19.02.13 22:30
Detektor7765 

500 und mehr Punkte

19.02.13 22:30
Detektor7765 

500 und mehr Punkte

Re: VE 301 dyn Fehler bei den Kondensatoren ?

Hallo Joe,
also eigentlich müsste diese Antenne reichen.
Sie geht von mein Fenster aus in den Garten und
dort habe ich sie am Zaun lang gespannt. Es sind so
ca. 8 - 10 m. Aber es ist nur dünnes Kabel. Es ist fast
das selbe Kabel wie auf den Rückkopplungsspulen.

Ich mache noch mal ein Video, jetzt habe ich besseren
Empfang.

Zuletzt bearbeitet am 19.02.13 22:43

19.02.13 22:45
joeberesf 

500 und mehr Punkte

19.02.13 22:45
joeberesf 

500 und mehr Punkte

Re: VE 301 dyn Fehler bei den Kondensatoren ?

Hallo Thomas,

der Zaun ist aber nicht aus Metall...oder? Wenn ja, dann spanne den Draht lieber in Deinem Zimmer
hin und her. Nicht das Deine Antenne am Zaun gleich wieder geerdet wird.
Hast Du die Anschlüsse der Rückkopplungsspule richtig herum angelötet. Der Wicklungssinn
ist bei dieser Art der Rückkopplung oft entgegengesetzt zur Schwingkreisspule. In den Plänen
häufig nicht ersichtlich.

So Thomas,..viel Erfolg und gute Nacht.

joe

19.02.13 22:49
Detektor7765 

500 und mehr Punkte

19.02.13 22:49
Detektor7765 

500 und mehr Punkte

Re: VE 301 dyn Fehler bei den Kondensatoren ?

Hallo Joe,
also ich habe ja eine Komplette Spule, mit Halterung bekommen.
Also auch diese zwei kleineren Spulen sind Automatisch mit ersetzt.
Ich habe die Drähte so angelötet wie sie zuvor bei der Alten dran waren.
Vom Theoretischen her dürfte eigentlich alles Richtig sein.

Bis Morgen, Joe... Gute Nacht.

Nachtrag:

Hier noch einmal ein Video vom VE.
Ich hatte gestern eine Kurze Zeit noch einmal besseren Empfang und
in dem Video kann man es zum Schluss recht gut hören.

Nur komischerweise kommt bei mir nie dieser Pfeifton .

Zuletzt bearbeitet am 19.02.13 23:47

20.02.13 00:16
Ronn 

500 und mehr Punkte

20.02.13 00:16
Ronn 

500 und mehr Punkte

Re: VE 301 dyn Fehler bei den Kondensatoren ?

Hallo Thomas,

auch hier arbeitest Du primär nur wieder mit der Senderabstimmung und der Antennenkopplung, die Rückkopplung vernachlässigst Du sträflichst. Der Empfänger ist deshalb in großen Teilen des Bandes "taub". Den Pfeifton bekommst du so auch nicht. Bitte ließ die Bedienungsvorschrift des Gerätes genau durch.

Was den Einbau des Spulensatzes angeht: Wurden die Spulen auf dem Spulenkörper wie empfohlen nochmals fixiert? Sind die Spulen ggf. verschoben wurden oder gar vom Spulenkörper gerutscht? Wenn ja, sind eventuell einige Windungen verlorengegangen? Wurde die HF-Litze auch wirklich richtig verlötet oder ist eventuell gar noch eine Isolationsschicht vorhanden? => Lötstellen prüfen ggf. auch mal die Spulen durchmessen ob die Induktivität passt. Wenn einige Windungen verloren gegangen sind, sinkt die Induktivität, es kommt zu Veränderungen/Verschiebungen im Empfangsbereich (=> siehe oben deine Skalenabweichung, eine mögliche Ursache).

Beste Grüße
Ronn

Zuletzt bearbeitet am 20.02.13 00:26

20.02.13 07:07
nobbyrad58 

500 und mehr Punkte

20.02.13 07:07
nobbyrad58 

500 und mehr Punkte

Re: VE 301 dyn Fehler bei den Kondensatoren ?

Hallo Thomas!

In einem früheren Beitrag schreibst Du das die R C Kombination am Gitter der AF 7 2 M 100 pF (cm) gemessen hast und keine 2 M da waren. Diese beiden Bauteile sind für den Empfang essentiell. Eine Möglichkeit wäre das verpolen der Rückkopplung, oder ob die Rückkopplung überhaupt geht, mal die Verbindung am Quetscher ablöten. Ob sich da was verändert. Das Skalenseil schein falsch aufgelegt zu sein, der Zeiger läuft in die entgegengesetzte Richtung wie der Abstimmknopf, das ist aber für die Funktion des Radios erstmal nicht so wichtig.

MFG Nobby

 1 .. 4 5 6 7 8 .. 12
 1 .. 4 5 6 7 8 .. 12
Detektor7765   RusWWZiWnM&feature=youtu   Rückkopplungswindungen   Kondensatoren   Rückkopplungsspule   Mittelwellenoszillator   Kondensator   Zuletzt   bearbeitet   Rückkopplungsfrequenz   v=p4dDROa2iQg&feature=youtu   Antenne   Vorschalttransformatoren   Grüße   eigentlich   Funktioniert   Schwingkreisdimensionierung   richtig   Rückkopplung   v=Zrxg7w6qnvI&feature=youtu