| Passwort vergessen?
Sie sind nicht angemeldet. |  Anmelden

Sprache auswählen:

Wumpus Gollum Forum von
Wumpus Welt der (alten) Radios
Sie sind nicht angemeldet.
 Anmelden

Tek, 305 DMM (Reparatur)
  •  
 1 2 3
 1 2 3
28.05.10 20:00
Martin.M 

500 und mehr Punkte

28.05.10 20:00
Martin.M 

500 und mehr Punkte

Tek, 305 DMM (Reparatur)

hallo alle,

hier gehts um einen kleinen Portable Oskar, Tek 305 DMM.

Gerät: 2 Kanal Chopper (kein Dual Beam), mit zusätzlich eingebautem Multimeter.
Bj: 305 wurde ab 1976 gebaut
Versorgung: Netz, intern Accu, extern DC

Fehler, Übersicht:

1. kein Accu eingebaut, fehlt
2. Oskar ohne Funktion, tot
3. Multimeter arbeitet tadellos.

Schaltplan vorhanden? ja.

Zunächst Untersuchung der Versorgung und ihrer Umgebung, Messen der CRT Heizung usw.
Dann schaun wir mal weiter.











nette Grüße
Martin

Datei-Anhänge
305 010.JPG 305 010.JPG (431x)

Mime-Type: image/jpeg, 91 kB

305 007.JPG 305 007.JPG (460x)

Mime-Type: image/jpeg, 123 kB

305 006.JPG 305 006.JPG (423x)

Mime-Type: image/jpeg, 112 kB

305 008.JPG 305 008.JPG (440x)

Mime-Type: image/jpeg, 144 kB

305 009.JPG 305 009.JPG (442x)

Mime-Type: image/jpeg, 133 kB

Storm gefällt der Beitrag.
!
!!! Fotos, Grafiken nur über die Upload-Option des Forums, KEINE FREMD-LINKS auf externe Fotos.    

!!! Keine Komplett-Schaltbilder, keine Fotos, keine Grafiken, auf denen Urheberrechte Anderer (auch WEB-Seiten oder Foren) liegen!
Solche Uploads werden wegen der Rechtslage kommentarlos gelöscht!

Keine Fotos, auf denen Personen erkennbar sind, ohne deren schriftliche Zustimmung.

Den Beitrag-Betreff bei Antworten auf Threads nicht verändern!
29.05.10 16:38
Martin.M 

500 und mehr Punkte

29.05.10 16:38
Martin.M 

500 und mehr Punkte

Re: Tek, 305 DMM (Reparatur)

hallo Freunde,

hier erste Ergebnisse.

Der kleine Oskar hat ziemliche Angst um seine Gesundheit, es ist ernst...

Versorgungs-Checkup:

1.) So ziemlich alle Spannungen die im Bereich Bildröhre benötigt werden entstehen in einem einzigen DC-DC Wandler,
u.a. hat der auch eine separate Sekundärwicklung für die Heizung der Bildröhre. Die Prüfung all dieser Sachen ergab: OK.

2.) ich zog den Stecker der die Heizung versorgt und hab den mal auf Durchgang gemessen: annähernd Null Ohm

3.) nun hab ich Bildröhre ausgebaut und die Heizung direkt gemessen: 2,9 Ohm das sieht OK aus.

4.) dann hab ich nochmal den Stecker (Ausgang DC DC Wandler -> Heizung) gemessen, diesmal bei abgezogenem Bildröhrensockel: immernoch annähernd Null Ohm

Verdacht: Bildröhre heizt nicht.

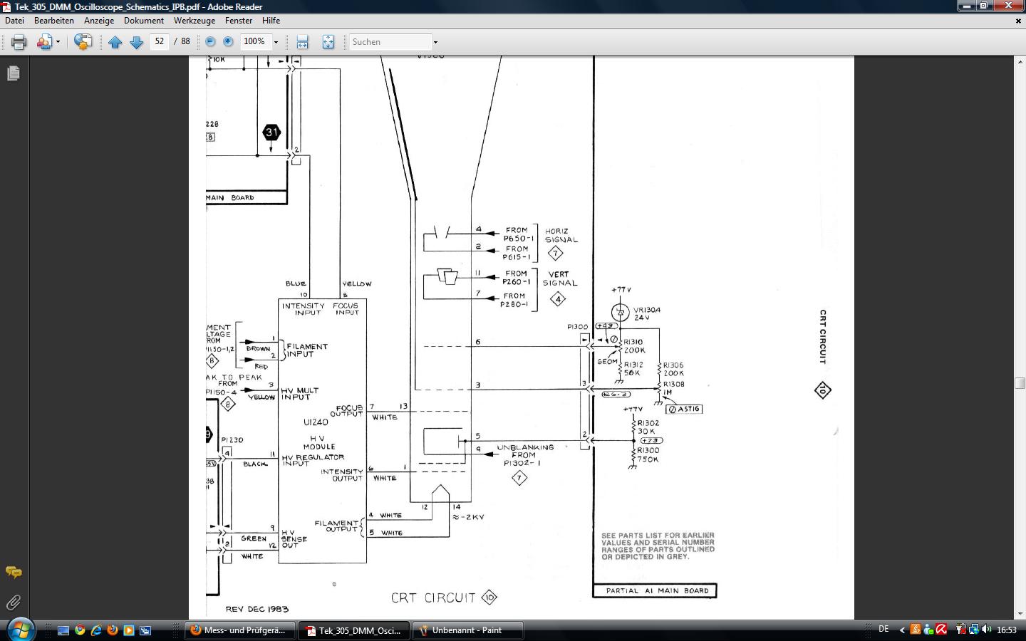
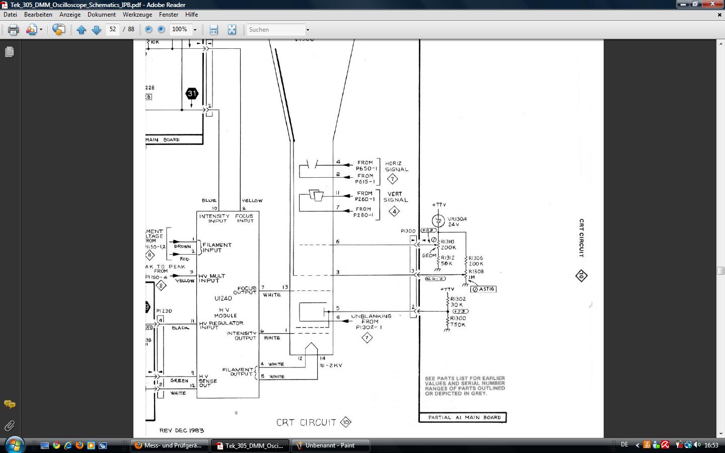
Das Heizkabel vom DCDC kommend geht in ein vergossenes HV Modul (s. Bild 3, das rot vergossene Ding, pin 1+2), da sitzt auch die Kaskade mit drin und ein par andere Sachen für Kontrast usw, es hat viele Kabel. Fertigteil von Murata. Warum das Ein- und Ausgänge (pin 4+5) für die Heizung hat, ich tipp auf Potential der Heizung anpassen zur Kathode, einen "Heiztrafo" wird man da gewiss nicht drin finden.
Da die Heiz-Eingänge untereinander niederohmig oder gar kurzgeschlossen sind, könnte es kaputt sein.

Weiteres Vorgehen:

Nachfragen ob solche Module heiz-eingangsseitig offen oder niederohmig sind,

ggf. in Kanada nach so einem Modul schauen.



nette Grüße
Martin

Datei-Anhänge
305-1.jpg 305-1.jpg (437x)

Mime-Type: image/jpeg, 116 kB

29.05.10 23:58
ingodergute 

Moderator

29.05.10 23:58
ingodergute 

Moderator

Re: Tek, 305 DMM (Reparatur)

Hallo Martin,

das sieht ja aus nach direkt geheizter Bildröhre. Könnte evtl. doch ein 1:1 Heiztrafo drin sein? - dessen Aufgabe darin besteht die Heizleitung galvanisch zu entkoppeln und dann auf -2kV zu legen? Dann könnte dieser Trafo vielleicht ein Problem haben ?
Du könntest ja eine Glühlampe statt der Heizung einmal vor und dann nach dem HV-Modul anklemmen.

Gruß Ingo.

30.05.10 00:45
roehrenfreak

nicht registriert

30.05.10 00:45
roehrenfreak

nicht registriert

Re: Tek, 305 DMM (Reparatur)

Hallo Martin,

Ingos Argument bzgl. der Heizung unterstütze ich. D.h. der Widerstand zwischen den "sekundär"-Heiz-Anschlüssen des HV-Moduls sind sinnig. Nun ergibt sich nach Studium des Schaltplan-Ausschnitts eine Frage: Liegt am HV-Modul, Filament Input (Heizfaden Eingang), Pins 1 und 2 Spannung an? Das Haupt-Netzteil, welches die Heizspannung an das HV-Modul liefert - ist es ein Schaltnetzteil? Achtung: Mit höherfrequenten Wechselspannungen (>500Hz) kommen die meisten einfachen Digital-Multimeter nicht zurecht und zeigen eher die Lottozahlen der letzten zehn Jahre an!

Freundliche Grüsse,
Jürgen rf

Noli turbare circulos meos (Störe meine KREISE nicht! - Archimedes)

Zuletzt bearbeitet am 30.05.10 00:54

30.05.10 09:03
Martin.M 

500 und mehr Punkte

30.05.10 09:03
Martin.M 

500 und mehr Punkte

Re: Tek, 305 DMM (Reparatur)

hallo und danke,

Ich tu mich noch etwas schwer damit die Schaltung zu verstehen,
Da ist kein HV Kabel nach vorne, wo hat das die Anode ?
Wo hat das die Kathode, ist das Röhre pin 9 oder wenns direkt heizt was ich nichtso recht glaube, der Heizfaden selbst?

Weiter. Minus 2kV steht neben pin14, es könnte so sein, daß die Kathode auf -2kV steht, und Anode einfach geerdet ?
Dann müßte die aber mächtig isloliert sein !

Der Konverter der das Modul füttert, ob das ein SNT ist.. ich sag mal eher nein.
Push-Pull-Wandler mit Topfkern und annähernd trapezförmiger Amplitude.

Anlieferung HV Modul, Pin1+2 , Heizung AC direkt vom Topfkern, potentialfrei.
Zu Pin 3 liefert er AC 500V, gegen Masse.

Bislang sind geprüft:
Ausgang Heizwicklung des DCDC Wandlers: OK
dto, 500V OK

Abgezogenes Modul, Pin 1+2: < 1Ohm
Bildröhre, Heizanschlüsse: 2.9 Ohm.

Jetzt wird gemessen: Modul, Pin 4+5

Anm.
Das der nicht heizt ist noch "Vermutung", nicht Gewissheit.
Ich sah nichts glühen, was bei Stromspartechnik wenig aussagt.

anbei SP vom DCDC Wandler.
Oben rechts ist ein SP1150 Stecker, das ist unser Stöpsel wo ich abgezogen hatte um zu messen. Heizung und 500v.
Der Topf ist sichtbar, letztes Foto, untere Etage Netzteil, Bildmitte.

nette Grüße
Martin

Zuletzt bearbeitet am 30.05.10 10:06

Datei-Anhänge
305-2.jpg 305-2.jpg (518x)

Mime-Type: image/jpeg, 91 kB

30.05.10 09:33
Martin.M 

500 und mehr Punkte

30.05.10 09:33
Martin.M 

500 und mehr Punkte

Re: Tek, 305 DMM (Reparatur)

roehrenfreak:
Achtung: Mit höherfrequenten Wechselspannungen (>500Hz) kommen die meisten einfachen Digital-Multimeter nicht zurecht und zeigen eher die Lottozahlen der letzten zehn Jahre an!

Bestätigung, der Takt ist recht hoch.
Oskar muß helfen. Hat man mehr als einen helfen sie sich gegenseitig

nützlicher Link, werbefrei: Schaltplan.
http://www.ko4bb.com/cgi-bin/manuals.pl?...MM_Oscilloscope
nette Grüße
Martin

Zuletzt bearbeitet am 30.05.10 09:59

30.05.10 11:11
ingodergute 

Moderator

30.05.10 11:11
ingodergute 

Moderator

Re: Tek, 305 DMM (Reparatur)

Martin.M:
Wo hat das die Kathode, ist das Röhre pin 9 oder wenns direkt heizt was ich nichtso recht glaube, der Heizfaden selbst?

Weiter. Minus 2kV steht neben pin14, es könnte so sein, daß die Kathode auf -2kV steht, und Anode einfach geerdet ?
Dann müßte die aber mächtig isloliert sein !
Hallo Martin,
ja, das die Katode (die in diesem Fall wirklich mit der Heizung identisch ist (direkt geheizte Katode wie bei frühen Radioröhren) auf -2kV hängt (also quasi auf dem negativen Potential der Anode) hat den Vorteil, dass die Ablenkplatten fast Massepotential haben ohne den Strahl zu bremsen. Ich hatte mal einen sehr alten Oszillographen, bei dem die Platten direkt auf Buchsen geführt waren und dessen Katode ebenfalls eine hohe negative Spannung bekam. Hat halt den Nachteil, dass man die Heizspannungversorgung gut isolieren muss. Pin 5 dürfte die Anode sein.
Es gibt eine ganze Menge Oszilloskopröhren ohne Beschleunigungsanode und damit ohne seitlichen Anodenanschluss.

Insofern denke ich, dass da alles richtig ist. Aber statt die Heizspannung im Betrieb zu messen, was bei hohen Frequenzen des Umsetzers schwierig wird, solltest Du versuchen, eine Glühlampe damit zum Leuchten zu bringen vielleicht erstmal eine Fahrradbirne oder eine Skalenlampe 6V oder 12V einige 100 mA. Dann kannst Du dieselbe Birne mit Gleichspannung leuchten lassen (Regelnetzteil) bis sie gleich hell ist und weißt dann in etwa welche Heizspannung (-leistung) zur Verfügung steht.

Gruß Ingo.

Zuletzt bearbeitet am 30.05.10 11:15

30.05.10 11:29
Martin.M 

500 und mehr Punkte

30.05.10 11:29
Martin.M 

500 und mehr Punkte

Re: Tek, 305 DMM (Reparatur)

hallo Ingo, danke.

So allmählich begreif ich das.

Pin 5 der CRT = Anode.

Pin 9 ist ein separates Gitter für Strahlunterbrechung (Dunkeltasten bei Rücklauf), der macht das nicht über die Helligkeit G1.

So ergibt sich der Mess- Wunschzettel:

1.) Glühlämpchentest parallel zur Röhrenheizung
2.) minus 2kV von Heizung nach Chassis.

nette Grüße
Martin

30.05.10 18:09
Martin.M 

500 und mehr Punkte

30.05.10 18:09
Martin.M 

500 und mehr Punkte

Re: Tek, 305 DMM (Reparatur)

hallo alle,

Messprotokoll

Glühlämpchen Fahrrad hinten.

Ausgang DC DC Wandler: an, schwach. OK
Ausgang Modul: AUS

habt ihr noch Vorschläge ?
Sonst ergibt sich als erste Maßnahme, kaufen 1x Modul.

Das Modul hab ich in Sicht, 54 US$. Der kleine Tek ist Mitglied der Werkstattkrankenkasse und darf somit auch Sachen haben die teurer sind als er selbst.

nette Grüße
Martin

30.05.10 18:20
ingodergute 

Moderator

30.05.10 18:20
ingodergute 

Moderator

Re: Tek, 305 DMM (Reparatur)

Hallo Martin,

naja vor dem Kauf des Moduls könntest Du ja die Heizung aus einer Batterie (wegen des hohen Potentials scheidet jedes labornetzteil aus) speisen und schauen, ob der Rest funktionstüchtig ist. die Batteriespanung würde ich von 2V an aufwärts bis max. 6V probieren und bei heller Katode sofort abklemmen. Die Batterie darfst Du natürlich im Betrieb wegen der 2kV nicht berühren. Und ein Pol der Batterie mus mit mind. einem Pol des HV-Moduls verbunden sein, der andere Pol darf natürlich nicht dran sein, um die Batterie nicht kurzzuschließen.

Gruß Ingo.

 1 2 3
 1 2 3
zusammengewursteltes   Mögel-Dellinger-Effekt   auseinandergenommen   Strahlunterbrechung   Reserveengeringing   Sony-Tek-Oszilloskope   Werkstattkrankenkasse   Versorgungs-Checkup   welt-der-alten-radios   Heizspannungversorgung   Bildröhre   Schaltplan-Ausschnitts   Helligkeit-Regelung   heiz-eingangsseitig   Heizung   Reparatur   Sammlergemeinschaft   Elektrolyt-Flüssigkeit   Beschleunigungsanode   Digital-Multimeter