| Passwort vergessen?
Sie sind nicht angemeldet. |  Anmelden

Sprache auswählen:

Wumpus Gollum Forum von
Wumpus Welt der (alten) Radios
Sie sind nicht angemeldet.
 Anmelden

Siemens Oszilloskop Oscillarzet 05
  •  
 1 2
 1 2
06.10.13 13:56
Wh1sper 

100-249 Punkte

06.10.13 13:56
Wh1sper 

100-249 Punkte

Re: Siemens Oszilloskop Oscillarzet 05

Im Gerät klappert eine Schraube. Der Griff ist lose.
Aber ich sehe nicht, wie ich das Gehäuse offne.
Wahrscheinlich lässt es sich nach vorn rausziehen, doch irgendeine Schraube scheint es noch zu halten, will nicht auf Verdacht alle lösen.
Kann mir jemand einen Tip geben?

Edith sagt: habs gefunden, die unauffällige Mutter hinten war die Schuldige

Zuletzt bearbeitet am 06.10.13 19:28

!
!!! Fotos, Grafiken nur über die Upload-Option des Forums, KEINE FREMD-LINKS auf externe Fotos.    

!!! Keine Komplett-Schaltbilder, keine Fotos, keine Grafiken, auf denen Urheberrechte Anderer (auch WEB-Seiten oder Foren) liegen!
Solche Uploads werden wegen der Rechtslage kommentarlos gelöscht!

Keine Fotos, auf denen Personen erkennbar sind, ohne deren schriftliche Zustimmung.

Den Beitrag-Betreff bei Antworten auf Threads nicht verändern!
15.10.13 18:20
Wh1sper 

100-249 Punkte

15.10.13 18:20
Wh1sper 

100-249 Punkte

Re: Siemens Oszilloskop Oscillarzet 05

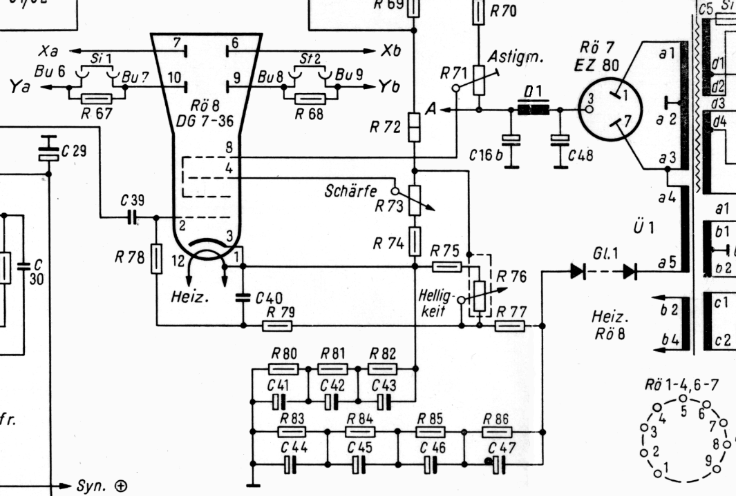
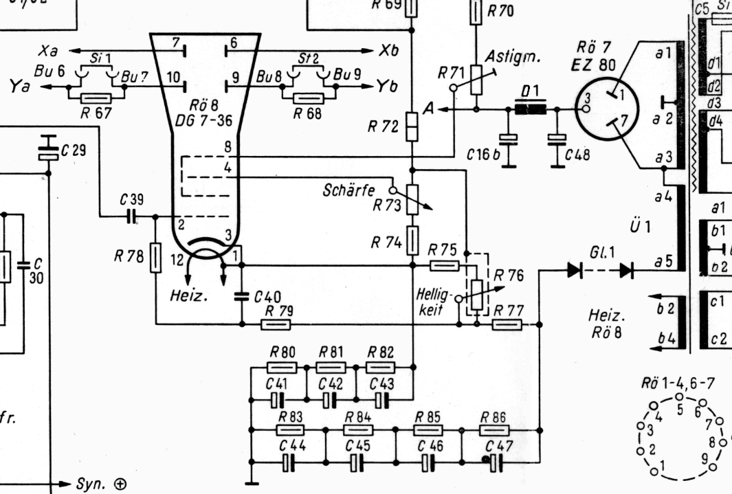
Heute habe ich mal mit dem Z-Eingang gespielt.
Am Eingang ein 6,3V Wechsel und am Z ein ca. 5V Rechtecksignal 50-200Hz
Funktioniert soweit. Dabei stört mich, dass die Helligkeit schon auf dunkelster Stellung vom Helligkeitspoti sehr gut ist.
Normal sollte es ja aus sein und irgendwann dann so langsam heller werden, wenn man es aufdreht.
"zu Dunkel" kennt man ja von alten Röhren, aber "zu Hell"?
Könnte da einer der beteiligten Widerstände einen Kurzschluss haben?


Dabei merke ich schmerzlich, dass ich nur Gleichspannungen bis 1000V messen kann. Die Röhre hat aber 1500V laut Datenblatt. Die tatsächlichen Spannungen sind leider nicht im Schaltbild eingetragen.
Nun, ich erwarte meine Hochspannungwiderstände demnächst, dann baue ich einen Hochspannungstaster.

Zuletzt bearbeitet am 15.10.13 18:27

Datei-Anhänge
helligkeit-oszi.jpg helligkeit-oszi.jpg (505x)

Mime-Type: image/jpeg, 401 kB

 1 2
 1 2
Rechtecksignal   Einbrennspuren   TV-Werkstätten   Gleichspannungen   HighTec-Geräten   Gleichspannungsverstärker   Oscillarzet   erbarmungswürdigen   anfängergeeignetes   Wahrscheinlich   Schalterstellungen   Helligkeitspoti   Siemens   Oszilloskop   Hochspannungstaster   Hochspannungwiderstände   Trigger-Möglichkeiten   Frequenzmessungen   Reparaturanleitung   Funktionsgenerator