| Passwort vergessen?
Sie sind nicht angemeldet. |  Anmelden

Sprache auswählen:

Wumpus Gollum Forum von
Wumpus Welt der (alten) Radios
Sie sind nicht angemeldet.
 Anmelden

Tek 556 - die Reparatur
  •  
 1 .. 5 6 7 8 9
 1 .. 5 6 7 8 9
28.02.10 22:04
roehrenfreak

nicht registriert

28.02.10 22:04
roehrenfreak

nicht registriert

Re: Tek 556 - die Reparatur

Hallo Martin,

es is ein Kreuz mit dem Zoll. Früher waren das Wegelagerer(meine persönliche Meinung!) Hoffentlich bekommst Du Deinen Oscar bald wieder zum Laufen!

Freundliche Grüsse,
Jürgen rf

Noli turbare circulos meos (Störe meine KREISE nicht! - Archimedes)

!
!!! Fotos, Grafiken nur über die Upload-Option des Forums, KEINE FREMD-LINKS auf externe Fotos.    

!!! Keine Komplett-Schaltbilder, keine Fotos, keine Grafiken, auf denen Urheberrechte Anderer (auch WEB-Seiten oder Foren) liegen!
Solche Uploads werden wegen der Rechtslage kommentarlos gelöscht!

Keine Fotos, auf denen Personen erkennbar sind, ohne deren schriftliche Zustimmung.

Den Beitrag-Betreff bei Antworten auf Threads nicht verändern!
01.03.10 16:10
Martin.M 

500 und mehr Punkte

01.03.10 16:10
Martin.M 

500 und mehr Punkte

Re: Tek 556

hallo Jürgen,

ich muß zu meiner Schande eingestehen es nicht geschafft zu haben .
Leider besitz ich kein erdfreies Voltmeter das 2kV noch packt.
Hab zwar eins, das hat aber im Netztrafo prim/sek. keine ausreichend hohe Isolation.

nette Grüße
Martin

05.03.10 07:28
Martin.M 

500 und mehr Punkte

05.03.10 07:28
Martin.M 

500 und mehr Punkte

Re: Tek 556 - die Reparatur

guten Morgen alle.

der Tek macht mir wirklich Kopfweh. Aber geht nicht gibt nicht! Somit weiter...
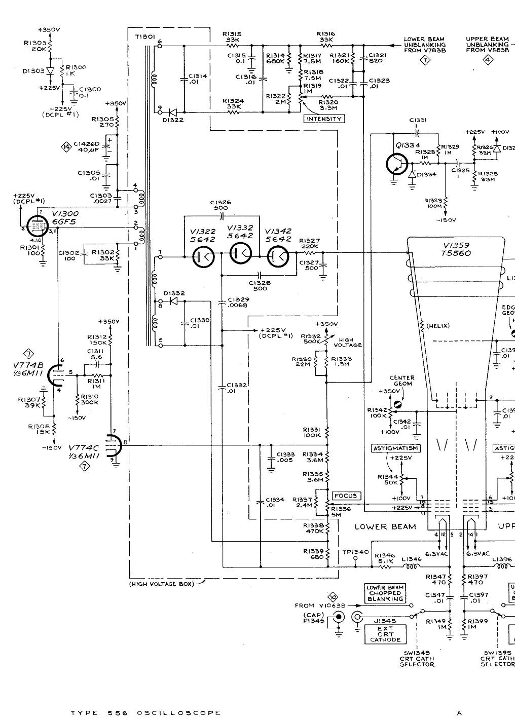
Genaues Studium des Hochspannungsteils :
Es handelt sich um eine recht eigenständige selbstschwingende Abteilung die mit den beiden Compactrons ( 6M11 = Dreifachröhre, davon sind die beiden Trioden beteiligt) und 6GF5 (Trafo-Endstufe) arbeitet. Durchaus vergleichbar mit Fernsehern.
6GF5 und 6M11 wurden durch Austausch als OK befunden, das komplette HV Teil mit dem Trafo ebenso.

Am Trimmer für die Hochspannung sitzt noch eine merkwürdige Transistorschaltung.... (Q1334 usw)
wenn ich mir die so betrachte scheint das eine "Einschaltverzögerung" zu bilden, die der dicken Bildröhre Zeit zum heizen gibt und dann erst die Hochspannung voll aufdreht, also "Verhinderung von Blitzschlag beim anmachen" (das ist nur eine Theorie von mir, aber in die Richtung forsche ich grade).
Ein teilweiser Defekt in dieser Ecke könnte zur Folge haben daß die Hochspannung falsch kommt

PDF S302.

nette Grüße
Martin


Zuletzt bearbeitet am 05.03.10 07:29

05.03.10 08:39
Pluspol 

500 und mehr Punkte

05.03.10 08:39
Pluspol 

500 und mehr Punkte

Re: Tek 556 - die Reparatur

Hallo Martin M.

Wenn Deine Vermutung mit der Hochspannungverzögerung stimmt, dann ist das wohl so eine Art "Rampenfunktion".
Damit meine ich, daß mit einem R/C- Glied die Durchsteuerung der Hochspannung zeitversetzt erfolgt.
Die Höhe der erreichbaren Hochspannung dürfte von solcher Funktion eigentlich nicht betroffen sein.
Aber ich kenne die Beschaltung nicht, um das exakt zu beschreiben.
Weiter viel Erfolg bei der Reparatur.

Freundliche Grüße von Dietmar

05.03.10 09:33
Martin.M 

500 und mehr Punkte

05.03.10 09:33
Martin.M 

500 und mehr Punkte

Re: Tek 556 - die Reparatur

hallo und danke,
hier nochmal die Problemzone.

Zitat:
Die Höhe der erreichbaren Hochspannung dürfte von solcher Funktion eigentlich nicht betroffen sein

...wenn da alles OK ist ...

nette Grüße
Martin


Zuletzt bearbeitet am 05.03.10 09:44

Datei-Anhänge
hv.jpg hv.jpg (370x)

Mime-Type: image/jpeg, 187 kB

06.03.10 12:11
Pluspol 

500 und mehr Punkte

06.03.10 12:11
Pluspol 

500 und mehr Punkte

Re: Tek 556 - die Reparatur

Hallo Martin

Die dataillierte Funktion des Transistors ist mir aufgrund fehlender Messwerte und Impulsbilder am KolleKtor nicht ganz klar.
Es sieht dannach aus, daß da Impulse erzeugt werden und dieses "Netzwerk auf das Steuergitter der Röhre V776B funktionsverzögernd einwirkt.
Hier vermute ich auch nicht die Ursache der Helligkeits- und Fokusfehlsteuerung.
Die im Röhrenhals beiden gleichen und nebeneinanderliegenden Steuerelektrodensysteme haben ja die gleiche Funktion.
Da würde ich bei beiden Systemen an den Elektroden die Stellwirkung der zugehörigen Regler vergleichen.
Ein System ist doch okay, wie Du schriebst? Am Messpunkt der Abweichung vom Normalwert der anderen Seite, würde ich dann rückwärts zum Ausgangspunkt Vergleichsmessungen machen. So könntest Du evtl. dem Übel auf die Spur kommen.
Solltest Du da schon so vorgegangen sein, so gibt es evtl. noch eine andere Theorie. Vielleicht liegt im defekten Kanalbereich ein Schluss zwischen zwei Elektroden vor? Das könntest Du dann mal nachmessen.
Dann wünsche ich Dir weiter Geduld und Elan bei der Ursachenforschung.

Freundliche Grüße von Dietmar

06.03.10 15:09
Martin.M 

500 und mehr Punkte

06.03.10 15:09
Martin.M 

500 und mehr Punkte

Re: Tek 556 - die Reparatur

hallo alle,
nach stundenlanger Suche ohne Fund begann ich planlos Widerstände nachzumessen und fand einen toten R1303 (oben links im Plan). Der wird jetzt gewechselt, dann gehts weiter

Auswirkung davon: Die Hilfsspannung +225v zum G2 der Endpenthode fehlte oder war falsch --> = falsche HV.
Interessant: die 6GF5 schwingt trotzdem.

Da hier am Trafo auch die negativen - 1850v Spannungen für K und G1 der Bildröhre gemacht werden können die ebenso falsche Höhe haben was dann zu Effekten führt für die man lange nach einer Lösung sucht...
Obs das nun war, wer weis ? Nach dem Test gehts weiter.

nette Grüße
Martin

Zuletzt bearbeitet am 06.03.10 15:25

06.03.10 16:02
Martin.M 

500 und mehr Punkte

06.03.10 16:02
Martin.M 

500 und mehr Punkte

der Tek ist repariert !!!

hallo alle,

herzlichen Dank an alle die mir bei dieser fast endlosen Geschichte geholfeN haben.

Die gute Nachricht: der Tek lebt ! alles ist da wie es soll,
der defekte 20k 1w war zwar nicht da, ich konnte mir aber einen aus dem 22k Vorrat selektieren, =20,3k.
Jetzt freu ich mich erstmal und bau ihn wieder zusammen. Das Foto kommt dann umgehend.

Wenns mich wieder packt gehts dann an den ganz kleinen, der hat nämlich auch keine Lust

nette Grüße
Martin

06.03.10 18:06
Franz 

0-49 Punkte

06.03.10 18:06
Franz 

0-49 Punkte

Re: Tek 556 - die Reparatur

Hallo Martin,
ich gratuliere Dir zum Erfolg ! Liebe Grüsse Franz

06.03.10 18:30
Wolle 

500 und mehr Punkte

06.03.10 18:30
Wolle 

500 und mehr Punkte

Re: Tek 556 - die Reparatur

Hallo Martin.

Mit Geduld und Spucke --- ans Ziel gekommen. Meinen Glückwunsch zu Deinem Erfolg.

Viele Grüße.
Wolle

 1 .. 5 6 7 8 9
 1 .. 5 6 7 8 9
Zuletzt   Reparatur   Horizontal-Austastung   Röhren-Messverstärkern   Hochspannungsgleichrichterdiode   Hochspannungverzögerung   Versorgungsspannungen   bearbeitet   Befestigungsöffnungen   Helligkeitssteuerung   Nachbeschleunigungs-Elektroden   Freundliche   Bildhelligkeitsregelung   Begrenzungswiderstand   Tektronix-Oszilloskope   Hochspannung   Dietmar   Steuerelektrodensysteme   nebeneinanderliegenden   Hochspannungserzeugung