| Passwort vergessen?
Sie sind nicht angemeldet. |  Anmelden

Sprache auswählen:

Wumpus Gollum Forum von
Wumpus Welt der (alten) Radios
Sie sind nicht angemeldet.
 Anmelden

Frage zu Schaltplan-Bezeichnungen
  •  
 1 2 3
 1 2 3
07.08.15 20:51
apollo 

Administrator

07.08.15 20:51
apollo 

Administrator

Frage zu Schaltplan-Bezeichnungen

Hallo zusammen,
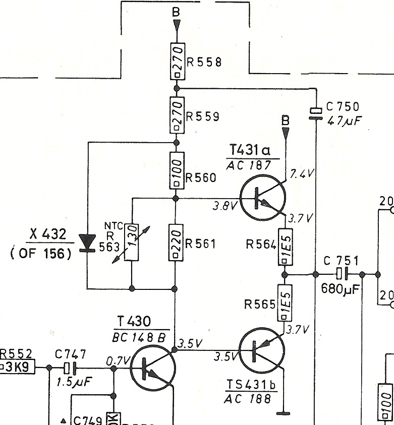
ich hab hier einen Schaltplan von einem Philips Kassetten Recorder bei dem die Bezeichnung
von Widerständen für mich als Laien nicht verständlich ist.

R 529= 8 20K, wozu der Abstand.
R 557= 4E7, je 1/8 Watt

Sind das nur Schreibfehler?

Der R 557 fehlt beim Nachfolgemodell, warum es auch ohne geht?
Die Spannung bei AC 187 und AC 188 ist bei beiden Plänen gleich.
Wer weiß es?
Sonst wurde die Schaltung nicht verändert.





Ich hänge noch ein Bild von Punkt B versorgter Endstufe an.



Nette Grüße,
Alfred

Datei-Anhänge
Scan_20150807.jpg Scan_20150807.jpg (591x)

Mime-Type: image/jpeg, 226 kB

Scan_20150807 (2).jpg Scan_20150807 (2).jpg (478x)

Mime-Type: image/jpeg, 143 kB

Noch gefällt der Beitrag keinem Nutzer.
!
!!! Fotos, Grafiken nur über die Upload-Option des Forums, KEINE FREMD-LINKS auf externe Fotos.    

!!! Keine Komplett-Schaltbilder, keine Fotos, keine Grafiken, auf denen Urheberrechte Anderer (auch WEB-Seiten oder Foren) liegen!
Solche Uploads werden wegen der Rechtslage kommentarlos gelöscht!

Keine Fotos, auf denen Personen erkennbar sind, ohne deren schriftliche Zustimmung.

Den Beitrag-Betreff bei Antworten auf Threads nicht verändern!
07.08.15 21:13
klaus65555 

500 und mehr Punkte

07.08.15 21:13
klaus65555 

500 und mehr Punkte

Re: Frage zu Schaltplan-Bezeichnungen

Moin,
nach meinem Verständnis ist der Abstand zwischen 8 20K Zufall beim Schreiben mit einer Schablone.
Alle Werte sehen aus, als ob sie mit einer Schriftschablone geschrieben wurden (haben wir um 1960-1070 auch so gemacht).
Die Werte mit E zwischen den Ziffern sind Ohm-Werte 1E5 = 1,5 Ohm, 4E7 = 4,7 Ohm etc.

Gruß
Klaus

07.08.15 21:50
apollo 

Administrator

07.08.15 21:50
apollo 

Administrator

Re: Frage zu Schaltplan-Bezeichnungen

Hallo Klaus,
ich danke vielmals.

Netten Gruß,
Alfred

08.08.15 03:38
Wolfgang2 

500 und mehr Punkte

08.08.15 03:38
Wolfgang2 

500 und mehr Punkte

Re: Frage zu Schaltplan-Bezeichnungen

Hallo zusammen

Die Bezeichnungen in dem Schaltplan sind in der tat verwirrend. Wieso wird denn da nur bei den Wiederständen mit solch Kryptischen Bezeichnungen gearbeitet, und welchen Wert hat denn der Wiederstandt mit 1K5? Nächste Frage wär wieso bei den Wiederständen ein Buchstabe gesetzt wird und bei den Kondensatoren ein Komma. Gibt es da verschiedene Buchstaben für Ohm K-Ohm M-Ohm?

Wolfgang

PS.
TGL sind laut Tante Google ehemalige Vorschriften des Bauwesens der DDR. Um den Philips ist zwar ein Gehäuse gebaut aber da finden die wohl kaum anwendung

Zuletzt bearbeitet am 08.08.15 03:44

08.08.15 10:24
klaus65555 

500 und mehr Punkte

08.08.15 10:24
klaus65555 

500 und mehr Punkte

Re: Frage zu Schaltplan-Bezeichnungen

Moin,
soweit ich weiß, kommen diese Bezeichnungen der Widerstände nicht aus Deutschland.
2E2 =2,2 Ohm, 1K8 = 1,8 kOhm und 4M7 = 4,7 MOhm.
Vielleicht deswegen, weil Kommas u.U. im Druck zu klein zum Lesen sind ?.
Anders kann ich es mir nicht erklären.

In anderen -englischsprachigen- Unterlagen habe ich auch schon µµF für pF gesehen.

Gruß
Klaus

08.08.15 10:42
klaus65555 

500 und mehr Punkte

08.08.15 10:42
klaus65555 

500 und mehr Punkte

Re: Frage zu Schaltplan-Bezeichnungen

Moin Wolfgang,
hatte ich eben vergessen zu schreiben:
Die TGL-Vorschriften waren oft wortgleich mit den DIN-Vorschriften und galten wie auch DIN für praktisch alle Technikgebiete.
Die deutschen Normen waren oft Vorbild für Normungen anderer Länder und sind inzwischen zum großen Teil in die DIN-ISO bzw. EN- Normen aufgegangen.

Gruß
Klaus

08.08.15 11:03
Wolle 

500 und mehr Punkte

08.08.15 11:03
Wolle 

500 und mehr Punkte

Re: Frage zu Schaltplan-Bezeichnungen

Hallo Klaus.

Ergänzend wäre noch zu sagen, dass die TGL (Technische Normen, Gütevorschriften und Lieferbedingungen) in der DDR Gesetzescharakter hatten. Im Gegensatz dazu sind die Normen nach DIN nur Empfehlungen. Viele TGL- Bestimmungen sind wortgleich mit den entsprechenden Normblättern nach DIN.
Es gibt bis heute Gültigkeitsbereiche für Normen nach TGL, wo entsprechende DIN- Vorschriften fehlen.
Quelle: Wikipedia

Mit vielen Grüssen.
Wolle

08.08.15 14:30
Wolfgang2 

500 und mehr Punkte

08.08.15 14:30
Wolfgang2 

500 und mehr Punkte

Re: Frage zu Schaltplan-Bezeichnungen

Hallo zusammen

Die vermutung von Klaus anstelle eines Punkts (Dott) einen Buchstaben wegen der lesbarkeit einzustzen klingt logisch. Nur wieso wird das nur bei den Wiederständen gemacht? Ähnliche Bezeichnungen hab ich auch schon bei Japanern gesehen. Hier mal der link zu einem Wiederstand zu dem ich hier im Forum mal angefragt hatte

http://www.wumpus-gollum-forum.de/forum/...nd-2_578_1.html

Mich wundert in dem Schaltplan das Kondensatoren normal geschrieben werden und nur ein paar Wiederstände mit Buchstaben. Es ist ja fast alles durch irgentwelche Normen geregelt. Viele haben sich ja auch an die deutsche DIN angelehnt. Es muß doch irgentwo was zu finden sein wo solche Bezeichnungen gelistet sind und wo steht was sie bedeuten.

Wolfgang

08.08.15 15:39
apollo 

Administrator

08.08.15 15:39
apollo 

Administrator

Re: Frage zu Schaltplan-Bezeichnungen

Hallo zusammen,
erst mal vielen Dank, dass ihr mir so umfangreich Hilfe leistet.

Zur Erklärung des Schaltplanes.
Dieser ist von einem Philips El 3302/G bzw. meiner
hat die Bezeichnung EL 3302/GB ( 1965-1967?)
mit EL 3302 beginnt die Baureihe anscheinend.
Es gibt also 3 verschiedene Bezeichnungen und 3 Schaltpläne,
die mir vorliegen.

Mein Bestreben geht dahin, den für mein Gerät zu finden.
Es wird wohl der 3302/GB sein, da die Platine von der Druckseite her
am ähnlichsten ist. ( Aufkleber im Gerät sagt EL 3302/G )
Die Pläne schauen nach normalen, für die deutsche Werkstatt
gefertigten Plänen aus. Incl. Stücklisten für die kleinsten Beilagscheiben..
Das waren noch Zeiten!

Es liegt mir auch noch ein russischer Plan vor, aus dem Netz, der ist für das
Modell 3302/GB, aber anders gezeichnet, der Inhalt ist aber,
soweit ich das beurteilen kann, identisch.

Netten Gruß,
Alfred

08.08.15 15:46
Wolle 

500 und mehr Punkte

08.08.15 15:46
Wolle 

500 und mehr Punkte

Re: Frage zu Schaltplan-Bezeichnungen

Hallo zusammen.

Beschriftung von Widerständen in kompakter alphanumerischer Schreibweise.
10R = 10 Ohm
1R5 = 1,5 Ohm
R47 = 0,47 Ohm

1k5 = 1,5 kOhm
M10 = 100kOhm
1M = 1MOhm
1M5 = 1,5MOhm

Dieses Bezeichnungssystem wurde auch zur Bezeichnung von Kondensatoren verwendet, national verschieden.

In numerischer Schreibweise.
10 Ohm
100 Ohm = 101
4,7 kOhm = 472
10 kOhm = 103
1MOm = 105
Für Werte unter 10 Ohm setzt man einen Dezimalpunkt
1R0 = 1,0 Ohm
R47 = 0,47 Ohm
Diese Schreibweise findet bei SMD- Widerständen Anwendung.

Äquivalent gestaltet sich die alphanumerische Bezeichnung von Kondensatoren.
100pF = n1
6800pF = 6,8 nF = 6n8
100nF = µ1
1500pF = 1n5
1,5µF = 1µ5
Numerisch
1µF = 105
10000pF = 103
1mF = 1000µF

Einige Zeit wurde bei Widerständen in alphanumerischer Schreibweise auch der Buchstabe "E" statt "R" verwendet.

Viele Grüsse.
Wolle

 1 2 3
 1 2 3
Gültigkeitsbereiche   Keramikkondensatoren   Gesetzescharakter   zusammen   unterschiedlichen   Schreibweise   Lieferbedingungen   Batterieschaltsymbol   wumpus-gollum-forum   Bezeichnungssystem   Radioschaltplänen   welt-der-alten-radios   Polaritätsbezeichnung   Batterie-Schaltbildproblematik   Bezeichnungen   alphanumerischer   Keremikkondensatoren   Schaltplan-Bezeichnungen   Kondensatoren   Schaltzeichenänderung