| Passwort vergessen?
Sie sind nicht angemeldet. |  Anmelden

Sprache auswählen:

Wumpus Gollum Forum von
Wumpus Welt der (alten) Radios
Sie sind nicht angemeldet.
 Anmelden

Quarze ziehen ??
  •  
 1 2
 1 2
28.02.18 19:01
Audionis 

250-499 Punkte

28.02.18 19:01
Audionis 

250-499 Punkte

Re: Quarze ziehen ??

Hallo Joerg,
zur Vergrößerung des Ziehbereiches wird oftmals mit der Parallelschaltung von Quarzen experimentiert:

Beispiele:
http://www.qsl.net/7n3wvm/supervxo.html
http://www.qsl.net/7n3wvm/expt-vxo.html
http://vk4ffab.info/2016/04/02/super-vxo/
http://py2ohh.w2c.com.br/trx/hipervxo/hipervxo.htm
http://ke7hr.com/caveradio/KE7HR-5CrystalVXO.pdf

Vielleicht wäre das ein Ansatz, aber möglicherweise kennst Du das sowieso schon.



Beste Grüße
Chris
vy 73 de OE3HBW

!
!!! Fotos, Grafiken nur über die Upload-Option des Forums, KEINE FREMD-LINKS auf externe Fotos.    

!!! Keine Komplett-Schaltbilder, keine Fotos, keine Grafiken, auf denen Urheberrechte Anderer (auch WEB-Seiten oder Foren) liegen!
Solche Uploads werden wegen der Rechtslage kommentarlos gelöscht!

Keine Fotos, auf denen Personen erkennbar sind, ohne deren schriftliche Zustimmung.

Den Beitrag-Betreff bei Antworten auf Threads nicht verändern!
28.02.18 19:21
joeberesf 

500 und mehr Punkte

28.02.18 19:21
joeberesf 

500 und mehr Punkte

Re: Quarze ziehen ??

Hallo Chris,

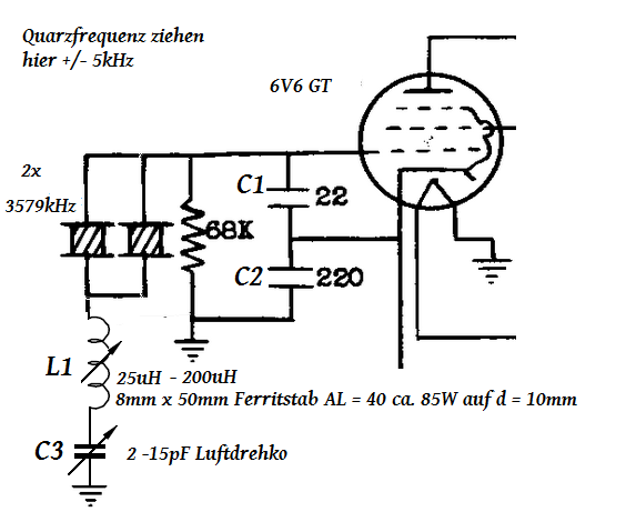
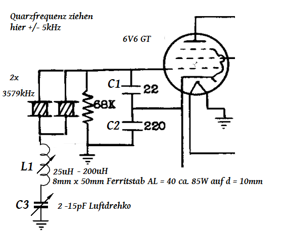
ja es sind zwei Quarze parallel geschaltet. Siehe Abb.2 ganz oben. Hatte ich aus dem www so übernommen und muss sagen, das hat geringfügig Auswirkung auf die Spreizung.

Hallo zusammen,

Erfolgsmeldung!

Ich habe einen Luftdrehko mit nur 2-15pF und für die MW- Spule einen neuen und kleineren 8x50mm Kern AL = 40 eingesetzt.

Kern heraus gezogen und Drehko auf 2pF ergaben 3584kHz.

Kern auf maximale Induktivität positioniert und Drehko auf 15pF ergaben 3574kHz

Verwende ich nun bei fixiertem Ferritkern nur den Drehko, ziehe ich ausgehend von 3579 kHz Quarzfrequenz, + 2kHz / - 5kHz.

Prima, so gefällt mir das. Warum das vorher nur in eine Richtung funktionierte, und dann auch noch nur nach oben, ist mir ein Rätsel.

Danke und Gruß

Joerg



Zuletzt bearbeitet am 28.02.18 19:55

Datei-Anhänge
quarz ziehen.png quarz ziehen.png (362x)

Mime-Type: image/png, 50 kB

01.03.18 13:37
HB9 

500 und mehr Punkte

01.03.18 13:37
HB9 

500 und mehr Punkte

Re: Quarze ziehen ??

Hallo Jörg,

bei diesem Oszillatortyp arbeitet der Quarz in Parallelresonanz, und somit gelten für die Frequenz dieselben Regeln wie für einen LC-Schwingkreis:
Kapazität erhöhen = Frequenz sinkt
Induktivität verkleinern = Frequenz steigt

Somit kann man zur Reduktion der Resonanzfrequenz einfach einen Kondensator parallel zum Quarz schalten, wobei hier zu beachten ist, dass bereits ca. 22pF (Serieschaltung C1/C2) parallel zum Quarz liegen. In der gezeigten Schaltung bewirkt L1, dass die wirksame Parallelkapazität am Quarz sinkt und damit die Frequenz steigt, daher je grösser L, desto höher die Frequenz. Bei C3 ist es genau so, C3 liegt in Serie zu C1/C2, somit wird durch Verkleinerung von C3 die wirksame Parallelkapazität ebenfalls verkleinert und die Frequenz steigt. Übrigens geben die Hersteller von Quarzen immer an, für welche Parallelkapazität die angegebene Frequenz stimmt. Falls keine Kapazität angegeben wird, gilt die Frequenz für Serie-Resonanz, und da diese tiefer liegt, schwingen solche Quarze in Parallelresonanz auf einer etwas zu hohen Frequenz.

Ich hatte auch schon solche Oszillatoren für BFOs gebaut, die in beide Richtungen gezogen werden mussten (9MHz +/-3kHz). Dabei habe ich mit gutem Erfolg nur eine Spule in Serie zum Quarz geschaltet (also C3 kurzgeschlossen) und mit einem Parallelkondensator (also vom Gitter nach Masse) die Frequenz eingestellt. Hilfreich ist auch ein möglichst kleiner Wert für C1 (und eine kleine Gitter/Kathode-Kapazität), denn dieser reduziert den Einstellbereich, es braucht aber einen Mindestwert für sauberes und sicheres Anschwingen, und das Verhältnis C1/C2 sollte nicht ändern.

Gruss HB9

01.03.18 18:15
joeberesf 

500 und mehr Punkte

01.03.18 18:15
joeberesf 

500 und mehr Punkte

Re: Quarze ziehen ??

Hallo Jan, hallo HB9,

Jan ich hatte Dir schon auf Seite 1 geantwortet. Im letzten Bild ist die Frequenz auch auf dem Teilausschnitt in kHz eingezeichnet.

joeberesf:
die Experimente laufen mit 7,37280 und 3,579545MHz.

Hallo HB9,

HB9:
Hallo Jörg,

bei diesem Oszillatortyp arbeitet der Quarz in Parallelresonanz, und somit gelten für die Frequenz dieselben Regeln wie für einen LC-Schwingkreis:
Kapazität erhöhen = Frequenz sinkt
Induktivität verkleinern = Frequenz steigt

.........In der gezeigten Schaltung bewirkt L1, dass die wirksame Parallelkapazität am Quarz sinkt und damit die Frequenz steigt, daher je grösser L, desto höher die Frequenz. Bei C3 ist es genau so, C3 liegt in Serie zu C1/C2, somit wird durch Verkleinerung von C3 die wirksame Parallelkapazität ebenfalls verkleinert und die Frequenz steigt. Übrigens geben die Hersteller von Quarzen immer an, für welche Parallelkapazität die angegebene Frequenz stimmt.

auf den ersten Blick scheint hier ein Widerspruch zu meinem letzten Versuch zu stehen, aber es erklärt genau den Effekt den ich vorher beobachten konnte. Nach Veränderung der LC Konstellation geht es nun ja auch in die andere Richtung. Ich hatte zuviel L u. C im Kreis, da der Drehko den ich vorher genutzt hatte, allein schon 20pF Restkapazität aufwies. Mein jetziger Drehkotrimmer ( mit 6mm Achse) hat echte 2-15pF und ist somit deutlich kleiner als die C1/C2 Gesamtkapazität. Hier ist meine Skizze auch nicht auf den ersten Blick erklärend, da die Masseverbindung, hier mit Erdzeichen, den Kreis schließt.
Die Herstellerangabe zur Parallelkapazität ist mir bei den Recherchen auch aufgefallen. Das muss ich noch bei meinem Aufbau überprüfen.....so ist das halt mit diesen empirischen Bastlern ausprobieren...statt zu rechnen. Das hat seine Grenzen.. wie man sieht.

Ein neuer Effekt hat sich nun bei zunehmender Belastung eingestellt. Ziehe ich den Quarz zu weit nach unten.....dann ergibt sich eine viel zu hohe Einschwingzeit des Oszillators. Also hier sollte man nicht übertreiben und das Ganze hängt dann vom jeweiligen Anwendungsfall ab. Schaltet man ständig die Spannung an und aus, wie z.B. beim Anschluss einer Taste, dann ist das nicht schön. Braucht man ein konstantes Signal so ist die Einschwingzeit eher zu vernachlässigen. Wird die Quarzfrequenz nach oben gezogen, ist der Effekt nicht so stark ausgeprägt.

VG
Joerg
P.S. Im Script tritt eine fehlerhafte Beitragszuweisung auf. Ich habe unseren Wumpus dazu informiert.

Zuletzt bearbeitet am 01.03.18 19:06

15.06.18 19:09
joeberesf 

500 und mehr Punkte

15.06.18 19:09
joeberesf 

500 und mehr Punkte

Re: Quarze ziehen ??

Hallo HB9, hallo zusammen,

nun endlich zum Abschluss des Themas.....

ich hatte in meinem Fundus noch eine alte Oppermann - Minikreuzwickelspule mit 180uH bei voll eingedrehtem Kern. Zwei Quarze parallel ( 30pF Bürde ) und besagten Drehkotrimmer 2-15pF. Den Kern von L1 habe ich noch etwas herausgedreht, sodass etwa 150uH zu messen waren. Die Schaltung funktioniert auch aufgrund kurzer Leitungswege ganz ausgezeichnet. Kein Aussetzen des Schwingvorgangs. Ziehbandbreite +/- 1.8kHz auf 80m QRP 3560kHz. Die Ziehbandbreite nimmt mit höheren Quarz- Frequenzen leicht zu.

Das entstandene Gerät ist also ein 6V6 CO VFO CW- Transmitter für Morse- Lern, Kodier- und Dekodierexperimente. Basis Ameco AC1 aus den 50ern. Die HF- Energie wird in einer 230VAC 5W - Glühlampe verbraten, R_kalt = 380 Ohm, Umin ca. 120V. Antennensimulation d= 100mm Zylinderspule mit 200uH und Abgriffen je 10 Wdg. QRP. Die beiden HF- Blockungsdrosseln (Anode u. Kathode über Taste mit 2.5mH) liegen im unteren Teil des Kastens...siehe blaues Drosselpaket Bild 4.

Ich lerne nun für die E- Lizens.

Gruß und Danke nochmals für die sehr konstruktiven Beiträge zum Thema.

Joerg


VFO / Gehäusemasse Cu- Folie



6V6 / ohne Spannungsversorgung extern



Rückseite



Gesamt Innen



Zuletzt bearbeitet am 17.06.18 11:34

Datei-Anhänge
QUARZE ZIEHEN 1.jpg QUARZE ZIEHEN 1.jpg (361x)

Mime-Type: image/jpeg, 339 kB

30VDC Übungs- 6V6 mit Taste.png 30VDC Übungs- 6V6 mit Taste.png (378x)

Mime-Type: image/png, 921 kB

6V6 backside.jpg 6V6 backside.jpg (371x)

Mime-Type: image/jpeg, 219 kB

Innen gesamt.jpg Innen gesamt.jpg (377x)

Mime-Type: image/jpeg, 349 kB

15.06.18 19:35
joeberesf 

500 und mehr Punkte

15.06.18 19:35
joeberesf 

500 und mehr Punkte

Re: Quarze ziehen ??

Hallo Wumpus,

Beitragszuordnung im Script wieder fehlerhaft. Jan hatte nicht geantwortet. Siehe regency Seite 1. Mein Beitrag erscheint nicht in der Beitragsübersicht. Der Folgebeitrag schon......sehr komisch!

VG

Joerg

Zuletzt bearbeitet am 15.06.18 19:44

15.06.18 19:57
wumpus 

Administrator

15.06.18 19:57
wumpus 

Administrator

Re: Quarze ziehen ??

Hallo Joerg,

ja, kommt leider immer mal wieder vor. Habe derzeit kein wirksames Mittel dagegen. Kontakt zum Script-Entwickler laeuft mit -3 db.


Grüße von Haus zu Haus
Rainer, DC7BJ (Forumbetreiber)
Ein Leben ohne Facebook ist möglich und sinnvoll.

Welt der alten Radios:
http://www.welt-der-alten-radios.de

Wumpus-Gollum-Forum:
http://www.wumpus-gollum-forum.de/forum

Virtuelle Voxhaus-Gedenktafel:
http://www.voxhaus-gedenktafel.de

Zuletzt bearbeitet am 15.06.18 21:20

15.06.18 21:25
joeberesf 

500 und mehr Punkte

15.06.18 21:25
joeberesf 

500 und mehr Punkte

Re: Quarze ziehen ??

Hallo Rainer,

ok!

wumpus:
Kontakt zum Script-Entwickler laeuft mi -3 db.

sieht gut aus....

die Frage ist nur... ist die Pegeländerung 0.812, 0.707 oder 0.500 ?

http://www.sengpielaudio.com/Rechner-db.htm

Scheint jetzt wieder im Lot zu sein....vielleicht noch eine Altlast.

LG
Joerg

Zuletzt bearbeitet am 15.06.18 21:39

 1 2
 1 2
selbstverständlich   Keramikkondensatoren   Quarzfrequenz   Microcontrollersteuerung   Voxhaus-Gedenktafel   Serieninduktivität   Langzeitfrequenzstabilität   welt-der-alten-radios   Spannungsversorgung   Experimentieraufbau   Antennensimulation   Wumpus-Gollum-Forum   frequenzverändernde   Parallelkapazität   bearbeitet   Dekodierexperimente   rainers-elektronikpage   Minikreuzwickelspule   Parallelkondensator   Frequenz