| Passwort vergessen?
Sie sind nicht angemeldet. |  Anmelden

Sprache auswählen:

Wumpus Gollum Forum von
Wumpus Welt der (alten) Radios
Sie sind nicht angemeldet.
 Anmelden

TELEFUNKEN Mini Partner 101
  •  
 1 2
 1 2
23.07.13 16:39
MB-RADIO 

500 und mehr Punkte

23.07.13 16:39
MB-RADIO 

500 und mehr Punkte

TELEFUNKEN Mini Partner 101

Hallo Alle,

obwohl ich nun keine "Westradios" sammeln wollte konnte ich doch auf 'nem Flohmarkt an dem kleinen TFK nicht vorbeigehen. Das Gerät in der Form eines Rasierapparates hatte es mir gleich angetan.

Das Radio ist gut erhalten und unverbastelt. Es spielte nach dem Reinigen des Batteriefaches und dem Einlegen der Batterien sofort. Lediglich das Poti kratzte und setzte aus. Da ich keine Muse hatte das kleine Poti zu zerlegen, habe ich es erstmal mit Tunerspray unter mehrmaligen Hin- und Herdrehen ausgewaschen - funktioniert erstmal wieder.

Nun meine Fragen:
Wozu dienen die zwei an den Gehäuseseiten angeklebten Aluknöpfe ?
Desweiteren ist in den Unterlagen aus dem Netz beim Mini Partner 201 im UKW-Antenneneingang ein Filter, welches laut Plan des 101 nicht vorhanden sein sollte, aber in meinem 101 vorhanden ist.
Weiß jemand etwas näheres darüber ?

Daß aber auch nie ein Radio mit den Unterlagen übereinstimmt ......

Unterlagen gibt es z.B. hier: https://www.dropbox.com/sh/kddt1c36c2ia3...ini_Partner.zip

Das S/W-Bild stammt vom Hersteller " TELEFUNKEN - sprecher Heft 53/1970" und sollte keine Urheberechtsprobleme verursachen.
Auf meinem Bild sieht man die kleine Platine an der Teleskopantenne mit der Spule und den zwei Kondensatoren.

Viele Grüße
Bernd









Zuletzt bearbeitet am 24.07.13 16:18

Datei-Anhänge
TFK Mini Partner 101 offen.jpg TFK Mini Partner 101 offen.jpg (654x)

Mime-Type: image/jpeg, 301 kB

Bild 2klein1.jpg Bild 2klein1.jpg (778x)

Mime-Type: image/jpeg, 165 kB

TFK Mini Partner 101 Eing.jpg TFK Mini Partner 101 Eing.jpg (675x)

Mime-Type: image/jpeg, 93 kB

TFK Mini Partner 201 Eing.jpg TFK Mini Partner 201 Eing.jpg (685x)

Mime-Type: image/jpeg, 65 kB

Noch gefällt der Beitrag keinem Nutzer.
!
!!! Fotos, Grafiken nur über die Upload-Option des Forums, KEINE FREMD-LINKS auf externe Fotos.    

!!! Keine Komplett-Schaltbilder, keine Fotos, keine Grafiken, auf denen Urheberrechte Anderer (auch WEB-Seiten oder Foren) liegen!
Solche Uploads werden wegen der Rechtslage kommentarlos gelöscht!

Keine Fotos, auf denen Personen erkennbar sind, ohne deren schriftliche Zustimmung.

Den Beitrag-Betreff bei Antworten auf Threads nicht verändern!
23.07.13 20:29
puntomane 

500 und mehr Punkte

23.07.13 20:29
puntomane 

500 und mehr Punkte

Re: TELEFUNKEN Mini Partner 101

Hallo Bernd,
Die zusätzliche Spule dient zur elektr. Verlängerung der recht kurzen Teleskopantenne, eine Möglichkeit das diese Spule nicht in jedem Gerät vorhanden ist, könnten Exemplarstreuungen die sich im Prüffeld zeigten der Grund für den Wegfall oder Einbau sein.

Der Mini Partner 201 hat im Gegensatz zum 101 eine deutsche Halbleiterbestückung und damit auch einge kleinere Änderungen zwecks Anpassung

23.07.13 21:23
MB-RADIO 

500 und mehr Punkte

23.07.13 21:23
MB-RADIO 

500 und mehr Punkte

Re: TELEFUNKEN Mini Partner 101

Hallo Harry,

ich kann mir nicht vorstellen, daß es Den mit einer wesentlich längeren Antenne gegeben hat, und die Dimensionierung der UKW-Eingangsstufen weichen kaum voneinander ab - der 9016 bzw. MPS9625 sind auch nicht deutsch. Außerdem ist es keine einfache Verlängerungsspule, sondern ein Schwingkreis.
Ich deute den als Parallelschwingkreis in Serie zur Antenne, wobei die Antenne kapazitiv geteilt an einem Teilkondensator der Schwingkreiskapazität eingekoppelt wird. Womöglich zur Absenkung einer bestimmten Störfrequenz zur Vermeidung einer Übersteuerung.

Viele Grüße
Bernd

23.07.13 22:11
puntomane 

500 und mehr Punkte

23.07.13 22:11
puntomane 

500 und mehr Punkte

Re: TELEFUNKEN Mini Partner 101

Hallo Bernd,
ich nehme meine Aussage zurück und teile Sie mit deiner, da wird dann eher ein Schuh draus. Lt. Radiomuseum.org stecken im 201 er nur BF und ein AC-Transistor, die mir als deutsche Transistorbezeichnung bekannt sind.

24.07.13 12:31
MB-RADIO 

500 und mehr Punkte

24.07.13 12:31
MB-RADIO 

500 und mehr Punkte

Re: TELEFUNKEN Mini Partner 101

Hallo,

zur schnelleren Übersicht habe ich mal meinen ersten Beitrag um die Schaltungsausschnitte ergänzt.

Ja, Harry, im RM org sind die Beiträge auch nicht immer richtig, so wie im gesamten Netz. Man bemerkt das aber erst, wenn man sich selbst damit befaßt.

Hat manchmal jemand einen besser lesbaren Schaltplan und Serviceunterlagen für mich ?

Viele Grüße
Bernd

24.07.13 13:14
Wolle 

500 und mehr Punkte

24.07.13 13:14
Wolle 

500 und mehr Punkte

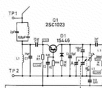
Re: TELEFUNKEN Mini Partner 101

Hallo Bernd.

Minipartner 101, Tuner Eingangsschaltung.



Wahrscheinlich während der Fertigung verändert.
Mit vielen Grüßen.
Wolle

Datei-Anhänge
minipartner_101_tuner1.png minipartner_101_tuner1.png (666x)

Mime-Type: image/x-png, 11 kB

27.07.13 20:31
regency 

500 und mehr Punkte

27.07.13 20:31
regency 

500 und mehr Punkte

Re: TELEFUNKEN Mini Partner 101

Hallo Bernd,
in den Katalogen 1972 finden sich schöne Bilder und die technischen Angaben, ein Hinweis auf irgendeine Funktion der seitlichen Knöpfe jedoch nicht. Ich hatte vermutet, dass es eine Art Tischgestell gab, in das man das Gerät einrastetet und das Radio drehbar macht. Aber Fehlanzeige.

MB-RADIO:
Nun meine Fragen:
Wozu dienen die zwei an den Gehäuseseiten angeklebten Aluknöpfe ?
Die Lösung ist jedoch vielleicht ganz einfach. In den Archiven befindet sich eine interessante Designstudie dazu
Schöne Grüße, Jan

Datei-Anhänge
TFK201Design.jpg TFK201Design.jpg (793x)

Mime-Type: image/jpeg, 33 kB

27.07.13 20:59
roehrenfreak

nicht registriert

27.07.13 20:59
roehrenfreak

nicht registriert

Re: TELEFUNKEN Mini Partner 101

Jan - einfach klasse!!!

30.07.13 01:27
joeberesf 

500 und mehr Punkte

30.07.13 01:27
joeberesf 

500 und mehr Punkte

Re: TELEFUNKEN Mini Partner 101

Hallo Bernd,

MB-RADIO:
Wozu dienen die zwei an den Gehäuseseiten angeklebten Aluknöpfe ?

ich hätte noch eine Idee zu den Knöpfen. Leider konnte ich im www. keinen Hinweis
für meine Theorie finden.

Es gab gerade in den 70ern, zu den sogenannten Pocketradios, häufig Zubehör in der
Verpackung. Dazu gehörten z.B. Trageschlaufen die man optional anbringen konnte
oder noch besser, sogenannte Schutztaschen. In diesen Taschen (Leder/Kunstleder) waren
Ausparungen für die Knöpfe und Skalen eingebracht. Die Knöpfe gaben der Tasche zusätzlichen
Halt. Da Dein Gerät die Skale oben hat, ...wäre eine mögliche Schutztasche oben offen. Die
versenkten Drehknöpfe bieten kaum Halt...deswegen vielleicht dieser Kunstgriff. Ich hatte damals
bestimmt zwei Pockets mit Schutztasche...ich kann mich aber nicht mehr erinnern...

Ich glaube DDR Export für Quelle....also Universum- Pocketradios. AM und 1x AM/FM mit 9V Block.
Alles weg.....

Übrigens habe ich den auch sehr kleinen "großen Bruder" des Mini Partner 101. Den partner 200.
Einfach mal vom Nachbarn geschenkt bekommen. Spielt prima und ist tadellos i.O.
Die Tuner- Eingangsschaltung ist bis auf die Bauteilwerte zum 101 identisch.

Gruß

Joerg

Zuletzt bearbeitet am 30.07.13 01:46

31.07.13 11:53
wumpus 

Administrator

31.07.13 11:53
wumpus 

Administrator

Re: TELEFUNKEN Mini Partner 101

Wolle:
Hallo Bernd.

Minipartner 101, Tuner Eingangsschaltung.



Wahrscheinlich während der Fertigung verändert.
Mit vielen Grüßen.
Wolle
Hallo zusammen,
so ganz einfach ist diese Antennenankopplung ohne Kenntnis der Induktivität von L1 nicht zu deuten. Kommt darauf an, ob L1 als Drossel oder Teil eines Resonanzsystems angesehen werden muß.

Vorläufig würde ich also sagen (wenn L1 eine Drossel ist) , es liegt einen Reihenschwingkreis (auf UKW-Bandmitte?) in der Antennenleitung, der aber ein wenig mit einem C überbrückt ist (zum breiter machen des Serienkreises?). Dann wären C1 und C2 nur HF-Spannungsteiler.

Ist aber L1 mit C1 resonant auf UKW-Bandmitte ist das ganze eine Kombination aus Reihen- und Parallelkreis für UKW-Bandmitte.

MFG Rainer

 1 2
 1 2
Antennenankopplung   Serviceunterlagen   Parallelschwingkreis   TELEFUNKEN   Halbleiterbestückung   Partner   Reihenschwingkreis   UKW-Eingangsstufen   Exemplarstreuungen   UKW-Antenneneingang   Urheberechtsprobleme   Gehäuseseiten   Dimensionierung   Eingangsschaltung   Transistorbezeichnung   HF-Spannungsteiler   Schaltungsausschnitte   Teleskopantenne   Schwingkreiskapazität   Verlängerungsspule