| Passwort vergessen?
Sie sind nicht angemeldet. |  Anmelden

Sprache auswählen:

Wumpus Gollum Forum von
Wumpus Welt der (alten) Radios
Sie sind nicht angemeldet.
 Anmelden

[Gelöst] Was ist falsch an diesem Schaltbild?
  •  
 1 2 3
 1 2 3
22.05.16 09:45
wumpus 

Administrator

22.05.16 09:45
wumpus 

Administrator

[ Gelöst ] Was ist falsch an diesem Schaltbild?

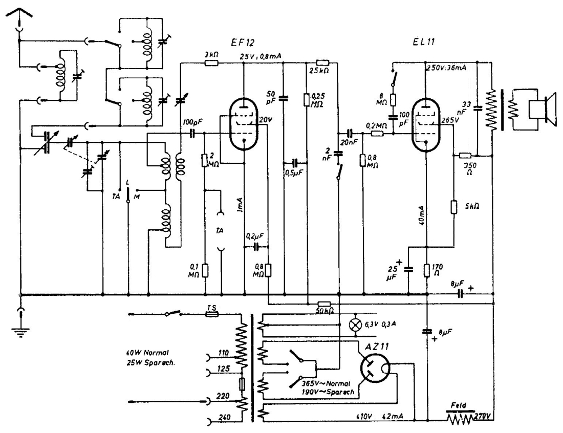
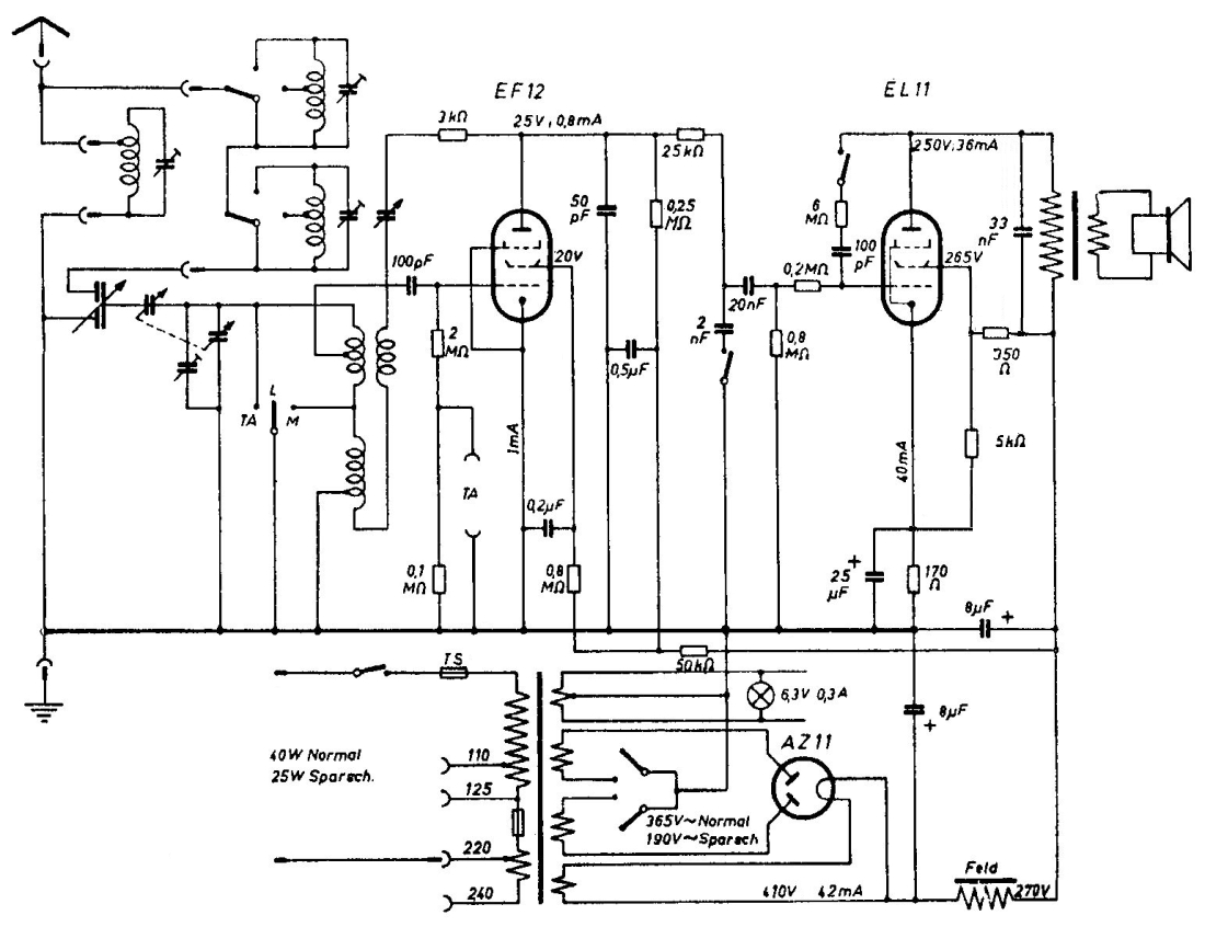
Hallo zusammen,

wieder mal ein kleines Technik-Rätsel:



Schaltbild anklicken

2 Fragen:

1) Welches Bauteil ist falsch bemessen? R oder C . Wert nennen.

2) Welches Bauteil ist sinnlos oder kontraproduktiv? R oder C . Wert nennen.


Gruß von Haus zu Haus
Rainer (Forumbetreiber)

"Vom Mund zum Ohr auf dem Strahle der elektrischen Kraft!"

Datei-Anhänge
schaltbild-fehler.jpg schaltbild-fehler.jpg (378x)

Mime-Type: image/jpeg, 293 kB

apollo und Airwaves gefällt der Beitrag.
!
!!! Fotos, Grafiken nur über die Upload-Option des Forums, KEINE FREMD-LINKS auf externe Fotos.    

!!! Keine Komplett-Schaltbilder, keine Fotos, keine Grafiken, auf denen Urheberrechte Anderer (auch WEB-Seiten oder Foren) liegen!
Solche Uploads werden wegen der Rechtslage kommentarlos gelöscht!

Keine Fotos, auf denen Personen erkennbar sind, ohne deren schriftliche Zustimmung.

Den Beitrag-Betreff bei Antworten auf Threads nicht verändern!
22.05.16 10:04
Martin.M 

500 und mehr Punkte

22.05.16 10:04
Martin.M 

500 und mehr Punkte

Re: (1) Was ist falsch an diesem Schaltbild?

guten morgen alle.

1.) der 33nF ist mir viel zu groß bemessen, kommt nurnoch Bass raus.
2.) der 5k vom Schirmgitter zur Kathode, ein C wär da passender als diese Stromvernichtung, da könnten bis zu 50mA fließen
Der Umschalter "Sparschaltung".

lG Martin

22.05.16 10:38
wumpus 

Administrator

22.05.16 10:38
wumpus 

Administrator

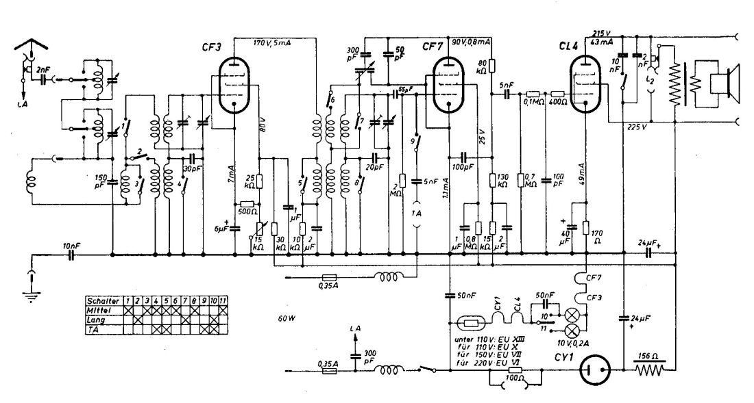
Re: Was ist falsch an diesem Schaltbild? (2) Eine neue Frage

Hallo zusammen, hallo Martin,

richtig erkannt. Probleme benannt!

Hier gleich eine weitere Schaltbildfrage:



Schaltbild anklicken

Frage:

Welche Kontakte (1-11) müssten in Stellung MW geschlossen sein?




Gruß von Haus zu Haus
Rainer (Forumbetreiber)

"Vom Mund zum Ohr auf dem Strahle der elektrischen Kraft!"

Datei-Anhänge
schlt-50.jpg schlt-50.jpg (387x)

Mime-Type: image/jpeg, 270 kB

22.05.16 11:12
Martin.M 

500 und mehr Punkte

22.05.16 11:12
Martin.M 

500 und mehr Punkte

Re: (2) Was ist falsch an diesem Schaltbild?

guten morgen nochmals.

2, 3, 4, 5, 7 und 8

lG Martin

22.05.16 11:44
wumpus 

Administrator

22.05.16 11:44
wumpus 

Administrator

Re: (2) Was ist falsch an diesem Schaltbild?

Hallo Martin,

es müssen 7 Kontakte sein, 4 Kontakte waren richtig, 2 sind noch falsch.




Gruß von Haus zu Haus
Rainer (Forumbetreiber)

"Vom Mund zum Ohr auf dem Strahle der elektrischen Kraft!"

22.05.16 12:08
oldi

nicht registriert

22.05.16 12:08
oldi

nicht registriert

Re: (1) Was ist falsch an diesem Schaltbild?

Hallo Rainer,

ich habe so den Eindruck, du willst uns warm halten, dass unser Geist nicht verkümmert.
- der Kondensator 33n an der Primärseite des Ausgangstransformators ist falsch bemessen.
- der Widerstand 5K am Schirmgitter der EL11 ist kontraproduktiv.

Mit freundlichem Gruß, oldi



Rainer: Martin hatte die Fragen schon richtig beantwortet.

22.05.16 17:24
Martin.M 

500 und mehr Punkte

22.05.16 17:24
Martin.M 

500 und mehr Punkte

Re: (2) Was ist falsch an diesem Schaltbild?

hallo alle,

augerechnet der der die wenigsten alten Radios lötet tippelt hier Antworten?

neuer Anlauf: hallo Rainer,
1, 3, 4, 5, 6 und 8 (und der Netzschalter)

lG Martin

22.05.16 17:38
wumpus 

Administrator

22.05.16 17:38
wumpus 

Administrator

Re: (2) Was ist falsch an diesem Schaltbild?

Hallo Martin,

das ist richtig (eigentlich müsste auch 11 genannt werden, aber das kann man nicht genau erkennen.
War nicht ganz einfach.

Hier die offizielle Beschaltung:


Schaltbild anklicken

Alsbald folgt das dritte Schaltbild!

Gruß von Haus zu Haus
Rainer (Forumbetreiber)

"Vom Mund zum Ohr auf dem Strahle der elektrischen Kraft!"

Datei-Anhänge
schlt-50-loesung.jpg schlt-50-loesung.jpg (405x)

Mime-Type: image/jpeg, 264 kB

22.05.16 18:09
wumpus 

Administrator

22.05.16 18:09
wumpus 

Administrator

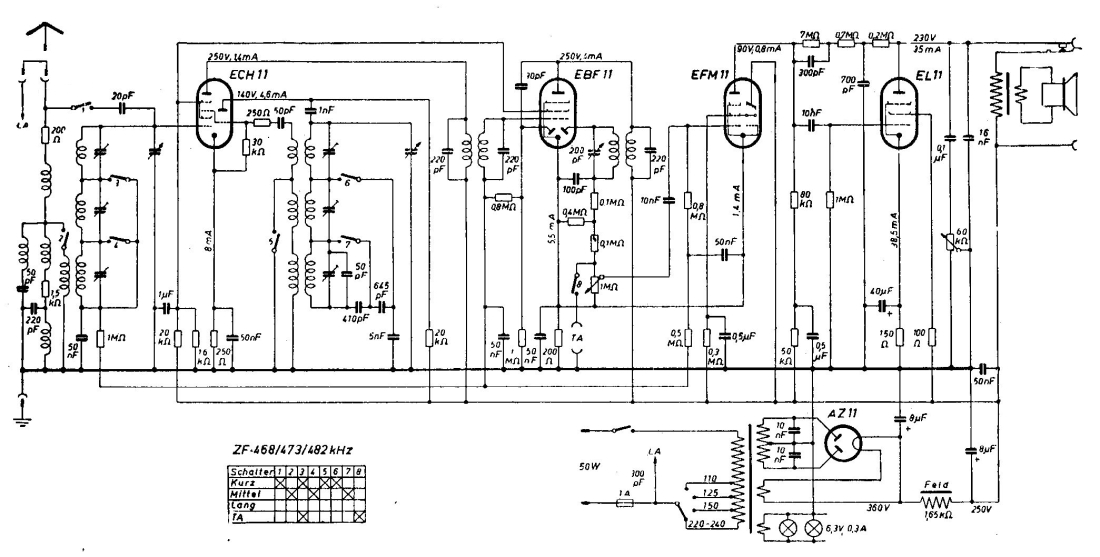
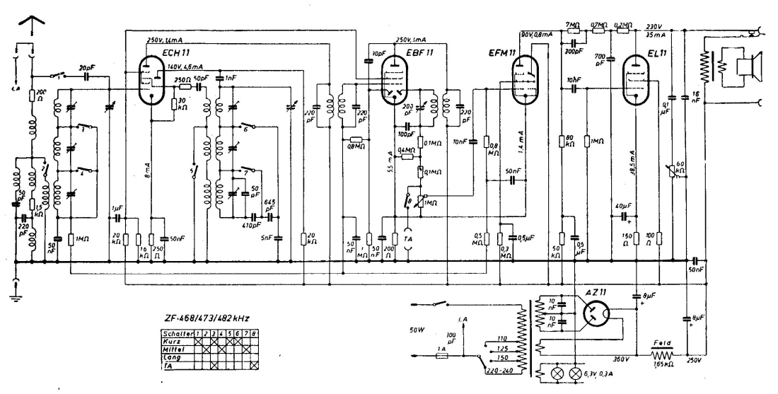
Re: (3) Was ist falsch an diesem Schaltbild?

Hallo zusammen,

hier dann das nächste fehlerhafte Schaltbild Nr. 3:


Schaltbild anklicken

Nun die Probleme:
a) Im NF-Teil fehlt ein nicht ganz unwichtiges Bauteil (R oder C) für einen stabilen Betrieb. An welcher Stelle?

b) Ein eher sinnloses (an dieser Stelle) Bauteil (R oder C)) ist für das eigentlich richtige Bauteil eingebaut worden. Welcher Wert?

c und d) Das Problem gehört zusammen. Zwei Bauteile wurden jeweils durch einen Draht ersetzt und fehlen (R oder C). Welche Werte? Beim Einschalten könnte u.U. die Netzsicherung ansprechen oder zumindest das Gerät gefährlich werden. Das HF-Teil und das Netzteil sind beteiligt. An welcher Aufgabe sind diese fehlenden Bauteile beteiligt?

e) Nachtrag. Was ist das Besondere dieses NF-Teils?

f) Nachtrag von "Klarzeichner": Warum sind die Katoden der EBF11 und der EFM11 verkoppelt?


Nicht ganz einfach? Auch Teil-Lösungen können genannt werden.

Gruß von Haus zu Haus
Rainer (Forumbetreiber)

"Vom Mund zum Ohr auf dem Strahle der elektrischen Kraft!"

Datei-Anhänge
schlt-51-fehler.jpg schlt-51-fehler.jpg (390x)

Mime-Type: image/jpeg, 281 kB

22.05.16 21:29
Martin.M 

500 und mehr Punkte

22.05.16 21:29
Martin.M 

500 und mehr Punkte

Re: (3) Was ist falsch an diesem Schaltbild?

hallo Rainer,
ich bins schon wieder
Bauteil. der 200 Ohm ist überflüssig
an der ECH, C System: 410pF, 645pF und 5nF würde ich gegen Brücke tauschen.
An der Netzantenne in Serie mit der Leitung zum Trafo müßte ein hochisolierender C rein.
An der Versorgung: parallel zu den Birnchen müssen noch die Heizungen dran.
Am Ausgangsübertrager wird die Primärwicklung rausgeführt und sogar +Anodenspannung. Das sollte doch besser der Sekundäranschluß sein, und abschalten per Stecker den Lautsprecher.

lG Martin

 1 2 3
 1 2 3
Netztrenn-Kondensator   welt-der-alten-radios   Ausgangsübertrager   Betriebsstabilität   Ausgangstransformators   Schaltbild   Besonderheit   Regelcharakteristik   elektrischen   Forumbetreiber   NF-Pentodenverstärkerstufe   UKW-Schwingschutzwiderstand   hintereinandergeschaltet   Abstimmanzeigeröhre   Katodenwiderstand   Demodulatorfilter   Verstärkungsregelung   selbstverständlich   UKW-Schwingungen   Demodulator-Filter