| Passwort vergessen?
Sie sind nicht angemeldet. |  Anmelden

Sprache auswählen:

Wumpus Gollum Forum von
Wumpus Welt der (alten) Radios
Sie sind nicht angemeldet.
 Anmelden

Neuer Sony LCD TV Netzteilproblem
  •  
 1 2 3
 1 2 3
01.10.09 09:42
Andre1210 

500 und mehr Punkte

01.10.09 09:42
Andre1210 

500 und mehr Punkte

Neuer Sony LCD TV Netzteilproblem

Guten Morgen,

ich weiss, mein Problem betrifft zwar ein neues Gerät, habe aber keine passendere Rubrik gefunden. Vielleicht kann mir ja trotzdem jemand helfen.

Es geht um einen 2,5 Jahre alten Sony LCD KDL-S40A11E
Das Gerät hat gar keine Funktion - Das Standby Netzteil liefert keine Spannung
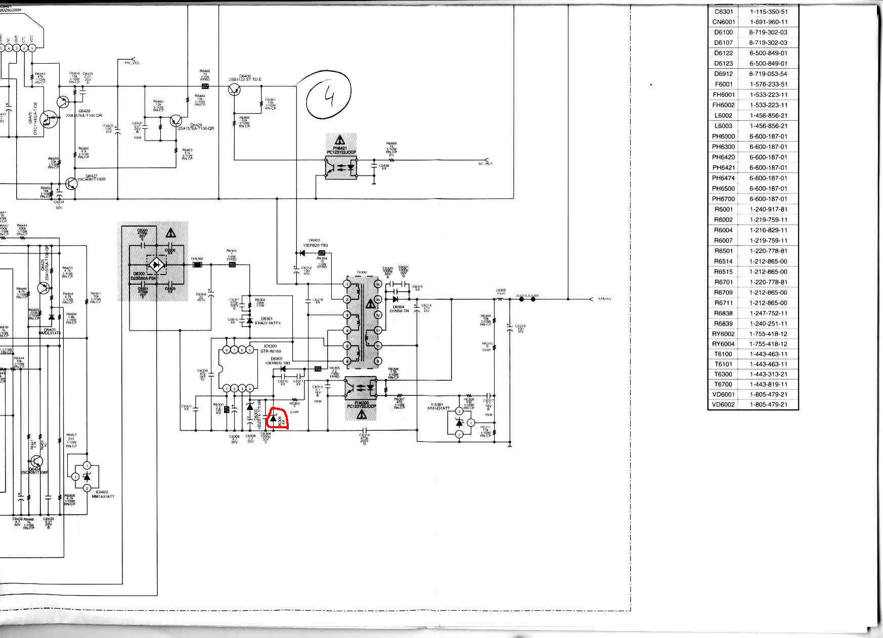
Anbei ein kleiner Auszug der Schaltung.

Ich habe das Gerät von meinem Cousin geschenkt bekommen (Kostenvoranschlag - Kompletter Platinentausch - war ihm zu teuer). Ich möchte das Gerät jetzt für mich wieder fertigmachen.

Das Gerät macht gar nichts. Standby Spannung liegt nicht an.
Im Stanbynetzteil ist ein IC STR-A6169 verbaut. Hinter dem Gleichrichter liegt am IC Spannung an.
An Pin2 des ICs (Vcc) messe ich 3,8V. Das ist bestimmt zu wenig. Keine Ahnung was hier normal ist.
Alle Dioden und Vorwiderstände im Umkreis sind OK (mit Multimeter gemessen).
Da das 6169 etwas beschlagen von oben aussah, habe ich dieses IC neu bestellt und gewechselt. Ohne Veränderung.
Danach ist mir aufgefallen, dass die Zehner Diode D6306 (Zwischen Pin 2 und Masse) nicht mehr da ist.
Vielleicht ist sie in der Werkstatt ausgebaut worden.
Die fehlende Diode ist im Plan rot eingekreist.

Ich habe ein Problem mit dem Verständniss des Schaltplans.
Das A6169 ist doch der Treiber für den Trafo. Wie kommt dann die Versorgungsspannung für das IC zustande? Wenn ich mir den Plan ansehe, sieht es so aus, als würde diese ebenfalls aus dem Trafo kommen (wie geht das?).

Der richtige Schaltplan ist auf dem Postweg zu mir. Mein Auszug ist ein sehr schlechter Scan, auf dem die Bauteile nicht lesbar sind. Somit kann ich die Diode noch nicht ersetzen.
Der Schaltung nach begrenzt die Diode doch die Spannung an Pin2. Die fehlende Diode kann also nicht eine zu niedrige Spannung zur Folge haben. Wo kann hier das Problem liegen?

Bitte helft mir auf die Sprünge. Vielleicht auch nur die Schaltung besser zu verstehen.

Vielen Dank
Andre

Datei-Anhänge
Azszug-4.jpg Azszug-4.jpg (1161x)

Mime-Type: image/jpeg, 195 kB

Noch gefällt der Beitrag keinem Nutzer.
!
!!! Fotos, Grafiken nur über die Upload-Option des Forums, KEINE FREMD-LINKS auf externe Fotos.    

!!! Keine Komplett-Schaltbilder, keine Fotos, keine Grafiken, auf denen Urheberrechte Anderer (auch WEB-Seiten oder Foren) liegen!
Solche Uploads werden wegen der Rechtslage kommentarlos gelöscht!

Keine Fotos, auf denen Personen erkennbar sind, ohne deren schriftliche Zustimmung.

Den Beitrag-Betreff bei Antworten auf Threads nicht verändern!
01.10.09 10:42
Wolle 

500 und mehr Punkte

01.10.09 10:42
Wolle 

500 und mehr Punkte

Re: Neuer Sony LCD TV Netzteilproblem

Hallo Andre.

Kontrolliere bitte auch die Elkos. Häufig führt Kapazitätsverlust zum Ausfall des Netzteils. Ein Schaltnetzteil wird weich nach oben gefahren. Das ist notwendig, weil die entladenen Elkos zunächst einen Kurzschluß darstellen. Hierzu erhält der Schaltkreis eine Startspannung zugeführt, die aber für einen Normalbetrieb des Netzteils nicht reichen würde. Bei dem im Sony eingesetzten Schaltkreis wird diese Startspannung schaltkreisintern generiert. Das erste Anschwingen des Netzteils sorgt dafür, daß die Elkos aufgeladen werden und am Pin 2 des ICs sich die Betriebsspannung aufbaut. Ist diese Spannung für einen sicheren Betrieb des Netzteils aufgebaut, so ist das Netzteil im eingeschwungenen Zustand und liefert die Ausgangsspannungen.
Diese Arbeitsweise sichert eine weitgehende Kurzschlußfestigkeit des Netzteils. Bei einer Überlastung wird die für den eingeschwungenen Betrieb nötige Spannung nicht erreicht, das Netzteil macht nur Startversuche, als "Takten" feststellbar

Mit vielen Grüßen.
Wolle.

01.10.09 10:55
Andre1210 

500 und mehr Punkte

01.10.09 10:55
Andre1210 

500 und mehr Punkte

Re: Neuer Sony LCD TV Netzteilproblem

Hallo Wolle,

danke für Deine Erklärung. Das hilft mir wirklich weiter.
Ich werde die Elkos mal genauer prüfen und ggf. tauschen.

Eine kurze Frage zu der fehlenden Diode.
Der richtige Schaltplan wird erst in ein paar Tagen ankommen. Da ich keinen Typ habe, kann ich sie auch nicht ersetzen.

Meinst Du ich könnte es wagen das Gerät mit neuen Elkos (wenn denn einer zu tauschen ist) mal testen?
War ja jetzt auch oft genug ohne dies am Netz.

Gruß
Andre

01.10.09 11:10
Wolle 

500 und mehr Punkte

01.10.09 11:10
Wolle 

500 und mehr Punkte

Re: Neuer Sony LCD TV Netzteilproblem

Hallo Andre.

Die Z- Diode am Pin 2 hat eine reine Begrenzerfunktion. Es ist wahrscheinlich, daß sie nie eingebaut wurde. Solche Abweichungen findet man bei allen Herstellern. Du kannst das Netzteil auch ohne diese Diode sicher in Betrieb nehmen.
Der Schaltungsauszug verrät leider nicht, wie hoch die Spannung Ustandby ist. Sonst könnte man an der Diode D6004 an der Kathode eine Spannung einspeisen. Ich kann nur vermuten, daß diese Spannung Plus 5 Volt beträgt. Wenn keine weiteren Fehler vorliegen, müßte sich das Gerät dann in Betrieb setzen lassen.

Viele Grüße.
Wolle

01.10.09 11:18
Andre1210 

500 und mehr Punkte

01.10.09 11:18
Andre1210 

500 und mehr Punkte

Re: Neuer Sony LCD TV Netzteilproblem

Hallo Wolle,

auf der Platine ist eine Beschriftung mit 5V. Ich hatte auch schon gedacht, dort geregelte 5V einzuspeisen, doch am Trafo im Auszug (Pin 1-2) wird intern noch eine Spannung abgegriffen.
Die wird bestimmt auch benötigt. Hier habe ich keine Ahnung wie hoch die sein muss.
Diese interne Spannung führt wiederum zu einem IC als Versorgungsspannung.
Da ich auf der Arbeit bin kann ich den Typ jetzt nicht sagen. Wenn wir den kennen, könnte man evtl. auch eine Spannung schätzen. Vielleicht hast Du da ja dann noch eine Idee.

Ich werde erstmal heute Abend die Kondensatoren prüfen. Wenn ich dann nicht weiterkomme, erwäge ich noch mal die externe Spannungseinspeisung mit 2 externen Netzteilen (Die eine Spannung ist ja auf der Netz-Seite).

danke
Gruß
Andre



02.10.09 08:50
Andre1210 

500 und mehr Punkte

02.10.09 08:50
Andre1210 

500 und mehr Punkte

Re: Neuer Sony LCD TV Netzteilproblem

Hallo Wolle,

hier die Ergebnisse von gerstern Abend:

Ich habe alle Elkos im Zusammenhang mit dem Standby Netzteil ausgebaut gemessen (alles bestens) und trotzdem getauscht.
Ohne Ergebnis - gleiches Verhalten.

Dann habe ich mir die beiden Ausgänge angesehen (5V Stby und interne Spannung). Kein Widerstand messbar (kein Schluss).

An Pin 2 messe ich zwar 3,8V, doch ich kann keinerlei Takten erkennen. Die Anderen Ausgänge des Trafos liefern nicht ein bischen Spannung (habe leider kein Oszi um auf einen Peak zu achten). Kann es sein, dass die Spannung intern aus dem IC zurückkommt?
Am Startup des ICs (Pin5) liegen volle 300V an (direkt vom Gleichrichter).

Zum Schluss habe ich dann ein gutes geregeltes 5V Steckernetzteil angeklemmt (hinter der Diode wo Du sagtest).

Jetzt hatte ich schon eine LED vorne. Ich konnte mit der Power-Tastste schalten, aber nur die Relais klickten.
Anschließend habe ich an dem anderen Ausgang erst eine, dann 2 9V Batterien in Reihe angeklemmt und siehe da, das Gerät läuft einwandfrei.

Hast Du noch eine Idee woran es liegen könnte?

Viele Grüße
Andre

02.10.09 10:38
Wolle 

500 und mehr Punkte

02.10.09 10:38
Wolle 

500 und mehr Punkte

Re: Neuer Sony LCD TV Netzteilproblem

Hallo Andre.

Erst einmal schön, daß au0er dem Netzteil standby keine weiteren Fehler vorliegen. Möglich wären noch ein Defekt der Diode D6906, eventuell mit einer 1N4148 ersetzen. Ein Defekt des Trafos wäre auch noch möglich. In diesem Fall kommt das Netzteil auch nicht in den eingeschwungenen Betrieb. Kontrolliere doch bitte einmal, ob dieser Trafo die Nummer 1-443-313-21 hat. Zu dem Gerät selbst sind leider kaum Ersatzteile abgelegt, so daß ich mich nur auf den Schaltplanauszug beziehen kann. Hat der Koppler auf der Primärseite Kurzschluß oder einen Übergangswiderstand?
Das wären Möglichkeiten, die zunächst noch abzuklären sind.

Mit vielen Grüßen.
Wolle

02.10.09 11:09
Andre1210 

500 und mehr Punkte

02.10.09 11:09
Andre1210 

500 und mehr Punkte

Re: Neuer Sony LCD TV Netzteilproblem

Hallo Wolle,

danke für Deine Antwort.
Was ich so in Erinnerung habe ist es der T6300 mit der angegebenen Teilenummer. Muss ich aber noch mal sicherheitshalber überprüfen.
Ich hoffe nicht, dass es der Trafo ist. Der Radio und Fernsehladen um die Ecke (einer der einzigen hier in der Gegend, der noch richtig selbst repariert) hat auf seiner Webseite eine Suchfunktion für Ersatzteile. Für den KDL-S40A11E ist einiges gelistet, aber fast alles mit dem Zusatz "nicht mehr Lieferbar".

Werde aber erstmal heute Abend Deine Vorschläge prüfen.

Für den Fall, dass ich hier nicht weiterkomme, habe ich mir hier in der Firma 2 kleine Netzteile organisiert (5V und 12V).
Unten im Gehäuse ist noch viel Platz. Zur größten Not wird das Standby Netzteil komplett ersetzt.

Gruß
Andre

02.10.09 13:52
Wolle 

500 und mehr Punkte

02.10.09 13:52
Wolle 

500 und mehr Punkte

Re: Neuer Sony LCD TV Netzteilproblem

Hallo Andre.

Der standby- Trafo müßte nach meinen Informationen noch lieferfähig sein, allerdings mit einer Zeit von 2 Wochen. Nur ist der Preis aus meiner Sicht unchristlich. Ich habe aktuell das gleiche Problem mit einem Gerät der Schüttgutverteiler. Hier war der Controllerschaltkreis explodiert und hat auch den Trafo mitgenommen (Windungsschluß). Nur sind hier alle Teile abgekündigt und nicht mehr lieferbar.

Mit vielen Grüßen.
Wolle

02.10.09 17:43
Wolle 

500 und mehr Punkte

02.10.09 17:43
Wolle 

500 und mehr Punkte

Re: Neuer Sony LCD TV Netzteilproblem

Hallo Andre, hallo alle zusammen.

Da ich ein aktuelles Problem mit dem standby- Netzteil eines Flachmanns angerissen habe, hier noch einige weiteren Informationen. Der Ansteuerschaltkreis (FSD200) war explodiert und hatte dabei den Trafo beschädigt. Da nach einer Fremdeinspeisung der Spannung Plus 5 Volt das Gerät arbeitsfähig war, wurde nach einem äquivalenten Ersatz für den Trafo gesucht. Als Lösung wurde der Trafo aus einen Ladegerät für Handyakkus modifiziert (Anschlußfolge) und eingabaut. Damit war das Netzteil wieder funktionstüchtig und der Verschrottungszeitpunkt des Gerätes etwas nach hinten verlagert.

Mit vielen Grüßen.
Wolle

 1 2 3
 1 2 3
Spannung   Schaltgeschwindigkeit   Ansteuerschaltkreis   Versorgungsspannungsspannung   Versorgungsspannung   Netzteilproblem   Controllerschaltkreis   Gleichrichterdioden   Beschaffungsproblem   Kurzschlußfestigkeit   Verschrottungszeitpunkt   Wechslestrombereich   Spannungseinspeisung   Netzteil   Wechselspannungsbereich   Spannungsfestigkeit   Spannungsunterschied   Gleichspannungsbereich   Spannungsversorgung   Klopfempfindlichkeit