| Passwort vergessen?
Sie sind nicht angemeldet. |  Anmelden

Sprache auswählen:

Wumpus Gollum Forum von
Wumpus Welt der (alten) Radios
Sie sind nicht angemeldet.
 Anmelden

Bildausgangsübertrager Loewe Opta "Optalux 619" BJ. 55
  •  
 1 2 3 4
 1 2 3 4
07.05.09 19:31
Philetta 

100-249 Punkte

07.05.09 19:31
Philetta 

100-249 Punkte

Re: Bildausgangsübertrager Loewe Opta "Optalux 619" BJ. 55

Moin Gerrit

Ja, das wäre super! Schaltplan hängt drann.

Grüße,
Thorsten


...wenn das Dampfradio seinem Namen alle Ehre macht, könnte es an der 10A Sicherung liegen...

!
!!! Fotos, Grafiken nur über die Upload-Option des Forums, KEINE FREMD-LINKS auf externe Fotos.    

!!! Keine Komplett-Schaltbilder, keine Fotos, keine Grafiken, auf denen Urheberrechte Anderer (auch WEB-Seiten oder Foren) liegen!
Solche Uploads werden wegen der Rechtslage kommentarlos gelöscht!

Keine Fotos, auf denen Personen erkennbar sind, ohne deren schriftliche Zustimmung.

Den Beitrag-Betreff bei Antworten auf Threads nicht verändern!
07.05.09 20:18
Philetta 

100-249 Punkte

07.05.09 20:18
Philetta 

100-249 Punkte

Re: Bildausgangsübertrager Loewe Opta "Optalux 619" BJ. 55

... Schaltplan wollte nicht so, wie ich wollte, könnte ihn aber als Mail schicken.
Denn eben nur die Röhrenbetückung
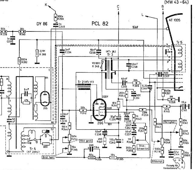
PCC84 PCF80 EF80 EF80 EF80 PCL81 PABC80 PCF80 PCL82 ECC82 PL81 PY81 DY86 PL82 MW43-64

Grüße,
Thorsten

...wenn das Dampfradio seinem Namen alle Ehre macht, könnte es an der 10A Sicherung liegen...

08.05.09 10:16
Wolle 

500 und mehr Punkte

08.05.09 10:16
Wolle 

500 und mehr Punkte

Re: Bildausgangsübertrager Loewe Opta "Optalux 619" BJ. 55

Hallo Thorsten.

Für den Ersatz Deines Ausgangstrafos sehe ich nur zwei Möglichkeiten. Entweder Originalersatz, bzw. Nachwickeln, oder Umbau der VK- Schaltung mit einem Trafo aus einem Gerät mit einem Ablenkwinkel von 70 Grad. Hier bleibt aber als Unbekannte die Induktivität der Ablenkeinheit.

Mit vielen Grüßen.
Wolle

Datei-Anhänge
VK_Loewe.jpg VK_Loewe.jpg (493x)

Mime-Type: image/pjpeg, 94 kB

08.05.09 21:45
Philetta 

100-249 Punkte

08.05.09 21:45
Philetta 

100-249 Punkte

Re: Bildausgangsübertrager Loewe Opta "Optalux 619" BJ. 55

Moin

Der Loewe läuft wieder. Habe es mit dem Philips BA doch hinbekommen. Vielen Dank für eure nette Unterstützung.

Schöne Grüße,
Thorsten


...wenn das Dampfradio seinem Namen alle Ehre macht, könnte es an der 10A Sicherung liegen...

09.05.09 12:00
roehrenfreak

nicht registriert

09.05.09 12:00
roehrenfreak

nicht registriert

Re: Bildausgangsübertrager Loewe Opta "Optalux 619" BJ. 55

Moin Thorsten,

nicht schlecht, Herr Specht! Welche Griffe in die Trickkiste führten denn zum Erfolg, würde mich mal so interessieren weil ich nicht geglaubt hätte, daß ein 90°-Trafo auch mit einer 70°-Ablenkspule "zu verheiraten" möglich ist. Auf jeden Fall supi, daß dieser schöne alte Loewe-Opekta (wie mein Oma immer sagte) ins Leben zurück gekommen ist.

Freundliche Grüsse,
Jürgen rf

Noli turbare circulos meos (Störe meine KREISE nicht! - Archimedes)

09.05.09 14:59
Philetta 

100-249 Punkte

09.05.09 14:59
Philetta 

100-249 Punkte

Re: Bildausgangsübertrager Loewe Opta "Optalux 619" BJ. 55

Moin Jürgrn

Bei dem Philips Trafo habe ich die interne Brücke getrennt und dann die Brücke, wie im Loewe Plan gelegt. Zwischen TR2 und R253/C251 habe ich noch ein Poti 470 Ohm reingesetz, um das Bild passend in die Röhre zu bekommen. Ansonsten hätte ich noch eine Passende AE und eine MW43-80 gehabt. Die Röhre hätte mechanisch sogar ohne Probleme gepasst.
Jetzt muß ich noch die Horizontalablenkung stabil bekommen, sonst muß ich alle 3min nachregeln. Hoffentlich wird das was, da die Siebdrossel aus einem Saba stammt und die alte unteranderem einen Masseschluß hat.

Schöne Grüße,
Thorsten

...wenn das Dampfradio seinem Namen alle Ehre macht, könnte es an der 10A Sicherung liegen...

09.05.09 15:52
roehrenfreak

nicht registriert

09.05.09 15:52
roehrenfreak

nicht registriert

Re: Bildausgangsübertrager Loewe Opta "Optalux 619" BJ. 55

Hallo Thorsten,

ah ja! Gut gemacht. Das Problem mit dem Weglaufen des ZO scheint bei diesem Modell sowas wie ein Feature zu sein:

> Der "619er" meiner Eltern hatte diesen Fehler
> Ein "619er", den ich rund 15 Jahre später reparierte, ebenfalls das gleiche Problem

Das mag vielleicht daran liegen, das der ZO im "619" schaltungstechnisch eigentlich ein einfacher Multivibrator ist, dessen Synchronisation einige Unzulänglichkeiten aufweist. Andere Geräte verwenden einen Sinusoszillator mit Reaktanzstufe zur Frequenznachregelung, angesteuert von der Regelspannung aus einer Phasenvergleichsschaltung, was offensichtlich stabiler arbeitet und einen breiteren Regelbereich zulässt. Ist natürlich etwas mehr Schaltungsaufwand. Ich kann mich noch gut erinnern, daß der Zeilenfangsteller sehr feinfühlig bedient werden wollte damit das Bild nicht kurze Zeit später wieder wegkippte.

Freundliche Grüsse,
Jürgen rf

Noli turbare circulos meos (Störe meine KREISE nicht! - Archimedes)

09.05.09 20:23
Philetta 

100-249 Punkte

09.05.09 20:23
Philetta 

100-249 Punkte

Re: Bildausgangsübertrager Loewe Opta "Optalux 619" BJ. 55

... und ich such wie so´n Blöder noch den Fehler!? Dann scheint jetzt ja soweit alles ok zu sein. Falls er dann doch einmal nicht mehr weg laufen sollte, dann ist er dann doch defekt!??
Muß jetzt noch mal sehen, mit der Helligkeitsreglung, die regelt nicht richtig runter. Könnte aber an der schlechten Bildflasche liegen. Bei voller Helligkeit macht er ein recht gutes Bild, bei weniger Helligkeit verliert er stark an Kontrast.

Grüße,
Thorsten


...wenn das Dampfradio seinem Namen alle Ehre macht, könnte es an der 10A Sicherung liegen...

09.05.09 21:38
roehrenfreak

nicht registriert

09.05.09 21:38
roehrenfreak

nicht registriert

Re: Bildausgangsübertrager Loewe Opta "Optalux 619" BJ. 55

Hi Thorsten,

nun ja - möglicherweise sind in Deinem "619" die ECC82 (Zeilenoszillator) und / oder die PCF80 (Amplitudensieb) nicht mehr ganz frisch, bzw die Kondensatoren C221, 223, 224 als "Hauptkandidaten" nicht mehr ganz fit, wenn die Zeilenfrequenz auch nach mehr als einer Stunde Betriebszeit immer noch wegläuft. Einfach mal so als Vorschlag... Probieren geht über Studieren, oder?

Freundliche Grüsse,
Jürgen rf

Noli turbare circulos meos (Störe meine KREISE nicht! - Archimedes)

09.05.09 22:55
Philetta 

100-249 Punkte

09.05.09 22:55
Philetta 

100-249 Punkte

Re: Bildausgangsübertrager Loewe Opta "Optalux 619" BJ. 55

Jürgen, der Tip C223 war gut. ...der C223 könnte es gewesen sein. Das war auch einer der ganz wenigen Kondensatoren, die nicht erneuert habe, da kleiner Folienkondensator. Wimas, Eros und... sind alle erneuert, auch die Röhren hatte ich schon getauscht.
... er hat jetzt schon mehr wie 5 min., ohne Nachregeln geschaft.

Schöne Grüße,
Thorsten


...wenn das Dampfradio seinem Namen alle Ehre macht, könnte es an der 10A Sicherung liegen...

 1 2 3 4
 1 2 3 4
Verpopelungsspuren   wettbewerbsrechtlichen   Archimedes   schaltungstechnisch   Thorsten   Optalux   Ionenfallenmagneten   Betreibsbedinungen   Phasenvergleichsschaltung   Freundliche   Folienkondensator   circulos   Unzulänglichkeiten   Sicherung   Horizontalablenkung   Dampfradio   Helligkeitsreglung   Frequenznachregelung   Bildausgangsübertrager   Vergleichstabelle