| Passwort vergessen?
Sie sind nicht angemeldet. |  Anmelden

Sprache auswählen:

Wumpus Gollum Forum von
Wumpus Welt der (alten) Radios
Sie sind nicht angemeldet.
 Anmelden

Graetz Kornett F247
  •  
 1 2 3 4
 1 2 3 4
31.10.09 21:05
digitalfunk

nicht registriert

31.10.09 21:05
digitalfunk

nicht registriert

Re: Graetz Kornett F247

Hallo

Ich versuche mal Teile des Schaltplans einzufügen.
Vorsicht bei defekten Netzschaltern, auf keinen Fall überbrücken, sonst bleibt evtl. der Kontakt für die Leuchtpunktunterdrückung geschlossen, d.h. die Helligkeit fährt bei laufendem Gerät auf max., was dem ZTR und der Bildröhre übel bekommt.
Das kann auch bei schwergängigen Netzschalter passieren, könnte bei Deinem FS die Ursache sein!
Gruß
Hans

!
!!! Fotos, Grafiken nur über die Upload-Option des Forums, KEINE FREMD-LINKS auf externe Fotos.    

!!! Keine Komplett-Schaltbilder, keine Fotos, keine Grafiken, auf denen Urheberrechte Anderer (auch WEB-Seiten oder Foren) liegen!
Solche Uploads werden wegen der Rechtslage kommentarlos gelöscht!

Keine Fotos, auf denen Personen erkennbar sind, ohne deren schriftliche Zustimmung.

Den Beitrag-Betreff bei Antworten auf Threads nicht verändern!
31.10.09 21:09
StefanH. 

250-499 Punkte

31.10.09 21:09
StefanH. 

250-499 Punkte

Re: Graetz Kornett F247

Hallo Hans!

Habe gestern den Wickel gemessen: 241Ohm, das sollte passen. Bei einem Probelauf heute, nachdem alle fraglichen Kondensatoren gewechselt wurden, zeigte sich, dass g1 an der PL36 nicht negativ vorgespannt ist. Woran könnte das liegen?
Gruß,
Stefan

31.10.09 21:35
digitalfunk

nicht registriert

31.10.09 21:35
digitalfunk

nicht registriert

Re: Graetz Kornett F247

Hallo, Stefan

Das weiß ich auf die Schnelle auch nicht, da müßte ich morgen noch mal nachmessen. Habe den Kalif F251 mit gleichem Chassis als Truhengerät.
Sorry, ich kriege den Schaltplan nicht eingescannt
Gruß
Hans

01.11.09 08:26
Wolle 

500 und mehr Punkte

01.11.09 08:26
Wolle 

500 und mehr Punkte

Re: Graetz Kornett F247

Hallo Stefan.

Am Gitter 1 der PL36 müssen etwa Minus 50 Volt zu messen sein. Wenn diese Spannung fehlt, müßten die Anodenbleche der PL36 glühen. Ursache ist die fehlende Ansteuerung der Röhre. Dieses Ansteuersignal wird mit der Röhre PCF80 erzeugt. Hier sind am F- System die Spannungen zu messen und die beteiligten Bauelemente zu kontrollieren.

Mit vielen Grüßen.
Wolle

Zuletzt bearbeitet am 01.11.09 08:37

Datei-Anhänge
HK-Ablenkung.png HK-Ablenkung.png (467x)

Mime-Type: image/x-png, 86 kB

01.11.09 10:24
digitalfunk

nicht registriert

01.11.09 10:24
digitalfunk

nicht registriert

Re: Graetz Kornett F247

Hallo, Stefan

Habe heut am laufenden Gerät gemessen,
Die Spannung am Gitter beträgt -53 V,
die Schirmgitterspannung 173V, die läuft über einen Drahtwiderstand, der gern durchgebrannt ist.
Der HSP-Wickel hat ca 230 Ohm.
Gruß
Hans

01.11.09 11:02
Airwaves 

500 und mehr Punkte

01.11.09 11:02
Airwaves 

500 und mehr Punkte

Re: Graetz Kornett F247

Hallo Hans,

hast Du den HSP-Wickel auch bei laufendem Gerät durchgemessen?

(Kleiner Scherz, bitte nicht böse sein!)

Grüße, Christian

01.11.09 19:53
StefanH. 

250-499 Punkte

01.11.09 19:53
StefanH. 

250-499 Punkte

Re: Graetz Kornett F247

Hallo an alle Beteiligten!

Auch ich habe heute gemessen: G2 Pl36: 169V, G1 an PL36 sowie A im F-System der PCF80 undefinierbarer Müll, G4 an EH90 18,4V, A Triode der PCF 80 hat 153V, K derselben hat 11,4V sowie K im F-System 19,4V. Die Bauteile scheinen laut Messgerät alle in Ordnung zu sein. Kann es sein, dass ein möglicherweise defekter Zeilentrafo Rückwirkungen auf die Schaltung hat, dass solche Fehler auftreten oder müsste der Zeilenoszillator immer schwingen? Am C432 mit seinen 8mü bei 500/550 Volt messe ich nur ca. 123V. Auch der Tausch aller bisher beschriebenen Röhren half nicht weiter. Es müsste doch mal eine Fehlerursache zu finden sein.
Nebenbei bemerkt: Das Gerät wurde mal von Selengleichrichter auf Diode umgebaut.

Viele Grüße, Stefan

02.11.09 16:27
roehrenfreak

nicht registriert

02.11.09 16:27
roehrenfreak

nicht registriert

Re: Graetz Kornett F247

Hallo Stefan,

der ZO schwingt unabhängig von der ZE. Beunruhigend ist, daß an dem 8µF-Elko nur 123 Volt anliegen. Dieser Elko war immer ein Schwachpunkt in diesen Chassis und schuld an gravierenden Vertikal-Fehlern! Ein ganz heißer Kandidat also. Den R445 (470kOhm) bitte ebenfalls prüfen/ersetzen.

Wenn es im Innern der ZTR-Wicklung zu Überschlägen kommt können sämtliche Messungen um die ZE "Grütze" sein. Frage: Wird der ZTR nach sehr kurzer Laufzeit heiß? Wird das Anodenblech der PL36 rot-glühend? Das deutet ebenfalls auf den ZTR.

Wird die Anode der PY88 rot? Dafür käme der Boosterkondensator C426 in Betracht. Bei dessen Austausch unbedingt auf ausreichende Spannungsfestigkeit achten!

Freundliche Grüsse,
Jürgen rf

Noli turbare circulos meos (Störe meine KREISE nicht! - Archimedes)

Zuletzt bearbeitet am 02.11.09 16:31

02.11.09 18:15
StefanH. 

250-499 Punkte

02.11.09 18:15
StefanH. 

250-499 Punkte

Re: Graetz Kornett F247

Hallo Jürgen!

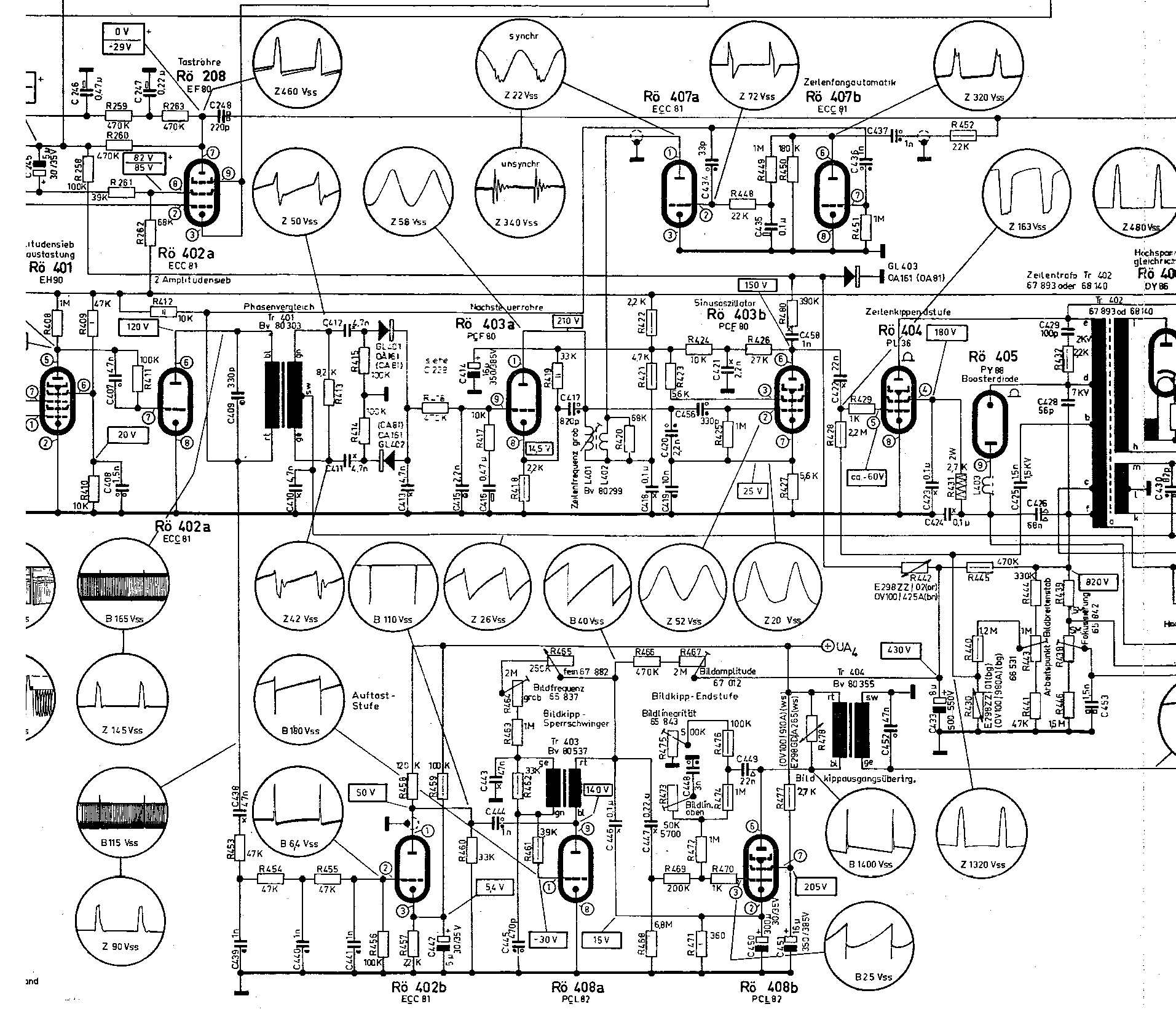
So langsam wird es ohne passenden Plan ungemütlich bis unmöglich bestimmte Teilenummern zuzuordnen. Der Zeilentrafo bleibt kalt. Ich kann zwar mit dem Oszi die nötige Schwingung am g1 der Pl36 nachweisen, nur mit den -50 bis 60Volt ist es nicht weit her. Auch deswegen hat die alte PL36 schon rote Backen bekommen. Ich kann weder an der PY noch an der PL Funken ziehen. Wenn ich die die Kathode der PCF80 mit dem Chassis verbinde, lässt sich an der Anode (Pin 6) eine Spannung von 240 Volt messen. Trenne ich diese Verbindung wieder auf, kommen wieder die wildesten "Überschwinger" auf den Oszischirm. Ich habe leider keinen passenden Schaltplan. Ein anderer Forumsteilnehmer hat mal geschrieben, dass er einen hätte und ihn zumailen könnte. Eine Anfrage blieb aber unbeantwortet. Ich glaube, es war "Pendler" mit seinem Kornett. Ich blicke hier langsam nicht mehr durch....

Grüße, Stefan

02.11.09 20:50
digitalfunk

nicht registriert

02.11.09 20:50
digitalfunk

nicht registriert

Re: Graetz Kornett F247

Hallo, Stefan

Vielleicht geht´s jetzt...
Gruß
Hans

Datei-Anhänge
könig trafo.jpg könig trafo.jpg (471x)

Mime-Type: image/pjpeg, 153 kB

kornett II.jpg kornett II.jpg (493x)

Mime-Type: image/pjpeg, 179 kB

kornett II 002.jpg kornett II 002.jpg (446x)

Mime-Type: image/pjpeg, 197 kB

kornett II 003.jpg kornett II 003.jpg (432x)

Mime-Type: image/pjpeg, 195 kB

 1 2 3 4
 1 2 3 4
Becherkondensatoren   erhaltungswürdigen   Jürgen   Symetrierwiderstände   Spannungsfestigkeit   Schirmgitterspannung   Zeilenlinearitätsspule   Boosterkondensator   Freundliche   Hochspannungswickel   Kornett   wumpus-gollum-forum   Zeilentrafo   Fehlermöglichkeiten   Grüße   Gebrauchtzeilentrafos   Leuchtpunktunterdrückung   Archimedes   Luftfeuchteeinschluß   Papierkondensatoren