| Passwort vergessen?
Sie sind nicht angemeldet. |  Anmelden

Sprache auswählen:

Wumpus Gollum Forum von
Wumpus Welt der (alten) Radios
Sie sind nicht angemeldet.
 Anmelden

Grundig Zauberspiegel 336 Bild läuft - vertikale synchronisation
  •  
 1 2 3
 1 2 3
31.01.19 10:16
Andre1210 

500 und mehr Punkte

31.01.19 10:16
Andre1210 

500 und mehr Punkte

Re: Grundig Zauberspiegel 336 Bild läuft - vertikale synchronisation

Guten Morgen,

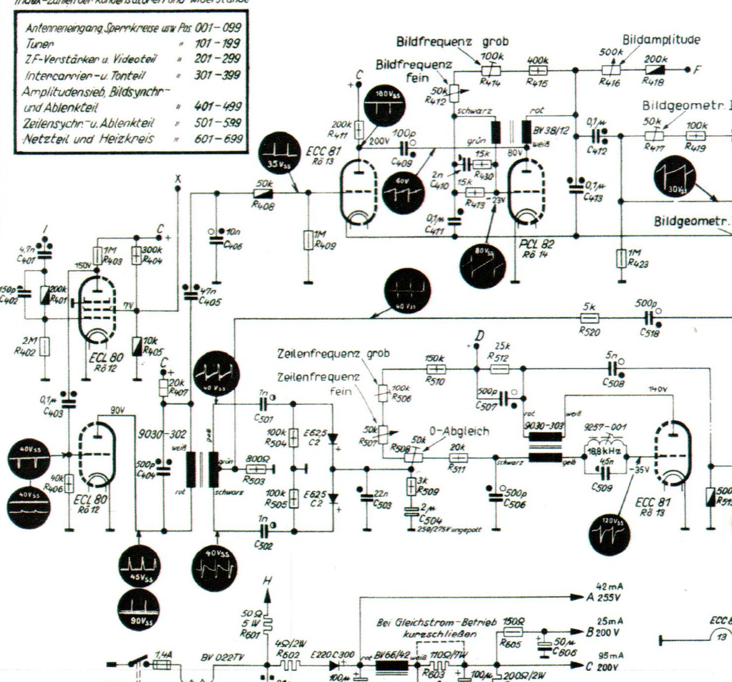
hier wie angekündigt, der dazugehörige Schaltplanauszug.
Mir ist nicht so klar, wo die negative Vorspannung am Gitter der ECL80 Pentode entsteht, und warum sich diese
beim Betrieb ändert.

Viele Grüße
André

Datei-Anhänge
auszug_336.jpg auszug_336.jpg (529x)

Mime-Type: image/jpeg, 293 kB

!
!!! Fotos, Grafiken nur über die Upload-Option des Forums, KEINE FREMD-LINKS auf externe Fotos.    

!!! Keine Komplett-Schaltbilder, keine Fotos, keine Grafiken, auf denen Urheberrechte Anderer (auch WEB-Seiten oder Foren) liegen!
Solche Uploads werden wegen der Rechtslage kommentarlos gelöscht!

Keine Fotos, auf denen Personen erkennbar sind, ohne deren schriftliche Zustimmung.

Den Beitrag-Betreff bei Antworten auf Threads nicht verändern!
31.01.19 11:06
ELEK 

250-499 Punkte

31.01.19 11:06
ELEK 

250-499 Punkte

Re: Grundig Zauberspiegel 336 Bild läuft - vertikale synchronisation

Hallo,

die Gittervorspannung entsteht hier wie bei einem Audion-Empfänger durch Gittergleichrichtung und die Eingangsbeschaltung am Gitter.
Die Gittervorspannung wird so hoch, daß nur noch die Synchronimpulse die Röhre schalten, d.h. der Bildinhalt wird ausgeblendet, das ist ganz wichtig für eine gute Zeilensynchronisation... (im Prinzip ist diese R-C-Beschaltung in Zusammenwirken mit der Röhre (Audion) die Synchronimpuls-Abtrennstufe "Amplitudensieb").
Die Änderung bei einem Sender über die Zeit deutet auf jeden Fall auf einen Fehler hin, kann auch sein, daß das BAS-Signal kleiner wird, also auch das BAS-Signal kontrollieren und den Zweig, woher es kommt...
Von Sender zu Sender ändert sich natürlich die negative Vorspannung, je nach Größe des BAS-Signals stellt sich die Vorspannung so ein, daß die Sy-Impulse durchrutschen und der Bildinhalt nicht die Röhre steuern kann

Du mußt unbedingt auch die kleineren Kondensatoren austauschen, WENN das Papierkondensatoren (Problemkondensatoren) sind.
Die manchmal genannte Wertbegrenzung für zu tauschene Kondensatoren rührt daher, daß man allg. Kunstfolie- oder Keramik-Cs bis 1...(10)nF nicht tauschen muß (Schwingkreise, Neutralisation u.a. HF-Anwendungen). Ich bin da eher auf die Bauform aus und find auch besser, wenn man das so abgrenzt, als nach den Werten.

Wenn Die Amplitude der Sy-Impulse zu klein ist, kann das auch an driftenden Widerständen liegen, aber Du bist ja vollkommen auf dem richtigen Weg...

Vielleicht ist bei dem Gerät in der Ruhezeit auch nur die Grundfrequenz im Vertikalgenerator weggelaufen ? Da gibts doch meistens einen Grobregler, der üblicherweise auf stehendes Bild in Mittelstellung des Feinreglers eingestellt wird.
Es muß also auch ohne Synchronisation möglich sein, das Bild mit dem Feinregler zwischen von oben nach unten laufend, wie auch von unten nach oben "springend" einzustellen. Zu dieser Kontrolle kann man die Synchronimpulse an geeignetem Ort kurzzschließen und damit die Synchronisation unterbinden.

Kann aber wirklich sein, so wie Du es schreibst, daß die VK-Synchronimpulse zu klein sind. Aber wie gesagt, muß man durch Messungen, Bauteileprüfungen und probeweise Rö-Wechsel eingrenzen, größere Probleme sind da nicht zu erwarten.

Gruß Ingo

Zuletzt bearbeitet am 31.01.19 11:11

31.01.19 12:00
Andre1210 

500 und mehr Punkte

31.01.19 12:00
Andre1210 

500 und mehr Punkte

Re: Grundig Zauberspiegel 336 Bild läuft - vertikale synchronisation

Hallo Ingo,
danke für deine ausführliche Antwort.
Zu den Kondensatoren.
Ich habe alle Papierkondensatoren und Wima Bomben getauscht.
Übrig sind nur noch diese durchsichtigen Kunststofffolien Kondensatoren. In diesem Gerät alle <= 10nF
Aus den Oszilogrammen ist zu sehen, dass die Impulse gut getrennt werden. Nur sind diese nur halb so hoch wie im Schaltplan erwartet.

Mit dem V Fang Regler kann ich gut das Rollen in beide Richtungen ändern. Die
Mittelstellung des Reglers kommt auch hin. Nur dass es überhaupt nicht
"rasret", solange die Gitterspannung <-6V liegt.

Bei -8V habe ich eine Anodenspannung von 127V gemessen.
Bei -6V liegt die Anodenspannung bei 136V
Müsste das nicht umgekehrt sein?

Ich denke dass durch die zu niedrige Anodenspannung die Verstärkung zu niedrig ist.
Aber zwischen Anode und C+ mit 210V liegt doch nur der R403 mit 1MOhm. Oder könnte der driften?

Grüße
Andre

31.01.19 12:15
ELEK 

250-499 Punkte

31.01.19 12:15
ELEK 

250-499 Punkte

Re: Grundig Zauberspiegel 336 Bild läuft - vertikale synchronisation

...Ja, da hast Du Recht, man würde eigentlich erwarten, daß die Ua kleiner wird, wenn die -Ug1 kleiner wird (mehr Ruhestrom).
Aufgrund der speziellen Schaltung würd ich das nicht pauschal als Fehler einordnen.

Miß doch mal den 1M-Anodenwiderstand mit dem Ohmmeter oder wechsel den gegen einen hübschen Neuen (geht auch zum Testen 1/10W oder besser 2x 470kOhm in Reihe), viell ist der zu groß geworden. ECL80 mal probeweise getauscht ?

Ansonsten routinemäßig auch mal die anderen Widerstände durchklingeln, "spot-checking".

Du hast ja wirklich schönen Plan mit allen Gleichspannungen und Oszillogrammen, das muß rel einfach zu finden sein... "einfach" bedeutet nicht, daß der Einzelfehler doch kompliziert sein kann, z.B. wenn ungünstige Wechselwirkungen zwischen mehreren Fehlern...Drift auftreten ^^

Gruß Ingo

01.02.19 12:00
Andre1210 

500 und mehr Punkte

01.02.19 12:00
Andre1210 

500 und mehr Punkte

Re: Grundig Zauberspiegel 336 Bild läuft - vertikale synchronisation

Hi Ingo,

ja ich habe sogar 3 Pläne, da das Gerät im Laufe der Bauzeit wohl modifiziert wurde. Und selbst bei mir erkenne ich eine Abweichung, die in keinem Plan vorhanden ist, aber von der Lötung her original wirkt:
Der Kondensator C406 vor dem Gitter der ECC81 liegt auf allen 3 Plänen auf Masse.
Bei mir geht er aber zur Kathode der ECC81, die 17V höher aufgehängt ist.

Bei meinem Fehler bin ich aber noch nicht weiter. Die Widerstände sind alle OK.
Beil letzten Test, haben sich die Spannungen nicht wie beim letzen mal zum besseren verändert.
Der 70k Widerstand R229 an der PL83 ist ewas dunkel, aber vom Wert her in Ordnung.
Ich habe aber noch einen Elko C223 8µF entdeckt, der noch nicht getauscht wurde.
Das Meßgerät zeigt keinen Widerstand und einen Wert von 7µF an.
Werde ihn aber trotzdem mal tauschen. Muss mir aber erst was passendes besorgen.
Die ECL80 hatte ich schon getauscht. Werde nochmal mehr im Umfeld der PL83 messen und wenn ich noch eine finde, diese auch mal tauschen.
Meine "Werkstatt" ist winterbedingt etwas eingeschränkt. Daher kann es ein paar Tage dauern, bis ich weitere Ergebnisse habe.

Viele Grüße
André

Datei-Anhänge
PL83.jpg PL83.jpg (528x)

Mime-Type: image/jpeg, 75 kB

01.02.19 17:59
ELEK 

250-499 Punkte

01.02.19 17:59
ELEK 

250-499 Punkte

Re: Grundig Zauberspiegel 336 Bild läuft - vertikale synchronisation

Hallo,

die PL83 ist die Videoendstufe, wenn Ug2 o.k. ist, ist der 70k-Wid und der C223 o.k. kannst ja den C trotzdem mal routinemäßig tauschen... wenn das Bild kontrastreich ist, ist die PL83-STufe ansich in Ordnung, dann muß ab der SIgnalabkopplung zum Amplitudensieb gesucht werden.

Der C406 ist einer der Integrationskondensatoren für die Bildung und Formung des Vertikalsynchronimpulses, wenn die Spannung am Gitter der Rö13 stimmt (ECC81) kann er auch an der Katode bleiben, ich würde ihn aber mal versuchsweise lieber an Masse packen, ich weiß auch nicht, was original ist, gefühlsmäßg ist an Masse besser, denn an der Katode könnte was gegenkoppeln und die Integration beeinflussen. Besser an Masse, wenn es so aussieht, als sei es nicht orignal so.

Entscheidend ist, daß an der Anode der ECC über C409 100pF (schon geprüft ob o.k. ? könnte Kerko sein...) der Sperrschwinger Rö14 synchronisiert wird PC(L)82, dort muß die Impuls-Spannung in Höhe und Form halbwegs stimmen. Bei meinem Eigenbaufernseher geht es aber schon bei ca 12V Amplitude so leidlich (wäre bei Dir der Punkt Eingang erstes ECC-System), das ist bei mir eine Vertikalablenkung mit PCL85, ganz ähnlich der PCL82, die etwas schwachbrüstig ist, anyway: Auch die kann bei Dir schwach sein, aber erfahrungsgemäß eher die Pentode der Endstufe... viell trotzdem mal testweise tauschen, wenn eine rumliegt. edit: wenn der Sperrschwinger mit ordentlicher Frequenz läuft, was er ja tut, ist die Röhre erstmal unverdächtig, ich hatte nur vermutet, daß die Synchronisierfähigkeit bei schwacher Triode viell. schlechter werden könnte... ist aber etwas abwegig. Ich würd mich zunächst auf ordentliche Impulsspannung(en) konzentrieren, da kommt eher die ECC ins Spiel.

Mach in Ruhe... Du hast beste Voraussetzungen. Wenn Du absolut nicht weiterkommst, kannst Du auch mal probieren, die Werte nach eigenen Überlegungen zu ändern, im Synchronisierteil kann da nicht viel schiefgehen, alles ordentlich dokumentieren und ggf. zurückändern. Wenn z.B. die Impulse vor C409 o.k. sind, können da ruhig auch mal 200pF ... 1nF rein, Spannung beachten, 630V sollte da genommen werden.

Gruß Ingo

Zuletzt bearbeitet am 01.02.19 18:29

04.02.19 12:46
HB9 

500 und mehr Punkte

04.02.19 12:46
HB9 

500 und mehr Punkte

Re: Grundig Zauberspiegel 336 Bild läuft - vertikale synchronisation

Hallo André,

ich würde mal den Synchronisationspfad durch Ablöten von C409 auftrennen, damit es keine Beeinflussung durch die Ablenkung mehr geben kann. In diesem Zustand müssen an der Anode der ECC81 (R411) die Synchronisationspulse mit korrekter Amplitude vorhanden sein. Falls nicht, Stufe für Stufe zurückgehen (Gitter ECC81, Anode Triode ECL80, Gitter Triode ECL80, Anode Pentode ECL80, Gitter Pentode ECL80), bis das Signal korrekt ist. So findet man die Problemzone und kann dort Bauteil für Bauteil den Fehler suchen.
Beim Gitter der Pentode der ECL80 ist etwas Vorsicht angebracht, der Gitterableitwiderstand (R402) ist sehr hochohmig, dadurch wird beim Messen das Gleichspannungspotential verändert. Dieser Widerstand sollte auf jeden Fall geprüft werden. Ist er zu hochohmig, sperrt die Röhre auf Grund des Gitter-Anlaufstroms und damit gibt es keine Synchronimpulse mehr.

Noch eine Fehlerquelle, falls die Schaltung bereits auf Leiterplatten aufgebaut ist: Pertinax kann unter Wärmeeinfluss halbleitend werden, dann gibt es bei hochohmigen Schaltungsteilen Probleme. Meistens sieht man das an Verfärbungen des Materials und es tritt hauptsächlich in der Gegend der Röhrenfassungen oder Leistungswiderständen auf. Auch Flussmittelreste können leitend werden (braune Verfärbung), diese kann man mit Alkohol wegputzen.

Gruss HB9

17.02.19 07:08
Andre1210 

500 und mehr Punkte

17.02.19 07:08
Andre1210 

500 und mehr Punkte

Re: Grundig Zauberspiegel 336 Bild läuft - vertikale synchronisation

Hallo,
es gibt Neuigkeiten:
Der Bildfang funktioniert!
Wie Hb9 geschrieben hat, habe ich c409 ausgelötet und gemessen.
Das Horizontale Signal war ok, doch das vertikale zu schwach. Zusätzlich habe ich ein schwaches 50Hz Signal gesehen.
Darauf habe ich noch einen Netzelko (einer von vieren war nicht getauscht) und mehrere kleine Elkos getauscht.
Da alle Gleichspannungen wegen der 220/230V Problematik um ca 15V zu hoch waren, habe ich noch einen 15Ohm Widerstsnd spendiert. Jetzt sind alle Versorgungsspannungen ca 2-3V unter Soll und der vertikale Fang funktioniert bestens.

Folgendes Problem kommt jetzt noch zu Tage:
Der Kontrast ist zu schwach. Der Regler ist fast voll aufgedreht. Wenn ich den Regler weit zurück drehe, kippt das Bild.
Die Spannungen (Anode 185v statt 140 / G2 175 statt 110V) an der PL83 sind viel zu hoch. Der 8µF Elko ist noch nicht getauscht da ich keinen passenden habe. Werde noch nach einer PL83 schauen und testhalber tauschen wenn ich eine finde.

Viele Grüße
André

Zuletzt bearbeitet am 17.02.19 07:11

17.02.19 08:06
ELEK 

250-499 Punkte

17.02.19 08:06
ELEK 

250-499 Punkte

Re: Grundig Zauberspiegel 336 Bild läuft - vertikale synchronisation

Hallo,

prüf bitte auch die Höhe des Videosignals am Ausgang des Demodulators, am besten dort, wo es der Plan ausweist, dort ist mein ein Oszillogramm mit Uss-Angabe.
Es könnte sein, daß die Regelspannung (die die "getastete Regelung" erzeugt) nicht richtig eingestellt ist... da hab ich aber jetzt nicht exakt nachgesehen, wie das in dem Gerät ist. Wenn die Regelspannung zu hoch ist, könnte der ZF-Verstärker eine zu niedrige Videosignalamplitude erzeugen.
Schau mal im Plan nach, ob es da einen Einsteller gibt, die Größe der Regelspannung (mit/ohne Signal) könnte auch im Plan vermerkt sein.

Die PL83 könnte natürlich auch defekt sein, ist aber nicht so wahrscheinlich, aber die weitaus zu hohe Ug2 könnte auf Emissionsschwäche hindeuten. Dann fließt zu wenig Strom über die Katode zum Schirmgitter und der Spannungsabfall über dem Vorwiderstand ist dann zu klein, die Ug2 dann zu hoch... aber da müßte die Röhre wirklich sehr stark runter sein.
Eher könnte ein falscher Arbeitspunkt ins Spiel kommen... muß man messen.

Gruß Ingo

21.02.19 10:03
Andre1210 

500 und mehr Punkte

21.02.19 10:03
Andre1210 

500 und mehr Punkte

Re: Grundig Zauberspiegel 336 Bild läuft - vertikale synchronisation

Hallo,

hier wieder ein paar Neuigkeiten.
Ich habe die PL83 getauscht und nur minimale Verbesserung des Kontrastst gesehen. Da war deine Vermutung richtg, dass
es die nicht war.

Ich habe dann den 8µF Elko am Gitter2 durch einen 10µF getauscht (hatte leider nichst besser passendes da).
Das hat einiges an Kontrast gebracht. Das schwarz ist ist jetzt weniger grau ;-), aber der Regler muss immer noch sehr weit aufgedreht werden.

Die Spanungen an der PL83 haben sich aber nicht verändert:

Vorab: Alle Gleichspannungen an den Netzelkos gemessen sind nahezu im Soll (i.d.R. 2V weniger)

Gitter: -3,9V (Soll -4)
Anode: 181V (Soll 140)
G2: 170V (Soll 110)

Ich habe sporadisch Widerstände um die PL83 gemessen und keine Fehler gefunden.
Die Oszilogramme sehen jetzt ganz gut aus. Die Spannungen (SS) kommen annähernd hin.
Vor dem Kondensatortausch war die absolute Höhe des Synchronimpulses fast genauso hoch, wie die des Bildsignales.
Nach dem Tausch ist das Verhältnis so etwa wie es sein soll.

Für Ideen bin ich dankbar.

Viele Grüße
André

 1 2 3
 1 2 3
Synchronisierfähigkeit   könnte   Grundig   Zauberspiegel   Leistungswiderständen   getauscht   Übergangswiderstände   Mögel-Dellinger-Effekt   Gitterableitwiderstand   Synchronimpuls-Abtrennstufe   Gradationsverzerrungen   Gleichspannungspotential   vertikale   Versorgungsspannungen   Regelspannungserzeugung   synchronisation   Integrationskondensatoren   Gleichspannungsanteil   Vertikalsynchronimpulses   Vertikalsynchronisation