| Passwort vergessen?
Sie sind nicht angemeldet. |  Anmelden

Sprache auswählen:

Wumpus Gollum Forum von
Wumpus Welt der (alten) Radios
Sie sind nicht angemeldet.
 Anmelden

Alexanderson-Day in Grimeton
 1 2 3 4 5 6
 1 2 3 4 5 6
24.10.12 10:26
ingodergute 

Moderator

24.10.12 10:26
ingodergute 

Moderator

Re: Alexanderson-Day in Grimeton

Nicht vergessen: Heute ab 12:00 Uhr MESZ wird abgestimmt, ab 12:30 Uhr wird gesendet. Muss auch nachher noch meinen Empfänger aufbauen.

Gruß Ingo.

!
!!! Fotos, Grafiken nur über die Upload-Option des Forums, KEINE FREMD-LINKS auf externe Fotos.    

!!! Keine Komplett-Schaltbilder, keine Fotos, keine Grafiken, auf denen Urheberrechte Anderer (auch WEB-Seiten oder Foren) liegen!
Solche Uploads werden wegen der Rechtslage kommentarlos gelöscht!

Keine Fotos, auf denen Personen erkennbar sind, ohne deren schriftliche Zustimmung.

Den Beitrag-Betreff bei Antworten auf Threads nicht verändern!
24.10.12 13:22
ingodergute 

Moderator

24.10.12 13:22
ingodergute 

Moderator

Re: Alexanderson-Day in Grimeton

Hat's jemand gehört?

Ich habe es erstmal aufgezeichnet zum Anhören/Dekodieren heute abend. Vor Beginn der Sendung war pausenlos SAQ zu hören, soviel habe ich verstanden. Am Empfangsstandort bzw. in dessen Nähe war ein technischer Störer, der aber soweit neben der Empfangsfrequenz liegt, dass ich ihn nachträglich mit Filtersoftware vollständig wegbekommen sollte.

Gruß Ingo.

24.10.12 19:08
gallionsfigur1 

0-49 Punkte

24.10.12 19:08
gallionsfigur1 

0-49 Punkte

Re: Alexanderson-Day in Grimeton

Ja , ich habe es auch gehört und aufgezeichnet. Allerdings nur mit dem Mac und dem Empfänger in Twente. Muß jetzt mal ein Programm finden den Soundfile zu dekodieren.
Das nächste mal werde ich einen Umsetzer zur Hand haben den ich an meinen Sony ICF 2010 hänge. Das macht doch mehr Spaß!!

Grüße Christian aus HH

25.10.12 01:18
qw123 

500 und mehr Punkte

25.10.12 01:18
qw123 

500 und mehr Punkte

Re: Alexanderson-Day in Grimeton

Hallo Ingo und zusammen,

ingodergute:
Hat's jemand gehört?
heute habe ich auch wieder versucht, die Grimeton-Aussendung zu empfangen. Leider war der Sender hier nur sehr schwach zu hören. Nur für wenige Minuten (ca.12:40...12:45) kam er halbwegs deutlich über das atmosphärische Rauschen hinaus (siehe Grim_a.mp3). Eine noch unbearbeitete Kassettenrecorder-Aufnahme.

Ich hatte diesmal zwei Empfänger mit je einer eigenen Antenne eingesetzt.
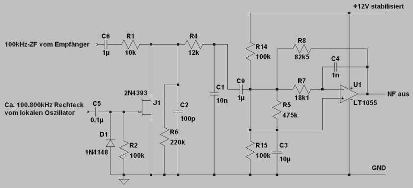
Meinen Grimeton-Spezial-Selbstbau-Überlagerungs-Empfänger (http://www.wumpus-gollum-forum.de/forum/...ng-55_79_4.html)



hatte ich diesmal an eine abgestimmte Ferritantenne und ans Laptop mit 'Spectrum Lab' angeschlossen, um die Empfangsqualität etwas zu überwachen.
Als zweiten 'Empfänger' habe ich einen alten vor wenigen Monaten als Geschenk erhaltenen "Siemens Trägerfrequenz-Pegelmesser DM2007" eingesetzt, der an meine abgestimmte Rahmenantenne angeschlossen war.

)

Der Pegelmesser ist im Prinzip ein Doppelsuper mit einer zweiten ZF von 100kHz. Er läßt sich von 6kHZ bis 18.6MHz kontinuierlich durchstimmen. Dabei sind drei Bandbreiten einstellbar: 6kHz, 1.74kHz und 80Hz. Es wird aber anders als bei einem richtigen Empfänger nichts demoduliert. Nur der ZF-Pegel wird an einem Instrument angezeigt. Der 100kHz-ZF-Ausgang ist aber extern über eine Buchse zugänglich.

Ich habe mir deshalb extra für SAQ-Empfang einen kleinen 'BFO' dazugebaut, mit dem man Morsezeichen hörbar machen kann. Die Bandbreite von 80Hz ist für Grimeton brauchbar aber fast schon zu schmal.

,

).

Wie auch das Spectrum-Lab-Bild zeigt, war der Grimeton-Sender nur gerade eben über dem Rauschen zu erkennen. Helle vertikale Linie bei 800Hz im Spektrum.

)

Eine größere Rahmenantenne hätte hier nichts genutzt. Das Signal wird dadurch zwar größer, aber das Rauschen in gleichem Maße auch. Die Bandbreite ist empfangsseitig schon annähernd optimal begrenzt, sodaß NF-seitig nachträglich nichts wesentliches mehr verbessert werden kann. Für eine Software-Decodierung reicht es wohl nicht.
Mit dem Pegelmesser kann man das Antennenrauschen sehr schön aufzeichnen. Längere Messungen und Tag/Nacht-Vergleiche ergaben keine wesentlichen oder spontanen Änderungen im Rauschpegel, sodaß ich davon ausgehe, daß es sich im wesentlichen um atmosphärisches Rauschen handelt und der "man made noise"-Anteil relativ gering ist. Das summierte Rauschen der nahegelegenen Großstadt kann natürlich noch einen Anteil haben. Dem kann man aber schlecht entgehen.

Ich beneide die Bewohner der norddeutschen Tiefebene um ihre günstige Empfangslage für Grimeton. In diesem Gebiet verläuft der Ausbreitungsweg zum großen Teil über dämfungsarmer Meeresoberfläche. Hier, 1000km südlich von Grimeton, verläuft der Ausbreitungsweg leider vorwiegend über kontinentale Strecken mit ihrer hohen Dämpfung.

Sobald ich dazu komme, werde ich mir hier eine abgestimmte Yagi-Antenne für SAQ bauen, mindestens eine Wellenlänge über Grund....

Gruß

Heinz

Datei-Anhänge
Grim_a.mp3 Grim_a.mp3 (725x)

Mime-Type: audio/mpeg, 501 kB

Grim_A.jpg Grim_A.jpg (432x)

Mime-Type: image/jpeg, 70 kB

(331x)

Mime-Type: image/jpeg, 49 kB

Grim_C.jpg Grim_C.jpg (404x)

Mime-Type: image/jpeg, 45 kB

Grim_D.jpg Grim_D.jpg (382x)

Mime-Type: image/jpeg, 16 kB

Grim_E.jpg Grim_E.jpg (368x)

Mime-Type: image/jpeg, 57 kB

 1 2 3 4 5 6
 1 2 3 4 5 6
Grüße   LED-Gleichstromtechnik   Alexanderson-Day   Gleichtaktunterdrückung   Schwertfische   Alu-Kunststoff-Verbundrohr   Kassettenrecorder-Aufnahme   elektromagnetisch   svaennetnasettociation   desagtsaqsaqSKtkosaqsaqvvvvvvvvvdesaqsaqsaqvvvvvvvvvdesaqsaqsaqvvvvvvvvvdesaqsaqsaqvvvvvvvvvdesaqsaqsaqvvvvvvvvvdesaqsaqsaqvvvvvvvvvdesaqsaqsaqvvvvvvvvvdesaqsaqsaqvvvvvvvvvdesaqsaqsaqvvvvvvvvvdesaqsaqsaqcqcqcqdeetttt{--   Grimeton   Flugenten   Radiostationen                             Tastfunknichtverstehenden   Grimeton-Spezial-Selbstbau-Überlagerungs-Empfänger   FET-Operationsverstärker   rettet-unsere-radios   Trägerfrequenz-Pegelmesser   Instrumentationsverstärker   Soundkarten-orientierten