| Passwort vergessen?
Sie sind nicht angemeldet. |  Anmelden

Sprache auswählen:

Wumpus Gollum Forum von
Wumpus Welt der (alten) Radios
Sie sind nicht angemeldet.
 Anmelden

Micro, ein russischer Miniaturempfänger
  •  
 1 2 3 4
 1 2 3 4
06.04.15 15:34
MB-RADIO 

500 und mehr Punkte

06.04.15 15:34
MB-RADIO 

500 und mehr Punkte

Re: Micro, ein russischer Miniaturempfänger

Hallo Claudio,

hier : h t t p://www.mobi.ru/News/14195/Radiopriemnik_Mikro_pervaya_mikroyelektronika.htm
siehst Du , wo der lose Draht bei Dir rankommt - da ist der andere Teilwiderstand von R6 kurzgeschlossen.

Na ja, Viele werden die 5-Transistorschaltung nicht kennen, denn für beide Geräte wurden im Netz immer die 6-Transistorschaltung veröffentlicht.
Aber nun hast Du ja die Bestätigung erbracht.
Der 4,5k bei mir ist ein Fehler- wird berichtigt.

Die Akkufrage ist glücklicherweise seit der Akkufrage für's Kosmos auch geklärt. Der V80H von Varta paßt genau hinein . Den gibt es nagelneu aus laufender Fertigung. Ist halt kein NiCd sondern NiMH.

Dein Gehäuseöffner interessiert mich auch, ich habe noch ein Gerät mit Kabelbruch.

Viele Grüße
Bernd

!
!!! Fotos, Grafiken nur über die Upload-Option des Forums, KEINE FREMD-LINKS auf externe Fotos.    

!!! Keine Komplett-Schaltbilder, keine Fotos, keine Grafiken, auf denen Urheberrechte Anderer (auch WEB-Seiten oder Foren) liegen!
Solche Uploads werden wegen der Rechtslage kommentarlos gelöscht!

Keine Fotos, auf denen Personen erkennbar sind, ohne deren schriftliche Zustimmung.

Den Beitrag-Betreff bei Antworten auf Threads nicht verändern!
06.04.15 16:05
thiago 

0-49 Punkte

06.04.15 16:05
thiago 

0-49 Punkte

Re: Micro, ein russischer Miniaturempfänger

Leider nein Bernd, deshalb habe ich Dir ja das Foto letzte Woche per email gesandt.
Bei mir ist KEIN Draht an besagter Stelle. Auch keine Brücke wie bei Deinem Micro.

hier ..

Datei-Anhänge
Detail_R6.jpg Detail_R6.jpg (366x)

Mime-Type: image/jpeg, 59 kB

06.04.15 16:19
thiago 

0-49 Punkte

06.04.15 16:19
thiago 

0-49 Punkte

Re: Micro, ein russischer Miniaturempfänger

hier ist das Foto von Deinem Micro, mit der Brücke (Pfeil) zwischen Basis b4 von T4 und Kollektor c3 von T3.



Dies würde bedeuten, dass Du eine direkte Verbindung (Schluss) zwischen den beiden Transistoren hättest.

Datei-Anhänge
Detail_R6_B.jpg Detail_R6_B.jpg (382x)

Mime-Type: image/jpeg, 75 kB

06.04.15 19:23
MB-RADIO 

500 und mehr Punkte

06.04.15 19:23
MB-RADIO 

500 und mehr Punkte

Re: Micro, ein russischer Miniaturempfänger

Hallo Claudio,

Deine hier veröffentlichen Bilder 00003e und 00007e stimmen nicht überein.

Der lose Draht ist die Anzapfung "Mitte" von R6 und wird an ein Ende des R6 gelegt. Bei mir ist die Brücke nur anders ausgeführt.

Nachtrag: Ich habe meine Schaltung noch mit der Widerstandsbezeichnung des Mikron ergänzt. Somit ist bei mir der R6 = 5k und bei Dir der R7 = 2k gebrückt.

Viele Grüße
Bernd

Zuletzt bearbeitet am 06.04.15 21:11

06.04.15 21:14
thiago 

0-49 Punkte

06.04.15 21:14
thiago 

0-49 Punkte

Re: Micro, ein russischer Miniaturempfänger

Hi Bernd,
der lose Draht war bei mir nie angelötet, der Empfänger funktioniert ja auch. Auch stimmen die beiden Bilder 00003e und 00007e im Prinzip überein. Ich habe nur die beiden in Reihe geschalteten Widerstände mit 5k und 2k in meinem Schaltplan nicht einzeln gezeichnet sondern als Gesamtwiderstand angegeben, was eben die Messung mit 7k2 ergab. Wie Bernd das verdeutlicht hat, dürfte dieser Punkt bei bestimmten Micros abweichen. Aufgrund des nun vorliegenden Schaltplans, kann aber nun jeder selbst nachsehen wie es bei seinem Modell explizit aussieht.

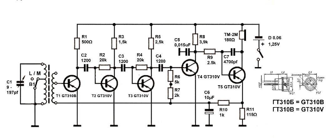
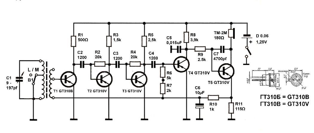
Hier nochmal zur Erläuterung die bekannte Schaltung, zusätzlich mit den beiden Widerständen 5k und 2k (R6 + R7). Die restlichen R- und C-Werte sind gerundet:



Auf meine Anfrage an Leonid antwortete dieser gerade, dass man durch das entsprechende Brücken wahrscheinlich die Möglichkeit schuf durch Einzel- oder Serienschaltung zwischen 2k, 5k und 7k zu wählen und zwar in Abhängigkeit der Länder in welche die Empfänger vorwiegend verkauft wurden (Senderdichte) um so auf das Regelungsverhalten bei Übersteuerung einzuwirken. Ganz werden wir es wohl nicht erfahren, es sei denn man findet noch die Entwickler der Schaltung denn Leonid hat angekündigt, er würde mal bei Angstrem nachfragen, ob sich wenigstens noch einer der Köpfe ausfindig machen lässt. Wir dürfen also gespannt sein.

Schönen Abend an alle und ein Danke an Wolle für das Lob!
Claudio

Zuletzt bearbeitet am 06.04.15 21:15

Datei-Anhänge
micron+micro.jpg micron+micro.jpg (385x)

Mime-Type: image/jpeg, 55 kB

07.04.15 00:09
MB-RADIO 

500 und mehr Punkte

07.04.15 00:09
MB-RADIO 

500 und mehr Punkte

Re: Micro, ein russischer Miniaturempfänger

Hallo Claudio,

nee, Du hast im Plan R5 2x vergeben und im IC R8 2x vergeben - für eigene Fehler ist man betriebsblind, geht mir auch so und ist keine Schande.

Wovon der Wert R6+R7 abhängt weiß ich auch nicht, aber auf Jedem Falle werden damit auch die Arbeitspunkte von T1, T4 und T5 eingestellt.

Auf jedem Falle stimmt erstmal Dein neuester Plan.

Viele Grüße
Bernd

 1 2 3 4
 1 2 3 4
Germaniumtransistoren   7-Transistor-Version   Schaltungsprinzipien   5-Transitor-Schaltung   Rasierklingenstückchen   6-Transistorvariante   Widerstandsbezeichnung   Transistoren   Verdrahtungsversionen   Miniaturempfänger   russischen   Schaltung   Miniaturisierungsgrad   Dünnschichtschaltung   6-Transistorschaltung   Streichholzschachtel   Kondensatorschaltkreis   5-Transistorschaltung   Temperaturänderungen   russischer