| Passwort vergessen?
Sie sind nicht angemeldet. |  Anmelden

Sprache auswählen:

Wumpus Gollum Forum von
Wumpus Welt der (alten) Radios
Sie sind nicht angemeldet.
 Anmelden

Krohn-Hite 4100 Wien-Robinson Generator.
  •  
 1 2 3
 1 2 3
30.11.19 15:21
Martin.M 

500 und mehr Punkte

30.11.19 15:21
Martin.M 

500 und mehr Punkte

Re: Krohn-Hite 4100 Wien-Robinson Generator.

das 204B ist nun in Bearbeitung



Bericht dazu gibts bei mir.
https://www.wellenkino.de/557/viewtopic.php?f=4&t=230

lG Martin

Zuletzt bearbeitet am 30.11.19 15:23

Datei-Anhänge
13.jpg 13.jpg (291x)

Mime-Type: image/jpeg, 261 kB

!
!!! Fotos, Grafiken nur über die Upload-Option des Forums, KEINE FREMD-LINKS auf externe Fotos.    

!!! Keine Komplett-Schaltbilder, keine Fotos, keine Grafiken, auf denen Urheberrechte Anderer (auch WEB-Seiten oder Foren) liegen!
Solche Uploads werden wegen der Rechtslage kommentarlos gelöscht!

Keine Fotos, auf denen Personen erkennbar sind, ohne deren schriftliche Zustimmung.

Den Beitrag-Betreff bei Antworten auf Threads nicht verändern!
30.11.19 18:06
regency 

500 und mehr Punkte

30.11.19 18:06
regency 

500 und mehr Punkte

Re: Krohn-Hite 4100 Wien-Robinson Generator.

Die Quecksilber Batterien waren schon sehr speziell. Es gibt Industriebatterien mit höheren Spannungen, hier ein Beispiel:
https://www.batterycentralmall.com/Batte...images/415A.png

Bei meinem HP 651B ist die extrem hochohmige Schaltung der Brücke nach 50 Jahren einigen Risiken ausgesetzt. Kriechströme von Elkos, Korrosion an Trimmern etc. Ich werde wohl ein paar Einschränkungen hinnehmen, wenn sich die Modulationsquelle nicht offenbart. Aber noch ist es nicht soweit. Ich gehe jetzt die sehr ausführliche Anleitung mit Prüfpunkten durch. So ist beispielsweise die RMS-Spannung aus der Rückführung in einen Brückenzweig einiges zu hoch. Zunächst muss ich nun doch die zahlreichen Elkos noch einmal checken, mache dazu einen eigenen Thread auf, weil es hier den Rahmen sprengen würde.
Gruß, Jan

07.12.19 21:17
regency 

500 und mehr Punkte

07.12.19 21:17
regency 

500 und mehr Punkte

Re: Krohn-Hite 4100 Wien-Robinson Generator.

Habe in verschiedenen YT Videos gesehen, dass ich mit dem Problem beim HP 651B gar nicht alleine bin. Hier ein Beispiel:
https://www.youtube.com/watch?v=wOtQzkjYzm0

Auch dort im Frequenzbereich 10-100 Hz wildes moduliertes Schwingen. Die gezeigte Lösung, eine Steckverbindung zu lösen, habe ich probiert, funktioniert aber nicht. Bin es dennoch zufrieden und kann mit der kleinen Einschränkung gut leben, alle anderen Bereiche funktionieren einwandfrei. Drei weitere Elkos habe ich ersetzt. Nach so vielen Jahren darf ein solches Gerät seine Macken haben, viele Teile sind aus der Toleranz raus und ich kann das nicht alles heilen.
Gruß, Jan

08.12.19 07:58
Martin.M 

500 und mehr Punkte

08.12.19 07:58
Martin.M 

500 und mehr Punkte

Re: Krohn-Hite 4100 Wien-Robinson Generator.

hallo Jan,
wenn du es dochmal brauchst kümmern wir uns drum, das ist zu erwischen.
Schlimmstenfalls tauschen wir mal für ne Woche, dann treib ich dem das aus

Bei mir gehts nun weiter mit Sinusgenerator: SRV.



Der hat seine EZ11 gegrillt.

lG Martin

Datei-Anhänge
srv.jpg srv.jpg (304x)

Mime-Type: image/jpeg, 247 kB

08.12.19 22:17
regency 

500 und mehr Punkte

08.12.19 22:17
regency 

500 und mehr Punkte

Re: Krohn-Hite 4100 Wien-Robinson Generator.

Ein sehr nettes Angebot, Martin!

Weit wichtiger ist mir eigentlich noch die Reparatur des Tek454, der seinen Strahl erst nach unten und dann ins Nirvana verabschiedet hat. Vor dem habe ich einen heiden Respekt und hoffe, wenn ich ihn mir dann wieder vornehme, auf Unterstützung aus dem Forum. Da fehlt mir z.B. schon der Trick zum mechanische Zugang an den Sockel, um die Bildröhre zu prüfen.
Gruß, Jan

11.12.19 18:54
Martin.M 

500 und mehr Punkte

11.12.19 18:54
Martin.M 

500 und mehr Punkte

Re: Krohn-Hite 4100 Wien-Robinson Generator.

hallo Jan,

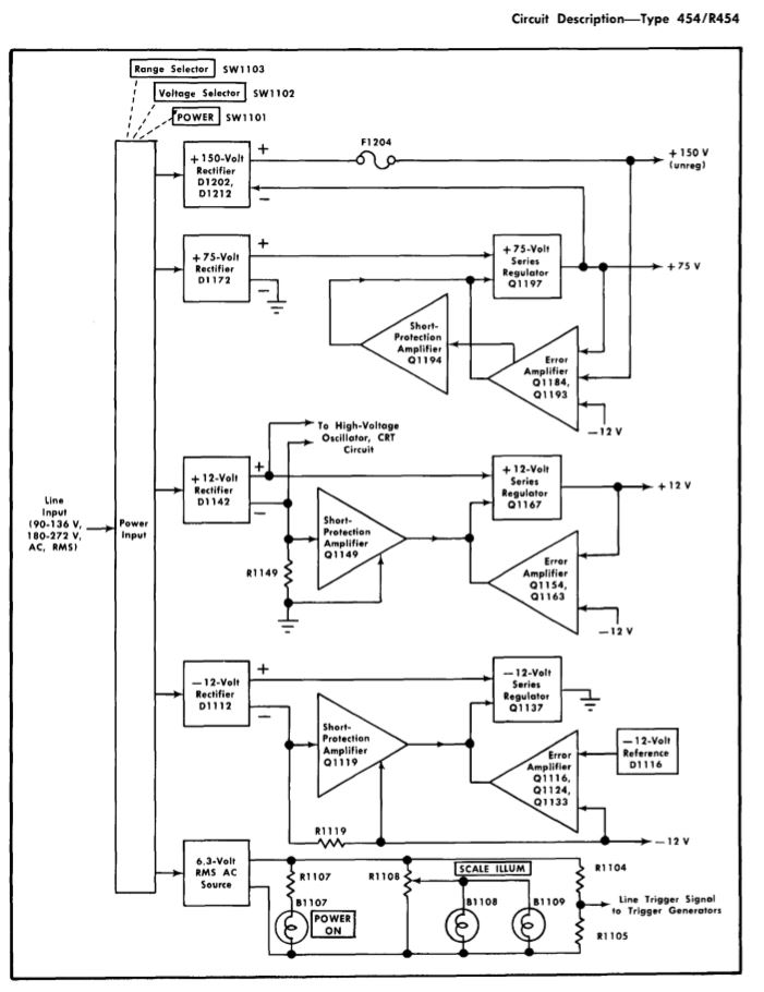
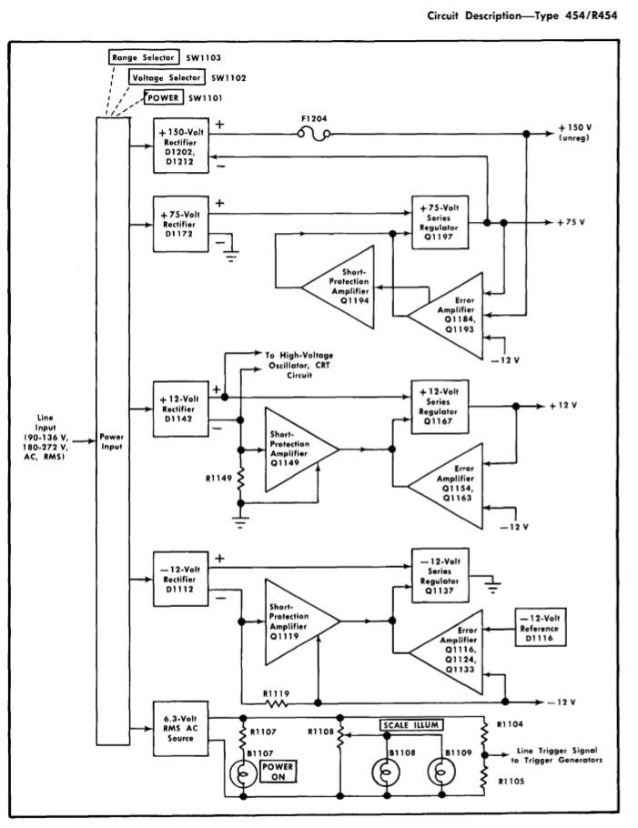
die Ablenktransistoren futtern aus der 75 Volt Schiene.
Am C der beiden Horizontalendstufen (Platine seitlich) sollten locker um 60V zu finden sein.

Im Übrigen und wie immer in solchen Fällen,

Versorgungs-Check



lG Martin

Datei-Anhänge
454nt.JPG 454nt.JPG (295x)

Mime-Type: image/jpeg, 82 kB

 1 2 3
 1 2 3
Krohn-Hite   Spannungsverstärkung   Gegentaktverstärker   Gleichspannungsverhältnisse   Anzeigeschwankungen   Frequenzbereiche   Wien-Robinson-Generatoren   Differenzverstärker   Arbitrary-Funktionsgeneratoren   Generator   Klirrfaktormessung   Wien-Robinson   Drehspulinstruments   Horizontalendstufen   Wien-Robinson-Sinusgenerator   Betriebstemperatur   Temperaturmessfühler   Wechselspannungsverstärkung   Amplitudenkonstanz   Brückenwiderstände