| Passwort vergessen?
Sie sind nicht angemeldet. |  Anmelden

Sprache auswählen:

Wumpus Gollum Forum von
Wumpus Welt der (alten) Radios
Sie sind nicht angemeldet.
 Anmelden

Ultron Antennentestgerät
  •  
 1 2 3 4 5 6
 1 2 3 4 5 6
05.09.15 11:59
regency 

500 und mehr Punkte

05.09.15 11:59
regency 

500 und mehr Punkte

Re: Ultron Antennentestgerät

Hallo zusammen,
was für eine Freude, diese edlen Papiere gewonnen zu haben, Heinz du bist ein fairer Verlierer! Noch bin ich aber nicht sicher, ob auch zurecht. Auch möchte ich doch nicht als Trick- und Wettbe trüger scheinen, der die Bedingungen (Fehlertoleranz) so setzt, dass er gewinnen muss. Da der Tausender kein Inflationsgeld ist, hast du mich jedenfalls nicht reingelegt Nach heutiger Währung sind das ca. 5000 Euro, da könnte man sich ein richtig gutes Antennentestgerät anschaffen.

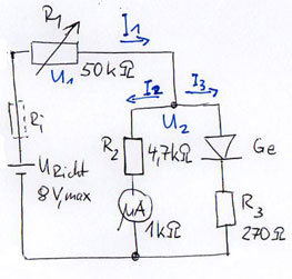
Hier noch einmal für alle die aufgeworfene Frage: Lässt sich anstelle eines originale 50 µA Messgeräts im Rahmen der Fehlertoleranz auch ein 100 µA Messwerk einsetzen? Um das zu beantworten, müssen jetzt plausible Werte für die externe Beschaltung gefunden werden.



Dein absolut wichtiger Hinweis, Bernd, bezgl. des Innenwiderstands der Richtspannung, kann noch experimentell geprüft werden. Ich vermute, er kann für die kleinen Ströme vernachlässigt werden. Falls tatsächlich ein Effekt aufträte, könnte mit dem Basisspannungsteiler aus der ZF Stufe nachgestellt werden, eine weitere nichtlineare Möglichkeit der Skalenanpassung, die noch existiert.

Deine Abschätzungen, Nobby, zeigen, dass ein nichtlineares Bauteil in einem einfachen Netzwerk schon nicht mehr trivial ist. Aber selbst die einfache Annahme vom Anfang, dass bei 0,3 Volt Diodenspannung das Messgerät voll ausschlägt, hat zum erstaunlich guten Ergebnis geführt: Messwerk ca. 50µA.

Wie soll die Fehlertoleranz ermittelt werden? Für den Vergleich am besten an Hand der Skale selbst. Ein für das Auge minimal erkennbarer Zeigerausschlag-Unterschied beträgt rund ein Viertel Millimeter. Da die Skale keine Millimetereinteilung hat, und viel gröber geteilt, ist diese Genauigkeit nicht ablesbar. Ich gehe daher auf 0,5 Millimeter. Im Unteren Skalenbereich ergibt sich daraus 17 % Fehlerschranke im oberen 10 %. Die Genauigkeit des Messwerks selbst ist viel besser (1,5 %) spielt hier aber keine Rolle.

Daher ist die Frage, wie ist die äußere Beschaltung zu wählen, damit beim 100 µA Messwerk die Skalenabweichung durchgängig weniger als 10 % beträgt. Meiner Ansicht nach lässt sich das exakt nur numerisch lösen durch Variationsrechnung. Ist ein bisschen aufwändig und vielleicht auch gar nicht nötig.

Als Startwerte sind die jeweils halbierten Widerstände gegenüber der Originalwerten für R1, (R2+Rmess) gut. Damit die Spannungsverhältnisse gleich bleiben, muss an R3 und dem Diodenwiderstand bei doppeltem Strom dann die gleiche Spannung U2 abfallen. Geht man davon aus, dass in dem niedrigen Strombereich die Diodenkennlinie quadratisch verläuft, reduziert sich der Didenwiderstand Rd bei doppeltem Strom auf 1 durch Wurzel 2, d.h. 0,71Rd über den gesamten Messbereich. R3 muss dann ausgleichen. Die Messkurven beider Messwerke müssten sich genau übereinander legen lassen. Ist da ein Denkfehler?

Gruß Jan

Zuletzt bearbeitet am 05.09.15 12:09

Datei-Anhänge
SkaleMesswerk.gif SkaleMesswerk.gif (285x)

Mime-Type: image/gif, 20 kB

Messwerkverschaltung.jpg Messwerkverschaltung.jpg (299x)

Mime-Type: image/jpeg, 16 kB

!
!!! Fotos, Grafiken nur über die Upload-Option des Forums, KEINE FREMD-LINKS auf externe Fotos.    

!!! Keine Komplett-Schaltbilder, keine Fotos, keine Grafiken, auf denen Urheberrechte Anderer (auch WEB-Seiten oder Foren) liegen!
Solche Uploads werden wegen der Rechtslage kommentarlos gelöscht!

Keine Fotos, auf denen Personen erkennbar sind, ohne deren schriftliche Zustimmung.

Den Beitrag-Betreff bei Antworten auf Threads nicht verändern!
05.09.15 14:35
nobbyrad58 

500 und mehr Punkte

05.09.15 14:35
nobbyrad58 

500 und mehr Punkte

Re: Ultron Antennentestgerät

Hallo Zusammen!

Rein rechnerisch müsste bei einem 100 µA Messwerk mit Ri 1K bei 0,385 V R 2 2850 Ohm sein, bei 0,3 V dann 2000 Ohm. Ist eigentlich klar.
Wenn die Diode ein Schalter wäre, würde sich der Gesamtwiderstand aus der Parallelschaltung R 2 + Ri Messwerk undR 3 nur um ein paar unterscheiden ob nun 50 oder 100 µA. Damit ist klar, wie schon beschrieben das die Kennlinie der Diode im Bereich der Schwellspannung über die Genauigkeit entscheidet. Ich glaube mit R 3 lässt sich auch noch was machen, im Schwellspannungsbereich, obwohl es eher ein Schutzwiderstand sein dürfte, wenn man den Trimmer R 1 verstellt.
Die größeren Werte von R 2; wie vorher geschrieben hatte, waren eher experimentell weil man eben die Kennlinie der Diode einkalkulieren muss.

MFG Nobby

05.09.15 18:41
qw123 

500 und mehr Punkte

05.09.15 18:41
qw123 

500 und mehr Punkte

Re: Ultron Antennentestgerät

Hallo Jan und zusammen,

regency:
Ist ein bisschen aufwändig und vielleicht auch gar nicht nötig.
bevor sich jemand per Hand totrechnet, sollte man die Errungenschaften der Neuzeit zu Rate ziehen.
Man kann die Schaltung relativ einfach mit einem Schaltungssimulations-Programm nachstellen.

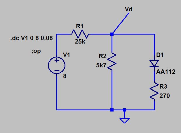
Zunächst eine 50µA-Variante. Annähernd wohl das Original.

Angenommen wurde eine maximale Richtspannung von 8.0V und eine Diode vom Typ AA112.
Widerstände, die in Serie liegen wie z.B. R2 und Meßwerk-Innenwiderstand, sind im Schaltbild zusammengefaßt.
Für den Strom I(R2) durch das Meßwerk gilt die rechte Skala, für die Spannung Vd an der Diode, die linke Skala.


Schaltung1.



Strom- und Spannungsverlauf1.


Eine mögliche 100µA-Variante:


Schaltung2.



Strom- und Spannungsverlauf2

Eine grobe Kontrolle:
beim halben Strom durch das Meßwerk sollte die Anzeige ca. 180µV (50 auf der Linearskala) betragen bei einer Richtspannung von 0.18 x 8V ~ 1.44V auf der Abszisse.
Die weitere Kontrolle der Übereinstimmung zwischen Skala und Simulation überlasse ich den Experten .. :-)

Gruß

Heinz

Datei-Anhänge
ultron1.jpg ultron1.jpg (308x)

Mime-Type: image/jpeg, 22 kB

ultron1_raw.jpg ultron1_raw.jpg (316x)

Mime-Type: image/jpeg, 74 kB

ultron2.jpg ultron2.jpg (317x)

Mime-Type: image/jpeg, 21 kB

ultron2_raw.jpg ultron2_raw.jpg (299x)

Mime-Type: image/jpeg, 76 kB

05.09.15 19:03
nobbyrad58 

500 und mehr Punkte

05.09.15 19:03
nobbyrad58 

500 und mehr Punkte

Re: Ultron Antennentestgerät

Hallo an Alle, Hallo Heinz!

Super, krieg ich nicht hin sowas. Nur bei der 50 µA Variante: Ich nehme an das mit R2 der R ges. also das Messwerk und der 4,7 K gemeint ist. Das 50 µA hat aber einen Ri von 3 K. Also müsste R 2 7,7 K sein.
Bei meiner einfachen Schalterrechnung < 0,3 V oder > 0,3 V bin ich bei der 100 µA Variante bei Beibehaltung von R 2 4,7 K auf R1 17 K gekommen. R 3 mit 270 R auch so gelassen.
Aber wie gesagt, ich hab nur ganz einfach mit der Schalterannahme gerrechnet.

MFG Nobby

05.09.15 21:39
regency 

500 und mehr Punkte

05.09.15 21:39
regency 

500 und mehr Punkte

Re: Ultron Antennentestgerät

Hallo Heinz, Nobby und alle.
zu Thema "Totrechnen" und die Beglückungen der Neuzeit: Ein Netzwerk aus einer Diode und 4 Widerständen - und wir brauchen Simulationsprogramme!!

Um dem noch eins drauf zu setzen, Excel ist auch ganz gut. Und rechnet nur das, was man formelmäßig selbst eingibt. Ich habe die Shockley Formel für die Diode hergenommen. Sperrstrom der Diode OA 159 soll kleiner 50 µA sein, der Strom bei 1V größer 4 mA. Ist nicht viel, aber mehr habe ich nicht gefunden. Hier meine Simulation.



Habe das Netzwerk damit per Excel rechnen lassen. Die Widerstände wurden beim zweiten Blatt angepasst. Umess ist die Richtspannung, Imess die Anzeige des Messgeräts. Es sieht verdammt gut aus. Die Werte und Ergebnisse sind hier. Der Ersatz des 50 µA Messwerks mit einem 100 µA sollte also kein Problem sein.





Gruß, Jan

Datei-Anhänge
Messwerk50_100uA.jpg Messwerk50_100uA.jpg (311x)

Mime-Type: image/jpeg, 36 kB

Simulation.jpg Simulation.jpg (306x)

Mime-Type: image/jpeg, 80 kB

Diodenkennlinie.gif Diodenkennlinie.gif (350x)

Mime-Type: image/gif, 3 kB

06.09.15 11:11
qw123 

500 und mehr Punkte

06.09.15 11:11
qw123 

500 und mehr Punkte

Re: Ultron Antennentestgerät

Hallo Jan,

regency:
Es sieht verdammt gut aus.
und wieviel ist das in Prozent Abweichung von der Original-Skala (um nochmal auf die Fehlertoleranz zurückzukommem)?
z.B. bei 80, 50 und 25% Vollausschlag des Meßwerks = 80, 50 und 25µA beim 100µA-Meßwerk.

Gruß

Heinz

06.09.15 15:30
nobbyrad58 

500 und mehr Punkte

06.09.15 15:30
nobbyrad58 

500 und mehr Punkte

Re: Ultron Antennentestgerät

Hallo Zusammen!

Wer es noch nicht hat, die Kennlinen der AA 112. Allerdings logarithmisch. Nur warum R 3 verkleinern? Je größer R 3, desto geringer der Einfluss der Krümmung der U I Kennlinie der Diode. Natürlich ist diese Krümmung die Vorraussetzung für teilweise log. Anzeige des Messwerks, so wie ich das sehe ist die Krümmung bei der 100 µA Schaltung etwas größer und damit auch die Abweichung von der 50 µA Schaltung.
Ich meine das nicht verbissen, sondern eben als Denksport Aufgabe.

MFG Nobby

Datei-Anhänge
Scans-00106520.jpg Scans-00106520.jpg (316x)

Mime-Type: image/jpeg, 164 kB

Scans-00106521.jpg Scans-00106521.jpg (314x)

Mime-Type: image/jpeg, 52 kB

06.09.15 19:32
MB-RADIO 

500 und mehr Punkte

06.09.15 19:32
MB-RADIO 

500 und mehr Punkte

Re: Ultron Antennentestgerät

Hallo Zusammen,

da die Diode das größte ist , würde ich einfach mal drei Meßwerte als Eichpunkte festlegen und dann per Generator einspeisen, das 100µA-Instrument anschließen und vergleichen. Zum Abgleich halt alle Widerstände als Einstellregler ausführen und gegebenenfalls paar verschiedene Dioden probieren.

Viele Grüße
Bernd

Zuletzt bearbeitet am 06.09.15 19:34

06.09.15 22:23
regency 

500 und mehr Punkte

06.09.15 22:23
regency 

500 und mehr Punkte

Re: Ultron Antennentestgerät

Hallo zusammen,
dass man durch die geeignete Wahl der Widerstandswerte, und auch bei unterschiedlichen Ge-Dioden, im Rahmen der Ablesegenauigkeit mit einem nicht originalen Messwerk mit doppeltem Strombedarf die Skale beibehalten kann, ist für mich nahezu ohne Restzweifel. Den Abgleich würde ich so oder so ähnlich machen, wie von Bernd beschrieben. Schließlich muss die Skale mit der Eingangsspannung am Gerät synchron laufen. Bisher wurde nur gezeigt, dass auch ein anderes Messwerk funktionieren wird.

Um die Fehlertoleranz zu demonstrieren, ohne die Simulation zu sehr zu strapazieren, habe ich die Skale mit der linearen, untergelegten Einteilung erfasst, eine nette Beschäftigung. Als Fehlerschranke in der Darstellung +/- 5 % gewählt, obwohl die Ablesegenauigkeit am unteren Ende noch schlechter ist. Das Ergebnis spricht für sich. Blau Simulation, braun Skale.



Das Übereinanderlegen der berechneten Kurve und der von der Skale abgenommenen ist im Rahmen dieser Fehlergrenzen möglich. Dazu habe ich die Widerstandswerte entsprechend optimiert. R2 jetzt 2kOhm, R3 100 Ohm, Poti 11 kOhm. Die Diodenwerte habe ich nicht verändert, aber auch wenn man diese im plausiblen Rahmen verändert, oder die reale Kennlinie aufnehmen würde, ließe sich das sehr wahrscheinlich machen.

Grüße, Jan

Datei-Anhänge
Match_Skala_Ultron.jpg Match_Skala_Ultron.jpg (306x)

Mime-Type: image/jpeg, 22 kB

07.09.15 00:06
qw123 

500 und mehr Punkte

07.09.15 00:06
qw123 

500 und mehr Punkte

Re: Ultron Antennentestgerät

Hallo Jan,

regency:
Das Übereinanderlegen der berechneten Kurve und der von der Skale abgenommenen ist im Rahmen dieser Fehlergrenzen möglich.
das schaut doch sehr gut aus.
Ich denke mal, die Toleranzen in der Serienfertigung werden nicht kleiner gewesen sein.
Den Tausender hast Du zu Recht verdient... :-)

Gruß

Heinz

 1 2 3 4 5 6
 1 2 3 4 5 6
Batteriespannungsanzeige   Antennentestgerät   Batteriespannung   Meßwerk-Innenwiderstand   Schaltung   Grüße   Schwellspannungsbereich   Schaltungssimulations-Programm   Vollausschlag-Bereich   Drehspul-Messinstrument   Messverstärker-Variante   Spiegelfrequenzunterdrückung   Diskussionsgegenstand   Vollausschlag   Stromverstärkerschaltung   Zeigerausschlag-Unterschied   Signal-Rauschverhältnis   Messwerk   Fehlertoleranz   Spannungsverhältnisse