| Passwort vergessen?
Sie sind nicht angemeldet. |  Anmelden

Sprache auswählen:

Wumpus Gollum Forum von
Wumpus Welt der (alten) Radios
Sie sind nicht angemeldet.
 Anmelden

Armstrong Rückkopplungs-Audion Retroradio.
  •  
 1 2 3
 1 2 3
25.11.12 21:10
friedrich-kutnik 

500 und mehr Punkte

25.11.12 21:10
friedrich-kutnik 

500 und mehr Punkte

Armstrong Rückkopplungs-Audion Retroradio.

Hallo,
es ist schon fast hundert Jahre vorbei, als Edwin Howard Armstrong hat sein erster Regenerativempfänger aufgebaut.
Seit dem hat sich in Prinzip von dem Radio nichts geändert. Regenerativempfänger werden immer weiter und weiter von
viele Amateur gebaut. Einige sagen das ist einer Supergerät, andere behaupten das es ein Miststück ist.

Ich bin auf die Idee gekommen eins Retro-Radio zu bauen nach Prinzip vom Armstrong.
Ziemlich langere Zeit habe ich ein passender Schaltplan gesucht, und dann endlich gefunden.
Es war eines bekante, in 50-ge Jahre, und mehr mall nachgebaute Model.

Dazu, bei *(W)*, günstig, habe ich ein altes Gerät gekauft, vom welchem wollte ich die Gehäuse und Chassis
weiter benutzen.
Zum Glück in dem gekauftem Gerät waren zwei EF12 dabei, die müssten gut für meine Radio passen.
Erster Versuch hat positive Eindruck gemacht. Das Radio hat sofort funktioniert.









[
Viele Grüße Friedrich

Datei-Anhänge
01.jpg 01.jpg (402x)

Mime-Type: image/jpeg, 127 kB

02.jpg 02.jpg (363x)

Mime-Type: image/jpeg, 110 kB

03.jpg 03.jpg (355x)

Mime-Type: image/jpeg, 129 kB

04.jpg 04.jpg (383x)

Mime-Type: image/jpeg, 116 kB

joeberesf und regency gefällt der Beitrag.
!
!!! Fotos, Grafiken nur über die Upload-Option des Forums, KEINE FREMD-LINKS auf externe Fotos.    

!!! Keine Komplett-Schaltbilder, keine Fotos, keine Grafiken, auf denen Urheberrechte Anderer (auch WEB-Seiten oder Foren) liegen!
Solche Uploads werden wegen der Rechtslage kommentarlos gelöscht!

Keine Fotos, auf denen Personen erkennbar sind, ohne deren schriftliche Zustimmung.

Den Beitrag-Betreff bei Antworten auf Threads nicht verändern!
25.11.12 21:25
friedrich-kutnik 

500 und mehr Punkte

25.11.12 21:25
friedrich-kutnik 

500 und mehr Punkte

Re: Armstrong Rückkopplungs-Audion Retroradio.

Wichtig war das ale Teile müssten alt sein. Also nichts modernes.
Der NFV hat mir nicht so gut gefallen und ich habe im verändert.
Die Netzteil sollte auch mit Röhre sein.
Dreikondensator war auch "modernisiert"
Alles auf Makelplatte.

Die Schaltpläne von die zwei Teilen sehen jetzt so aus:







Datei-Anhänge
УНЧ.jpg УНЧ.jpg (375x)

Mime-Type: image/jpeg, 111 kB

Схема БП Armstrong.jpg Схема БП Armstrong.jpg (381x)

Mime-Type: image/jpeg, 461 kB

maket-01.jpg maket-01.jpg (417x)

Mime-Type: image/jpeg, 271 kB

maket-02.jpg maket-02.jpg (372x)

Mime-Type: image/jpeg, 275 kB

25.11.12 21:30
friedrich-kutnik 

500 und mehr Punkte

25.11.12 21:30
friedrich-kutnik 

500 und mehr Punkte

Re: Armstrong Rückkopplungs-Audion Retroradio.

Langsam hat sich auch HV-Teil geändert.





Viele Grüße Friedrich

Datei-Anhänge
ВЧ 04 часть.gif ВЧ 04 часть.gif (347x)

Mime-Type: image/gif, 41 kB

maket-05.jpg maket-05.jpg (443x)

Mime-Type: image/jpeg, 292 kB

26.11.12 20:50
friedrich-kutnik 

500 und mehr Punkte

26.11.12 20:50
friedrich-kutnik 

500 und mehr Punkte

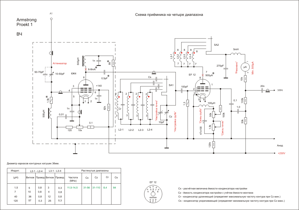
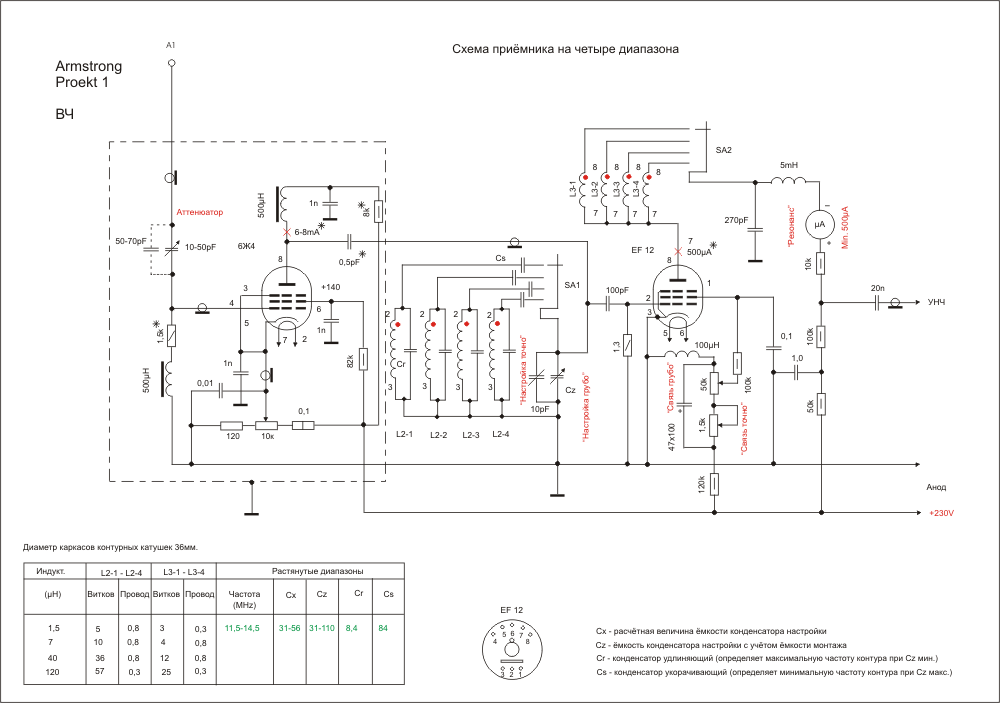
Re: Armstrong Rückkopplungs-Audion Retroradio.

Hallo,
jetzt habe ich noch ein Schriftchen in meinem Projekt gemacht.

Ich habe mit Chassi angefangen, obwohl mit die HF-Teil bin ich immer nicht besonders zufrieden.
Die Spulen, die werden nicht ausgetauscht.
Die sollen mit einem Schalter umgeschaltet werden.
In HFV möchte ich auch ein paar Änderungen vornehmen, und der Schaltplan wird dann so aussehen:







Gruß Friedrich

Datei-Anhänge
шасси-01.jpg шасси-01.jpg (379x)

Mime-Type: image/jpeg, 280 kB

шасси-03.jpg шасси-03.jpg (371x)

Mime-Type: image/jpeg, 262 kB

ВЧ 071 часть.gif ВЧ 071 часть.gif (373x)

Mime-Type: image/gif, 61 kB

26.11.12 21:53
joeberesf 

500 und mehr Punkte

26.11.12 21:53
joeberesf 

500 und mehr Punkte

Re: Armstrong Rückkopplungs-Audion Retroradio.

Hallo Friedrich,

das alte Gerät war mal ein Mess- Sender oder eine Messbrücke? oder?

Gespannt bin ich schon auf die Umsetzung der Skale.... Da sind ja
schon beste Voraussetzungen im Altgerät vorhanden.

Welche Wellenbereiche willst Du umsetzen? MW und KW? Oder nur KW?

Viel Spaß beim Projekt wünscht

Joe

26.11.12 22:23
friedrich-kutnik 

500 und mehr Punkte

26.11.12 22:23
friedrich-kutnik 

500 und mehr Punkte

Re: Armstrong Rückkopplungs-Audion Retroradio.

Hallo Joe,

vorgeplant sind 14-14,5mHz, 11,6-12,1mHz, 9,4-9,9mHz und 5,9-6,3mHz.
Die Spule und Kondensatoren habe ich schon ausgerechnet.

Das alte Gäret war irgend wann ein Messgerät, aber danach jemand umgebaut.
Was das war weise ich nicht das hat so wie so nicht funktioniert.

Mit Skala keine Probleme. Wellen Bereiche werden richtig angepasst, mit z.B. Generator
markiere ich die wichtigste punkte. Dann Grafik, Druck auf die Folie, aufkleben – Finnisch.
Alles wie immer.


Gruß Friedrich

Zuletzt bearbeitet am 26.11.12 22:23

22.03.14 19:41
friedrich-kutnik 

500 und mehr Punkte

22.03.14 19:41
friedrich-kutnik 

500 und mehr Punkte

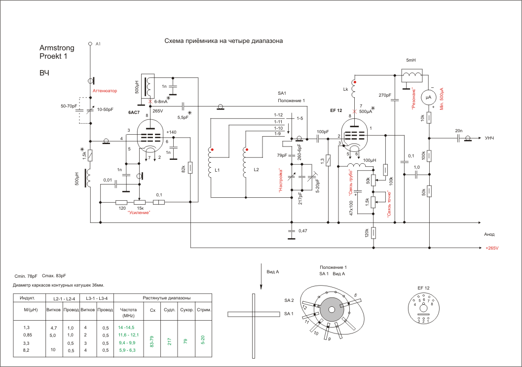
Re: Armstrong Rückkopplungs-Audion Retroradio.

Hallo Zusammen,

nach sehr lange Pause habe ich wieder mit meinem Projekt ein Paar Schnittchen weiter gemach.
Dieses Jahr wird gennau 100 Jahre, als Armstrong hat die Prinzip von Regen Radio erfunden.

Also, Schaltplan hat sich praktisch leicht geändert.
Aber die allgemeine Konstruktion ist jetzt ganz neu.

























MfG Friedrich

Datei-Anhänge
??????-3.1.jpg ??????-3.1.jpg (330x)

Mime-Type: image/jpeg, 151 kB

??????-3.2.jpg ??????-3.2.jpg (326x)

Mime-Type: image/jpeg, 266 kB

??????-3.3.jpg ??????-3.3.jpg (321x)

Mime-Type: image/jpeg, 242 kB

??????-3.4.jpg ??????-3.4.jpg (337x)

Mime-Type: image/jpeg, 239 kB

??????-3.5.jpg ??????-3.5.jpg (302x)

Mime-Type: image/jpeg, 181 kB

??????-3.6.jpg ??????-3.6.jpg (294x)

Mime-Type: image/jpeg, 179 kB

??????-3.7.jpg ??????-3.7.jpg (279x)

Mime-Type: image/jpeg, 190 kB

24.05.14 22:52
friedrich-kutnik 

500 und mehr Punkte

24.05.14 22:52
friedrich-kutnik 

500 und mehr Punkte

Re: Armstrong Rückkopplungs-Audion Retroradio.

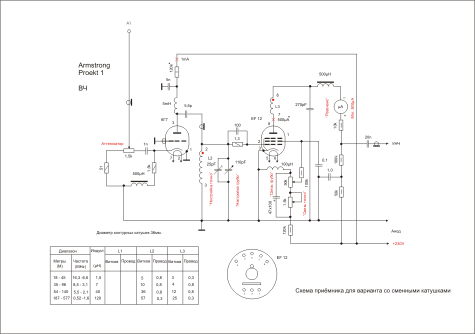
Hallo Zusammen,

jetzt nach eine lange Pause bin ich wieder mit meinen Rückkopplungs-Audion. Es geht weiter. Mehrere Teile habe ich überarbeitet oder ganz neu gemacht. Die große Probleme ist Antrieb von Drehko mit Skala. Das Radio muss SSB Signale empfangen und da durck braucht man ein guter Reducktor und KW Bereich soll auch geteilt werden.

Die Schaltpläne sehen ungefähr so aus:









Das Gerät ist jetzt auf Stapel:










MfG Friedrich

Zuletzt bearbeitet am 24.05.14 22:57

Datei-Anhänge
?? 10 ?????.gif ?? 10 ?????.gif (268x)

Mime-Type: image/gif, 59 kB

??? 03.gif ??? 03.gif (278x)

Mime-Type: image/gif, 34 kB

??????-3.29.jpg ??????-3.29.jpg (268x)

Mime-Type: image/jpeg, 273 kB

??????-3.30.jpg ??????-3.30.jpg (294x)

Mime-Type: image/jpeg, 277 kB

25.05.14 02:18
qw123 

500 und mehr Punkte

25.05.14 02:18
qw123 

500 und mehr Punkte

Re: Armstrong Rückkopplungs-Audion Retroradio.

Hallo Friedrich,

friedrich-kutnik:
Die Schaltpläne sehen ungefähr so aus:......
eine Frage.
Woher hast Du den HF-Teil der Schaltung (?? 10 ?????.gif)?
Selbstentworfen oder aus einer anderen Schaltung übernommen?
Hast Du diese Schaltung schon getestet?

Nach meiner Einschätzung könnte die HF-Vorverstärkerstufe mit der steilen 6AC7 Probleme machen.

Eine Drossel als Arbeitswiderstand wird im Kurzwellenbereich nicht als reine Induktivität wirken. Eine solche Drossel bildet zusammen mit ihrer Eigenkapazität einen Schwingkreis. In diesem Fall schätze ich, daß die Eigenresonanz unterhalb des KW-Bereichs liegt. Oberhalb der Eigenresonanz nimmt der Arbeitswiderstand und damit die Verstärkung dann schnell ab mit zunehmender Frequenz.

Möglicherweise ist es besser hier einfach einen induktivitätsarmen Widerstand von wenigen kOhm zu nehmen.
Damit umgeht man auch ein weiteres Problem. Bei einem Schwingkreis am Ausgang und am Eingang neigen steile Pentoden zum Selbstschwingen. Auch die Drossel am Eingang hat eine Eigenresonanz.

Weniger steile Pentoden (z.B. EF89) würden hier wahrscheinlich stabiler arbeiten. Die 6AC7 ist auch von ihrer Konstruktion her nicht so gut zur Verstärkungsregelung geeignet wie z.B. EF85/89.

Gruß

Heinz

25.05.14 11:30
Opa.Wolle 

500 und mehr Punkte

25.05.14 11:30
Opa.Wolle 

500 und mehr Punkte

Re: Armstrong Rückkopplungs-Audion Retroradio.

Hallo Friedrich,

sehr schöne mechanische Arbeit des Chassis, gefällt mir!

Ich nehme für so etwas gerne Alu-Lochblech, läßt sich leicht bearbeiten und viele ! Löcher sind schon drinn.
Mit einer Laubsäge und Metallsägeblatt sind alle nötigen Aussparungen sehr schnell anzufertigen, hier ein Beispiel:





In so einen alten Signal-Generator könnte man ein ähnliches Radio auch gut einbauen:



Übrigens, die "Gerätegriffe" gehören eigentlich bei I*K*E*A in die Küchenabteilung, sie sind sehr preisgünstig!

Guck mal Friedrich, diese Uhr habe ich auch:



Zuletzt bearbeitet am 25.05.14 11:41

Datei-Anhänge
Chassis.jpg Chassis.jpg (281x)

Mime-Type: image/jpeg, 99 kB

Gehäusegriffe.jpg Gehäusegriffe.jpg (270x)

Mime-Type: image/jpeg, 100 kB

Leader LSG-11 Front gerade.jpg Leader LSG-11 Front gerade.jpg (275x)

Mime-Type: image/jpeg, 199 kB

UTC.jpg UTC.jpg (285x)

Mime-Type: image/jpeg, 101 kB

 1 2 3
 1 2 3
bearbeitet   Rückkopplungs-Audion   Voraussetzungen   friedrich-kutnik   Signal-Generator   Verstärkungsregelung   HF-Vorverstärkerstufe   Küchenabteilung   Friedrich   Drehkoschrumpfen   Regenerativempfänger   Arbeitswiderstand   Ingenieur-Konstrukteur   Kurzwellenbereich   gerätetechnischen   Retroradio   induktivitätsarmen   Armstrong   rainers-elektronikpage   Gesamtkapazität