| Passwort vergessen?
Sie sind nicht angemeldet. |  Anmelden

Sprache auswählen:

Wumpus Gollum Forum von
Wumpus Welt der (alten) Radios
Sie sind nicht angemeldet.
 Anmelden

Universalnetzteil
  •  
 1 2
 1 2
27.08.13 13:47
Opa.Wolle 

500 und mehr Punkte

27.08.13 13:47
Opa.Wolle 

500 und mehr Punkte

Universalnetzteil

Hallo, nach langer Zeit möchte ich mein nächstes Projekt vorstellen.

Irgendwie fehlt einem trotz vorhandener Netzteile immer noch eines.
Netzteile bis 30Volt und 3Ampere sind vorhanden, aber keines,
dass die für Röhrenschaltungen notwendigen Spannungen liefern.
Das Ganze sollte aber im Rahmen bleiben und möglichst aus vorhandenem Material gebaut werden.

Ein fertiger Bauvorschlag für ein HV-Netzteil findet sich mit Platine bei Hans Borngräber. Meine Umsetzung sieht so aus:



Die Spannungsversorgung für die Niederspannung habe ich auf gleicher Platinengröße so aufgebaut:



Dies ist die negative Gittervorspannung:



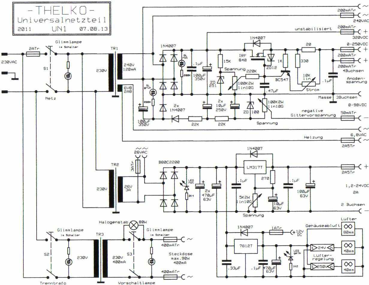
Hier ist nun einmal der Gesamtschaltplan:



Admin: Frage: Liegt eine Genehmigung des Schaltbild-Urheberrechte-Inhabers vor?

An Spannungen habe ich vorgesehen:
1. 320 VDC ungeregelt
2. 0,7-250 VDC geregelt
3. 26VAC ungeregelt
4. 235VAC ungeregelt
5. -100-0 VCD neg. Gitterspannung
6. 6,3 VAC Heizung
7. 12 VDC/1A stabilisiert
8. 1,2-24 VDC/2A stabilisiert

Ich hoffe, das reicht.
Stück für Stück geht es weiter.

1. Es wird ein Trafo aus einer ELEKTRA 57 eingebaut.
Dieser liefert bei prim. 240V sek. 6,3VAC/2,8A und 250VAC/120mA.
Da dieser original nur mit Biegelaschen befestigt war, habe ich ihm Winkel verpasst.
2. Der andere Trafo stammt aus einem amerikanischen Verkaufsautomaten.
Er liefert bei prim. 2x110V sek. 24VAC/3A.

3. Als nächstes werden die zwei Platinen komplettiert und gestestet.



Die Frontplatte aus Alu-Lochblech ist fertig gebohrt, bzw. gefeilt, alle Teile passen hinein.
Zwischen die einzelnen Buchsen kommen Sicherungen.

Ich glaube, ihr erkennt die "Einstellknöpfe" aus Verschlüssen von Haftcremetuben.

Da noch Platz im Gehäuse vorhanden war, habe ich noch einen Trenntrafo und eine Vorschaltlampe eingebaut.
Da die Lampe (80Watt-Halogen) ja immer nur kurzfristig in Betrieb ist, habe ich sie im Gehäuse belassen.
Bei einem Kurzschluß des zu prüfenden Gerätes kann die Spannung sofort abgeschaltet werden.
Die Steckdose dazu befindet sich mit zwei Schaltern auf der Oberseite.





Und hier die fertig bestückte Front:



Die Instrumente sind chinesischer Herkunft, mit Vorschalt- und Shuntwiderständen erfüllen sie meinen Zweck.
Die roten sind für Spannungen, die blauen für Ströme.
Sie kosten im Schnitt inklusive Porto pro Stück nur ca. 2,-Euro !

Bis jetzt läuft alles zufriedenstellend, für zwei Amperemeter muß ich noch die Shuntwiderstände ermitteln.

Datei-Anhänge
1 Hochspannung1.jpg 1 Hochspannung1.jpg (334x)

Mime-Type: image/jpeg, 97 kB

3 24-12VDC Netzteil.jpg 3 24-12VDC Netzteil.jpg (316x)

Mime-Type: image/jpeg, 98 kB

2 Gittervorspannung.jpg 2 Gittervorspannung.jpg (362x)

Mime-Type: image/jpeg, 77 kB

10 Schaltplan.jpg 10 Schaltplan.jpg (462x)

Mime-Type: image/jpeg, 99 kB

5 Gesamttest.jpg 5 Gesamttest.jpg (324x)

Mime-Type: image/jpeg, 100 kB

9 Knopf1.jpg 9 Knopf1.jpg (344x)

Mime-Type: image/jpeg, 100 kB

4 Vorschaltlampe.jpg 4 Vorschaltlampe.jpg (352x)

Mime-Type: image/jpeg, 75 kB

4a Vorschaltlampe1.JPG 4a Vorschaltlampe1.JPG (341x)

Mime-Type: image/jpeg, 100 kB

7 Front.JPG 7 Front.JPG (335x)

Mime-Type: image/jpeg, 98 kB

roehrenfreak, apollo, regency und Ronn gefällt der Beitrag.
!
!!! Fotos, Grafiken nur über die Upload-Option des Forums, KEINE FREMD-LINKS auf externe Fotos.    

!!! Keine Komplett-Schaltbilder, keine Fotos, keine Grafiken, auf denen Urheberrechte Anderer (auch WEB-Seiten oder Foren) liegen!
Solche Uploads werden wegen der Rechtslage kommentarlos gelöscht!

Keine Fotos, auf denen Personen erkennbar sind, ohne deren schriftliche Zustimmung.

Den Beitrag-Betreff bei Antworten auf Threads nicht verändern!
27.08.13 14:20
Klaus 

500 und mehr Punkte

27.08.13 14:20
Klaus 

500 und mehr Punkte

Re: Universalnetzteil

Hallo Wolfgang,

gefällt auch mir sehr gut.

Besonders die farbliche Unterscheidung zwischen Spannung und Strom finde ich pfiffig.

Viele Grüße
Klaus

28.08.13 18:33
Opa.Wolle 

500 und mehr Punkte

28.08.13 18:33
Opa.Wolle 

500 und mehr Punkte

Re: Universalnetzteil

Hi,

ich habe jetzt bei IK.A andere Handgriffe für Küchenzeilen entdeckt,
die lassen sich erstens gut für elektronische Geräte einsetzen und zweitens kosten sie nur 3,-Euro für zwei Stück.

Datei-Anhänge
Front-neu.JPG Front-neu.JPG (327x)

Mime-Type: image/jpeg, 100 kB

28.08.13 18:41
Skylark 

100-249 Punkte

28.08.13 18:41
Skylark 

100-249 Punkte

Re: Universalnetzteil

Hi Wolle,

diese Griffe passen natürlich optisch viel besser. Wirst du die anderen wechseln?

Gruß, Uwe

28.08.13 19:11
Opa.Wolle 

500 und mehr Punkte

28.08.13 19:11
Opa.Wolle 

500 und mehr Punkte

Re: Universalnetzteil

Hallo Uwe, hab ich bereits, sieh hier:

Datei-Anhänge
100_3996.JPG 100_3996.JPG (319x)

Mime-Type: image/jpeg, 99 kB

29.08.13 13:29
Andreas_P 

500 und mehr Punkte

29.08.13 13:29
Andreas_P 

500 und mehr Punkte

Re: Universalnetzteil

Hallo Wolfgang,

Deine Eigenbauten sind immer eine Augenweide. Ich habe großen Respekt davor. Basteleien, wie die Deinen liegen mir leider überhaupt nicht.

30.08.13 10:21
Opa.Wolle 

500 und mehr Punkte

30.08.13 10:21
Opa.Wolle 

500 und mehr Punkte

Re: Universalnetzteil

Hi Andreas, dann fang doch mal so aus Jux mit einem kleinen Audion an.
Das ist schnell mit z.B. der 2SH27L und Batterien aufgebaut.



Herr Kainka hat da mehrere Bauvorschläge auch mit nur einer Röhre.

Datei-Anhänge
AudionmitHörer-W.Thiele.jpg AudionmitHörer-W.Thiele.jpg (367x)

Mime-Type: image/jpeg, 97 kB

30.08.13 10:37
wumpus 

Administrator

30.08.13 10:37
wumpus 

Administrator

Re: Universalnetzteil

Hallo Wolfgang,

hast Du überhaupt eine Audion-Versuchserlaubnis

Du weißt ja: Um 1924 brauchte man zum Betrieb eines Rückkopplungs-Audions eine solche Versuchserlaubnis.

Nicht, daß Dir heute die Bundesnetzagentur auf die "Pelle" rückt !!!

Übrigens einen Rückkopplungsaudion-Bauvorschlag gibt es auch hier:
http://www.welt-der-alten-radios.de/a--g...bauplan-59.html

Gruß von Haus zu Haus
Rainer (Forumbetreiber)

30.08.13 11:56
Opa.Wolle 

500 und mehr Punkte

30.08.13 11:56
Opa.Wolle 

500 und mehr Punkte

Re: Universalnetzteil

Hallo Rainer,

leider habe ich es bis jetzt aus mehreren wichtigeren Gründen nicht geschafft, die Prüfung abzulegen.
Ich möchte Dich daher recht herzlich um Deine Verschwiegenheit bitten und mich nicht zu verpfeifen!
Wahrscheinlich würde ich mangels Alter auch nicht mehr zugelassen werden, der Zug ist abgefahren.

Jau, so in der Art habe ich es auch gedacht. Mit den Batterieröhren ist es ja schnell aufgebaut.

30.08.13 13:00
Ronn 

500 und mehr Punkte

30.08.13 13:00
Ronn 

500 und mehr Punkte

Re: Universalnetzteil

Hallo Wolfang,

genau so ein Universalenetzteil bräuchte ich noch .... nimmst Du noch Bestellungen an? Eine sehr schöne Arbeit! Auch dein Audion sieht sehr authentisch aus! Woher bekommt Ihr alle nur diese schönen Gehäuse bzw. Kästchen? Ist das ein Eigenbau oder ein Flohmarktfund? Leider hab ich in dieser Hinsicht immer nur Pech und meine selbstgebauten (Holz-)Gehäuse sehen eher ... naja 70er Jahre aus, Dieter Rams lässt grüßen ... für ein Audion sicher nicht wirklich stilecht!

Gruß von Ronn, der auch keine kaiserliche "Versuchserlaubnis" hat

Zuletzt bearbeitet am 30.08.13 13:00

 1 2
 1 2
Rückkopplungsaudion-Bauvorschlag   zufriedenstellend   Gittervorspannung   Bundesnetzagentur   Rückkopplungs-Audions   Universalenetzteil   Shuntwiderstände   Universalnetzteil   Versuchserlaubnis   Audion-Versuchserlaubnis   Shuntwiderständen   Schaltbild-Urheberrechte-Inhabers   welt-der-alten-radios   Baukästensystemen   Eigenkonstruktion   Verkaufsautomaten   Hochspannungsnetzteile   Spannungsversorgung   Röhrenschaltungen   Drei-Röhren-Gerät