| Passwort vergessen?
Sie sind nicht angemeldet. |  Anmelden

Sprache auswählen:

Wumpus Gollum Forum von
Wumpus Welt der (alten) Radios
Sie sind nicht angemeldet.
 Anmelden

Schmitt Trigger - Schaltplan verloren
  •  
 1 2 3
 1 2 3
17.08.14 02:15
technikfreund 

500 und mehr Punkte

17.08.14 02:15
technikfreund 

500 und mehr Punkte

Schmitt Trigger - Schaltplan verloren

Hallo Zusammen!

Ich habe ein kleines Problem mit einem nicht aufzufindenen Schaltplan.

Und zwar hatte ich mal eine Monoflop Schaltung, die wenn eine Masse
angelegt wurde, in einen bestimmten Zustand blieb.

Der Schaltplan hiervon ist soweit vorhanden.

Nun soll ein Optokoppler zum Einsatz kommen:

Die IR-Diode wird dauerhaft mit einer Spannung versorgt, zwischen
der IR-Diode und dem Empfänger ist eine Unterbrechung in Form eines
Flachbahnreglers.

Wird dieser nun bewegt, bekommt der Empfänger das IR-Signal und Schaltet
durch.
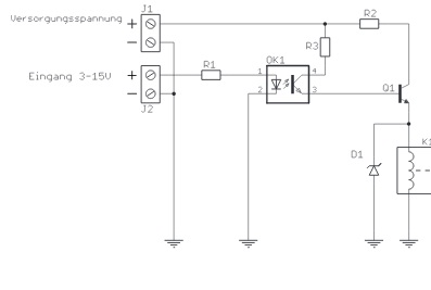
Anbei hiervon ein Schaltplan, wie das ganze z.b. mit einer Relaiskarte aufgebaut werden kann.

Nun möchte ich das mir hinter Q1 eine Masse zur Verfügung steht, mit der ich den Monoflop ansteuern kann,
wie schon oben geschrieben fehlt mir leider mein Schaltplan und wie ich das damals gemacht hatte
ist schon zu lange her.

Spannung ist überall 12V, Verbraucher sind Lämpchen 12V / o,1A

Ich weiß nur noch das ich damals über einen Flachbahnregler 12V geschickt hatte, die auf den Schmitt-Trigger
und so eine Masse auf den Monoflop durchgeschaltet wurde, nur wie die Trigger Schaltung aus sah, weiß ich nicht mehr.


Viele Grüße Technikfreund.

Datei-Anhänge
Relaiskarte.jpg Relaiskarte.jpg (396x)

Mime-Type: image/jpeg, 14 kB

Noch gefällt der Beitrag keinem Nutzer.
!
!!! Fotos, Grafiken nur über die Upload-Option des Forums, KEINE FREMD-LINKS auf externe Fotos.    

!!! Keine Komplett-Schaltbilder, keine Fotos, keine Grafiken, auf denen Urheberrechte Anderer (auch WEB-Seiten oder Foren) liegen!
Solche Uploads werden wegen der Rechtslage kommentarlos gelöscht!

Keine Fotos, auf denen Personen erkennbar sind, ohne deren schriftliche Zustimmung.

Den Beitrag-Betreff bei Antworten auf Threads nicht verändern!
17.08.14 13:25
Pluspol 

500 und mehr Punkte

17.08.14 13:25
Pluspol 

500 und mehr Punkte

Re: Schmitt Trigger - Schaltplan verloren

Hallo Technikfreund

Optokoppler machen eigentlich da Sinn, wo mit kleinen Betriebsspannungen Systeme mit größeren Spannungen oder Leistungen schaltbar werden sollen. So eine Art System- Potenzialtrennung. Wenn Dein Projekt überall nur mit 12 Volt betrieben wird, dann ist eine einfache C-MOS-Logiksteuerung der einfachste Weg. Da lassen sich auch mehrere Zustandsbedingungen miteinander verknüpfen. Hier weiss Mani als Schaltschrank-Monteur sicher noch Genaueres zu sagen.

Freundliche Grüße von Dietmar

17.08.14 13:45
Klaus 

500 und mehr Punkte

17.08.14 13:45
Klaus 

500 und mehr Punkte

Re: Schmitt Trigger - Schaltplan verloren

Pluspol:
Optokoppler machen eigentlich da Sinn, wo mit kleinen Betriebsspannungen Systeme mit größeren Spannungen oder Leistungen schaltbar werden sollen. So eine Art System- Potenzialtrennung.
Hallo Dietmar,

eine kleine Ergänzung: In der Siemens-Eisenbahn-Signaltechnik (heute: Rail Automation) in den 70ern wurden Optokoppler eingesetzt, um die Signale der Zugbeeinflussung auf der Schiene galvanisch von den nachgeordneten Rechnern zu trennen. Größere Spannungen oder Ströme traten dabei weniger auf; es ging primär um die Potentialtrennung.

Heute dürfte es immer noch so gehandhabt werden?

Viele Grüße
Klaus

17.08.14 15:43
technikfreund 

500 und mehr Punkte

17.08.14 15:43
technikfreund 

500 und mehr Punkte

Re: Schmitt Trigger - Schaltplan verloren

Hallo Zusammen!

Ich glaube ich habe mich nicht ganz verständlich ausgedrückt.

Der Optokoppler besteht aus einem IR Sender und einem Empfänger, die kein
gemeinsames Gehäuse haben.

Beide sollen jeweils links und rechts von einem Flachbahnregler platziert werden.
Ist der Regler unten, kann der Empfänger nicht durchschalten.

(Der IR Sender bekommt dauerhaft Spannung)

Wenn nun der Flachbahnregler bewegt wird empfängt der Empfänger das IR Signal
und schaltet durch.

Und wenn er durchschaltet soll er über einen Transistor (sozu sagen als knackfreies Relais)
dem Monoflop die Masse geben, sodass dieser den vorgegebenen Zustand erreicht.

Wenn noch Fragen zur Problematik sind, gerne stellen.

Für Lösungsvorschläge bin ich dankbar.

Viele Grüße Technikfreund.

17.08.14 17:09
Martin.M 

500 und mehr Punkte

17.08.14 17:09
Martin.M 

500 und mehr Punkte

Re: Schmitt Trigger - Schaltplan verloren

Konstruktionsfehler

Wenn Led und Fototransistor einen gewissen Abstand haben steuert der nicht richtig durch.
Zudem ist das Ganze fremdlichtempfindlich.

Auf den Schieber vom Regler kommt ein Streifen schwarzer Folie.
So kannst du unterhalb oder auch oberhalb vom Regler eine Gabellichtschranke montieren die die Folie liest.

lG Martin

17.08.14 17:55
technikfreund 

500 und mehr Punkte

17.08.14 17:55
technikfreund 

500 und mehr Punkte

Re: Schmitt Trigger - Schaltplan verloren

Hallo Martin!

Der Abstand von LED und Fototransistor passt.

Ich hatte damals BC 547 Transistoren genommen, die wenn eine
Spannung von 12V über einen Basisvorwiderstand von 10K Ohm
angelegt wurde, die Masse durchschalteten.

Das ganze wurde mit einer LED am Transistor optisch angezeigt. (Zur direkten
Funktionskontrolle.)

Nur wie das ganze Schaltungstechnisch aufgebaut war weiß ich nicht mehr.

Die Lichtschranke hieß "Temic K153P".


Viele Grüße Technikfreund.

17.08.14 23:16
Mani

nicht registriert

17.08.14 23:16
Mani

nicht registriert

Re: Schmitt Trigger - Schaltplan verloren

Hallo Technikfreund!

Du schließt einfach am Emitter des Q1 einen weiteren TUN (BC547 B) an mit Basisvorwiderstand
1 - 4K7, der Emitter des TUN liegt auf Masse, der offene Kollektor ist nun dein
Schaltkontakt.

Außerdem könntest Du die Schaltung leicht abändern und ersparst den zusätzlichen
Transistor, wenn Du das Relais samt Schutzdiode in den Kollektorkreis des Q1 einfügst.

Der Emitter Q1 liegt dann auf Masse, am Kollektor hast Du dann jedesmal wenn das
Relais anzieht, automatisch ein Massesignal, das über die Relaisspule wieder einen
definierten Pegel für den nachfolgenden Schmitt/Trigger liefert (+UB)

Und falls mal etwas nicht so gut durchschalten will, verringerst Du den Basiswiderstand.



Besten Gruß

Mani

Zuletzt bearbeitet am 17.08.14 23:35

18.08.14 15:25
NorbertWerner 

500 und mehr Punkte

18.08.14 15:25
NorbertWerner 

500 und mehr Punkte

Re: Schmitt Trigger - Schaltplan verloren

Hallo Technikfreund,

in Deiner Schaltung verwendest Du für D1 eine Zenerdiode. Ich nehme mal an, sie soll auch die positiven Spitzen, die von der Spule des Relais erzeugt werden, abblocken. Zenerdioden haben aber einen Nachteil, wenn sie mal 'durchbrennen'. In diesem Fall haben sie dann oft 0Ohm, was den Transistor zerstören würde. Ich vermute aber mal R2 dient hier als Strombegrenzung.

Was Martin schon ansprach, bei ungünstigen Lichtverhältnissen kann es zu 'Fehlschaltungen' kommen. Bei einer bestimmten Stellung könnte auch das Relais 'flattern'. Mit einer Schmitt-Trigger-Schaltung kann das Problem aber gelöst werden.


Gruss
Norbert



PS: Ich habe Dir eine PN geschickt.

18.08.14 18:54
Martin.M 

500 und mehr Punkte

18.08.14 18:54
Martin.M 

500 und mehr Punkte

Re: Schmitt Trigger - Schaltplan verloren

technikfreund:
Hallo Zusammen!

Ich habe ein kleines Problem mit einem nicht aufzufindenen Schaltplan.

Und zwar hatte ich mal eine Monoflop Schaltung, die wenn eine Masse
angelegt wurde, in einen bestimmten Zustand blieb.


hallo Technikfreund,

das ist insofern kein großer Verlust da es alles mögliche sein kann aber kein Monoflop.
Ein solches beginnt bei Ansteuerung mit dem Ablauf einer Zeit und kippt wieder in den ursprünglichen Zustand zurück nachdem diese abgelaufen ist.

lG Martin

19.08.14 12:09
Pluspol 

500 und mehr Punkte

19.08.14 12:09
Pluspol 

500 und mehr Punkte

Re: Schmitt Trigger - Schaltplan verloren

Hallo Norbert

Ich meine, dass D1 im Schaltplan eher eine Schottky-Diode ist. Eine Zenerdiode ist als Freilaufdiode für das Relais ungeeignet. Dafür werden statt üblicher Netzgleichrichterdioden "schnelle" Dioden verwendet.

Freundliche Grüße von Dietmar

Zuletzt bearbeitet am 19.08.14 12:10

 1 2 3
 1 2 3
Zustandsbedingungen   Schaltschrank-Monteur   Netzgleichrichterdioden   Betriebsspannungen   Trigger   Rauschunterdrückung   Siemens-Eisenbahn-Signaltechnik   C-MOS-Logiksteuerung   Schmitt-Trigger-Schaltung   Schmitt   Schaltungstechnisch   Funktionsbeschreibung   verloren   Schaltplan   Schaltungsvorschläge   Flachbahnregler   Signalzustansspeicherung   fremdlichtempfindlich   Technikfreund   Schaltung