| Passwort vergessen?
Sie sind nicht angemeldet. |  Anmelden

Sprache auswählen:

Wumpus Gollum Forum von
Wumpus Welt der (alten) Radios
Sie sind nicht angemeldet.
 Anmelden

Ein bisschen was Neues von der SAQ-Front
  •  
 1 2 3 4 5
 1 2 3 4 5
22.06.16 14:16
qw123 

500 und mehr Punkte

22.06.16 14:16
qw123 

500 und mehr Punkte

Ein bisschen was Neues von der SAQ-Front

Hallo zusammen,
weil ich vor einigen Wochen zuviel Zeit hatte und auch in der Zwischenzeit beim Sperrmüll erfolgreich einige alte Tschibo-Radio-Teile zum Ausschlachten einsammeln konnte, habe ich mir eine neue Antenne für den SAQ-Empfang gebastelt
(und aus aktuellem Anlaß natürlich: ).
Diesmal eine Ferritantenne. Mein altes Ferritantennen-Provisorium wurde dafür in den Ruhestand versetzt.





Von acht annähernd gleich großen Ferrit-Stäben mit ca. 20cm Länge (aus den Tschibos) wurden je zwei mit den Enden zusammengeklebt. Die vier Paare wurden dann in einem Sperrholzgestell (s.o.) montiert.
Mit einer improvisierten Wickelmaschine hatte ich zuvor ca. 600 Windungen 0.2 CuL auf einen passend zusamengeklebten Papp-Spulenkörper aufgebracht. Die resultierende Induktivität beträgt ca. 80mH. Zusammen mit einem Festkondensator (C1) von 1nF und einem 200pF-Plastik-Abstimm-Drehko aus einem der Schlachtradios ließ sie sich dann auf die SAQ-Frequenz von 17200Hz abgleichen.

Die annähernd richtige Windungszahl mußte ich vorher durch ausmessen einer kleineren Probewicklung errechnen. Die nicht unerhebliche Wicklungskapazität mußte abgeschätzt werden. Schätz- und Meßfehler waren klein genug, um sie durch die variable Drehko-Kapazität auszugleichen. Im Zweifelsfall gleicht man durch Anpassung der parallelgeschalteten Festkapazität soweit aus, daß man mit Hilfe des Drehkos wieder Resonanz bei 17200Hz erreicht.

Die gemessene Leerlaufgüte des Kreises betrug ca. 200. Das ergibt einen Resonanzwiderstand in der MegOhm-Größenordnung. So einen Kreis kann man nicht ohne weiteres an den niederohmigen Antennen-Eingang eines meiner Empfänger anschließen. Meine beiden Empfänger haben Eingangswiderstände von 75 Ohm bzw. einigen kOhm. Anpassung erreicht man entweder durch geeignete Anzapfungen der Spule oder der Kreiskapazität oder durch einen Anpaßverstärker.

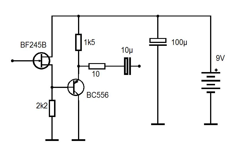
In diesem Fall habe ich einen kleinen Anpaßverstärker vorgesehen, an den sich praktisch alle nieder- bis hochohmigen Empfängereingänge gegebenenfalls auch der Mikrofoneingang einer Soundkarte anschließen lassen.


Der Fet-Eingang direkt am Kreis sorgt für einen ausreichend hochohmigen Eingang ohne Leitungsverluste. Der Emitterfolger-Ausgang stellt eine niederohmige Ausgangsimpedanz bereit. Als Fet kommt hier ein SMD-Typ zur Anwendung. Er war bei einem bekannten Restpostenanbieter für wenige Cent/Stck erhältlich und ist für diesen Einsatz durch seine relativ niedrige V(p)gs (Gate-Source Cutoff Voltage oder pinch-off-Spannung) von ca. 1.5V gut geeignet. Natürlich läßt er sich durch einen anderen JFet-Typ mit annähernd gleichen Eigenschaften ersetzen. Wegen der relativ niedrigen Versorgungsspannung von 9 Volt sollte man sich evtl. ein Exemplar mit ähnlich niedriger V(p)gs ausmessen. Es müssen dann allerdings R3 und R4 neu angepasst werden, so daß die Spannung am Kollektor von T2 bei etwa der halben Batteriespannung liegt wie im vorliegenden Fall. Der Spielraum für arbeitspunktstabilisierende Maßnahmen ist bei dieser niedrigen Versorgungsspannung leider eingeschränkt.

Wer mit der Fet-Eingangsstufe Schwierigkeiten hat, kann auch auf eine einfachere Version zurückgreifen wie hier gezeigt:
http://www.wumpus-gollum-forum.de/forum/...1_126_4.html#38.
Für einen 50-Ohm-Ausgang muß dann noch ein Emitterfolger nachgeschaltet werden.

Die Spannungsverstärkung der Schaltung ist gering, ca 8dB bzw. 2.5V/V. Damit besteht normalerweise keine Gefahr, den nachfolgenden Empfängereingang zu übersteuern. Hauptaufgabe des Verstärkers ist es, ein längeres Kabel zu einem niederohmigen Empfängereingang zu ermöglichen.
Der Widerstand R1 und der Kondensator C3 sind hier eigentlich überflüssig und können auch fortgelassen werden. Ich hatte sie eingefügt, um das Verstärkermodul auch ohne Schwingkreis am Labortisch zu testen und habe sie dann aus Bequemlichkeit beibehalten. R1 reduziert hier die Betriebsgüte des Kreises etwas. Die 3dB-Bandbreite liegt damit bei ca. 100 Hz. Mit R1 = 1 MegOhm ließe sie sich in etwa verdoppeln, vorteilhaft für eine bequemere Abstimmung und auch mit Rücksicht auf die Frequenzdrift des Grimeton-SAQ-Senders.
Die Ausgangsstufe liefert maximal ca. 250mVss an einen 50-Ohm-Eingang. Das ist weit mehr als ich in meiner Empfangssituation an Signal erwarte.

Verglichen mit meiner SAQ-Rahmenantenne liefert die Ferritantenne eine weit höhere Ausgangsspannung. Das liegt natürlich daran, daß a) an der Rahmenantenne eine niederohmige Anzapfung benutzt wird und b) an der Verstärkung des Anpaßverstärkers. Das Signal/Rausch-Verhältnis ist aber bei beiden Antennen das gleiche. Nachmeßbar mit meinem kleinen SAQ-Prüfsender (http://www.wumpus-gollum-forum.de/forum/...l-2-58_147.html).

Gruß

Heinz

Datei-Anhänge
SAQ_Ferrit_Antenne_1.jpg SAQ_Ferrit_Antenne_1.jpg (440x)

Mime-Type: image/jpeg, 44 kB

SAQ_Ferrit_Antenne_2.jpg SAQ_Ferrit_Antenne_2.jpg (454x)

Mime-Type: image/jpeg, 48 kB

SAQFerr2kl.jpg SAQFerr2kl.jpg (545x)

Mime-Type: image/jpeg, 38 kB

apollo, Wolle, Airwaves und regency gefällt der Beitrag.
!
!!! Fotos, Grafiken nur über die Upload-Option des Forums, KEINE FREMD-LINKS auf externe Fotos.    

!!! Keine Komplett-Schaltbilder, keine Fotos, keine Grafiken, auf denen Urheberrechte Anderer (auch WEB-Seiten oder Foren) liegen!
Solche Uploads werden wegen der Rechtslage kommentarlos gelöscht!

Keine Fotos, auf denen Personen erkennbar sind, ohne deren schriftliche Zustimmung.

Den Beitrag-Betreff bei Antworten auf Threads nicht verändern!
22.06.16 15:48
Wolle 

500 und mehr Punkte

22.06.16 15:48
Wolle 

500 und mehr Punkte

Re: Ein bisschen was Neues von der SAQ-Front

Hallo Heinz.

Konntest Du dich bei der Schreibweise der Werteangaben für die Widerstände nicht auf einen Standard einigen? Ich kann mir vorstellen, dass einige Nutzer hier Probleme haben könnten.

Mit vielen Grüßen.
Wolle.

23.06.16 00:35
qw123 

500 und mehr Punkte

23.06.16 00:35
qw123 

500 und mehr Punkte

Re: Ein bisschen was Neues von der SAQ-Front

Hallo Wolle,

Wolle:
Konntest Du dich bei der Schreibweise der Werteangaben für die Widerstände nicht auf einen Standard einigen?
doch, doch.
Alle Widerstandswerte sind angegeben in Ohm. Die Widerstandswerte - so wie ich sie aus meinem Widerstandssortiment entnommen habe - entsprechen den farbcodiert aufgedruckten Werten. Es handelt sich um Normwerte der E96-Reihe, s.a. https://de.wikipedia.org/wiki/Widerstand_%28Bauelement%29 .
Natürlich werden sie sich ohne Schwierigkeiten durch die nächstgelegenen Werte z.B. der E12-Reihe ersetzen lassen. Also z.B. 680-Ohm(E12) statt 681-Ohm(E96). Die Widerstände der E96-Reihe haben eine Toleranz von 1%, die hier aber unnötig ist.

Wolle:
Ich kann mir vorstellen, dass einige Nutzer hier Probleme haben könnten.
Ich muß zugeben, daß ich die Schaltung nicht auf "nachbausicher" optimiert habe. Sie wurde im wesentlichen an den gerade bei mir vorhandenen JFet angepasst. Nachbauwillige könnten mit der folgenden Schaltung besser zurecht kommen. Es wird ein verbreiteter Fet-Standardtyp benutzt. Die Verstärkung beträgt in diesem Fall nur -1dB statt +8dB. Das ist in diesem Zusammenhang aber nebensächlich. Maximale Ausgangsspannung an 50-Ohm ist ebenfalls ca. 250mVss.


Gruß

Heinz

Datei-Anhänge
AntVerst2.jpg AntVerst2.jpg (429x)

Mime-Type: image/jpeg, 30 kB

23.06.16 02:42
Wolle 

500 und mehr Punkte

23.06.16 02:42
Wolle 

500 und mehr Punkte

Re: Ein bisschen was Neues von der SAQ-Front

Hallo Heinz.

Danke für Deine Ausführungen. Ich selbst habe mit den Angaben keine Probleme. Ich hoffe aber, einigen Freunden hiermit bei Unklarheiten Denkanstöße gegeben zu haben.

Mit vielen Grüßen.
Wolle.

23.06.16 05:56
wumpus 

Administrator

23.06.16 05:56
wumpus 

Administrator

Re: Ein bisschen was Neues von der SAQ-Front

Hallo Heinz,

hast Du mal getestet, was mit der Güte passiert, wenn die Spule in Richtung Rand der Stäbe verschoben wird? Ich hatte mal irgendwo gelesen, das könnte Einfluß haben.



Gruß von Haus zu Haus
Rainer (Forumbetreiber)

"Vom Mund zum Ohr auf dem Strahle der elektrischen Kraft!"

24.06.16 01:49
qw123 

500 und mehr Punkte

24.06.16 01:49
qw123 

500 und mehr Punkte

Re: Ein bisschen was Neues von der SAQ-Front

Hallo Rainer,

wumpus:
hast Du mal getestet, was mit der Güte passiert, wenn die Spule in Richtung Rand der Stäbe verschoben wird? Ich hatte mal irgendwo gelesen, das könnte Einfluß haben.
das habe ich nicht getestet. Es bestand ja auch kein Bedarf, den Schwingkreis durch Verschieben der Spule abzugleichen, wie es bei MW/LW-Ferritantennen üblich ist.
Aus der gemessenen Induktivität und der bekannten Windungszahl kann man nachträglich einen sog. AL-Wert für den Ferritkern der Antenne errechnen. Er ergibt sich zu ca. 220nH/Wdg^2.
Damit liegt er relativ hoch. Ich hatte angesichts der niedrigen Betriebsfrequenz, die weit außerhalb des normalen Einsatzbereichs der Ferritstäbe liegt, mit weniger gerechnet. Verschiebt man die Spule an ein Ende der Ferritstäbe, so verringert sich theoretisch dieser Wert. Damit müßte man mehr Windungen für die gleiche Induktivität aufbringen. Mit entsprechend höheren Kupferverlusten und entsprechend geringerem Gütefaktor. Es könnte außerdem noch einen Einfluß auf die Richtcharakteristik der Antenne haben.
Wie groß die Unterschiede sind, wäre sicher interessant zu wissen. Ich habe es aber - wie gesagt - nicht untersucht. Nachträglich wäre es auch schwierig, da die Stäbe jetzt verklebt sind.

Gruß

Heinz

24.06.16 19:43
regency 

500 und mehr Punkte

24.06.16 19:43
regency 

500 und mehr Punkte

Re: Ein bisschen was Neues von der SAQ-Front

Hallo Heinz,
leider sind die jFET 245 zurückgezogen worden, man kann Sie aber noch einigermaßen preisgünstig bekommen. Als Ersatz mit ähnlichen Eigenschaften sollen die J113, 112, 111 geeignet sein, die es auch noch in der Steckbrett freundlichen TO-92 Form gibt.

Deine 8 dB Schaltung finde ich auch als extrem hochohmigen NF Verstärker sehr interessant. Linearität und Bandbreite dürften sehr ordentlich sein.

Gelernt habe ich auch, dass selbst im unteren kHz Bereich mit hochinduktiven Spulen hohe Schwingkreis-Güten erzielt werden können.

Schöne Grüße, Jan

Zuletzt bearbeitet am 24.06.16 19:43

24.06.16 21:04
MB-RADIO 

500 und mehr Punkte

24.06.16 21:04
MB-RADIO 

500 und mehr Punkte

Re: Ein bisschen was Neues von der SAQ-Front

Hallo zusammen,

das ist doch noch NF.
Ich würde eher einen rauscharmen NF-Vorverstärker mit rauscharmen Transistoren oder rauscharmen OPVs aufbauen. Eingangangswiderstände von über 1M sind da auch machbar.

Auch wären für den Spulenkern Ferrite aus alten Fernsehern ( Zeilentrafo- und Ablenksystemkerne) denkbar.

Nur mal so als Diskussionsvorschlag.

Viele Grüße
Bernd

26.06.16 20:37
regency 

500 und mehr Punkte

26.06.16 20:37
regency 

500 und mehr Punkte

Re: Ein bisschen was Neues von der SAQ-Front

Hallo zusammen,
auf einen 200x10 Ferritstab und mit 0,2 CuL Draht habe ich per Hand diese Spulenkeule gewickelt.



Die Daten:
L = 194 mH mit Drahtwiderstand R = 36 Ohm. Zur Bestimmung der Eigenkapazität habe ich einen Oszillator mit zwei jFET gebaut. Sie beträgt rund 100 pF. So komme ich mit einem Drehko 250+85 pF voll eingedreht gerade so zu den gewünschten 17,2 kHz.

Dann habe ich die Schaltung von Heinz aufgebaut, zunächst nur den Eingang mit BF 245 A und 5,6 kOhm Sourcewiderstand. Der Kreis ist galvanisch direkt mit Gate verbunden.

Über Vorwiderstand 3,3 MOhm wurde ein definiertes Signal vom HP Testoszillator dem Schwingkreis zugeführt und dieser auf Resonanz abgestimmt. Vorwiderstand und Schwingkreis bilden bei Resonanz dann einen ohmschen Spannungsteiler. Aus den gemessenen Spannungsverhältnissen ergibt sich ein Resonanzwiderstand von 2,4 MOhm. Mit den übrigen Werten errechnet sich daraus eine Güte von 115 und eine Bandbreite von 150 Hz.

Nun hoffe ich, damit auch einmal SAQ Grimeton empfangen zu können. Bis heute ist es mir das noch nicht gelungen.

Viele Grüße, Jan

Datei-Anhänge
Grimeton-Spule.jpg Grimeton-Spule.jpg (377x)

Mime-Type: image/jpeg, 110 kB

27.06.16 10:15
hal 

500 und mehr Punkte

27.06.16 10:15
hal 

500 und mehr Punkte

Re: Ein bisschen was Neues von der SAQ-Front

Hallo Jan,
Ich hoffe dir gelingt der Empfang von saq am 3.7.16...
73 und 55 de Hal

 1 2 3 4 5
 1 2 3 4 5
200pF-Plastik-Abstimm-Drehko   Eingangangswiderstände   Ferritantennen-Provisorium   Bandbreite   Temperaturabhängigkeit   bisschen   Langfrist-Durchschnittswert   Spannungsverstärkung   arbeitspunktstabilisierende   Resonanztransformation   SAQ-Front   Spannungsverhältnissen   Eigenschwingungsperiode   Entmagnetisierungsspule   TV-Entmagnetisierungsspule   Schwingkreis   Browser-Einstellungs-abhängig   Nichtvielrechensonderneinfachprobiermethode   zusammen   Spannungsverhältnisse