| Passwort vergessen?
Sie sind nicht angemeldet. |  Anmelden

Sprache auswählen:

Wumpus Gollum Forum von
Wumpus Welt der (alten) Radios
Sie sind nicht angemeldet.
 Anmelden

Einfach eine Geschichte eines Bastlers
  •  
 1 2
 1 2
06.10.16 16:49
Stefan02 

100-249 Punkte

06.10.16 16:49
Stefan02 

100-249 Punkte

Einfach eine Geschichte eines Bastlers

Hallo,
Teil 1: Vorstellen
Ich möchte hier einfach mal ein paar Dinge sagen, die den ein oder anderen eventuell Interessieren. Ich bin jetz´ 30 Jahre auf, also ein "Kind der 90er" und wuchs auch mit der Technik auf. Ich wollte Kommunikationselektroniker - Funktechnik machen, dazu reichte aber weder meine Schulische Leistung, noch kam hinzu das der Beruf mit dem Abschluss meiner anderen Lehre (zeitgleich) eingestellt wurde, nämlich 2007. Der Alternativberuf wäre Radio und Fernseh Techniker, aber wie ihr sicher wisst, gibt´s diesen Beruf in seiner Alten Form ja zu 95%+ nichtmehr.

Das merkte man vor allem an den vielen Messplätzen, die es in einem bekannten online Auktionshaus zu kaufen gab, als auch hier im Ort direkt, wo ein Tv / Elektronikhändler mit der Begründung seinen Laden vor einiger Zeit schloss, das Heutzutage die wenigsten einen Tv noch zum reparieren bringen würden, und man ausser "Display tauschen" eigendlich eh kaum was machen könne. Dennoch ändert das ja nichts an der Tatsache, das ich eben mit Elektronik aufwuchs, ich war "Feuer und Flamme" für Elektronik, verschlung Fachliteratur ("Minispione Schaltungstechnik - ein gut 5cm dicker "Schinken") und bastelte hier, bastelte da. Aufgrund der Berufswahl und wenigen Alternativen habe ich aber mit der Elektronik die mich interessieren würde, nämlich Radio / Rundfunk und gerne auchmal artfremde Elektronik (Schaltnetzteil, Weidezaungerät, Wechselrichter) wenig am Hut.

Natürlich gibt es noch Entwicklerstellen / Plätze für HF Schaltungen, doch dafür reichen einfach meine Leistungen bei weitem nicht. Also versuchte ich, das wäre eines meiner Lebensziele, selber etwas auf die Beine zu stellen, quasi einen Bausatz herauszubringen, so wie viele Funkamateure selber Endstufen oder QRP Transceiver Bausätze entwickelt haben, und diese mit Erfolg verkaufen. Ich "träume" immer von einem kleinen Mittelwellensender, der es eben ermöglicht eigenes Radioprogramm auf´s Radio zu senden. Wichtig ist dabei, das das ganze legal ist. In einigen Jahren habe ich einiges versucht, und möchte euch nun hier teilhaben lassen.

Teil2: Was ich versucht habe
Zuallererst habe ich die Firma "Franzis" desöfteren angeschrieben, erst schlug ich vor, man könne doch ein Walkie Talkie bauen (Bausatz auf 27Mhz) als Lernpaket, anschließend wollte ich ein "Funktechnik Lernpaket" einreichen, das die Grundlagen der Sende und Empfangstechnik vermittelt, doch beide Vorschläge wurden abgewiesen. Beim Funkgerät habe man "Angst" vor der BNETZA, und beim Radio Lernpaket sei gerade etwas ähnliches in Arbeit (das Später als "großer Franzis Radiobaukasten" herauskam). Als ich dann vorschlug, doch einen AM Modulator zu bauen, und auf die Verfügung 1/2010 resp. 1/2014 verwies, bekam ich tatsächlich eine Zusage, und wollte auch mit einem bekannten Author dann das Projekt verwirklichen. Doch leider wurde hieraus nichts, wir konnten uns nicht in technischen Details einigen, und so wurde auch aus diesem Projekt nichts.

Ich schrieb also Kemo Elektronik an, auch hier eine Absage (Bausätze nichtmehr aktuell / Angst vor REG TP), und so lies ich schließlich Pollin eine Email über wen mit dem ich anderwertig zusammenarbeite zukommen. Hier hies es "Zwar keine Absage, aber derzeit kein Interesse". Ich habe wirklich viel versucht, bei diversen Anbietern - wie man ja sieht - nachgefragt, ob ich denn wirklich keine Möglichkeit habe, einen Modulator zu veröffentlichen, doch bis jetzt keine Zusage. Ich habe zwar, während ich diesen Text schreibe, im Hintergrund schon wieder nach gehakt, aber ich bin mal wenig optimistisch, das das was wird. Eher realistisch. Dabei geht es mir absolut nicht um den Geldgewinn, im Gegenteil, ich würde sogar einen recht hohen (4-5 Stellig) Geldbetrag unverbindlich beisteuern wollen (auch hierfür bekam ich von Franzis tendenziell noch keine direkte Zusage). Mir geht es ganz stark darum, eine Schaltung zu entwickeln und veröffentlichen, die dann viele Nachbauen, und mich für meine Leistung loben.

Das könnt ihr als Bastler sicher verstehen, das es das höchste der Gefühle ist, wenn die "eigene Schaltung" nachgebaut, und für gut befunden wird. Ich habe über diverse Wege versucht, Schaltungen zu veröffentlichen. Sie wurden im großen und ganzen auch von einigen angenommen - und für gut befunden - das bestreite ich ja garnicht. Dennoch habe ich über die Jahre viele Schaltungen rausgebracht, in der Hoffnung mal eine hier oder in einem anderen Forum "zitiert" zu finden.

Doch nichts, man scheint hier auf den Sender von "Jogis Röhrenbude" eingesessen zu sein, auf den Modulator von der "Elektroniklabor" Seite, auch wenn ich in meinen 15+ Jahren Praxis Bastelerfahrung genau weis, das beide Schaltungen nicht das gelbe vom Ei sind. Der Kemo Sender macht Fm, und das nicht wenig, und beim Elektroniklabor Sender benötigt man einen seltenen, kaum zu bekommenden Resonator...Was ich erwarten würde, wäre eine gute Resonanz diverse Nachbauten usw.

joeberesf und Oldtimer_OM gefällt der Beitrag.
!
!!! Fotos, Grafiken nur über die Upload-Option des Forums, KEINE FREMD-LINKS auf externe Fotos.    

!!! Keine Komplett-Schaltbilder, keine Fotos, keine Grafiken, auf denen Urheberrechte Anderer (auch WEB-Seiten oder Foren) liegen!
Solche Uploads werden wegen der Rechtslage kommentarlos gelöscht!

Keine Fotos, auf denen Personen erkennbar sind, ohne deren schriftliche Zustimmung.

Den Beitrag-Betreff bei Antworten auf Threads nicht verändern!
06.10.16 16:51
Stefan02 

100-249 Punkte

06.10.16 16:51
Stefan02 

100-249 Punkte

Re: Einfach eine Geschichte eines Bastlers

Teil3: BNETZA Informationen
Bevor hier groß Mittelwellenmodulatoren / Sender gebaut werden, sollte man sich die Genehmigung der BNETZA einholen. Ich hakte also nach, im Sinne von erstmal viel Recherchieren, wie das jetzt genau sei, in Deutschland, mit der Mittelwellen Senderei. Es wurde mir gesagt, man dürfe induktiv senden, mit dieser und jener Feldstärke, oder einfach gesagt " induktiv 1-2m weit, und es ist ok". Aber hiermit gab ich mich nicht zufrieden. Durch die damalige Zusammenarbeit, die einen Anruf meines Projekt Partners bei der BNETZA beinhaltete, kam heraus, das unser Vorhaben geduldet werden würde, man solle jedoch vor veröffentlichung der BNETZA den Schaltplan zeigen, zur Überprüfung.

Im Radiomuseum schrieb jemand einen Brief, wo die Freigabe der Mittelwelle an die BNETZA gefordert wurde, und erhielt die Antwort, das man ja induktiv bereits senden könne (Details spare ich mir hier zwecks Länge siehe Radiomuseum Forum). Jemand den ich gut kenne, der rief bei der BNETZA an, und fragte, wie das nun sei, weil es ja so viele "Museumssender" mittlerweile gäbe, was man machen müsse, um selber senden zu können. Ja man müsse mindestens AFU Klasse A sein, und könne dann eine Versuchsfrequenz beantragen (mit extrem vielen Auflagen) die auf der Kurzwelle wäre, und die man selbst mit AFU Klasse A nicht sicher bekäme (wie machen das dann die Museumsbetreiber?). Da mir das alles nicht zusagte, schrieb ich selber eine Email, die auch wieder der BNETZA zukam. Der Brief des Radiomuseum Nutzers sagte mir nicht zu. Er war zu direkt geschrieben, und es fehlten technische Details.

Ich schrieb in meinem Brief erst eine Erklärung, weswegen "wir" gern auf Mittelwelle senden würden (eben wegen der Radios aus der Sammlung) schrieb jedoch dann technische Aufforderungen. Meine geringste Forderung wäre, das "per Definition" in die Allgemeinzuteilung bei induktiver Übertragung ein Absatz für den MW Bereich drinnen ist (oder nur einen Bereich der LW / MW) aller "Zur induktiven Übertragung eines individuellen Radioprogramms auf einen Radio mit eingebauter Ferritantenne". Weiterhin forderte ich die Freigabe von (wenigstens Teilen der) Mittelwellenfrequenzen für Heimsender, Minisender.

Hierbei würde ich mich mit einer Sendeleistung von 50mW "An der Endstufe" (Zugeführte Leistung) und einer Antennenlänge von maximal 2m begnügen, ich schrieb noch weitere technische Details, und erwähnte auch, das man doch im Gegenzug verlangen könnte, da der Sender ja normalerweise selber gebaut werden müsste, das die Amateurfunkklasse E Vorraussetzung ist - somit könne man nachweisen, das man über das technische Wissen zum Bau eines Senders verfüge... Nun, diese Email ging vor einger Zeit zur BNETZA, ich warte bis Heute auf Antwort.

Bedenkt, in den USA darf man schon lange selber auf Mittelwelle, UKW und z.T. sogar im Tv Band senden, meine Recherchen fanden 1W auf UKW Ohne Anmeldung erlaubt in Neuseeland (87,9 zum Beispiel) und das es in den Niederlanden bereits LPAM gibt, für Privatpersonen - und auch Belgien scheinbar an etwas ähnlichem Arbeitet gibt einem schon zu denken.

Admin: Bekanntlich ist die Rechtslage zum Betrieb von MW-Kleinstsendern (induktiv und per elektrischem Feld) nicht ganz eindeutig geregelt, was die vielen Anfragen bei den Behörden durch Bastler belegen. Deshalb weise ich formal wiedermal darauf hin, dass in Deutschland Senderinbetriebnahmen gesetzlich und per Verordnungen, etc geregelt und sanktioniert sind. Das ist auch hier im Forum wiederholt thematisert und diskutiert worden.

06.10.16 16:58
Stefan02 

100-249 Punkte

06.10.16 16:58
Stefan02 

100-249 Punkte

Re: Einfach eine Geschichte eines Bastlers

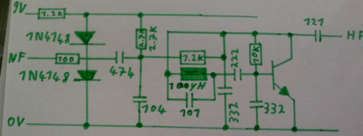
Teil4: Eine Beispielschaltung

Um euch mal zu zeigen, das ich mich über Jahre intensiv mit der Sendetechnik, vor allem im "low Power" Bereich auseinandergesetzt habe, habe ich hier mal eine Beispielschaltung. Nachbauer sind natürlich willkommen, und ich würde mich freuen, erwarte aber ehrlichgesagt nicht zu viel, da mein anderer Modulator scheinbar auch wenig Beachtung fand. Wie auch immer.

Die hier vorgestellte 1-Transistor Mittelwellenmodulator Schaltung sieht auf den Ersten Blick auch wieder "nicht brauchbar aus" bei einem Test käme dann aber das Staunen. Auch wenn der Sender freischwingend ist, die Frequenz durch L und C bestimmt werden kann, so erzeugt er brauchbare Amplitudenmodulation. Selbst mit Radios, welche über eher schmälere Filter verfügen, und erfahrungsgemäss sehr empfindlich auf FM reagieren ("Blubbern") wie dem Sony ICF7600 sollte diese Schaltung empfangbar sein, und gute Ergebnisse liefern.

Bis ich zu diesen Schaltungen kam, dauerte es Jahre an Forschung. Ich musste herausfinden, wieso so eine Schaltung FM macht... Mir kam dann nach zahlreichen Experimenten die Erkentniss, das es zum einen an der Internen B-E Kapazität des Transistors liegt (Für diese Schaltung kann ein beliebiger NPN verwendet werden, so wie BC548) als auch an dem recht hochomigen Schwingkreis, der sich durch Äußere Einflüsse leicht in seiner Frequenz beeinflussen lässt. Also habe ich die Schaltung sehr niederohmig aufgebaut, dafür sorgen die 3,3nF.

Mit den angegebenen Werten schwingt sie zwischen 550 und 640Khz, und sendet über die Spule ein induktives Signal, was mit einem Taschenradio in der Nähe des Senders gut aufgenommen werden kann. Über den 120pF kann das Signal auch an einen Radio (geschirmtes Kabel) übertragen werden, der Pegel ist hierfür genau richtig, schwach genug, um "richtig" Radiozusenden, aber stark genug, um ein ordentliches Signal zu erzeugen. Die Spule kann auch etwas verkleinert werden, so erhöht sich die Frequenz.

Anstatt einer Festinduktivität könnte ich mir vorstellen, das auch eine Rote AM LO Spule funktionieren würde, wenn man den 100pF weglässt (sonst Frequenz zu niedrig). Solche und ähnliche Schaltungen habe ich in diversen Variationen schon vorgestellt, sie fanden oftmals Beachtung, doch "hier" also in Radioforen habe ich noch nie eine meiner Schaltungen von selbst zitiert gesehen, oder nachgebaut gesehen - deswegen - habe ich versucht über andere Quellen meine Schaltungen unter die Leute zu bringen, und hatte da auch Erfolg (jemand Hilft mir).

Jedoch würde ich mir schon einen Modulator über Franzis oder einen ähnlichen Verlag wünschen, doch dort heist es, es sei zu wenig Gewinnerwartung vorhanden.

So, ich bin jetzt gerade etwas erschöpft (Eltern geholfen Hecke stutzen) ich belasse die Beiträge mal so (auch Rechtschreibtechnisch), ich wollte das einfach mal schreiben.





Admin:Oszillatorschaltungen mit Antenne / HF-Ausgang sind Sender (In diesem Beitrag wird selbst von "Sender" gesprochen) und deren Betrieb in Deutschland gesetzlich oder durch Verordnungen, etc u.U. sanktioniert.

Datei-Anhänge
Modualtor.jpg Modualtor.jpg (377x)

Mime-Type: image/jpeg, 196 kB

modulatorplan.jpg modulatorplan.jpg (506x)

Mime-Type: image/jpeg, 138 kB

07.10.16 00:11
regency 

500 und mehr Punkte

07.10.16 00:11
regency 

500 und mehr Punkte

Re: Einfach eine Geschichte eines Bastlers

Hallo Stefan02,
da hast du dir ja ganz schön was von der Seele geschrieben. Und du hast auch vor einiger Zeit schon mal hier etwas davon berichtet. Das zeigt, wie sehr dich das schon lange beschäftigt.

Deine Schaltung hat mich sofort interessiert. Auf den ersten Blick habe ich sie in der Tat überhaupt nicht verstanden.

Dann - ich hoffe, du verzeihst mir das - etwas umgezeichnet und in LTspice eingegeben. Oben hast du etwas von 3,3 nF geschrieben, aber in der Schaltung ist der nicht? Mit den angegebenen Werten für einige der Kondensatoren kam nicht richtig was dabei heraus.

Die Modulation war extrem schwach und die HF selbst verzerrt. Dann habe ich die Werte verändert und ein vorzeigbares Ergebnis bekommen. Die Frequenz liegt knapp unter 1 MHz, die kann man leicht durch die Werte des LC Kreis an dass untere Bandende der MW verschieben.

Vielleicht ergibt sich ja eine Diskussion dazu. Auch hier noch einmal, das ist kein Sender, sondern ein Oszillator mit einem induktiven Nahfeld. An den Kondensator am Kreis bzw. Kollektor gehört keine Antenne.



Viele Grüße, Jan

Datei-Anhänge
AM-Mod1.jpg AM-Mod1.jpg (333x)

Mime-Type: image/jpeg, 44 kB

07.10.16 14:29
Martin.M 

500 und mehr Punkte

07.10.16 14:29
Martin.M 

500 und mehr Punkte

Re: Einfach eine Geschichte eines Bastlers

hallo Stefan,
das Entstehen von FM kriegst du mit einer 1-Transistor-Schaltung nie ganz unter Kontrolle. Liegt schon daran dass der kleine sowohl schwingen als auch die AM drüberregeln muß, dabei verschiebt er seinen Arbeitspunkt und schon macht es FM...
Die Lösung dafür simpel: Bau den mal 2-stufig auf. Vorne erzeugst du nur den blanken Träger und die Folgestufe kannst du nun nach Herzenslust amplitudenmodulieren, das Senderchen vorne macht davon unbeeindruckt und so auch stabil - weiter. Den Abschluß bildet dann ein kleiner Hochpass der störende Oberwellen einsammelt und nur das rausläßt was auch raus darf. Er kann im Bedarfsfall auch eine Anpassung an die Impedanz der Lastantenne bzw. Spule darstellen.

lG Martin

Zuletzt bearbeitet am 07.10.16 14:31

07.10.16 20:33
joeberesf 

500 und mehr Punkte

07.10.16 20:33
joeberesf 

500 und mehr Punkte

Re: Einfach eine Geschichte eines Bastlers

Hallo Jan,

schickst Du mir das LTSpice. model per e-mail. Das interessiert mich. Ich nutze noch uralt Version 4.12a. Vielleicht muss der Transistor auch in die Datenbank....habe ich nicht nachgesehen.

Danke und Gruß

Joerg

07.10.16 21:50
regency 

500 und mehr Punkte

07.10.16 21:50
regency 

500 und mehr Punkte

Re: Einfach eine Geschichte eines Bastlers

Hi, Jörg,
hier ist das asc file. Du muss es noch in .asc umbenennen, weil das hier sonst nicht hochzuladen geht. Habe LTspice Version 4.23k.
Gruß, Jan

Datei-Anhänge
Stefan02.txt Stefan02.txt (414x)

Mime-Type: text/plain, 3 kB

08.10.16 12:01
joeberesf 

500 und mehr Punkte

08.10.16 12:01
joeberesf 

500 und mehr Punkte

Re: Einfach eine Geschichte eines Bastlers

Hallo Jan,

fein....probier ich aus.

Danke und Gruß

Joerg

08.10.16 17:05
Stefan02 

100-249 Punkte

08.10.16 17:05
Stefan02 

100-249 Punkte

Re: Einfach eine Geschichte eines Bastlers

Hallo,

Vielen vielen Dank für eure Antworten, und das ihr eucht diesen Roman durchgelesen habt.

Gut, ich sag mal was dazu.

1 Transistor Sender sind sehr speziell. Da muss viel Stimmen, die Spannung muss stabiel sein, der Arbeitspunkt muss stimmen. Wird die Spannung zu hoch, steigt zwar die Leistung stark an, aber der AM-Anteil nimmt ab, der FM Anteil nimmt zu. Sinkt die Spannung, wird die Modulation immer lauter, und "Pulsiert" den Sender irgendwann regelrecht (ähnlich wie SSB hört sich das dann an im AM Radio). Also muss man die goldene Mitte finden, was ich in meiner Schaltung tat, und dann erhält man tatsächlich brauchbare AM. Ja, FM wird man nicht 100% weg bekommen aber ...95%+ reichen doch? Das ist kein Wert, den ich messtechnisch ermittelt habe, sondern ein Wert der sich durch Experimentieren ergab.

Bei der LT Spice Simulation sind viele Fehler drinnen, denn da wurde leider falsch abgelesen. Es wurde sich um eine 10er Potenz verrechnet. So ist der 222 kein 220pF (der 221 hätte) sondern ein 2,2nF, und auch die 332 sind die gesuchten 3,3nF, denn 330pF hätte 331. Auch die 10nF am Audioeingang, die eigendlich 470nF sein sollten, wie die 10nF (103) die eigendlich 100nF sein sollten (104 im Plan)... Da hat sich der ein oder andere Fehler eingeschlichen. Wie auch immer,
bei mir funktioniert der Sender sehr gut, und auch Heute habe ich eben mal so schnell einen zusammengebaut für den Bericht über den Franzis Radiokasten, der nach wenigen Versuchen akzeptabel, wenn nicht perfekt, funktionierte.

Natürlich nutzt man üblicherweise mindestens 2 Transistoren doch mein Ziel war immer, es muss auch mit einem gehen und ohne Resonator oder Quarz. Also hab ich da echt viele Experimente reingesteckt, und meine Sender die jetzt tatsächlich so funktionieren (auch 49m Kurzwelle hab ich geschafft) sind das Ergebniss meiner langen Forschungen.

Aus Zeitgründen habe ich keine Aufnahme gemacht, wo ich bei einem AM Radio über den Sender drehe (also wenn der Sender bei 1Mhz wäre, das ich langsam von 990Khz bis 1010Khz drehe, denn Erfahrene Bastler hören dann sehr gut, ob das saubere AM ist, oder AM FM oder viel mehr FM als AM).

Allerdings hatte ich gerade meinen Kommunikationsempfänger VR120 betriebsbereit. Mit diesem Empfänger kann ich verschiedene Betriebsarten (ob das sinn macht oder nicht) auf allen möglichen Frequenzen in seinem Empfangsbereich empfangen. So kann ich auf Mittelwelle W-FM wählen (das entspräche der Bandbreite eines UKW Radios) oder eben auch FM.

Sender, wie der einfache Kemo Sender von Jogis Röhrenbude haben dann den Effekt, das man sie in so einem Empfänger auf FM sehr laut hört, und die Modulation nahezu verschwindet, wenn man den Empfänger auf AM schaltet, und der Sender genau auf die Grundwelle eingestellt ist.

In der folgenden Aufnahme habe ich für euch mal den 1-Transistor Sender (freischwingend, kein Quarz) diesem Test unterzogen. Anfangs ist der Empfänger auf AM geschalten, man hört die Sprache klar. Dann hört man ein "Piep" - der Empfänger geht in den "Auto" Modus (erkennt die Betriebsart, und wählt sie) und wählt wieder AM. Beim 2. "Piep" schaltet er dann aber auf mein Drücken hin um auf FM...

Und, hört man da (laut?) etwas?

Das 3. Piep schaltet auf W-FM und das kurz darauf 4te wieder auf AM.

Hört euch die Aufnahme doch mal an :)

Zuletzt bearbeitet am 08.10.16 17:15

Datei-Anhänge
VOICE79.WAV VOICE79.WAV (315x)

Mime-Type: audio/wav, 139 kB

08.10.16 17:30
Dietmar-Klaus 

100-249 Punkte

08.10.16 17:30
Dietmar-Klaus 

100-249 Punkte

Re: Einfach eine Geschichte eines Bastlers

Hallo Stefan02

Es ist schön, daß deine einfache Oszillatorschaltung funktioniert.
Ich hatte mal vor längere Zeit eine einfache Schaltung für den AM ZF Abgleich von 455 Khz gebaut .
Dazu bediente ich mich eines Resonators für 455 Khz .( findet man sehr oft in Fernbedienungen von TV Empfängern )
Meine Schaltung hatte damals 2 Transistoren.

Ich werde aus deinem Ausführungen nicht so ganz schlau , da ich als Radio und Fernehtechniker und eigendlich nur 2 Modulationsarten kenne.
Einmal Amplitudenmodulation ( AM ) und einmal Frequenzmodulation ( FM )
Deine Schaltung ist für mich eine reine AM Schaltung . Wenn du FM machen willst, sollte sich die Trägerfrequenz im Takte der NF ändern.
Das erreichst du u.A. mit einer regelbaren Kapazität, wie z.B. einer Kapazitätsdiode im Schwingkreis.

MfG. Dietmar Klaus

 1 2
 1 2
Kommunikationselektroniker   Kommunikationsempfänger   frequenzbestimmenden   Oszillatorschaltungen   1-Transistor-Schaltung   Senderinbetriebnahmen   Kapazitätsänderung   Einfach   Kapazitätsänderungen   Basis-Kollektor-Sperrschicht   Schaltung   Schwingkreiskapazität   Rechtschreibtechnisch   Mittelwellenmodulator   Gleichstrom-Arbeitspunkt   Geschichte   Mittelwellenmodulatoren   Bastlers   Mittelwellenfrequenzen   Transistor