| Passwort vergessen?
Sie sind nicht angemeldet. |  Anmelden

Sprache auswählen:

Wumpus Gollum Forum von
Wumpus Welt der (alten) Radios
Sie sind nicht angemeldet.
 Anmelden

KW-Empfang mit der Loewe 3 NF......
  •  
 1 2
 1 2
04.05.24 23:05
WoHo 

500 und mehr Punkte

04.05.24 23:05
WoHo 

500 und mehr Punkte

KW-Empfang mit der Loewe 3 NF......

Auf allgemeinen Wunsch eines einzelnen Herren:

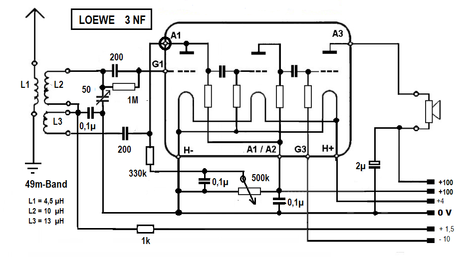
Mit dem neulich von Tom (DK1IS) erworbenen experimentellen Aufbau eines Audions (plus Rückkopplung) mit der Loewe Mehrfachröhre 3NF, habe ich heute Abend KW-Empfang im 49m-Band gehabt.

Selbst mit Lautsprecher, geht aber nur mit stark einfallenden Stationen. Schließt man jedoch stattdessen einen Kopfhörer an, dann werden auch schwächere Sender gut hörbar.
Zur Abstimmung dient ein Miniatur-Dreifachdrehko mit Cges = 50pF.
Mit einem anderen Spulensatz, konnte sogar das 31m-Band erfasst werden, aber schon schlechter.




Ich sage mal: In Anbetracht dessen, dass diese alte Röhre für sowas überhaupt nicht vorgesehen war, ist das Ergebnis eine Überraschung.....





https://www.youtube.com/watch?v=VBUlyFYQ27g

Gruß aus NL, Wolfgang

Datei-Anhänge
3NF-Exp-2.png 3NF-Exp-2.png (194x)

Mime-Type: image/png, 101 kB

woho-youtube.jpg woho-youtube.jpg (178x)

Mime-Type: image/jpeg, 90 kB

DK1IS, WalterBar, wumpus, apollo, regency, HB9 und Hajo gefällt der Beitrag.
!
!!! Fotos, Grafiken nur über die Upload-Option des Forums, KEINE FREMD-LINKS auf externe Fotos.    

!!! Keine Komplett-Schaltbilder, keine Fotos, keine Grafiken, auf denen Urheberrechte Anderer (auch WEB-Seiten oder Foren) liegen!
Solche Uploads werden wegen der Rechtslage kommentarlos gelöscht!

Keine Fotos, auf denen Personen erkennbar sind, ohne deren schriftliche Zustimmung.

Den Beitrag-Betreff bei Antworten auf Threads nicht verändern!
04.05.24 23:33
DK1IS 

250-499 Punkte

04.05.24 23:33
DK1IS 

250-499 Punkte

Re: KW-Empfang mit der Loewe 3 NF......

Hallo Wolfgang,

danke für die Rückmeldung, das Youtube-Video und den professionellen Schaltplan - dazu habe ich es nie gebracht . Schön, dass die Kisten bei Dir so gut spielen! Hast Du Antennenerde und Gerätemasse getrennt? Das könnte vielleicht noch die Brummeinstreuungen verringern. Den Hauptdrehko hast Du für diese Versuche offensichtlich abgeklemmt; wahrscheinlich konnten nur so das 49- und 31-m-Band erreicht werden. Falls vorhanden, solltest Du auch mal eine Aktivantenne am BNC-Eingang testen - hat bei mir erhebliche Verbesserungen gebracht.

Na denn: weiter viel Spaß und Erfolg mit der 3NF auf langen wie auch kurzen Wellen!

Gl es 73,
Tom, DK1IS

Zuletzt bearbeitet am 04.05.24 23:40

05.05.24 09:25
WoHo 

500 und mehr Punkte

05.05.24 09:25
WoHo 

500 und mehr Punkte

Re: KW-Empfang mit der Loewe 3 NF......

Hallo Radiofreunde

Ja, das war mal sehr interessant, die olle Röhre an die Grenzen ihrer Möglichkeiten zu bringen....

Das ist natürlich alles durch die Brille eines Radiobastlers und Funkamateurs gesehen, aber mehr realistisch betrachtet, ein Empfangsgenuss ist und war das sicherlich nicht! Begründung:

Nur die ganz starken KW-Sender sind mit dem Lautsprecher zu hören. Selbst diese haben naturgemäß Fading, auch wenn Radio-China aus Albanien ausgestrahlt wird. Und Geradeausempfänger haben ja normalerweise keinen Fadingausgleich. Daher ist diese Mehrfachröhre für den Ortsempfang gedacht, also ein starkes, konstantes Signal erforderlich! Zuerst wollte ich das auch simulieren mit dem extern modulierten Messsender und einem Walzer von Strauß, plus einem guten Lautsprecher.....

Nächster Punkt (und das gilt allgemein), die wenigsten sind am Inhalt der verschiedenen KW-Stationen interessiert. Dazu kommt noch, ich persönlich empfinde die DRM-Signale sowieso als äußerst störend! Dann ist Nostalgie futschi, sage ich mal....

Gruß aus NL, Wolfgang

05.05.24 13:03
DK1IS 

250-499 Punkte

05.05.24 13:03
DK1IS 

250-499 Punkte

Re: KW-Empfang (und Sendung?) mit der Loewe 3 NF......

Hallo Wolfgang und Kollegen,

sorry - etwas neben dem Thema, aber trotzdem:

Wolfgang, kann man den Aufbau eigentlich auch als Kleinsender auf KW gebrauchen? Habe ich nie probiert und die interne Röhrenverschaltung ist insgesamt ja recht hochohmig, aber es könnte gehen. Einfach die vorhandene Antennenspule wegnehmen und mit passendem Parallelkondensator in die Kopfhörer-Buchsen einsetzen - wäre doch spannend!

73,
Tom, DK1IS

Zuletzt bearbeitet am 05.05.24 13:03

05.05.24 13:22
WoHo 

500 und mehr Punkte

05.05.24 13:22
WoHo 

500 und mehr Punkte

Re: KW-Empfang mit der Loewe 3 NF......

Zitieren:
kann man den Aufbau eigentlich auch als Kleinsender auf KW gebrauchen?

Lieber Tom, ich bin noch lange nicht fertig, mit dem tollen Experimetieraufbau !
Habe selbst die Reparaturarbeiten an einem Körting Allstromsuper der 30er Jahre zur Seite gestellt....

Die Idee, die Verstärkung der Trioden auszunutzen, werde ich mal probieren, aber dann auf MW.
Die Modulation könnte man dann über G3 versuchen....

Gruß aus NL, Wolfgang

05.05.24 13:50
DK1IS 

250-499 Punkte

05.05.24 13:50
DK1IS 

250-499 Punkte

Re: KW-Empfang mit der Loewe 3 NF......

Ja, Wolfgang, der Test wäre interessant! Als Vorversuch könntest Du ja heute schon mal bei schwingendem Audion schauen, ob nennenswerte HF am Kopfhörer ansteht. Problematisch scheint mir die hohe Impedanz der Zwischenstufe; vielleicht kommt dort wegen der parasitären Kapazitäten zu wenig HF durch (was ja durchaus im Sinne der ursprünglichen Anwendung wäre). Aber: Versuch macht klug!

73,
Tom, DK1IS

Zuletzt bearbeitet am 05.05.24 13:52

05.05.24 14:08
WoHo 

500 und mehr Punkte

05.05.24 14:08
WoHo 

500 und mehr Punkte

Re: KW-Empfang im Moment schlecht....

.....wegen Mögel Dellinger Effekt.

Heute schon mehrmals X-Ray Flares, welche die D-Schicht alle KW-Verbindungen zu stark dämpft...

EDIT:


Gruß aus NL, Wolfgang

Zuletzt bearbeitet am 05.05.24 14:14

Datei-Anhänge
SID 05-05-24-c.png SID 05-05-24-c.png (184x)

Mime-Type: image/png, 96 kB

05.05.24 14:22
WalterBar 

500 und mehr Punkte

05.05.24 14:22
WalterBar 

500 und mehr Punkte

Re: KW-Empfang mit der Loewe 3 NF......

Hallo Wolfgang,

ich habe mir das Video angesehen, angehört und kann zu dem Ergebnis nur gratulieren!
Wahrscheinlich habe ich zu früh aufgegeben. Aber ich habe den Versuch nicht am Abend
unternommen. Das Anfangs-C des Hauptdrehkos störte wohl auch, meine Rückkopplung
ebenfalls anders. Aber auch meine zur Verfügung gestandenen Röhren waren um Klassen
schlechter in der Emission.

Zur KW-Ausbreitung:

X-Flares ja, Mögel-Dellinger NEIN. Die D-Schicht spielt auch keine Rolle, eher schon die
E-Schicht. Auf jeden Fall sind die Tagesfeldstärken mikrig und die 49m/41m-Reichweite
auf vielleicht 300 bis 400 km eingeschränkt.

Gruss
Walter

Nachtrag:

Ich beobachte momentan ebenfalls. Die Ionogramme aus Dourbes zeigen aber bislang
keinen Ausfall der Lotungen unterhalb 10 MHz, die man bei einem Mögel-Dellinger sehen
würde.

Zuletzt bearbeitet am 05.05.24 16:20

05.05.24 23:13
AndreAdrian 

250-499 Punkte

05.05.24 23:13
AndreAdrian 

250-499 Punkte

Re: KW-Empfang mit der Loewe 3 NF......

Zitieren:
In Anbetracht dessen, dass diese alte Röhre für sowas überhaupt nicht vorgesehen war, ist das Ergebnis eine Überraschung
Ja, ich war auch angenehm überrascht als eine 215A und eine TM Nachbau auf Kurzwelle als RK-Audion funktioniert haben ...

Eine Frage zum Schaltbild: Dort steht +1,5V als Gitterspannung für Triode 1. War das Probieren? So bei 0V noch kein Schwingungseinsatz? Oder gab es Unterlagen die diese Spannung empfehlen?

DL1ADR

06.05.24 10:42
WalterBar 

500 und mehr Punkte

06.05.24 10:42
WalterBar 

500 und mehr Punkte

Re: KW-Empfang mit der Loewe 3 NF......

AndreAdrian:

Eine Frage zum Schaltbild: Dort steht +1,5V als Gitterspannung für Triode 1. War das Probieren? So bei 0V noch kein Schwingungseinsatz? Oder gab es Unterlagen die diese Spannung empfehlen?


Hallo Andre,

so war der RO433 von Loewe für den englischen Markt aufgebaut. Es mag kleine Unterschiede geben,
je nachdem welche Röhre verwendet wurde: 3NF, 3NFB oder RNF7.

https://www.radiomuseum.org/r/loewe_opta_ro433.html

Für eine funktionierende Rückkopplung ist ausserdem ein externer Anodenwiderstand von 220 ... 330 kOhm
parallel zum internen Widerstand (3MegOhm) der 1. Stufe erforderlich.

Für eine mögliche Simulation ist folgender Ansatz möglich:

Vorstufen Röhrenkonstante 0,0001568, Endstufe 0,00018375 (Durchgriff 0,017 und 0,22)
Anodenwiderstände 3 MegOhm, Gitterableitwiderstände 6,5 MegOhm
Koppelkondensatoren 1,2 nF

Gruss
Walter

Zuletzt bearbeitet am 06.05.24 16:11

 1 2
 1 2
Mögel-Dellinger   Röhrenverschaltung   Koppelkondensatoren   Anodenwiderstände   Reparaturarbeiten   Miniatur-Dreifachdrehko   Parallelkondensator   Anodenwiderstand   Geradeausempfänger   KW-Empfang   Gitterableitwiderstände   Kopfhörer-Buchsen   Schwingungseinsatz   Brummeinstreuungen   Gittervorspannung   Rückkopplung   Tagesfeldstärken   Experimetieraufbau   Wolfgang   Gitterspannung