| Passwort vergessen?
Sie sind nicht angemeldet. |  Anmelden

Sprache auswählen:

Wumpus Gollum Forum von
Wumpus Welt der (alten) Radios
Sie sind nicht angemeldet.
 Anmelden

UKW- Flankendetektor. Antennen, Flachbandkabel, Topfkreis
  •  
 1 .. 10 .. 17 18 19 20 21 .. 33 .. 45
 1 .. 10 .. 17 18 19 20 21 .. 33 .. 45
01.02.12 20:31
joeberesf 

500 und mehr Punkte

01.02.12 20:31
joeberesf 

500 und mehr Punkte

Re: UKW- Flankendetektor. Antennen, Flachbandkabel, Topfkreis

Hallo regency, hallo zusammen

nein hier nervt garnichts. Ich freue mich über jedes Statement. Es ist ein kniffliges Projekt...aber ich versuche
natürlich so dicht wie möglich an R. Weavers Bauvorschlag zu bleiben.

Nun zur Ein- und Auskopllung. Zum Wandern ist die natürlich völlig ungeeignet, da sie ja im Prinzip nur provisorisch
verwendet werden soll und wie auf Roberts Seite zum Probieren dient.
Möglich ist das schon, aber bei Wind und Wetter oben auf dem Humboldthainbunker...,
das wär etwas nervig. Da läuft mir das Cu ja gleich wieder an...

Ich bin aber optimistisch... hier noch mal die Entfernungen von R. W.

Das müsste bei meinem Standort hinhauen.

Station Freq. Distance Power
ID MHz km Watts
------- ----- -------- ------
CKSB-2 88.7 16.29 100000
CFCR 90.5 2.51 1630
CKBL 92.9 19.55 100000
CBK-1 94.1 2.51 4100
CFMC 95.1 19.55 100000
CFWD 96.3 16.29 100000
CJMK 98.3 19.55 100000
CJDJ 102.1 19.55 100000
CIRN 104.1 2.51 2100
CBKS 105.5 16.29 98000
CBK-1 is the strongest because of the short distance, even though it is only 4kW.


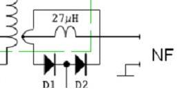
Die Drossel hat nur 22uH. Sie sollte im Original 27uH haben.



Sie kann auch erst mal weggelassen werden. Sie hat eine HF- Filterfunktion. Laut Schaltplan (R.W.) sollten dann zwei Auskopplungswindungen gesetzt werden. Nach dem Umbau, muss ich wieder mit dem Messender probieren.
Die Qualität der Resonanz steht dann im Vordergrund. Die Ein- und Auskopplung kann aber auch noch nicht ganz i.O. sein.
Das Herzstück, der Balun ist aber vom Profi ausgemessen worden und macht bei 100Mhz nicht schlapp !

Schaun` wir mal...

Joe

Übrigens sind 20 km für einen UKW- Detektor, auch bei 100KW Leistung der Station, nur mit besonderen Aufwand
zu realisieren. Die Reichweite des obig gezeigten Flankendetektors ist so maximal 6-8km.





Zuletzt bearbeitet am 02.02.12 09:11

Datei-Anhänge
Drossel.JPG Drossel.JPG (274x)

Mime-Type: image/pjpeg, 41 kB

Drossel in der Schaltung.JPG Drossel in der Schaltung.JPG (279x)

Mime-Type: image/pjpeg, 6 kB

!
!!! Fotos, Grafiken nur über die Upload-Option des Forums, KEINE FREMD-LINKS auf externe Fotos.    

!!! Keine Komplett-Schaltbilder, keine Fotos, keine Grafiken, auf denen Urheberrechte Anderer (auch WEB-Seiten oder Foren) liegen!
Solche Uploads werden wegen der Rechtslage kommentarlos gelöscht!

Keine Fotos, auf denen Personen erkennbar sind, ohne deren schriftliche Zustimmung.

Den Beitrag-Betreff bei Antworten auf Threads nicht verändern!
02.02.12 21:30
uwe_thomas 

250-499 Punkte

02.02.12 21:30
uwe_thomas 

250-499 Punkte

Re: UKW- Flankendetektor. Antennen, Flachbandkabel, Topfkreis

Hallo Joe,

Hallo Detektorfreunde,

Hier einige Bilder meines Helixkreises.

Dazu ein paar Bemerkungen:

Das CU-Rohr war kürzer , als ich dachte.

Alle meine Berechnungen waren nichts mehr wert.

Ich habe dann frei Schnauze gebaut.

Auf Arbeit habe ich normalerweise einen Kalibriergenerator bis 250MHz und ein entsprechendes Skop zur Verfügung. Der Generator war für zwei Monate verlorengegangen.

Nach Wiederauftauchen des Generators konnte ich die Resonanz des Topfes messen.

127MHz. Danach Helix neu wickeln. Helix besteht aus 6mm CU-Rohr. Material war noch vorhanden. Alles kein E-Kupfer.

Nach Neuwickeln und Einlöten der Helix Resonanz bei 93,4MHz.

Stück für Stück abschneiden, bis 109MHz erreicht waren.

Asttimmplatte machte mir Probleme. Zuerst tut sich nichts. Bei fast hereingedrehter Platte war eine Abstimmung fast nicht mehr möglich. Zu viel Kapazitätsänderung am letzten Ende.

Deshalb baute diese Art eines Drehko's in den Topf ein. Damit ist (durch den Feintrieb) eine einigermaßen wiederholbare Resonanzänderung (86-103MHz) möglich.

Mehr habe ich nicht hinbekommen. Nicht bei diesem kurzen Rohr (89*90mm).

Die obere und die untere Platte (die Abschlüsse des Topfes) werden durch zwei Holzplatten (mit entsprechend langen M8'er Schrauben verbunden) auf das Rohr gedrückt.

Dadurch kann ich im Topf frei konfigurieren ( Flankendetektor, Diskriminator, Flux-Kompensator). Ich muß nichts neubauen.

Als erstes werde ich den Flankendetektor testen.

Bis bald,

Uwe Thomas

PS:

Meine Neuerwerbung: Stradivari 3

Datei-Anhänge
Wendeltopf_Seite.jpg Wendeltopf_Seite.jpg (411x)

Mime-Type: image/jpeg, 267 kB

Wendeltopf_Zusammengebaut.jpg Wendeltopf_Zusammengebaut.jpg (331x)

Mime-Type: image/jpeg, 141 kB

Wendeltopf_oben.jpg Wendeltopf_oben.jpg (362x)

Mime-Type: image/jpeg, 215 kB

Stradivari.jpg Stradivari.jpg (308x)

Mime-Type: image/jpeg, 291 kB

03.02.12 15:11
joeberesf 

500 und mehr Punkte

03.02.12 15:11
joeberesf 

500 und mehr Punkte

Re: UKW- Flankendetektor. Antennen, Flachbandkabel, Topfkreis

Hallo Uwe

Willkommen im Boot der Wendeltöpfe. Das ist ja ein feines Teil. Das sieht doch sehr gut aus. Schön das auch Du
das Thema weiterverfolgt hast.

uwe_thomas:

Asttimmplatte machte mir Probleme. Zuerst tut sich nichts. Bei fast hereingedrehter Platte war eine Abstimmung fast nicht mehr möglich. Zu viel Kapazitätsänderung am letzten Ende.

Deshalb baute diese Art eines Drehko's in den Topf ein. Damit ist (durch den Feintrieb) eine einigermaßen wiederholbare Resonanzänderung (86-103MHz) möglich.

Mehr habe ich nicht hinbekommen. Nicht bei diesem kurzen Rohr (89*90mm).


Die Kapazitätsänderung im unteren UKW- Bereich ist generell bei dieser Art von Abstimmung ein Problem. Ich habe eine
Grafik, der Linearität der Abstimmung, von R. Weaver. Da kann man das schön sehen. Kleinste Änderungen im Abstand
machen große Sprünge in der Frequenz. Im oberen UKW- Bereich ist dies dann kein Problem mehr. Linear gesehen ist
bei meinem Topf 1mm = 1Mhz. Der effektive Hub beträgt also gerade mal 20mm!
Vielleicht ist Deine Abstimmplatte viel zu klein und die kap. Wirkung ist deswegen
erst auf den letzten Millimetern groß genug?

Es gibt noch einen Trick wie man eine Feinabstimmung durchführen kann.
Robert hat eine zusätzliche 6mm Schraube durch den Topf und seitlich zum Ende
der Helix eingeschraubt. D.h., er stimmt mit der Platte grob die unteren Frequenzen ab
und macht die Feinabstimmung mit dieser Stellschraube.

Wenn Du den Demodulator fertig hast, müsstest Du eigentlich sofort Empfang haben. Du hast einen optimalen Standort
und bist nah am Alex. Berichte von Deinen Versuchen. Vielleicht kann ich da noch was lernen und
bei meinem Plexiglas- Provisorium (Bilder weiter oben), etwas verbessern. Was für eine Antenne kommt an den Topf.
Ach ja...Du brauchst bei Dir ja nur ein Stückl Draht. Da ist was mit 50/75Ohm zu sehen. Also nimmst Du einen
offenen Dipol, oder?

Heute kommt die neue Stellermechanik in meinen Topf. Definierte Verhältnisse, HF- mäßig ohne Gewackele usw. Dann geht es wieder
zur Resonanzproblematik. Ich bin knapp unter 100Mhz gelandet. Ich versuche jetzt die 80mm Abstimmplatte einzusetzen.
Über die Schraubverbindung war zu viel Spiel im unteren Bereich und sie hat den Topf auf den letzten 10 Millimetern berührt.
Die abgebildeten Spiralfedern haben meinen ersten Versuch schön stabilisiert, aber es reichte nicht aus. Rainer hat mich
auch darauf hingewiesen, aber ich musste es doch probieren. Ich dachte, das typische Rauschen werde ich schon hören.
Hast Du Dir mal das Video von R.W. angesehen? Da rauscht überhaupt nichts! Das fand ich ulkig.

Wenn so langsam der Kopf zum Wendeltopf wird, ....dann einfach das Stradivari 3 einschalten und anständigen Empfang genießen.
Schnäppchen?

Beste Grüße

Joe

Zuletzt bearbeitet am 04.02.12 00:55

03.02.12 18:23
regency 

500 und mehr Punkte

03.02.12 18:23
regency 

500 und mehr Punkte

Re: UKW- Flankendetektor. Antennen, Flachbandkabel, Topfkreis

Hallo Uwe,
sieht sehr gut aus und das es prinzipiell funktioniert mit der kapazitiven Abstimmung ist ja die Hauptsache.
Auf welcher Grundlage hast du deinen Topf berechnet und wo ungefähr (Windung von unten) speist du Antenne ein und greifst die HF ab? Kannst du etwas zur Leerlaufgüte bzw. gemessenen Bandbreite sagen? Im Netz gibt es einen Beitrag "Coaxial Resonators with Helical Inner Conductor" aus dem Jahr 1959 mit Formeln und Nomogrammen mit den Topfkreisgeometrien, Frequenzen, Impedanzen und Güten. Demnach müsstest du bei deinem Topfdurchmesser theoretisch (!) etwa eine Leerlaufgüte von 1770 erreichen können bei ca. 5,4 Windungen. Beim Messen und ankoppeln sind ja kapazitive Lasten nicht ganz zu vermeiden, die etwas die Resonanz verringern. Die Diode tut dann auch ihr Übriges...
Ich hatte mal überlegt, ob man zur Abstimmung nicht einfach die Helix mit einem nicht leitenden Schraubgetriebe mechanisch dehnt und zusammendrückt, habe aber noch nicht das passende Material gefunden.
Bin echt gespannt, was du empfängst.
regency

03.02.12 19:18
MB-RADIO 

500 und mehr Punkte

03.02.12 19:18
MB-RADIO 

500 und mehr Punkte

Re: UKW- Flankendetektor. Antennen, Flachbandkabel, Topfkreis

Hallo,

fürs Dehnen und Stauchen wäre aber dann Flachbandkupfer besser geeignet. Schweißtrafos sind eventuel ein Spender.

Viele Grüße
Bernd

.... und vergessen Sie nicht Ihre Antenne zu erden !

04.02.12 00:34
joeberesf 

500 und mehr Punkte

04.02.12 00:34
joeberesf 

500 und mehr Punkte

Re: UKW- Flankendetektor. Antennen, Flachbandkabel, Topfkreis

Hallo zusammen,

ja das Dehnen und Stauchen wäre auch eine Möglichkeit. Das darf aber nur in einem recht beschaulichem
Umfang passieren, ansonsten reißt das Kupfer irgendwann ein. Bei einer Helix von 85mm Länge und
65mm Durchmesser, kommen bei 10mm etwa 6-7 Mhz zustande. Hier müssten 30mm gedehnt und gestaucht werden.
Dies kommt natürlich auch auf die vorhandene Kreiskapazität an. Aber das wisst ihr ja...

Liebe Resonator- und Wendelfreunde, ich habe Frust, da ich an meiner Messinggewindestange gescheitert bin.
Ich hatte gedacht, das diese auch für den neuen Mechanixnutz zu gebrauchen ist. Pustekuchen,... der
ganze Mist verkantet sich in der Durchführung und ich habe abgebrochen. Neues, glattes 6mm Rundmaterial
muss her. Ich konnte das mit einem Spiralbohrer simulieren. Dann würde es einwandfrei mech. funktionieren.
Naja, ...ist halt so. El Mechanikus läßt grüßen. Denken...wäre manchmal besser als Probieren. Zum Frust kriegt
ihr gleich noch zwei Bildchen der gescheiterten Mechanik um die Ohren gehauen... so...zum Ausgleich.
Die Cu- Verbindung zum Deckel ist Kupferfolie von einer alten Abschirmung. Mit der Schere geschnitten.
Cooles Zeug.

Gruß

Joe





Zuletzt bearbeitet am 04.02.12 01:10

Datei-Anhänge
Neue Mechanik mit 30mm Hub.JPG Neue Mechanik mit 30mm Hub.JPG (282x)

Mime-Type: image/pjpeg, 32 kB

Abstimmplatte mit Anschlussband.JPG Abstimmplatte mit Anschlussband.JPG (258x)

Mime-Type: image/pjpeg, 40 kB

05.02.12 17:40
uwe_thomas 

250-499 Punkte

05.02.12 17:40
uwe_thomas 

250-499 Punkte

Re: UKW- Flankendetektor. Antennen, Flachbandkabel, Topfkreis

Hallo Joe, Hallo regency

Die beiden Koaxialbuchsen unter der unteren Abschlussplatte waren nur zur Messung der Resonanzfrequenz des Topfes angebracht (Generator an die erste; Oszilloskop an die zweite Buchse).
Zwischen beiden Buchsen befindet sich eine Koppelschleife (0,8 Wdg, ca 1cm von der Helix entfernt). Ich konnte damit einen deutlichen Dip bei der (mit dem Drehko) eingestellten Resonanzfrequenz feststellen.

Diese Koppelschleife werde ich provisorisch als Antenneneinkopplung vewenden. Ich möchte die Helix erstmal in Ruhe lassen. Das heißt, die Diodenauskopplung werde ich als Schleife im Innern der Helix am unteren Ende plazieren. Da kann ich dann genug rumprobieren.

Die (ursprünglichen) Berechnungsgrundlagen für den Topf (welchen ich dann doch anders bauen mußte; das Rohr war zu kurz abgeschnitten) stammen aus dem Elektronischen Jahrbuch 1983, Militärverlag DDR, Seite 150-159 (könnte ich bei Bedarf scannen).
Dort sind Berechnungen für runde und eckige Töpfe angegeben.

Die Bandbreite war auch bei 86MHz (geringste Güte) auf jeden Fall geringer als 300kHz ; ich konnte es mit dem verwendeten Generator nicht besser messen (fummlige Einstellung). Der ist sonst dazu da, die Bandbreite der Skope festzustellen. Det muß nich so jenau sein (schätzometrische Messung).

@joe

Für Deine Mechanik gäbe es vielleicht noch eine andere Möglichkeit (ohne die baulichen Gegebenheiten zu sehr verändern zu müssen).

An das obere Ende der Helix eine kleine halbrunde Platte (Stator beim Drehko) befestigen. Diese müsste außerhalb der Mitte liegen.
Aus der in der Höhe verstellbaren Gewindestange wird eine Achse, die nur noch drehbar ist und über dem Topf einen Feintrieb erhält (wie bei mir).

Das Teil, was bei Dir bisher oberhalb des Topfes (zur Stabilisierung der Achse) angebracht ist, könntest Du dann innerhalb des Topfes für den gleichen Zweck benutzen.

Die Achse könnte durch zwei handelsübliche Achsdurchführungen durchgesteckt sein (wie bei mir) und mit vier (jeweils zwei gekonterten) M6er Muttern und zwei (Messing?) Scheiben drehbar fixiert werden.

An diese Achse , wo sonst (bei der Gewindestange) die Abstimmplatte festgeschraubt war, könnte man eine zweite halbrunde Platte befestigen( den Rotor).

Der Abstand der beweglichen halbrunden Platte zur festen Platte (im eingedrehten Zustand) bestimmt die Kapazität und damit , wie weit Du mit der Frequenz nach unten kommst (und ist sicherlich etwas besser abstimmbarer als die Abstimmung mit der höhenverstellbaren Abstimmplatte).

PS:
Stradivari

Der sieht von außen besser aus als von innen.
Ist innen aber nur stark verstaubt (vor allen Dingen der allerdings gut zugängliche Wellenschalter).
Ich habe erst mal die drei gefährlichen Kondensatoren am Netzteil entfernt und dann vorsichtig eingeschaltet.
Die Spannungen stimmen einigermaßen und bei halbgedrücktem Wellenschalter spielt das Radio auf LW, MW, KW1 umd UKW sehr gut.
Nach Gehör stimmt sogar der Abgleich noch 100%ig.
Die EM80 ist sehr schwach. Habe ich aber noch.
Super Klang.

Also ein Gerät, bei dem was zu machen ist.
Nicht zuviel bezahlt.

Mit freundlichen Grüßen
Uwe Thomas

Zuletzt bearbeitet am 06.02.12 15:33

06.02.12 14:35
Pluspol 

500 und mehr Punkte

06.02.12 14:35
Pluspol 

500 und mehr Punkte

Re: UKW- Flankendetektor. Antennen, Flachbandkabel, Topfkreis

Hallo Joe

Wenn ich das richtig erkannt habe, hat Dein Selbstbau-Abstimmkondensator am Kopf der Cu-Wendel eine kreisförmige Platte.
Im unteren Frequenzbereich ist damit die Abstimmung sehr progressiv, wie Du schreibst. Dem ließe sich entgegenwirken, indem Du, wie bei üblichen Drehkos genutzt, die Plattenform mehr sichelartig gestalten könntest. Durch die gewollte Form der "Mandel" lässt sich die Kurvenform der Frequenzänderung abflachen bzw. die Änderung etwas linearisieren.
Weiter viel Erfolg, damít sich Dein und Uwes Projekt nach der Mühe und dem Aufwand bestmöglich auszahlt.

Freundliche Grüße von Dietmar

Zuletzt bearbeitet am 07.02.12 13:44

16.02.12 18:32
joeberesf 

500 und mehr Punkte

16.02.12 18:32
joeberesf 

500 und mehr Punkte

Re: UKW- Flankendetektor. Antennen, Flachbandkabel, Topfkreis

Hallo zusammen,

ja eure Vorschläge zur Abstimmung sind sehr konstruktiv. Ich bin aber immer noch im großartigen
Vorbild verhaftet. Nun funktioniert die R.W- Mechanik. Die kreisförmige Platte hat übrigens nahezu die
gleiche Oberfläche wie das Vorbild. Um die Mechanik gut gängig zu machen, war nur eine neue Feder und
das Entfernen des oberen Messingaufsatzes nötig (Reibung und Verkanten). Die Stellerschraube greift jetzt
in eine tiefe Senkung ein und führt den unteren Messingfederhalter. Auch die alte Gewindestange macht so
keine Probleme mehr. Das Cu- Folienband zur Scheibe habe ich zusätzlich gegen ein flexibles 20mm breites
Kupferlitzenband ausgetauscht.

Die Resonanzverhältnisse haben sich abermals geändert. Am Wochenende geht es mit dem Projekt weiter.
Hier ein Bild des jetzigen Zustandes. Der Halter ist aus Edelstahl und so breit, dass er eine Plexiglasscheibe
mit UKW- Skale aufnehmen kann. Der Zeiger soll an das Messingteil.

Gruß

Joe



Zuletzt bearbeitet am 16.02.12 18:40

Datei-Anhänge
Neue Mechanik nach RW.JPG Neue Mechanik nach RW.JPG (286x)

Mime-Type: image/pjpeg, 52 kB

19.02.12 14:18
joeberesf 

500 und mehr Punkte

19.02.12 14:18
joeberesf 

500 und mehr Punkte

Re: UKW- Flankendetektor. Antennen, Flachbandkabel, Topfkreis

Hallo zusammen,

ich habe endlich neue Erkenntnisse zur Resonanz und zum neuen Abstimmungsmechanismus.
Der Aufbau der RW- Mechanik ist erfolgreich verlaufen. Ich war wieder mit dem kl. Mess- Sender am
Start und konnte ein eingespeistes 500Hz Signal, im Zimmer mit dem geschlossenen 300Ohm Selbstbau- Dipol, in
5m Entfernung, auf ca. 102Mhz empfangen. Mit dem kleinen Flankendetektor gelang mir das nicht.
Damit denke ich, ist auch der Beweis einer qualitativen Verbesserung gezeigt.

Aber was nützt einen diese Erkenntnis, wenn man kein Radio empfangen kann. Ich habe mir dann meine
DVBT- Zimmerantenne angeschlossen und über einen Trimmer, das verstärkte Antennensignal eingekoppelt.
Eine muntere Wackellei, der ganze Kasten fängt an, auch äußerlich auf Handkapazitäten zu reagieren. Dennoch
konnte ich 3 Stationen selektieren und sehr gut mit der Mechanik abstimmen. Ich habe noch mal recherchiert und
musste feststellen, dass bei der jetzigen Resonanzsituation kein Detektor- Empfang möglich ist.
Die starken UKW- Stationen 80-100kW liegen viel tiefer auf dem Band. Ich habe mal eine Liste rangehängt, hier
sieht man in gelb welcher Bereich erfasst wird. In rot eingerahmt sind die Stationen, die überhaupt für das Gerät
in einer Entfernung von 17km in Frage kommen.

Also Ziel erkannt: Jetzt muss die Resonanz bis auf 88Mhz gebracht werden!

Neue Helix, einen zur Helix parallelen Trimmer einbauen oder die Spule provisorisch verlängern, wären
Möglichkeiten. Ich denke, dass eine neue Helix im Endeffekt sein muss. Zum Weiterbasteln und probieren
kann ich ja erstmal diese Alternativen versuchen.

Gruß

Joe

Datei-Anhänge
UKW- Berlin.JPG UKW- Berlin.JPG (271x)

Mime-Type: image/pjpeg, 66 kB

 1 .. 10 .. 17 18 19 20 21 .. 33 .. 45
 1 .. 10 .. 17 18 19 20 21 .. 33 .. 45
natürlich   Flankendetektor   Antennen   Zuletzt   möglich   zwischen   könnte   Schaltung   müsste   Antenne   Grüße   Topfkreis   bearbeitet   Flachbandkabel   Detektor   Anpassung   zusammen   eigentlich   Vielleicht   Übertrager