| Passwort vergessen?
Sie sind nicht angemeldet. |  Anmelden

Sprache auswählen:

Wumpus Gollum Forum von
Wumpus Welt der (alten) Radios
Sie sind nicht angemeldet.
 Anmelden

Multifunktions CW- Dekodierung mit Arduino 2560
  •  
 1 2 3 4
 1 2 3 4
11.11.17 15:59
joeberesf 

500 und mehr Punkte

11.11.17 15:59
joeberesf 

500 und mehr Punkte

Re: Multifunktions CW- Dekodierung mit Arduino 2560

Hallo Martin,

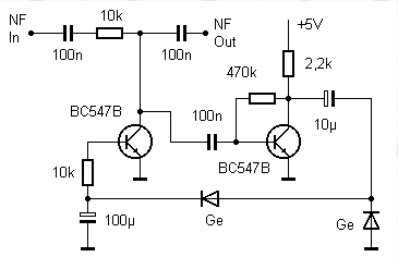
danke für die Rückantwort. Einen Bandpass brauche ich nicht, da der LM567 gerade diese Filterfunktion ja für die Tonerkennung braucht und sozusagen schon implementiert ist.

http://gemander.org/wp-content/uploads/2...-DecoderSCH.png

Im Plan auf dieser Seite siehst Du die Frequenzeinstellung über PT1 10k und C2 220nF. Etwa 80Hz, immer nach unten, ist der Spielraum zur Dekodierung. 900Hz ist eine gute Frequenz um die CW- Stationen zu erfassen. Mit BFO oder bei SDR mit einer leicht seitlichen Abstimmung lässt sich das Signal prima auf die benötigten 820- 900Hz bringen. Bei SDR setze ich zusätzlich den Bandfilter je nach Signalstärke und Abstand der Stationen auf 260- 400Hz. Die LED am Ausgang des LM567 ist sehr wichtig. Hier kann man visuell, auch bei hoher WPM, überprüfen ob der Dekoder einwandfrei arbeitet. Das ist alles ok und nach viele Stunden der Probiererei wird man schon richtig flink.

Dein Vorschlag zur Signalverstärkung (Regelverstärker mit OP) könnte das Problem schwankender Pegel bei schwachen Stationen bereinigen. Gute Idee....hast Du eine kleine Aufbauskizze oder Link dazu? Ich muss sagen,..... mit OP's habe ich mich noch nicht beschäftigt. Deine Kurzbeschreibung reicht daher für mich noch nicht aus. Wäre dann brauche ich nicht im www zu recherchieren.

Danke und Gruß

Joerg

Nachtrag: https://www.mikrocontroller.net/articles...rundschaltungen

Zuletzt bearbeitet am 11.11.17 18:45

!
!!! Fotos, Grafiken nur über die Upload-Option des Forums, KEINE FREMD-LINKS auf externe Fotos.    

!!! Keine Komplett-Schaltbilder, keine Fotos, keine Grafiken, auf denen Urheberrechte Anderer (auch WEB-Seiten oder Foren) liegen!
Solche Uploads werden wegen der Rechtslage kommentarlos gelöscht!

Keine Fotos, auf denen Personen erkennbar sind, ohne deren schriftliche Zustimmung.

Den Beitrag-Betreff bei Antworten auf Threads nicht verändern!
16.11.17 19:02
joeberesf 

500 und mehr Punkte

16.11.17 19:02
joeberesf 

500 und mehr Punkte

Re: Multifunktions CW- Dekodierung mit Arduino 2560

Hallo zusammen,

also der einfache Limitter brachte zwar eine lineare NF- Signalausgabe und ich konnte den Volumeregler am Computer fast voll aufreißen,
jedoch fehlte die Empfindlichkeit. Soll heißen, die Absenkung war zu stark und eine Modifikation der Schaltung brachte noch keine wirkliche Verbesserung. Der Kompressionseffekt, die Anhebung leiser Signale fehlt. Das ist aber noch nicht zu den Akten gelegt.

Hier nochmal die Schaltung...



Des Weiteren gab es einen schönen Dekodiererfolg auf 160m 1854kHz aus meinem R-311 über das Mikrofon des CW- Arduino Dekoders und einen bis jetzt noch nicht entdeckten Rückschlag bezüglich der Dekoder- Software. Nur durch das nachfolgende Signal erkannt!



Hier meine Interpretation.....

Mein Standort ist Stezery ... Vertikalantenne 60m ... Leistung 100W- Bitte um Empfangsbestätigung gleich oder direkt über
http://www.ok0ev.cz/ --- von OKM1 ...Entschuldigung* ...OK0EV-

* = EX siehe Webseite, könnte auch ehemalig heißen.

Dann riss die Aufzeichnung ab, da OKM1 einen Dauerton sendete etwa (8sec daaaaaaaah) und die Software abstürzte. Dieses Problem muss ich noch lösen. Hier könnte die Ursache liegen.

Gruß

Joerg

Datei-Anhänge
NF- Gain - Limitter.png NF- Gain - Limitter.png (303x)

Mime-Type: image/png, 9 kB

CW 160m.jpg CW 160m.jpg (322x)

Mime-Type: image/jpeg, 200 kB

16.11.17 21:10
MB-RADIO 

500 und mehr Punkte

16.11.17 21:10
MB-RADIO 

500 und mehr Punkte

Re: Multifunktions CW- Dekodierung mit Arduino 2560

Hallo Joerg,

vielleicht ist das was für dich: http://www.analog.com/media/en/technical...ets/SSM2167.pdf

Viele Grüße
Bernd

Zwei Dinge sind unendlich, das Universum und die menschliche Dummheit, aber bei dem Universum bin ich mir noch nicht ganz sicher. (Albert Einstein)

16.11.17 21:40
Bernhard45

nicht registriert

16.11.17 21:40
Bernhard45

nicht registriert

Re: Multifunktions CW- Dekodierung mit Arduino 2560

Hallo Joerg,

die Zeiten für Kurz, Lang, Pause würde ich nicht hart ins Programm kodieren. Meine Vorgehensweise wäre diese:

1 - Aufzeichnen mehrerer Zeitwerte, vielleicht 10 - 20 in einen Puffer
2 - Danach über den Pufferspeicher bestimmen wie die durchschnittliche Zeit für ein Kurz, Lang ist, plus etwas Spielraum
3 - Pufferspeicher an Zeichen-Dekoder übergeben, dekodieren und Zeichen anzeigen
4 - wieder zu 1. und Zeiten in 2. anpassen.


Damit bekommt man so eine Art automatische Geschwindigkeitserkennung und Anpassung, der Dekoder wird zuverlässiger arbeiten.


Mit freundlichen Gruß
Bernhard

Zuletzt bearbeitet am 16.11.17 21:45

17.11.17 18:37
joeberesf 

500 und mehr Punkte

17.11.17 18:37
joeberesf 

500 und mehr Punkte

Re: Multifunktions CW- Dekodierung mit Arduino 2560

Hallo Bernd, hallo Bernhard,

ich habe mir den Link zum SSM2167 angesehen. Sehr gut Bernd, das müsste passen! Ich freue mich! Die nötige Applikation ist sehr überschaubar und was ich besonders gut finde ist der Spannungsbereich 2.5V- max. 6V bei 2.3-5mA. Das passt ja prima zur Controllerversorgung. Preis völlig ok, nur die SMD- Ausführung nervt ein bisschen. Aber Improvisation ist alles, auf eine IC- Fassung aufgelötet und dann kann man das Teil prima auf das Laborbrett stecken und später final auf Lochraster aufbauen. Danke Bernd.

@Bernhard

Dir geht es dabei ja um die Schwankungen des Gebers. Die Software dekodiert 5 - 40WPM sicher. Die Schwankungen sind auch hier implementiert, da immer das letzte dah und dit in ms ausgemessen wird und anschließend umgesetzt wird " Ein dah sollte 3 x länger als ein dit sein. " Gehe mal in die Software im obigen Link und suche nach der Begrifflichkeit dah Deswegen kann ich während eines Durchlaufs auch die Geschwindigkeit im Sekundentakt von WPM5 auf WPM40 je um 1 hoch- oder runtersetzen. Der gezeigte Software Auszug sollte nur das Problem des Dauerdaaah aufzeigen. Ich vermute, dass nach 6000ms dann der Absturz erfolgt. Die anderen Definitionen sind oben nicht dargestellt. Angeblich ist die verwendete Software besser als der Dekodierer im neuen TS590SG.

Hier ein YT- Video dazu.

https://www.youtube.com/watch?time_conti...p;v=l81bE7bGjE8



Die Hauptproblematik ist die Signalstärke des CW. Hier besteht die größte Fehlerquote (Fading). Die Software packt auch unterschiedliche Signalfrequenzen....aber mehr als 30-50Hz sollte die Diff. nicht betragen. Nachregeln mit Getriebepoti!

Nun baue ich den NE555 ein, um mit eigener Taste zu Morsen und zu Dekodieren. Offen sind für mich dann noch die TFT- Querformatumsetzung für die Schalterei (Button Switch Display- Touch), der Kompressor- Limitter ( Bernds toller Vorschlag ) und Uhr mit Wetterhaus integrieren. Dann kommt der Endausbau, wie ganz oben beschrieben.

Danke und Gruß

Joerg

Zuletzt bearbeitet am 17.11.17 19:12

17.11.17 19:41
WalterBar 

500 und mehr Punkte

17.11.17 19:41
WalterBar 

500 und mehr Punkte

Re: Multifunktions CW- Dekodierung mit Arduino 2560

Hallo Joerg,
hallo zusammen,

den SSM2167 kenne ich gut, ja komme regelrecht ins Schwärmen für das IC. Prominente Anwender: Elecraft K2 (KW-Transceiver), SSTRAN AMT-3000 (AM-Modulator). Dieses IC existierte auch im DIL14 bzw. DIP14-Gehäuse unter der Bezeichnung SSM2166P. Diese Ausführung gibt es noch aus alten Lagerbeständen. In der Bucht soeben noch gesichtet. Mein Exemplar aus GB (inzwischen Freudenhauspreise) funktionierte gut. Die billige Ausführung aus China hatte funktionelle Probleme. In China hat man offenbar keine Probleme damit, irgendwelche Chips mit irgendwelchen Beschriftungen zu versehen. Das gilt übrigens auch für Röhren, wie ich im Falle einer EL156 erfahren musste.

Gruss
Walter

Zuletzt bearbeitet am 18.11.17 08:41

17.11.17 20:10
joeberesf 

500 und mehr Punkte

17.11.17 20:10
joeberesf 

500 und mehr Punkte

Re: Multifunktions CW- Dekodierung mit Arduino 2560

Hallo Walter,

ja sehr interessant....überhaupt der Warnhinweis. Ich habe ein sehr preiswertes Angebot bei Mouser gefunden. Ich gehe davon aus, dass es sich hier nicht um einen billigen Fake aus China handelt! Mouser ist generell zu empfehlen, wenn es um Teile geht, welche nur in den USA zu beziehen sind. Das ganze Zollgedöns fällt weg. Ich probier das einfach....in der Bucht sind die Preise nicht immer gerechtfertigt und einen wirklichen Schutz vor billig, billig, billig, gibt es ja auch nicht.

Danke und Gruß

Joerg

PS. Mouser hat z.B. HSMS 2850 und 2860 ! Bestelle ich gleich mit.

Zuletzt bearbeitet am 17.11.17 20:11

18.11.17 10:56
WalterBar 

500 und mehr Punkte

18.11.17 10:56
WalterBar 

500 und mehr Punkte

Re: Multifunktions CW- Dekodierung mit Arduino 2560

joeberesf:

Mouser ist generell zu empfehlen, wenn es um Teile geht, welche nur in den USA zu beziehen sind. Das ganze Zollgedöns fällt weg.


Hallo Joerg,

das "Zollgedöns" mit den USA ist inzwischen wirklich ein Problem in Folge der "America first"-Politik geworden. Mir ist es jetzt wiederholt passiert, dass im Rahmen des "Programms zum weltweiten Versand" über die Bucht der Dienstleister Pitney Bowes in Erlanger, Kentucky die Sendung nicht durch den Zoll gebracht hat. Die Ware ging zurück an den Versender. Er ist der Dumme, denn die Versandkosten sind weg. Der Empfangsadressat erhält alle Kosten erstattet.

Gruss
Walter

Zuletzt bearbeitet am 18.11.17 11:43

20.11.17 19:43
joeberesf 

500 und mehr Punkte

20.11.17 19:43
joeberesf 

500 und mehr Punkte

Re: Multifunktions CW- Dekodierung mit Arduino 2560

Hallo zusammen,

hier nun die erweiterte Applikation mit Morsetongenerator. Ganz simpler Grundaufbau....ca. 1kHz fest eingestellt. Das Signal wird, obwohl für den LM567 Tondekoder nicht nötig, über den LM386 verstärkt und einem kleinen 16Ohm Lautsprecher zugeführt. Nun kann ich selber Zeichen geben, hören und gleichzeitig dekodieren. Die Taste ist in die 5V- Versorgungsspannung zum NE555 eingeschliffen. Der Ausgang Pin 3 war kritisch, da die langen Zuleitungen zur Taste Störungen einfingen. Funktioniert so echt prima...um Knackgeräusche zu entschärfen sind zusätzlich 680nF parallel zur Taste geschaltet. Ihr seht, dass ich jetzt eine zweite 5V Versorgung links oben aufgesteckt habe und alle 5V Quellen nun parallel laufen. Nun ist auch genung Power am Start um den Kompressor- Limitter und ein Relais zu versorgen. Jetzt ist der Testaufbau autonom und funktioniert auch mit 9V Block prima.

So der Stand und Gruß

Joerg



Datei-Anhänge
NE555 Morsegenerator.jpg NE555 Morsegenerator.jpg (298x)

Mime-Type: image/jpeg, 190 kB

Übungsgenerator.jpg Übungsgenerator.jpg (286x)

Mime-Type: image/jpeg, 261 kB

26.11.17 14:52
joeberesf 

500 und mehr Punkte

26.11.17 14:52
joeberesf 

500 und mehr Punkte

Re: Multifunktions CW- Dekodierung mit Arduino 2560

Hallo zusammen,

bin schon fleißig am Morsen mit der Handtaste aus den Experimenten zur Funkentelegraphie. Ich versuche jeden Tag immer etwas zu wiederholen und neue Buchstaben hinzuzufügen. Also das Konzept mit der Arduino- Plattform auch einen kleinen Übungsdekodierer für die klassische Handtaste zu integrieren, lohnt sich für den Morse- Autodidakten.

Interessanterweise fand ich damit nun auch heraus, dass es nach dem Empfang eines Dauertons sich nicht um einen anschließenden Softwareabsturz handelt. Ganz im Gegenteil, die Software verarbeitet diesen Ton als Daaaaah, misst die Länge aus und berechnet daraus das Dih oder Dit. Das ist das Geheimnis der ständigen Geschwindigkeitsanpassung dieser Software. Für den Übenen ist das sehr gut und für das Dekodieren von Morsezeichen in einer gewissen normalen Geschwindigkeitsbandbreite ein echtes Novum. Wenn allerdings ein Code in WPM 15-40 dekodiert wird und am Ende kommt plötzlich ein 6sec Dauerdaaaah, dann muss das nächste Dit in etwa 2 Sekunden dauern!! Man selber kann das dann steuern bei der Handeingabe, am CW- Empfänger wird das dann ein Problem, da erstmal die eigentliche Geschwindigkeitsermittlung völlig aus dem Lot geraten ist, wenn es nach dem Dauerton, normal im jeweiligen Morse- Rhythmus, weitergeht. Es sind halt zwei temporäre Gegebenheiten die nicht logisch sind! Folge = # # # # # # mit extremer Wartezeit bis zur Ausgabe am Display. Mit der Handtaste kann ich dann die Geschwindigkeit wieder steigern.

Hat dieses Dauerdaaaah eigentlich eine Bedeutung? Ich habe es nur selten gehört. Sind das maschinelle Aussendungen?

Ich werde eine IF- Schleife im Loop integrieren bzw. ein Maximum- Daaaah definieren und dann die Erfassung von Neuem starten.

Ich warte auf die letzten Teile für das Laborbrettfinish ( Kompressor/ Limitter) und suche nach einem ansprechenden modernen Gehäuse. Vielleicht mit 9V- Batteriefach...... am Besten aus Alu oder aus gutem schwarzem Kunststoff. Größe in etwa zwei parallele Lochrasterplatinen und eine Höhe von ca. 40-50mm.

Gruß

Joerg

Zuletzt bearbeitet am 26.11.17 15:04

 1 2 3 4
 1 2 3 4
Dekodierung   Lautstärkeschwankungen   Software   Multifunktionskästchen   Morsezeichendekodierung   Arduino   Multifunktions   Geschwindigkeitsermittlung   Zeichenlängen-Verhältnissen   Geschwindigkeitsanpassung   cw-decoder-nach-wb7fhc   Gehäusesteckverbindungen   zusammen   bearbeitet   Spracherkennungsprogramm   Geschwindigkeitserkennung   Zuletzt   [code=javascript]boolean   Tondekodierungsschaltung   Geschwindigkeitsbandbreite