| Passwort vergessen?
Sie sind nicht angemeldet. |  Anmelden

Sprache auswählen:

Wumpus Gollum Forum von
Wumpus Welt der (alten) Radios
Sie sind nicht angemeldet.
 Anmelden

Audio-Bluetooth-Receiver TD5168A in einem Röhrenradio
  •  
 1 2 3
 1 2 3
05.10.25 16:41
Volker 

500 und mehr Punkte

05.10.25 16:41
Volker 

500 und mehr Punkte

Re: Audio-Bluetooth-Receiver TD5168A in einem Röhrenradio

Hallo Walter,

vielen Dank für die Liste der Röhrenbestückung – allesamt amerikanische Typen. Das passt gut in die Zeit, denn während des 2. Weltkriegs war Schweden zwar offiziell neutral, doch die Neutralität war fragil. Das Land blieb von direkten Kriegshandlungen verschont, aber die Menschen lebten in ständiger Furcht, dass die deutschen Truppen eines Tages einmarschieren könnten. Der Alltag war von Einschränkungen geprägt: Diesel, Benzin und Lebensmittel waren streng rationiert, und viele Autos liefen mit Holzgas, ein mühseliger Ersatz, der die knappen Treibstoffe schonte.

Dieses Radio war in diesen Jahren weit mehr als ein Unterhaltungsgerät. Es konnte von Lang- bis Kurzwelle empfangen und war eines der wenigen Fenster zur Welt. Gerade in dieser angespannten Lage suchte man Informationen aus dem Ausland, denn die schwedischen Nachrichten verschwiegen manches oder gaben es nur gefiltert weiter. Selbst der Wetterbericht wurde manipuliert, um deutschen Angriffsplänen keine brauchbaren Daten zu liefern. Viele Schweden lauschten daher der BBC, aber auch deutschen Sendern – nicht aus Sympathie, sondern um sich ein eigenes Bild von der Lage zu machen.




Interessant: Berlin 2 x auf Kurzwelle und Stettin auf Mittelwelle. „Home Service“ auf Mittelwelle war die Bezeichnung des Hauptprogramms der BBC für das Vereinigte Königreich in der Mittelwelle (MW). Es lief ab 1932, zunächst tagsüber, und richtete sich vor allem an ein britisches Publikum mit Nachrichten, Kultur und Unterhaltung. Dass auf einem schwedischen Radio aus den 1940er-Jahren „Home Service“ steht, deutet darauf hin, dass der Hersteller diese Frequenz direkt für den Empfang des BBC-Hauptprogramms auf MW markiert hat. Damals war die BBC für viele Europäer ein wichtiger Sender, auch während des Zweiten Weltkriegs, und die Radios wurden häufig mit bekannten internationalen Sendern auf der Skala beschriftet, selbst wenn sie in Schweden verkauft wurden.


Damals war die erste Fremdsprache in Schweden noch Deutsch. Wer studieren wollte, musste es beherrschen, denn die wissenschaftliche Literatur war überwiegend auf Deutsch. Erst nach dem Krieg verlagerte sich das Schwergewicht allmählich hin zum Englischen.

Auch aus der Luft bekam Schweden den Krieg zu spüren: Zahlreiche amerikanische Bomber, die nach Angriffen auf Deutschland beschädigt waren oder Treibstoffmangel hatten, landeten in Schweden. Teilweise handelte es sich auch um britische oder andere alliierte Maschinen. Nach dem Völkerrecht mussten die Besatzungen interniert werden. Doch die Schweden behandelten die Soldaten meist großzügig: Anstatt in Gefängnissen wurden sie oft in Hotels oder Ferienheimen untergebracht, erhielten ärztliche Versorgung und konnten sich relativ frei bewegen. Bis Ende 1944 waren über 1.000 amerikanische Flieger in Schweden interniert – ein sichtbarer Beweis dafür, dass der Krieg trotz aller Neutralität auch in Skandinavien nicht weit weg war.

Da fällt mir noch etwas Praktisches zu den schwedischen Radios dieser Zeit ein: Viele Geräte aus den 1940er-Jahren waren insgesamt eher einfach konstruiert, und die Materialqualität ließ häufig zu wünschen übrig. Besonders die Kunststoffisolierungen der Verdrahtungen sind heute oft zerbröselt. Wer ein solches Radio restauriert, muss entweder sämtliche Leitungen austauschen oder darauf achten, die alten Drähte möglichst nicht zu bewegen – sonst bricht die Isolation sofort weg. Nur der Kurzwellenteil war oft überraschend leistungsfähig und gut durchdacht, was den Empfang ausländischer Sender in diesen schwierigen Zeiten erleichterte.

Viele Grüße
Volker

Zuletzt bearbeitet am 05.10.25 19:12

Datei-Anhänge
radio1.jpg radio1.jpg (80x)

Mime-Type: image/jpeg, 647 kB

Skala1.jpg Skala1.jpg (75x)

Mime-Type: image/jpeg, 242 kB

!
!!! Fotos, Grafiken nur über die Upload-Option des Forums, KEINE FREMD-LINKS auf externe Fotos.    

!!! Keine Komplett-Schaltbilder, keine Fotos, keine Grafiken, auf denen Urheberrechte Anderer (auch WEB-Seiten oder Foren) liegen!
Solche Uploads werden wegen der Rechtslage kommentarlos gelöscht!

Keine Fotos, auf denen Personen erkennbar sind, ohne deren schriftliche Zustimmung.

Den Beitrag-Betreff bei Antworten auf Threads nicht verändern!
06.10.25 08:19
WalterBar 

500 und mehr Punkte

06.10.25 08:19
WalterBar 

500 und mehr Punkte

Re: Audio-Bluetooth-Receiver TD5168A in einem Röhrenradio

Hallo Volker, hallo zusammen,

vielen Dank für deine geschichtlichen Ergänzungen aus Schweden.
Nun, wenn der Lang- und Kurzwellenfrequenzbereich auch vorhanden
waren, dann wird es sich um das Modell Luxor 80W gehandelt haben:

https://www.radiomuseum.org/r/luxor_80w.html

Das wahrscheinlichste Herstellungsjahr ist 1944 oder 1945.
Die Röhrenbestückung in den ersten beiden Stufen ist dort etwas anders
und wahrscheinlich der Kurzwelle geschuldet:

6J9SG
7H7

Die 7H7 war der Vorläufer der berühmten 6BA6 (=EF93), die damals in
mehr als 7000 verschiedenen Radiomodellen bestückt war. Für die 6J9SG
wird als Hersteller oder Importeur SER, AB Svenska Elektronrör
(vormals Svenska Radio AB) in Stockholm genannt, die später von
Ericson aufgekauft wurde.

Gruss
Walter

06.10.25 12:00
Volker 

500 und mehr Punkte

06.10.25 12:00
Volker 

500 und mehr Punkte

Re: Audio-Bluetooth-Receiver TD5168A in einem Röhrenradio

Hallo Walter,

danke für deine Info. Der Luxor 87MW könnte es aber auch gewesen sein laut der Skala. Das MW steht nicht für Mittelwelle. Hier die schwedische Übersetzung der Wellenbereiche und ihre Abkürzungen in Klammern:

Långvåg (LV) = Langwelle

Mellanvåg (MV) = Mittelwelle

Kortvåg (KV) = Kurzwelle

Ultrakortvåg (UKV oder FM) = Ultrakurzwelle

Das å wird wie ein offenes langgezogenes o ausgesprochen. Das v wie ein w. Die Betonung liegt auf der letzten Silbe.

Ich hatte leider keinen Schraubendreher dabei. Sonst hätte ich das Radio wahrscheinlich aufgeschraubt und die Rückwand entfernt, wie ich mich kenne.

Viele Grüße Volker

Zuletzt bearbeitet am 06.10.25 12:06

07.02.26 11:10
Volker 

500 und mehr Punkte

07.02.26 11:10
Volker 

500 und mehr Punkte

Re: Audio-Bluetooth-Receiver TD5168A in einem Röhrenradio

Hallo zusammen,

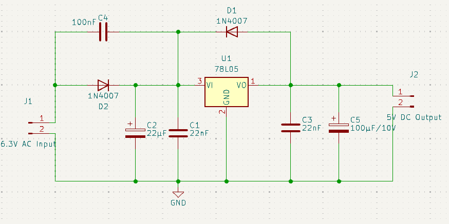
wieder habe ich eine Radio umgerüstet. Für die Spannungsversorgung, die aus der Heizspannung die 5 Volt DC erzeugt, habe ich mit KiCad eine Leiterplatte entwickelt und dann doch mit einer Lochrasterplatte verwirklicht. Dadurch ging das Verdrahten recht flott von der Hand. Die Lötungen sehen miserabel aus. weil ich 1. vergessen hatte vorher die Lötaugen mit Stahlwolle blank zu putzen und 2. meine Lötspitze defekt war. Kann in den besten Familien vorkommen.

Bewährt hat sich der kleine Kippschalter für das Ein- und Ausschalten der Spannungsversorgung. Das erleichtert den Verbindungsaufbau von Bluetooth. Der Kippschalter passt genau durch die Belüftungslöcher der meisten Rückwände. Das vereinfacht die Montage sehr. Man befestige die Kabel für die Heizspannung und das Audiosignal mit Klebeband so, dass die Kabel nicht versehentlich mit den heißen Röhrenkolben in Berührung kommen.












Die Einarbeitung in das kostenlose KiCad für Linux und Windows ist am Anfang etwas lästig. Nach ein paar Stunden hat man es dann aber einigermaßen verstanden. Anleitungen gibt es genug. Meine Layout sieht nach ein paar Stunden Einarbeitung natürlich noch laienhaft aus. Der Feinschliff kommt mit der Zeit.

Bei dem umgebauten Radio handelt es sich um ein Luxor Sopran 797W https://www.wumpus-gollum-forum.de/forum...=156&page=1 - Ich hatte es 2013 restauriert und hier vorgestellt:





Die 6,3 Volt Heizspannung griff ich am Magischen Auge ab. Das Audiosignal speiste ich mit einem abgeschirmten Kabel am Plattenspielereingang ein. Große Umbauten waren nicht notwendig und das Radio lässt sich jederzeit in seinen ursprüngliche Zustand zurückversetzen.

Das Radio ist Baujahr 1955, Im Jahr 2013 hatte ich es restauriert und jetzt im Jahr 2026 spielt es 13 Jahre später noch immer und hat einen Bluetoothempfänger erhalten.



Viele Grüße Volker

Zuletzt bearbeitet am 07.02.26 11:46

Datei-Anhänge
Bildschirmfoto zu 2026-02-04 20-18-16.png Bildschirmfoto zu 2026-02-04 20-18-16.png (16x)

Mime-Type: image/png, 65 kB

Bildschirmfoto zu 2026-02-04 20-20-02.png Bildschirmfoto zu 2026-02-04 20-20-02.png (15x)

Mime-Type: image/png, 46 kB

Bildschirmfoto zu 2026-02-04 20-26-02.png Bildschirmfoto zu 2026-02-04 20-26-02.png (15x)

Mime-Type: image/png, 22 kB

Bluetoothreceiver-oben.jpg Bluetoothreceiver-oben.jpg (15x)

Mime-Type: image/jpeg, 860 kB

Bluetoothreceiver-unten.jpg Bluetoothreceiver-unten.jpg (15x)

Mime-Type: image/jpeg, 725 kB

sopran1.jpg sopran1.jpg (12x)

Mime-Type: image/jpeg, 135 kB

radio-innenansicht.jpg radio-innenansicht.jpg (12x)

Mime-Type: image/jpeg, 120 kB

 1 2 3
 1 2 3
Bluetooth-Empfänger   Transistor-Radioverstärker   NF-Ausgangsübertrager   Audio-Bluetooth-Receiver   Röhrenradio   Kurzwellenfrequenzbereich   Audio-Bluetooth-Empfänger   Kunststofffolienkondensator   TD5168A   Anodenspannungswicklung   Grüße   Übersetzungsverhältnis   bluetooth-audio-receiver   welt-der-alten-radios   Wumpus-Gollum-Forum   Gleichstrom-Widerstand   Lötdrahtwickelkörper   Kunststoffisolierungen   Voxhaus-Gedenktafel   grundig-97-reparaturbericht