| Passwort vergessen?
Sie sind nicht angemeldet. |  Anmelden

Sprache auswählen:

Wumpus Gollum Forum von
Wumpus Welt der (alten) Radios
Sie sind nicht angemeldet.
 Anmelden

Regen Wanjüscha
  •  
 1 2 3 4
 1 2 3 4
05.08.15 17:41
RFTHeinz 

500 und mehr Punkte

05.08.15 17:41
RFTHeinz 

500 und mehr Punkte

Re: Regen Wanjüscha

Vielen Dank Wolfgang.
Das der Begriff Audion die Zeiten im Duden überdauert hat ist noch beachtlicher.

Heinz.

!
!!! Fotos, Grafiken nur über die Upload-Option des Forums, KEINE FREMD-LINKS auf externe Fotos.    

!!! Keine Komplett-Schaltbilder, keine Fotos, keine Grafiken, auf denen Urheberrechte Anderer (auch WEB-Seiten oder Foren) liegen!
Solche Uploads werden wegen der Rechtslage kommentarlos gelöscht!

Keine Fotos, auf denen Personen erkennbar sind, ohne deren schriftliche Zustimmung.

Den Beitrag-Betreff bei Antworten auf Threads nicht verändern!
06.08.15 17:02
qw123 

500 und mehr Punkte

06.08.15 17:02
qw123 

500 und mehr Punkte

Re: Regen Wanjüscha

Hallo Friedrich,

friedrich-kutnik:
Hallo Heinz,
Kannst Du irgendein Projekt empfehlen, das aus deiner Sicht gut ist und nachgebaut werden kann ?
das ist eine nicht ganz einfach zu beantwortende Frage.
Empfehlen kann ich in erster Linie das schon zitierte "Fernempfangsradio". Aber auch die von 'Mirag' verlinkte Schaltung ist nicht schlecht zum Nachbau geeignet. Trotz der kleinen Vorbehalte, die ich hätte. Zumindest beim Verfasser des verlinkten Artikels scheint sie doch gut zu funktionieren.

Ob eine dieser Schaltungen gut nachgebaut werden kann, muß eigentlich jeder für sich entscheiden. Dein Problem ist, wenn ich das recht sehe, die Einbeziehung der schon geleisteten mechanischen Aufbauarbeit. Da müßtest Du in beiden Fällen wohl Modifikationen an der neuen Schaltung vornehmen.

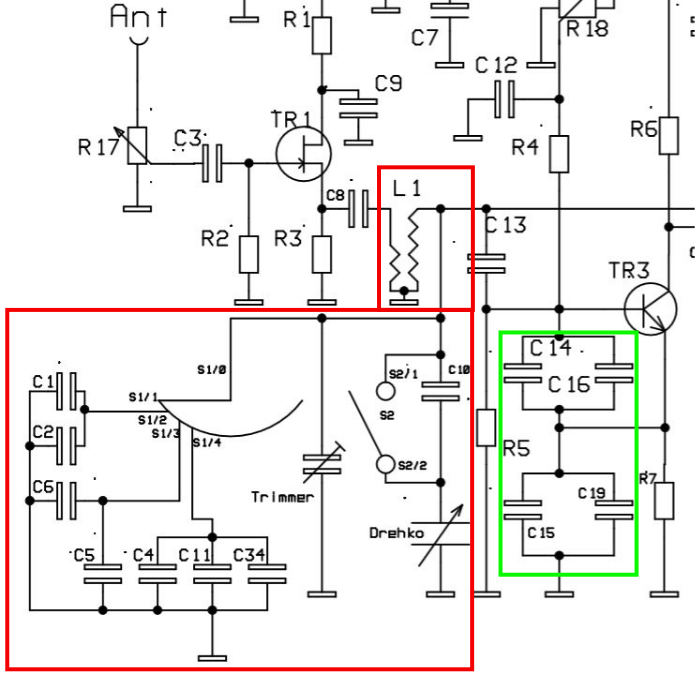
Im Falle des "Fernempfangsradio" könnten die so aussehen:



Den rot umrandeten Bereich müßtest Du fortlassen und durch Deine eigenen Spulen und Drehkos ersetzen.
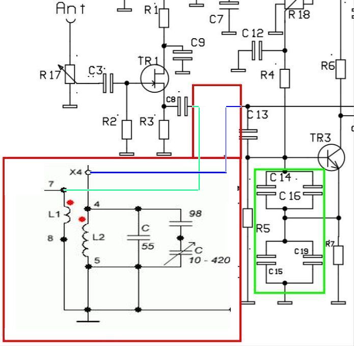
Einfach so:



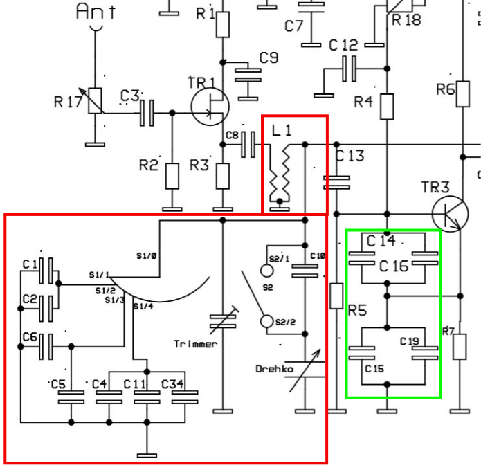
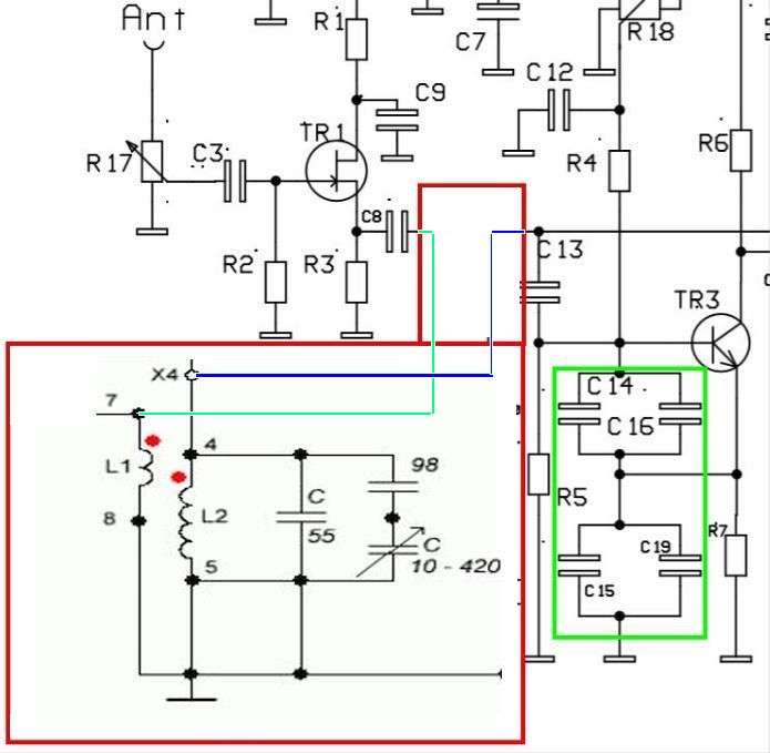
Das "Fernempfangsradio" ist speziell für den Kurzwellenempfang vorgesehen. Für längere Wellenlängen könnte es nötig sein, bei den grün umrandeten Kondensatoren etwas zu ändern. Z.B. die Gesamtkapazität der beiden parallelgeschalteten Kondensatoren C15 + C19 etwas zu vergrößern, z.B auf 1nF. Da muß man experimentieren.

Bei der von 'Mirag' verlinkten Schaltung könntest Du Deine Ankoppelspulen (L1) anstelle der Anzapfung benutzen und sie direkt mit P6/C20 verbinden. Auch hier müßte man vielleicht etwas mit dem Windungsverhältnis experimentieren, wenn der Rückkopplungseinsatz zu hart oder garnicht erfolgt. Ansonsten lassen sich die Schaltungen, soweit ich jetzt sehe, unverändert übernehmen.
Eventuell sollte man sie im Nf-Teil an die eigenen Bedürfnisse anpassen. Z.B. Batteriespeisung übernehmen oder durch Netzteil ersetzen. Oder Lautsprecher-Verstärker statt Kopfhörer-Verstärker oder umgekehrt.
Wenn man die Originalplatinen der Schaltungen nicht übernehmen will, ist natürlich wie immer auf HF-gemäße kurze Verdrahtung mit zentralem Massepunkt zu achten.

Gruß

Heinz

Zuletzt bearbeitet am 06.08.15 17:02

Datei-Anhänge
V3_3_2.png V3_3_2.png (346x)

Mime-Type: image/png, 160 kB

V3_3_5.jpg V3_3_5.jpg (306x)

Mime-Type: image/jpeg, 52 kB

07.08.15 10:49
friedrich-kutnik 

500 und mehr Punkte

07.08.15 10:49
friedrich-kutnik 

500 und mehr Punkte

Re: Regen Wanjüscha

Hallo Heinz,

ich bedanke mich für so eine ausführliche Antwort. Jetzt brauche ich ein bisschen Zeit, das alles zu überlegen. Aber das Projekt "Fernempfangsradio" ist für mich hoch interessant! Ich habe im Internet gefunden auch sehr detaillierte Beschreibung von dem Gerät.


MfG Friedrich

 1 2 3 4
 1 2 3 4
Lautsprecher-Verstärker   Lieblingsaudion-Schaltung   Rückkopplungsaudion   Rückkopplungseinsatz   Windungsverhältnis   Prüfgeneratorgehäuse   Differenzverstärker   Friedrich   Hf-Vorverstärkerstufe   Demodulations-Eigenschaften   parallelgeschalteten   Darlingtonschaltung   Schaltung   Halbleiter-Audion-Schaltung   Fernempfangsradio   Kopfhörer-Verstärker   Fernempfangsaudionen   Eingangswiderstand   welt-der-alten-radios   Wanjüscha