| Passwort vergessen?
Sie sind nicht angemeldet. |  Anmelden

Sprache auswählen:

Wumpus Gollum Forum von
Wumpus Welt der (alten) Radios
Sie sind nicht angemeldet.
 Anmelden

"The Black Receptor". Update. Und andere Projekte
  •  
 1 .. 7 8 9 10 11 .. 19
 1 .. 7 8 9 10 11 .. 19
03.05.12 09:02
roehrenfreak

nicht registriert

03.05.12 09:02
roehrenfreak

nicht registriert

Re: "The Black Receptor". Update. Und andere Projekte

Hallo Rolf,

der Rückkopplungseinsatz ist auch vom Wicklungsverhältnis der Schwingkreisspule abhängig. Vorschlag: Zum "Spielen" einmal eine Wicklung mit mehreren Abgriffen im 5-Windungen-Abstand anfertigen. Die Abgriffe nur als kurze Öse aus der Wicklung herausschauen lassen. Durch Umlöten der Leitung zur Kathode kann nun experimentell das günstigste Windungsverhältnis ermittelt werden.

Freundliche Grüsse,
Jürgen rf

Der Pessimist nörgelt über den schlechten Wind
Der Optimist wartet auf besseren Wind
Der Realist richtet sein Segel optimal nach dem herrschenden Wind
(Seglerweisheit)

http://www.rettet-unsere-radios.de

    !
    !!! Fotos, Grafiken nur über die Upload-Option des Forums, KEINE FREMD-LINKS auf externe Fotos.    

    !!! Keine Komplett-Schaltbilder, keine Fotos, keine Grafiken, auf denen Urheberrechte Anderer (auch WEB-Seiten oder Foren) liegen!
    Solche Uploads werden wegen der Rechtslage kommentarlos gelöscht!

    Keine Fotos, auf denen Personen erkennbar sind, ohne deren schriftliche Zustimmung.

    Den Beitrag-Betreff bei Antworten auf Threads nicht verändern!
    03.05.12 09:13
    joeberesf 

    500 und mehr Punkte

    03.05.12 09:13
    joeberesf 

    500 und mehr Punkte

    Re: "The Black Receptor". Update. Und andere Projekte

    Hallo Rolf,

    nimm doch auch mal ein 100k- Poti, dann müsste ein bisschen mehr Einstellweg
    möglich sein. Es gibt auch Potis mit Getriebe, dann ist die Einstellung der
    Rückkopplung noch feiner. Wie weit die Rückkopplung hereingedreht werden muss,
    ist auch immer von der jeweiligen Empfangsfrequenz abhängig. Bedenke ....Du willst ja auch
    eine KW- Spule einsetzen oder sogar die LW probieren. Das ist ja der Spaß am Audion

    Für jede Frequenz die richtige Einstellung finden und unterschiedliche Spulen nutzen.
    Wenn Du zum Probieren eine separate Testspule mit Abgriffen baust (Jürgens Vorschlag),
    hängt der Rückkopplungseinsatz auch mit der Kopplung der beiden Induktivitäten zusammen.
    D.h. der Abstand der Wicklungen zueinander ...

    und schon hast Du wieder eine andere Einstellung am Poti.

    Herrlich ist das. Dein Gerät wird zum Experimentierkasten!

    Gruß

    Joe

      03.05.12 22:09
      Floh2012 

      500 und mehr Punkte

      03.05.12 22:09
      Floh2012 

      500 und mehr Punkte

      Re: "The Black Receptor". Update. Und andere Projekte

      Hallo zusammen

      Gerade bin ich mit der Verdrahtung füe den Batteriebetrieb fertig geworden. Ich habe noch nichts sauber gemacht, wollte nur mal wissen es ob der Aufbau funktioniert und nach den ersten Einschalten habe ich bein durchdrehen des Drehkos auf beiden Bereichen zusammen (Umschalter) 63 mal was gehört. Möglicherweise habe einiges doppelt gezählt, aber ich bin begeistert!!!

      Morgen müssen noch einige Optimierungen gemacht werdenwie z.B der Umschalter für die Zuschaltung des zweiten Plattenpaketes ist derzeit noch ein Doppelpoliger Schalter. Der Hauptschalter ist auch noch nicht der endgültige Schalter.

      Was mich wundert ist folgendes:

      Der 3 Megohm Widerstand von der rechten Röhre Pin 1 nach Masse hat derzeit einen Wert von 1 M Ohm.
      Ich habe mal Probehalber einen zweiten Widerstand mit 1 M Ohm parallel geschaltet so das sich der Wert auf 500 KOhm vergeringert.
      Im Kopfhörer macht das null Unterschied?

      So, mal schnell zwei Bilder die ich eben schnell bei schlechtem Licht gemacht habe.






      viele Grüße

      Rolf

      Datei-Anhänge
      R2RAP_13.jpg R2RAP_13.jpg (434x)

      Mime-Type: image/jpeg, 74 kB

      R2RAP_14.jpg R2RAP_14.jpg (489x)

      Mime-Type: image/jpeg, 60 kB

        04.05.12 09:30
        roehrenfreak

        nicht registriert

        04.05.12 09:30
        roehrenfreak

        nicht registriert

        Re: "The Black Receptor". Update. Und andere Projekte

        Hallo Rolf,

        wow - das Design hat was!

        Noch ein kleiner Tipp: Wenn Dir einmal der Sinn nach Kurzwellenempfang steht, müssen die Leitungen im HF-Bereich des Gerätes möglichst kurz gehalten werden. Es könnte auch eine metallische, mit Masse verbundene Abschirmung dieses Bereiches erforderlich werden, da die so genannte "Handkapazität" sich störend auswirken kann.

        Übrigens: Es gibt ein elektronisches Musikinstrument, welches durch die Handkapazität in Tonhöhe und Lautstärke gespielt wird: Das THEREMIN, ältestes elek. Instrument der Welt!

        Freundliche Grüsse,
        Jürgen rf

        Der Pessimist nörgelt über den schlechten Wind
        Der Optimist wartet auf besseren Wind
        Der Realist richtet sein Segel optimal nach dem herrschenden Wind
        (Seglerweisheit)

        http://www.rettet-unsere-radios.de

          04.05.12 11:03
          Floh2012 

          500 und mehr Punkte

          04.05.12 11:03
          Floh2012 

          500 und mehr Punkte

          Re: "The Black Receptor". Update. Und andere Projekte

          Hallo Jürgen

          Nachdem ich heute mal das Gerät und die Werkbank aufgeräumt habe, schaue ich mal welchen Bereich ich empfange.

          Ich habe ja nun eine dritte Röhre die noch frei ist. Ob man die nicht auch noch...


          viele Grüße

          Rolf

            04.05.12 12:39
            joeberesf 

            500 und mehr Punkte

            04.05.12 12:39
            joeberesf 

            500 und mehr Punkte

            Re: "The Black Receptor". Update. Und andere Projekte

            Floh2012:

            Ich habe ja nun eine dritte Röhre die noch frei ist. Ob man die nicht auch noch...


            Ja .... schnell noch einen passenden Übertrager und einen kl. Lautsprecher eingebaut.
            Erwarte kein Lautstärkewunder, aber es funktioniert.

            Gruß

            Joe

              04.05.12 12:46
              Floh2012 

              500 und mehr Punkte

              04.05.12 12:46
              Floh2012 

              500 und mehr Punkte

              Re: "The Black Receptor". Update. Und andere Projekte

              Hallo Joe

              Habe bereits mit den verschiedenen Anschlüssen eines 100V Übertragers gespielt...
              Die Lautstärke im Kopfhörer verdoppelt sich aber für einen Lautsprecher reicht es nur wenn dieser am Ohr gehalten wird.

              aber wenn mir einer von euch zeigt wie ich die dritte (rechte) Röhre mit in der Schaltung einbauen sollte dann würde ich das glatt machen.
              geheizt wird die eh schon...

              viele Grüße

              rolf

                04.05.12 12:53
                Klaus 

                500 und mehr Punkte

                04.05.12 12:53
                Klaus 

                500 und mehr Punkte

                Re: "The Black Receptor". Update. Und andere Projekte

                Floh2012:
                Habe bereits mit den verschiedenen Anschlüssen eines 100V Übertragers gespielt...
                Hallo Rolf,

                das wird nicht gut funktionieren.
                Idealerweise sollte die Primärimpedanz genau für die Röhre geeignet sein und sekundär seitig der des Lautsprechers entsprechen; geringe Fehlanpassungen sind allerdings tolerabel.

                Viele Grüße,
                Klaus

                  04.05.12 12:59
                  joeberesf 

                  500 und mehr Punkte

                  04.05.12 12:59
                  joeberesf 

                  500 und mehr Punkte

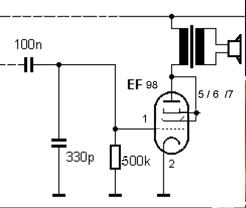
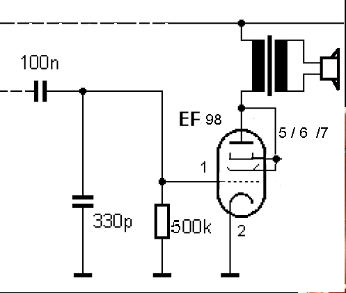
                  Re: "The Black Receptor". Update. Und andere Projekte

                  Hallo Rolf,

                  versuch mal diese einfachste Variante. Die EF98 wird hier als Triode betrieben.
                  Du kannst den Pin 7 aber auch gegen Masse legen. Die 330pF kannst Du weglassen.
                  Die 100nF ist Dein C8.

                  Die Primärwicklung sollte relativ hochohmig sein.

                  Gruß

                  Joe

                  Datei-Anhänge
                  NF.png NF.png (457x)

                  Mime-Type: image/png, 18 kB

                    04.05.12 13:27
                    Floh2012 

                    500 und mehr Punkte

                    04.05.12 13:27
                    Floh2012 

                    500 und mehr Punkte

                    Re: "The Black Receptor". Update. Und andere Projekte

                    Hallo Klaus

                    OK, wie bekomme ich die Impedanz der Röhre raus?

                    Hallo Joe

                    Nun gebt ihr es mir aber richtig...

                    Danke und viele Grüße

                    Rolf

                       1 .. 7 8 9 10 11 .. 19
                       1 .. 7 8 9 10 11 .. 19
                      Windungen   Mögel-Dellinger-Effekt   Schaltung   Bereich   Zuletzt   Antenne   Durchmesser   Freundliche   Rückkopplung   welt-der-alten-radios   Röhren   Floh2012   Projekte   zusammen   Mittelwellen-Prüfsender-Schaltplan   Jürgen   Receptor   bearbeitet   Übertrager   Grüße