| Passwort vergessen?
Sie sind nicht angemeldet. |  Anmelden

Sprache auswählen:

Wumpus Gollum Forum von
Wumpus Welt der (alten) Radios
Sie sind nicht angemeldet.
 Anmelden

Sagitta 363 BD363A schaltplan
  •  
 1 2
 1 2
02.10.13 19:44
Wh1sper 

100-249 Punkte

02.10.13 19:44
Wh1sper 

100-249 Punkte

Sagitta 363 BD363A schaltplan

Hallo geschätzte Radio Fans.
Ich bin sehr günstig zu einem Sagitta 363 gekommen.
Eigentlich wollte ich es zweckentfremden und daraus ein Weihnachtsgeschenk basteln.
Nun ist der Zustand aber viel zu gut, es funktioniert teilweise noch, deshalb hätte ich gerne einen Schaltplan zum Gerät.
Damit ich das Gerät neues Leben einhauchen kann.
Hat jemand den Schaltplan für mich?
In Röhrentechnik bin ich unerfahren, schätze mich selbst aber als fortgeschrittenen Analog Elektronikbastler ein.
An Messinstrumenten ist praktisch alles vorhanden.
Mit den entsprechenden Tipps hier im Forum würde ich es wahrscheinlich auch ohne Schaltplan hin bekommen, wie gesagt, das Radio tut es ja noch so einigermassen.
Meine Ersten Schritte sind säubern und den Tastensatz reinigen und dann mal auf Fehlersuche gehen. Mit Schaltplan wärs einfacher.

--Bernd

Noch gefällt der Beitrag keinem Nutzer.
!
!!! Fotos, Grafiken nur über die Upload-Option des Forums, KEINE FREMD-LINKS auf externe Fotos.    

!!! Keine Komplett-Schaltbilder, keine Fotos, keine Grafiken, auf denen Urheberrechte Anderer (auch WEB-Seiten oder Foren) liegen!
Solche Uploads werden wegen der Rechtslage kommentarlos gelöscht!

Keine Fotos, auf denen Personen erkennbar sind, ohne deren schriftliche Zustimmung.

Den Beitrag-Betreff bei Antworten auf Threads nicht verändern!
02.10.13 20:15
puntomane 

500 und mehr Punkte

02.10.13 20:15
puntomane 

500 und mehr Punkte

Re: Sagitta 363 BD363A schaltplan

Hallo Bernd
dein gesuchter Plan liegt auf elektrotany.com bereit
Vorsicht, das Gerät hat keine Netztrennung, je nach Netzstecker Drehung liegt volle Netzspannung am Chassis

Zuletzt bearbeitet am 02.10.13 20:19

02.10.13 20:32
olli031971 

500 und mehr Punkte

02.10.13 20:32
olli031971 

500 und mehr Punkte

Re: Sagitta 363 BD363A schaltplan

Hallo Bernd,

Sinnvoll wäre, würdest Du ein Foto von der Chassisunterseite einstellen da gibt es bestimmt Bauteile, die zu prüfen sind bevor dad Radio im Alltagsbetrieb Dienst tuen kann.

Gruss
Oliver

02.10.13 20:34
Wh1sper 

100-249 Punkte

02.10.13 20:34
Wh1sper 

100-249 Punkte

Re: Sagitta 363 BD363A schaltplan

Meinst du http://elektrotanya.com/ ?
Da finde ich rein gar nichts :-(

02.10.13 20:36
Wh1sper 

100-249 Punkte

02.10.13 20:36
Wh1sper 

100-249 Punkte

Re: Sagitta 363 BD363A schaltplan

olli031971:
Hallo Bernd,

Sinnvoll wäre, würdest Du ein Foto von der Chassisunterseite einstellen da gibt es bestimmt Bauteile, die zu prüfen sind bevor dad Radio im Alltagsbetrieb Dienst tuen kann.

Gruss
Oliver

Jo, sobald ich das Teil gesäubert habe mache ich ein Foto. Im momentanen Zustand sieht man nur Staub.

02.10.13 20:45
puntomane 

500 und mehr Punkte

02.10.13 20:45
puntomane 

500 und mehr Punkte

Re: Sagitta 363 BD363A schaltplan

Genau die Adresse meine ich, einfach sagitta in die Suchmaske eingeben, zwei Typen weden angezeigt und der zweite ist dann für die 363, nach einem Klick einige Sekunden warten bis Get Manual erscheint, dann speichern und "fetich"

02.10.13 20:46
Wh1sper 

100-249 Punkte

02.10.13 20:46
Wh1sper 

100-249 Punkte

Re: Sagitta 363 BD363A schaltplan

So, Schaltbild, nee, sogar Service Manual gefunden.
Melde mich, wenn ich nicht weiterkomme. Ja, Spartrafo schaltung hatte ich schon gefunden.
Ab 100V habe ich Respekt, ich passe auf :-)

05.10.13 15:30
Wh1sper 

100-249 Punkte

05.10.13 15:30
Wh1sper 

100-249 Punkte

Re: Sagitta 363 BD363A schaltplan

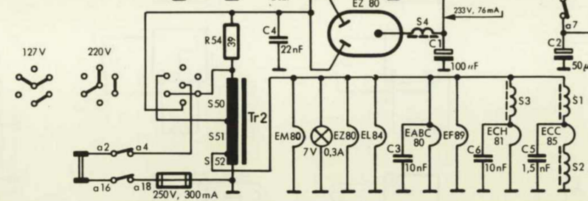
Gehe ich recht in der Annahme, dass der C4 nur eine nebensächliche Funktion hat?
Der ist als 22nF 750V Rollkondensator beschrieben.
Ist das ein Entstörkondensator, oder was macht der?

Sieht aus, wie ein leckerer Lakritzbonbon :-)

Zuletzt bearbeitet am 05.10.13 15:32

Datei-Anhänge
Bildschirmfoto vom 2013-10-05 15:24:50.png Bildschirmfoto vom 2013-10-05 15:24:50.png (378x)

Mime-Type: image/png, 190 kB

IMG_6370.JPG_resized_1280x1024.jpg IMG_6370.JPG_resized_1280x1024.jpg (384x)

Mime-Type: image/jpeg, 70 kB

05.10.13 16:09
Wolle 

500 und mehr Punkte

05.10.13 16:09
Wolle 

500 und mehr Punkte

Re: Sagitta 363 BD363A schaltplan

Hallo Bernd.
Der Kondensator soll eine Brummmodulation an der gekrümmten Kennlinie des Gleichrichters EZ80 verhindern. Häufig ist der ersatzlose Entfall des Kondensators nicht zu bemerken. Baue ihn auf jeden Fall aus und wähle als Ersatz einen spannungsfesten Kondensator (1000V).
Viele Grüße.
Wolle

06.10.13 14:49
Wh1sper 

100-249 Punkte

06.10.13 14:49
Wh1sper 

100-249 Punkte

Re: Sagitta 363 BD363A schaltplan

Okay, Kondensatoren sind bestellt, werde dann Anfang der Woche mal sehen, in wie fern sich der Tone bereits verbessert hat.
@Wolle, sone Gleichrichterröhren sind mir suspekt, muss ich mal nachlesen, wie die überhaupt funktionieren

 1 2
 1 2
Entstörkondensator   Kurzschlusskäfer   fortgeschrittenen   Abreibebuchstaben   schaltplan   Kapazitätsmessung   Fernseh-Techniker   Vorführ-Veranstaltungen   Gleichrichterröhren   Alltagsbetrieb   Messinstrumenten   Antennenvorverstärker   wumpus-gollum-forum   Arbeitsplatzgarantie   Sagitta   Weihnachtsgeschenk   Kapazitätsmessgerät   Kondensatoren   Chassisunterseite   Elektronikbastler