| Passwort vergessen?
Sie sind nicht angemeldet. |  Anmelden

Sprache auswählen:

Wumpus Gollum Forum von
Wumpus Welt der (alten) Radios
Sie sind nicht angemeldet.
 Anmelden

Konverter IWF nach MFV
  •  
 1 2
 1 2
23.09.19 18:58
Foghunter

nicht registriert

23.09.19 18:58
Foghunter

nicht registriert

Re: Konverter IWF nach MFV

Hallo Walter,

Dein Strommessgerät benötigt immer einen 200mV Spannungsabfall für Vollausschlag.

Wenn Du beispielsweise im 20A-Bereich misst, misst Du den Spannungsabfall von 0-200mV an einem 0.01 Ohm Shunt. Also:

Bereich 20A: Shunt 10 mOhm
Bereich 20mA: Shunt 10 Ohm
Bereich 20uA: Shunt 10 kOhm
Bereich 20nA: Shunt 10 Megohm (das ist der übliche Eingangswiderstand bei 200mV Spannungsmessungen)

Viele Grüße

Wolfgang

Zuletzt bearbeitet am 23.09.19 19:00

!
!!! Fotos, Grafiken nur über die Upload-Option des Forums, KEINE FREMD-LINKS auf externe Fotos.    

!!! Keine Komplett-Schaltbilder, keine Fotos, keine Grafiken, auf denen Urheberrechte Anderer (auch WEB-Seiten oder Foren) liegen!
Solche Uploads werden wegen der Rechtslage kommentarlos gelöscht!

Keine Fotos, auf denen Personen erkennbar sind, ohne deren schriftliche Zustimmung.

Den Beitrag-Betreff bei Antworten auf Threads nicht verändern!
23.09.19 19:21
Foghunter

nicht registriert

23.09.19 19:21
Foghunter

nicht registriert

Re: Konverter IWF nach MFV

Hallo Forum,

ich hab mal ein wenig rumgemessen:

Digitek DT-3800: Ri=10 Meg, Vollausschlag 20nA im 200mV-DCV-Messbereich

Philips PM2503: Ri=20 Meg, Vollausschlag 5nA im 100mV-DCV-Messbereich

Nanoampere sind die normalen Messströme in den Spannungsbereichen elektronischer Messgerät, die schon vor 40 Jahren auf den Markt kamen.

Ob ich eine Spannung von 200mV anlege oder einen Strom fließen lass, der 200mV Spannungsabfall hervorruft, ist dem Messgerät wirklich schnurzpiepe.

Und auch das Messobekt wird die 200mV Spannungsabfall des Strommessgeräts ertragen können. Denn das ist der übliche Spannungsabfall in allen voll ausgesteuerten Strommessbereichen.

Viele Grüße

Wolfgang

Zuletzt bearbeitet am 23.09.19 19:23

24.09.19 06:24
Foghunter

nicht registriert

24.09.19 06:24
Foghunter

nicht registriert

Re: Konverter IWF nach MFV

WalterBar:
Hallo Wolfgang,

und dann mit dem irre hohen Ri den Strom messen? Auf so eine Idee bin ich noch nicht gekommen. Ich verlass mich lieber auf die Strom-Messbereiche.

Gruss
Walter

Nachtrag: Mein DT-9205A hat 200mV und 2mA als kleinsten Messbereich, Ri irgendwo bei 10...20MOhm, danke für den Hinweis kleinste Ströme im Spannungsmessbereich zu "messen"

Hallo Walter,

ich danke DIR ganz herzlich für die Themenanregung. Ich hab daraus einen eigenen Thread gemacht:

http://www.wumpus-gollum-forum.de/forum/...&thread=248

Kann ja gut sein, dass der Kniff auch anderen hilft.

Viele Grüße

Wolfgang

24.09.19 16:25
WalterBar 

500 und mehr Punkte

24.09.19 16:25
WalterBar 

500 und mehr Punkte

Re: Konverter IWF nach MFV

Hallo Wolfgang,
hallo zusammen,

zum Aufbau der Schaltung komme ich zwar diese und nächste Woche nicht mehr, aber die Programmierung hat schon einmal mit PicKit2 funktioniert. Obwohl der Mikrocontroller in der Liste fehlte, wurde er erkannt und richtig programmiert. Vielleicht hat das Programmiergerät über das Internet ohne meine Erlaubnis nach Hause "telefoniert". Der Programmer muss zusammen mit dem Controller vor dem Start in die USB-Buchse gesteckt werden. Die Programmierspannung lässt sich zwischen 2,5 und 5V einstellen.



Gruss
Walter

Datei-Anhänge
PicKit2.jpg PicKit2.jpg (316x)

Mime-Type: image/jpeg, 159 kB

24.09.19 17:53
Foghunter

nicht registriert

24.09.19 17:53
Foghunter

nicht registriert

Re: Konverter IWF nach MFV

Hallo Walter,

CONFIG = 0009

Ja... sieht gut aus.

----------

Ein wenig irritiert hatten mich noch die etwas unterschiedlichen Längen unserer Programme. Vielleicht sollten wir uns noch mal genau den Compiler-Aufruf angucken:

Ich rufe den CC5x mit einer alten Borland-IDE so auf:

-a$NAME($EDNAME).pic -D$DEF -cu -wU -b -dc -fINHX32 -L $NAME($EDNAME).cp $CAP EDIT

Check mal bitte, ob meine Compiler-Optionen irgendwelche Wirkung auf die Anzahl Deiner code words zeigen.

CC5X Version 3.5, Copyright (c) B Knudsen Data, Norway 1992-2014
--> FREE edition, 8-16 bit int, 24 bit float, 32k code, reduced optim.
Warning : Main file extension should be '.c'
iwv2mfv.cp:
Chip = 12F629
RAM: 00h : -------- -------- -------- --------
RAM: 20h : ======== ======== ======== ========
RAM: 40h : ======== ======== ======== =====.**
RAM usage: 62 bytes (61 local), 2 bytes free
Optimizing - removed 19 instructions (-3 %)
File 'iwv2mfv.pic'
File 'iwv2mfv.lst'
Origin statement skips 490 words in codepage 0
File 'iwv2mfv.hex'
Total of 530 code words (51 %)

Ich hab mir jetzt die Bedeutung der einzelnen Switches nicht neu angeschaut, aber ich spekuliere mal, dass ich dem Compiler mitgeteilt hab, dass er sich nicht in meine Arbeit einmischen soll, wie zum Beispiel das Registerbank-Switching. Denn das kodiere ich natürlich von Hand, weil ich besser als er weiß, wann ich was brauche.

Außerdem seh ich bei mir diese skip-Meldung, die auch richtig ist. Ich habe das OSC-Byte für den manuellen 4 MHz-Abgleich ganz ans Ende des Flashes gesetzt. Der Code ist am Anfang. Dazwischen sind 490 Words unbelegt. Da mag es aber sein, dass Deine Compilerversion nur den Skip-Text nicht rausgibt.

Ich werde meinen Compiler nicht wechseln. Jeder Compilerwechsel bedeutet für mich Misstrauen und stundenlange Valididierung, ob der Compiler auch genau das tut, was ich programmiert habe.

Alle derartigen Programmierwerkzeuge haben einen bestimmten Entwicklungszyklus. Am Anfang sind sie noch klein und verlaust. Dann wachsen sie und werden reif. Dann muss man sie pflücken und einfrieren. Und dann beginnt die Phase der Verwachsung und des Wucherns. Die letzte Phase entsteht dadurch, dass neue Programmierer eingestellt wurden, die die alte Garde ablösen. Und die Greenhorns machen am Anfang mehr kaputt als sie verbessern.


Viel Erfolg weiterhin

Viele Grüße

Wolfgang

Zuletzt bearbeitet am 24.09.19 17:55

24.09.19 18:07
Foghunter

nicht registriert

24.09.19 18:07
Foghunter

nicht registriert

Re: Konverter IWF nach MFV

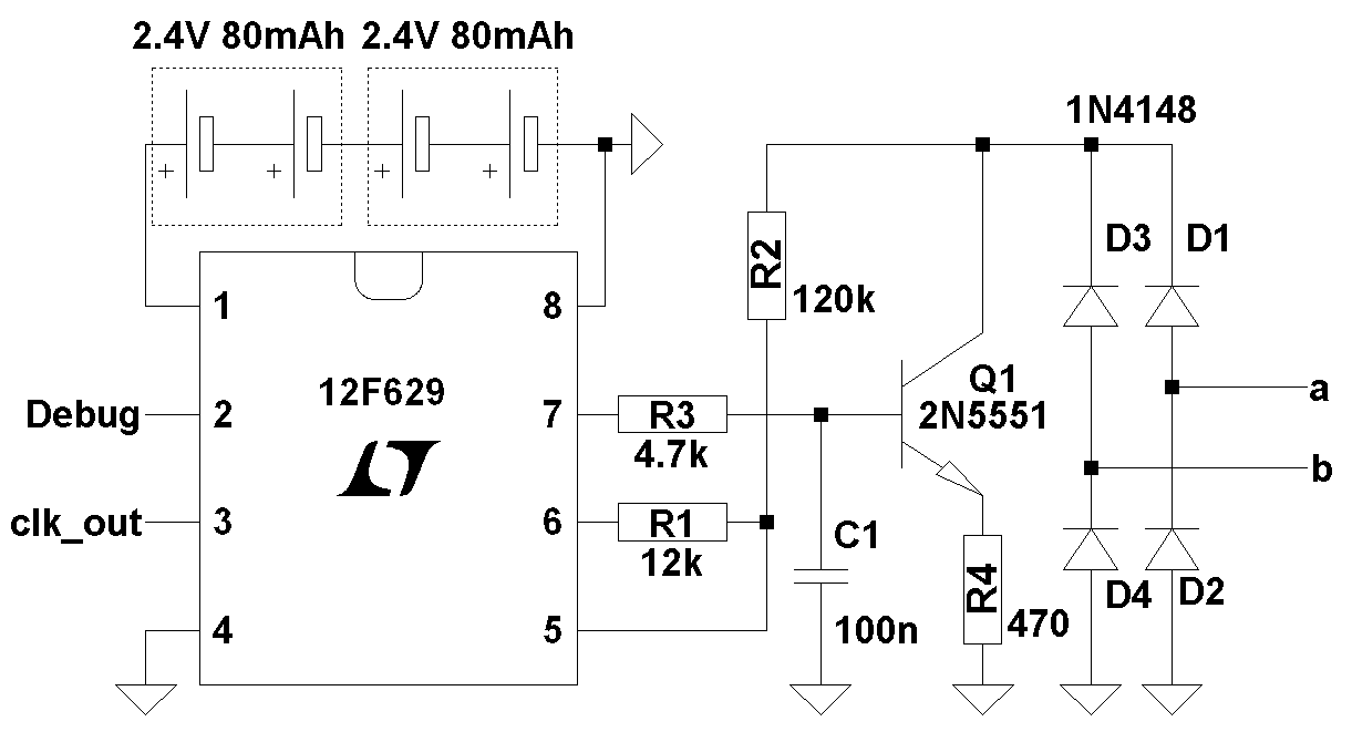
Hallo Walter,

was mich übrigens etwas wundert, ist, dass Du mich noch gar nicht nach der "komischen" Verdrahtung der Akkus gefragt hast....





Viele Grüße

Wolfgang

Datei-Anhänge
iwv_mfv2sw.png iwv_mfv2sw.png (361x)

Mime-Type: image/png, 15 kB

24.09.19 19:57
WalterBar 

500 und mehr Punkte

24.09.19 19:57
WalterBar 

500 und mehr Punkte

Re: Konverter IWF nach MFV

Hallo Wolfgang,

ich rufe den Compiler "händisch" aus der Konsole auf. Urspünglich nur mit "cu". Wenn ich deine Optionen verwende, vergrössert sich die Codelänge in der Version 3.7c um ein Wort.

cc5x iwv2mfv.c -D$DEF -cu -wU -b -dc -fINHX32 -L

ergeben 525 Wörter.


Gruss
Walter

Zuletzt bearbeitet am 24.09.19 19:58

24.09.19 21:39
Foghunter

nicht registriert

24.09.19 21:39
Foghunter

nicht registriert

Re: Konverter IWF nach MFV

Hallo Walter,

nun gibts zwei Möglichkeiten. Entweder Dein Kompilat funktioniert nicht, weil es zu kurz ist.

Oder ich fange doch noch an, mich für die neueste Version des Compilers zu interessieren...

Viele Grüße

Wolfgang

27.09.19 17:25
WalterBar 

500 und mehr Punkte

27.09.19 17:25
WalterBar 

500 und mehr Punkte

Re: Konverter IWF nach MFV

Volker:

Wenn ich das richtig verstehe, funktioniert der Konverter nicht an solchen Routern, die noch die Impulswahl verarbeiten können?


Hallo Volker,

der Wolfgang hat "sein Pulver verschossen" und ist offline - kein Wunder bei dem Output ...

Ja, wenn der Router (bei mir Fritz 7390) grundsätzlich Impulswahl verarbeitet, aber wegen des "Timings" die Signale nicht versteht, dann hilft einem so ein Konverter auch nicht weiter. Der Wählton verschwindet nämlich, weil der Router weitere Impulse erwartet. In diesem Fall verarbeitet er auch keine Töne mehr - so jedenfalls bei mir. Es gibt Lösungen - auch mit PIC12F629 - die in das Telefon eingebaut werden und auf die TK-Leitung die Impulse nicht weitergeben. Eine Wahlwiederholung wäre dann mit der Erdtaste möglich.


Gruss
Walter

Nachtrag: Durch Mitbenutzung der W(2)-Ader für den Zusatzwecker ist es grundsätzlich möglich, dass die Impule nur den Konverter erreichen und auf der a/b-Leitung die Töne erscheinen.

Zuletzt bearbeitet am 14.10.19 08:53

16.10.19 19:46
WalterBar 

500 und mehr Punkte

16.10.19 19:46
WalterBar 

500 und mehr Punkte

Re: Konverter IWF nach MFV

Hallo zusammen,

heute bin ich nach 3 Wochen dazu gekommen, den C-Programmvorschlag für den 12F629 Mikrocontroller zu testen. Eigentlich ging es mir nur darum festzustellen, ob der Compiler den Maschinencode richtig zusammengesetzt hat. Meinen Router 7390 machen die Pulse kirre, und ich muss nach einer anderen Lösung suchen, in dem Pulseingang und Tonausgang voneinander getrennt sind. Ausserdem ist mir diese Mininalschaltung zu rudimentär. Zum einen habe ich zwischen Pin 2 und 3 des Mikrocontrollers einen 4 MHz Quarz und 2 Kondensatoren von 33pF nach Masse geschaltet. Weiterhin habe ich festgestellt, dass die Dimensionierung der drei Widerstände an die eigene Situation angepasst werden müssen. In dem Schaltungsvorschlag darf die Speisespannung einen gewissen Wert um die 40 Volt nicht unterschreiten. Unter 30 Volt werden die Pulse nicht mehr erkannt. Der DTMF-Pegel erscheint mir subjektiv auch recht hoch zu sein. Eine Einstellmöglichkeit und Filterung wären wünschenswert. Gut gefällt mir dagegen die Wahlwiederholung bei der Wahl einer "eins". Ich habe meinen Test an einer Gleichspannung von 60 Volt und einem Serienwiderstand von 3,3 k Ohm durchgeführt. Der Linienstrom lag bei ca. 20 mA.


Gruss
Walter





Nachtrag: Im Schrumpfschlauch befinden sich 3 alkalische Knopfzellen a 1,5 Volt
Letztlich wesentlich (!) brauchbarer war der Konverter in diesem Beitrag:
https://wumpus-gollum-forum.de/forum/thr...3&thread=10


Zuletzt bearbeitet am 20.11.19 16:57

Datei-Anhänge
W48 mit 60V und 3k3 in Serie.jpg W48 mit 60V und 3k3 in Serie.jpg (335x)

Mime-Type: image/jpeg, 195 kB

Versuchsaufbau IWV2MFW.jpg Versuchsaufbau IWV2MFW.jpg (318x)

Mime-Type: image/jpeg, 76 kB

IWF2MWV_XT.hex.txt IWF2MWV_XT.hex.txt (476x)

Mime-Type: text/plain, 3 kB

 1 2
 1 2
100mV-DCV-Messbereich   wumpus-gollum-forum   Microchip-Programmiergeräte   Konverter   Einstellmöglichkeit   200mV-DCV-Messbereich   Schaltungsvorschlag   ========   Spannungsmessbereich   C-Programmvorschlag   Programmierwerkzeuge   Registerbank-Switching   Mehrfrequenzverfahren   Impulswahlverfahren   Programmierprozesses   Eingangswiderstand   Versorgungsspannung   bearbeitet   Wolfgang   Oscillator-CONFIG-Bits