| Passwort vergessen?
Sie sind nicht angemeldet. |  Anmelden

Sprache auswählen:

Wumpus Gollum Forum von
Wumpus Welt der (alten) Radios
Sie sind nicht angemeldet.
 Anmelden

Design in der damaligen Radiowerbung
  •  
 1
 1
30.10.19 16:27
wumpus 

Administrator

30.10.19 16:27
wumpus 

Administrator

Design in der damaligen Radiowerbung

Hallo zusammen,


an anderer Stelle hier im Forum bin ich schon auf die Kunstrichtun in der Frühzeit des Rundfunks in Deutschland eingegangen: Art Deco.

Daneben hat es aber auch konservatives Geräte-Aussehen gegeben. Sieht man sich Radiowerbungen aus den zwanziger und dreißiger Jahren an, sieht auch bei der Gestaltung solcher Produktwerbungen einen Spiegel durch den Zeitgeschmack.

Mir gefallen beispielsweise die Produkt-Werbungen von Opta, wie z.B. diese ...



Übrigens eine interessante Eigenschaft für damals: Automatische elektrische Feinabstimmung. Heute als AFC bekannt. Werde das Gerät extra noch vorstellen.



oder



Mehr zu diesen historischen Radio-Produktwerbungen sind auch hier zu finden:

https://www.welt-der-alten-radios.de/r--z-werbung-382.html

Grüße von Haus zu Haus
Rainer, DC7BJ (Forumbetreiber)

Welt der alten Radios:
http://www.welt-der-alten-radios.de

Wumpus-Gollum-Forum:
http://www.wumpus-gollum-forum.de/forum

Virtuelle Voxhaus-Gedenktafel:
http://www.voxhaus-gedenktafel.de

Wumpus bei youtube:
https://www.youtube.com/user/MyWumpus

Zuletzt bearbeitet am 30.10.19 16:37

RWA, foxgolf, apollo, laurel1, Debo und Airwaves gefällt der Beitrag.
!
!!! Fotos, Grafiken nur über die Upload-Option des Forums, KEINE FREMD-LINKS auf externe Fotos.    

!!! Keine Komplett-Schaltbilder, keine Fotos, keine Grafiken, auf denen Urheberrechte Anderer (auch WEB-Seiten oder Foren) liegen!
Solche Uploads werden wegen der Rechtslage kommentarlos gelöscht!

Keine Fotos, auf denen Personen erkennbar sind, ohne deren schriftliche Zustimmung.

Den Beitrag-Betreff bei Antworten auf Threads nicht verändern!
31.10.19 12:01
Debo 

500 und mehr Punkte

31.10.19 12:01
Debo 

500 und mehr Punkte

Re: Design in der damaligen Radiowerbung

Hallo Rainer,

wenn ich den Prospekt so ansehe, gab es den 838W und GW in dem eckigen Gehäuse und aber auch in dem von den Sammlern sehr begehrteren runden Gehäuse. Da wurde vor kurzem ein 838W in der Bucht verkauft mit Funierschaden in der Rundung, aber guter Technik für stolze 1170€!
In dem rechteckigen Gehäuse gibt es auch einen abgespeckteren Typ 638W.
Gruss
Debo

01.11.19 17:43
wumpus 

Administrator

01.11.19 17:43
wumpus 

Administrator

Re: Design in der damaligen Radiowerbung

Hallo zusammen, hallo Debo,

einige Opta-Modelle haben einen ausgeprägten Art Deco Stil und so auch bei Sammlern beliebt.

Mehr zu Art Deco hier:

https://www.welt-der-alten-radios.de/a--g-art-deco-497.html

Die AFC-Schaltung war schon damals besonders.

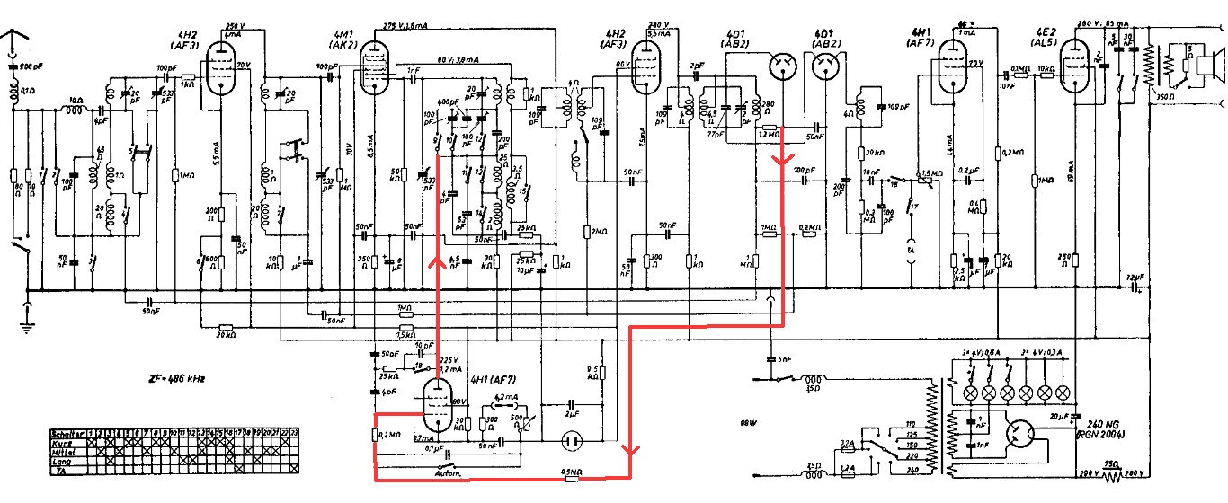
Ich habe hier mal das Schaltbild mit eingezeichneten AFC-Signalweg:



Die negative / positve Richtspannung wird mit den beiden Diodenröhren (AB2) am letzten Mittenbasis-ZF-Schwingkreis gewonnen und der Röhrenstufe AF7 an der Mischoszillatorstufe zugeführt. Diese Röhre arbeitet als variabler Kondensator oder Reaktanzstufe (muss mir das noch genauer ansehen ...) und steuert die Oszillatorfrequenz nach oben oder unten bis Pegelmaximum.

Die Anodenspannungen der HF/ZF-Stufen werden über eine Glimmröhre stabilisiert, das dient sicher auch der Frequenzstabilität.


Grüße von Haus zu Haus
Rainer, DC7BJ (Forumbetreiber)

Welt der alten Radios:
http://www.welt-der-alten-radios.de

Wumpus-Gollum-Forum:
http://www.wumpus-gollum-forum.de/forum

Virtuelle Voxhaus-Gedenktafel:
http://www.voxhaus-gedenktafel.de

Wumpus bei youtube:
https://www.youtube.com/user/MyWumpus

Zuletzt bearbeitet am 01.11.19 17:46

Datei-Anhänge
opta-838-schalt2.jpg opta-838-schalt2.jpg (434x)

Mime-Type: image/jpeg, 224 kB

 1
 1
beispielsweise   abgespeckteren   Anodenspannungen   Frequenzstabilität   Radio-Produktwerbungen   Geräte-Aussehen   a--g-art-deco-497   Mittenbasis-ZF-Schwingkreis   welt-der-alten-radios   Forumbetreiber   Voxhaus-Gedenktafel   Radiowerbung   eingezeichneten   Oszillatorfrequenz   Mischoszillatorstufe   Radiowerbungen   Produktwerbungen   Wumpus-Gollum-Forum   r--z-werbung-382   Produkt-Werbungen