| Passwort vergessen?
Sie sind nicht angemeldet. |  Anmelden

Sprache auswählen:

Wumpus Gollum Forum von
Wumpus Welt der (alten) Radios
Sie sind nicht angemeldet.
 Anmelden

Ratiofilter wickeln, aber wie richtig
  •  
 1 2
 1 2
01.01.24 23:55
MB-RADIO 

500 und mehr Punkte

01.01.24 23:55
MB-RADIO 

500 und mehr Punkte

Ratiofilter wickeln, aber wie richtig

Hallo Zusammen,

Ich möchte nur mal wissen, warum gerade so.

Ich habe vor eine in den 1970ern gebaute FM-ZF mit Röhren, die es leider nicht mehr gibt nochmal aufzubauen. Leider finde ich den Artikel nicht mehr. Die ZF wurde auf eine Platine unter Verwendung von umgewickelten Fernsehfiltern aufgebaut.
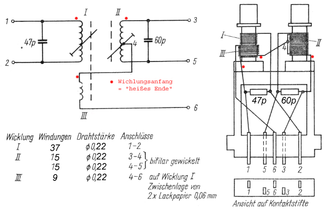
Nun habe ich das Ratiofilter gewickelt. Danach habe ich gelesen, daß die Koppelspule über das "heiße" Ende der Primärwiklung gewickelt werden soll. Ich habe sie in der Mitte gewickelt - siehe Bilder.
Was bringt das Wickeln über das heiße Ende??????

Ein gesundes Neues Jahr
Bernd

Hmmm Bilder vergessen




Zwei Dinge sind unendlich, das Universum und die menschliche Dummheit, aber bei dem Universum bin ich mir noch nicht ganz sicher. (Albert Einstein)

Zuletzt bearbeitet am 02.01.24 00:01

Datei-Anhänge
Ratiofilter 1.jpg Ratiofilter 1.jpg (176x)

Mime-Type: image/jpeg, 605 kB

Ratiofilter 2.jpg Ratiofilter 2.jpg (180x)

Mime-Type: image/jpeg, 652 kB

Ratiofilter.jpg Ratiofilter.jpg (166x)

Mime-Type: image/jpeg, 114 kB

ELEK, Martin.M, regency und Volker gefällt der Beitrag.
!
!!! Fotos, Grafiken nur über die Upload-Option des Forums, KEINE FREMD-LINKS auf externe Fotos.    

!!! Keine Komplett-Schaltbilder, keine Fotos, keine Grafiken, auf denen Urheberrechte Anderer (auch WEB-Seiten oder Foren) liegen!
Solche Uploads werden wegen der Rechtslage kommentarlos gelöscht!

Keine Fotos, auf denen Personen erkennbar sind, ohne deren schriftliche Zustimmung.

Den Beitrag-Betreff bei Antworten auf Threads nicht verändern!
02.01.24 05:32
Martin.M 

500 und mehr Punkte

02.01.24 05:32
Martin.M 

500 und mehr Punkte

Re: Ratiofilter wickeln, aber wie richtig

hallo Bernd,

ich geh davon aus dass die Koppelspule wenn sie über dem heißen Ende gewickelt ist immer in dem Bereich der Spule ist wo sich auch Abgleichkern befindet, somit hat sie dort stets eine recht feste Kopplung. Wäre sie am kalten Ende dann würde die Kopplung ebenfalls variieren wenn man den Abgleichkern verstellt.

lG Martin

02.01.24 11:49
MB-RADIO 

500 und mehr Punkte

02.01.24 11:49
MB-RADIO 

500 und mehr Punkte

Re: Ratiofilter wickeln, aber wie richtig

Hallo Martin,

dachte ich anfangs auch.
Aber laut Zeichnung ist ist das heiße Ende unten, wohl um Verdrahtungskapazitäten zur Abschirmung hin klein zu halten.

Viele Grüße
Bernd

Zwei Dinge sind unendlich, das Universum und die menschliche Dummheit, aber bei dem Universum bin ich mir noch nicht ganz sicher. (Albert Einstein)

02.01.24 15:49
HB9 

500 und mehr Punkte

02.01.24 15:49
HB9 

500 und mehr Punkte

Re: Ratiofilter wickeln, aber wie richtig

Hallo zusammen,

dass die Koppelspule über das 'heisse' Ende der Primärspule gewickelt werden soll, ist mir neu. Wichtig ist aber, dass die Koppelwicklung möglichst gut mit der primären Schwingkreisspule gekoppelt ist. Allenfalls wurde die Kapazität der Koppelspule zur Primärspule als Teil der Schwingkreiskapazität genutzt, was aber nicht wirklich schlau ist.
Wie Martin schon geschrieben hat, ist die Kopplung besser, wenn der Abgleichkern weit in die Koppelspule eintaucht. Somit ist die Mitte der Schwingkreisspule nicht optimal, ausser die Induktivität ist so klein, dass der Abgleichkern fast ganz in die Spule eingeschraubt werden muss. Üblicherweise ist er aber klar an einem Ende der Spule, dann sollte man ihn auf die Seite der Koppelspule schrauben.

Gruss HB9

02.01.24 21:37
MB-RADIO 

500 und mehr Punkte

02.01.24 21:37
MB-RADIO 

500 und mehr Punkte

Re: Ratiofilter wickeln, aber wie richtig

Hallo HB9,

dann wäre die Zeichnung aber völliger Blödsinn.

Ich muß mal suchen um ein industrielles Filter zu sezieren.

Viele Grüße
Bernd

Zwei Dinge sind unendlich, das Universum und die menschliche Dummheit, aber bei dem Universum bin ich mir noch nicht ganz sicher. (Albert Einstein)

02.01.24 22:27
ELEK 

250-499 Punkte

02.01.24 22:27
ELEK 

250-499 Punkte

Re: Ratiofilter wickeln, aber wie richtig

Hier mal ein Foto eines Ratiofilters, ähnliche "Optik" kenn ich auch von DF-Fernseh-Ratiofiltern:



Auch hier liegt die Koppelspule rel. mittig auf der Primärspule. (beim nochmaligen Hinsehen könnte man aber eine Anordnung in Kern-Nähe unterstellen ^^ das spräche für die Aussagen von HB9)

Die Kopplung ist mit und ohne Kern rel. groß, da der "verkettete Fluß" mit oder ohne Kern durch beide Spulen verläuft.

Die von HB9 angesprochene Kern-Thematik ist aber mMn. nicht ganz einfach ! Wenn der Kern in die Haupt- und Koppelspule eintaucht, ist die Kopplung noch ein bischen besser als ohne Kern in der Koppelspule, aber es kann durch die Induktivitätserhöhung auch der Koppelspule eine ungewollte Resonanz in dieser mit den angekoppelten Kapazitäten entstehen. das muß ja nicht stören, aber der Job der Koppelspule ist es nicht, einen Resonanzkreis zu bilden, sondern nur etwas Energie vom Kreis (wie eine link-Leitung) "einzufangen".

Ich will nicht abstreiten, daß ein Hersteller seinen Ratiofilter durchaus "mit Kern auch in der Koppelspule" dimensioniert, aber zwingend ist das mMn nicht nötig !
Es ist also denkbar... (sicher?) daß viele Ratiofilter nur die Hauptspule abgleichen und die Koppelwicklung aber (also bei Resonanz) dabei NICHT in die Koppelwicklung eintaucht. Ich kenn mich aber nicht so gut aus, daß ich diese Aussage als "sicher" einstufen würde ^^

(wage Angabe...story:
Ich hab das Problem in einem anderen Fall auch schon mal gehabt: Bei mir war die Koppelspule mit 3...4 Windungen am Fußende eines 36MHz-Resonanzkreises angeordnet und beim starken Eindrehen des Kerns (der identische Abgleichresonanzpunkt der Hauptspule, aber am Fußende) an diese Stelle gab das erstaunliche Effekte im Gegensatz zur eigentlichen Bestimmungsort am oberen Teil (Kopfende) der Spule.... Ich hab das aber nicht restlos geklärt... )

Gruß Ingo

Zuletzt bearbeitet am 02.01.24 22:29

Datei-Anhänge
ratiofilter-kk.jpg ratiofilter-kk.jpg (176x)

Mime-Type: image/jpeg, 86 kB

02.01.24 23:00
MB-RADIO 

500 und mehr Punkte

02.01.24 23:00
MB-RADIO 

500 und mehr Punkte

Re: Ratiofilter wickeln, aber wie richtig

Hallo ELEK,

es ist möglich, daß die Koppelwicklung möglichst außerhalb des Kernes liegen sollte damit deren Induktivität nicht zu sehr verändert wird - aber warum.
Es gibt so viele schlaue Bücher. Aber ich habe Keines, wo das beschrieben ist.
Irgendwie gehört das schon wieder in die Rubrik "Verlorenes Wissen"
Mal sehen, ob ich noch ein Schrottchassis mit einem ähnlichen Filter finde.

Nachtrag: Auch hier wieder der Aufbau ohne Erklärung warum. https://www.jogis-roehrenbude.de/Leserbr...m-FM2/Ernst.htm

Viele Grüße
Bernd

Zwei Dinge sind unendlich, das Universum und die menschliche Dummheit, aber bei dem Universum bin ich mir noch nicht ganz sicher. (Albert Einstein)

Zuletzt bearbeitet am 02.01.24 23:33

03.01.24 00:19
ELEK 

250-499 Punkte

03.01.24 00:19
ELEK 

250-499 Punkte

Re: Ratiofilter wickeln, aber wie richtig

Zitieren:
es ist möglich, daß die Koppelwicklung möglichst außerhalb des Kernes liegen sollte damit deren Induktivität nicht zu sehr verändert wird - aber warum.

ein Grund hab ich ja erwähnt: parasitäre Resonanz. Ein weiterer möglicher...denkbarer ist mir grad eingefallen, allerdings auf Hypothesenbasis ! Aber das sollte in einem Bastlerforum möglich sein ^^

Also Hypothese ... Technikschwurbelei: Wenn die Induktivität der Koppelspule zu sehr...unerwünscht steigt, steigt auch der "induktive Innenwiderstand" dieser Spannungsquelle, also für die Arbeitsfrequenzen.
Also auch wenn dann die Spannung mit Kern höher wird, könnte es sein, daß sie bei Belastung stärker schwankt als bei Kopplung ohne Kern. Wobei ich bei FM eher das Spiel der Blindelemente bei der FM als Problem sehen würde.
Wenn der induktive Innenwiderstand mit einer kapazitiven Last belastet wird ( die Bifilar-Spulenmimik), könnte neben Parallelresonanz auch eine Reihenkreiskonstellation entstehen... Ich könnte mir grad vorstellen, wer das spontan beantworten könnte: Hans Knoll und Dietmar Rudolph... oder einer der Experten aus Jogis Forum, die die schönen UKW-Empfänger entwickelt und gebaut hatten..

Gruß Ingo

03.01.24 10:45
MB-RADIO 

500 und mehr Punkte

03.01.24 10:45
MB-RADIO 

500 und mehr Punkte

Re: Ratiofilter wickeln, aber wie richtig

Hier gibt es noch eine Erklärung :https://www.jogis-roehrenbude.de/Leserbr...tiodetektor.htm

Zitat:" Der Ratiodetektor besteht aus zwei lose magnetisch gekoppelten Schwingkreisen mit L10 und L11 eines Bandfilters. In der Sekundärspule L11 entstehen zwei Spannungen UL und UP, wobei die eine durch Induktion erzeugt wird und die andere durch direkte Einspeisung der Primärsignalspannung über den Widerstand 1,5 kΩ. Da die Bandfilterspulen auf die Zwischenfrequenz von 10,7 MHz abgestimmt sind, ist in diesem Fall die induzierte Trägerfrequenzspannung UL um 90 Grad phasenverschoben zur direkt eingespeisten Spannung UP."

Irgendwie begreife ich die Spannungen UL und UP nicht wo die in der Schaltung zu finden sind.

Viele Grüße
Bernd

Zwei Dinge sind unendlich, das Universum und die menschliche Dummheit, aber bei dem Universum bin ich mir noch nicht ganz sicher. (Albert Einstein)

03.01.24 11:37
Reflex-Kalle 

500 und mehr Punkte

03.01.24 11:37
Reflex-Kalle 

500 und mehr Punkte

Re: Ratiofilter wickeln, aber wie richtig

Hi Bernd,

eine ausführliche Betrachtung zum Ratiodetektor und dessen Filter findet man in den „Telefunken Röhrenmitteilungen“ mit dem Titel „Zur Technik des Verhältnisgleichrichters mit Germaniumdioden und EABC 80“

https://www.radiomuseum.org/dsp_multipage_pdf.cfm?pdf=tfk_rmi30_eabc80_ratio_rm.pdf

Falls du 10,7MHz Filter für gedruckte Schaltungen suchst, kann ich dir ein paar von HFW-M zuschicken. Hab da eine größere Menge mal bei Oppermann gekauft. Das sind zwar eigentlich Filter von Transistorradios, sind aber auch für ZF-Verstärker mit Röhren bestens geeignet. Hab da auch einige Ratiofilter, aber die sind mit ihrer relativ hohen Primärkreis-Kapazität eher zu niederohmig für Röhren. Dafür sind die anderen ZF-Filter mit geringerer Kreiskapazität so universell, dass man sie auch für Ratiodetektor-Schaltungen verwenden kann. Die dafür notwendige Koppelwickklung haben sie, aber nicht die mittenangezapfte Sekundärwicklung. Entweder man wickelt sie entsprechend um oder verwendet eine Schaltung, die auch ohne die Mittenazapfung auskommt. Solche Schaltungen findet man vereinzelt auch in industriell gefertigten Radios mit Elektronenröhren, auch solchen mit Stereo-Dekoder.

Gruß

(Reflex-)Kalle

 1 2
 1 2
Trägerfrequenzspannung   Sekundär-Schwingkreisspule   DF-Fernseh-Ratiofiltern   Abgleichresonanzpunkt   Primärkreis-Kapazität   Induktivitätserhöhung   Röhrenmitteilungen“   Reihenkreiskonstellation   Ratiodetektor-Schaltungen   Schwingkreiskapazität   Verhältnisgleichrichters   richtig   Ratiofilter   wickeln   Verdrahtungskapazitäten   Universum   Koppelwicklung   Spannungsverhältnisse   Koppelspule   Schwingkreisspule