| Passwort vergessen?
Sie sind nicht angemeldet. |  Anmelden

Sprache auswählen:

Wumpus Gollum Forum von
Wumpus Welt der (alten) Radios

FM-Demodulatoren
  •  
 1 2
 1 2
16.12.18 21:29
regency 

500 und mehr Punkte

16.12.18 21:29
regency 

500 und mehr Punkte

Re: FM-Demodulatoren

Hallo HB9,
was mich aus Neugier bezgl eines älteren Projekts, wo die Frage noch offen ist, interessieren würde: Kann man auch mit der UKW Frequenz selbst einen Ratiodetektor aufbauen? D.h. einen UKW Detektor, aber dann nicht mit Flankendemodulation sondern mit Ratiodetektor? Zum Beispiel FZ5 als 3m-Loop koppelt auf FZ6 als Miniloop mit Drehko abstimmbar auf UKW Frequenz (Dioden kapazitätsarmer Shottky-Typ)?
Gruß Jan

!
!!! Fotos, Grafiken nur über die Upload-Option des Forums, KEINE FREMD-LINKS auf externe Fotos.    

!!! Keine Komplett-Schaltbilder, keine Fotos, keine Grafiken, auf denen Urheberrechte Anderer (auch WEB-Seiten oder Foren) liegen!
Solche Uploads werden wegen der Rechtslage kommentarlos gelöscht!

Keine Fotos, auf denen Personen erkennbar sind, ohne deren schriftliche Zustimmung.

Den Beitrag-Betreff bei Antworten auf Threads nicht verändern!
19.12.18 11:57
HB9 

500 und mehr Punkte

19.12.18 11:57
HB9 

500 und mehr Punkte

Re: FM-Demodulatoren

Hallo Jan,

grundsätzlich geht das, denn die Mittenfrequenz spielt im Prinzip keine Rolle. Bei gegebener Schwingkreisgüte ist es so, dass die Amplitude des NF-Signals vom Verhältnis Frequenzhub zu Mittenfrequenz abhängt, somit wird das NF-Signal deutlich schwächer, wenn man direkt die UKW-Frequenz demoduliert. Die Güte des Referenzkreises (also der, an dem die Dioden hängen) kriegt man wohl nicht besser hin als bei 10.7MHz. Da der UKW-Rundfunk aber mit grossem Hub arbeitet, sollte trotzdem eine brauchbare NF-Amplitude entstehen. Da die Diodenkapazität parallel zum Schwingkreis liegt und zudem spannungsabhängig ist, müssen Dioden mit sehr kleiner Kapazität verwendet werden. Das beisst sich aber mit der Forderung einer niedrigen Fluss-Spannung... somit braucht man vor dem Demodulator eine ordentliche Verstärkung, was bei UKW nicht ganz ohne ist. Üblicherweise füttert man FM-Demodulatoren mit mehreren Volt Hochfrequenz.

Es bleibt somit eine spannende Herausforderung.

Gruss HB9

19.12.18 15:53
joeberesf 

500 und mehr Punkte

19.12.18 15:53
joeberesf 

500 und mehr Punkte

Re: FM-Demodulatoren

Hallo Jan, hallo zusammen,

bei meinen Versuchen mit der modifizierten Robert Weaver Version seines FM- Detektors ist das ja so umgesetzt worden. Die Knackpunkte sind durch HB9 ganz treffend beschrieben. Die im anschließenden Video gezeigte FM- Demodulation bringt mit entsprechender Antenne und empfindlicher NF- Verstärkung genau das von Dir beschriebene gewünschte Resultat. Schaltung mit niederkapazitiven Schottkydioden und verkürztem Topfkreis. Audioprobe in zwei Infokarten (I) oder über die Beschreibung des Videos. Das Video habe ich erst vor kurzem eingetellt, da es in YT keine Einsicht in das Innere gab.

Keine zweiteilige Flankendemodulation, einen Resonanzpunkt in der Abstimmung. Eine Yagi verbessert das Ergebnis enorm....gerade auf 20km.
Aus meiner Sicht ein Phasendiskriminator. https://elektroniktutor.de/signalkunde/fm_demod.html Das wurde aus meiner Sicht im damaligen Beitrag nicht wirklich geklärt. Ob Dein Loop genug HF- Spannung generiert ist schwer einzuschätzen... aber in jedem Fall auszuprobieren!. Die Auskopplung des Signals ist hier bestimmt die Herausforderung.

LG
Joerg

P.S.
Schön, dass Du das Thema hier ansprichst... nachfolgendes Video habe ich im WGF nicht vorgestellt. Bitte dazu Beschreibung lesen. Hier ist auch der Link zu Roberts Projekt zu finden. Beachte!...um brummfreie Ergebnisse an einer NF- Verstärkung zu erzielen musst Du den Topf auf Ground legen! (Kopfhörerground) Diese Verbindung ist im Plan nicht eingezeichnet und für SP-Kopfhörerempfang auch nicht notwendig.


https://www.youtube.com/watch?v=pAbCDAefKvo

20.12.18 22:13
regency 

500 und mehr Punkte

20.12.18 22:13
regency 

500 und mehr Punkte

Re: FM-Demodulatoren

Hallo HB9 und Joe,
der Schlüssel sind die "mehreren Volt Hochfrequenz". Die bekommt man wohl nicht hin mit einer resonanten Loop, wie ich das machen wollte. Der Premiumdetektor mit dem abstimmbaren Topfkreis-Resonator schafft das offensichtlich. Eine Nummer zu aufwändig für mich, aber wirklich sehr gut. Danke für eure Antworten!
Jan

26.12.18 21:45
Martin.M 

500 und mehr Punkte

26.12.18 21:45
Martin.M 

500 und mehr Punkte

Re: FM-Demodulatoren

einfach klasse Beiträge hier, DANKE.

Hallo HB9,
ich hab mich bei meinem Bastelprojekt für eine 6BN6 entschieden.
Das ist mal etwas "nicht alltägliches", genau wie die EQ80 bzw. UQ80.
Zu denen kann man auch ein par Worte hinterlegen dann wär das Thema breitbandig versorgt

Vorneweg: alle drei wollen richtig Pegel sehen am Eingang, d.h. es muß eine wirklich fleißige ZF davor.
Bei der 6BN6 entsteht dafür ein derart hohes NF Signal daß man in den meisten Fällen die Treiberröhre der EL weglassen kann.
Ob das bei EQ80 auch so ist weis ich nicht. UQ80 ist die Allstromversion der EQ80 und bis auf die Heizung identisch.
lG Martin

26.12.18 22:48
ELEK 

250-499 Punkte

26.12.18 22:48
ELEK 

250-499 Punkte

Re: FM-Demodulatoren

Hallo,

Joerg, ich bin schwer beeindruckt ! Hätte nie gedacht, daß sowas möglich ist.

Gruß Ingo

27.12.18 10:52
Martin.M 

500 und mehr Punkte

27.12.18 10:52
Martin.M 

500 und mehr Punkte

Re: FM-Demodulatoren

hallo alle,

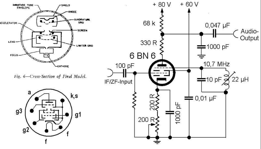
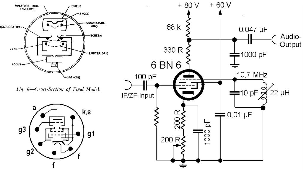
die 6BN6 Strahlbündelröhre, ein faszinierendes Stück Technik.
Sie schafft eine enorme AM-Unterdrückung, zudem ist die Kreisspule recht simpel zu fertigen.
Wie schon erwähnt mag die recht hohe Signalpegel am Eingang.

lG Martin



bemerkenswert ist, daß das Schaltplansymbol der 6BN6 ziemlichen Schwankungen unterworfen ist, jenachdem wer es gemalt hat
Der eingezeichnete 1000pF darf gerne kleiner gewählt werden wenn man auch den Pilotton verarbeiten möchte. Der Resonanzkreis soll eine recht hohe Güte Q aufweisen, sie betreibt den statisch. Also viel L, wenig C

Zuletzt bearbeitet am 27.12.18 11:00

Datei-Anhänge
6bn6-1.JPG 6bn6-1.JPG (400x)

Mime-Type: image/jpeg, 84 kB

29.12.18 18:18
HB9 

500 und mehr Punkte

29.12.18 18:18
HB9 

500 und mehr Punkte

Re: FM-Demodulatoren

Hallo Martin,

eine interessante Schaltung und Röhre. Der Referenzkreis scheint hier durch die Kapazität zwischen g3 und Anode angekoppelt zu werden, die Demodulation dürfte multiplikativ sein, so wie bei der EQ80 oder einer Hexode.

Die EQ80 liefert ebenfalls ein kräftiges NF-Signal, mit dem man direkt eine EL41 ansteuern kann. Weiter kann sie auch als NF-Vorstufe betrieben werden, um z.B. einen Plattenspielereingang oder auch einen AM-Empfangsteil ohne Zusatzröhre zu machen. Durch die vielen Gitter ist das Rauschen und vermutlich auch die Mikrofonie nicht gerade optimal.

Gruss HB9

30.12.18 10:59
Martin.M 

500 und mehr Punkte

30.12.18 10:59
Martin.M 

500 und mehr Punkte

Re: FM-Demodulatoren

hallo zusammen,
die Angelegenheit geht mal ins Bastel-Labor, Bericht kommt.
Ich erstell dafür eine Messreihe mit allen interessanten Daten, als FM Demodulator 10,7MHz.
Von besonderem Interesse ist auch ob und wo sich da eine Steuerspannung ableiten läßt.
Ideales Objekt für das Wellenkino, Kurvenplots.

Ich hab die Kreisdaten mal nachgerechnet und komme auf 10,73MHz, die Vorgabe berücksichtigt also keine parasitären Kapazitäten.

lG Martin

Bild: 6BN6, RSD


Zuletzt bearbeitet am 30.12.18 11:13

Datei-Anhänge
6bn6.jpg 6bn6.jpg (357x)

Mime-Type: image/jpeg, 390 kB

31.12.18 00:04
nobbyrad58 

500 und mehr Punkte

31.12.18 00:04
nobbyrad58 

500 und mehr Punkte

Re: FM-Demodulatoren

Hallo an Alle!

Klink mich mal zu einen "Randthema" im wahrsten Sinn des Wortes ein. Es geht um den Teil Ersatz der EABC 80. Bei sehr vielen Radios mit zweistufigen NF Teil besteht dieser aus der EABC 80 und der nachfolgenden EL.
Die Sache hat den Nachteil das Gegenkopplungen nur zum g1 oder zur Anode der EABC 80 möglich sind. Die - g1 kann nur über Gitteranlaufstrom und großen > 10 M R erzeugt werden. Die Katodenbasisschaltung mit -g1 über R Katode ist hier nicht möglich. Somit ist die GK in die Katode, die ja doch mit die beste Schaltung ist, nicht anwendbar.
Eine 6BN8 ohne AM Diode und mit "freier" Triodenkatode könnte hier Abhilfe schaffen. Die fehlende Diode für den AM Empfang wäre mit einer EBF 89 oder EAF 801 zu realisieren. Allerdings ist für so einen Umbau der Heizstrom zu berücksichtigen, der etwas höher ist. So eine Lösung böte sich bei Geräten mit Fehlteilen wie LS oder Übertrager an.
Hab mir vor einiger Zeit ein paar 6BN8 zugelegt. Sockel NO 120.

MFG Nobby

 1 2
 1 2
gleichspannungsmässig   Phasendiskriminator   AM-Hüllkurvendemodulator   Spannungen   FM-Demodulatoren   wumpus-gollum-forum   Spannung   Schaltungskapazitäten   Katodenbasisschaltung   Halbweggleichrichtung   Funktionsbeschreibung   AM-Unterdrückung   Abstimm-Mittenanzeige   AM-Synchrondemodulator   Summen-Gleichspannung   Flankendemodulation   Transistor-Spitzensuper   Plattenspielereingang   Verstärkungsregelung   Gleichrichterschaltungen