| Passwort vergessen?
Sie sind nicht angemeldet. |  Anmelden

Sprache auswählen:

Wumpus Gollum Forum von
Wumpus Welt der (alten) Radios
Sie sind nicht angemeldet.
 Anmelden

Die Diode als Mischröhre im Dezimeterbereich
  •  
 1
 1
25.11.10 15:36
nobbyrad58 

500 und mehr Punkte

25.11.10 15:36
nobbyrad58 

500 und mehr Punkte

Die Diode als Mischröhre im Dezimeterbereich

Hallo an Alle !

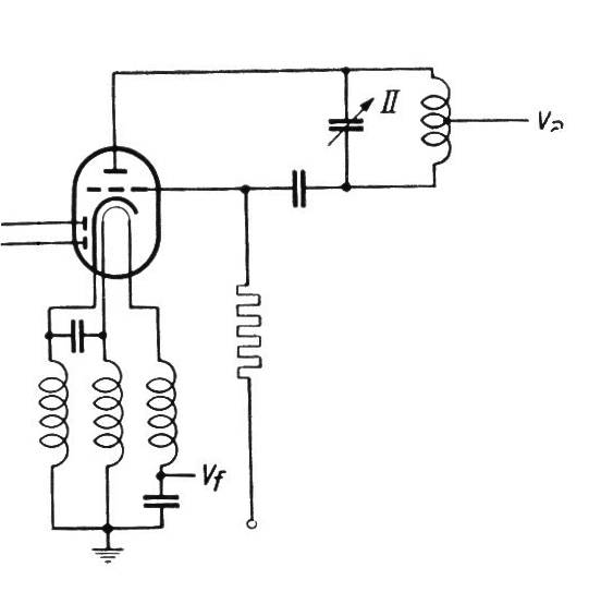
In einer alten Philips Technischen Rundschau von 1941 habe ich einen Artikel über die Röhrendiode als Mischröhre gefunden . Dort wird ausführlich diese Anwendung beschrieben . Obwohl diese Schaltung einige Vorteile gegenüber der Schaltung Oszilator und Mischung in einer Röhre aufweist , wurde diese jedoch fast überhaupt nicht bei späteren UKW Empfängern angewendet . Den Vorteilen der Trennung von Oszilator und Mischung und der geringeren Verzerrung stand wohl der Nachteil der Mischverstärkung < 1 gegenüber . Auch in der Röhren - Taschen - Tabelle hab ich bei den Wehrmachtsröhren nur wenige Dezimeter Mischdioden gefunden . In dem Philips Artikel wird auch über eine Anwendung im 10 m Bereich berichtet , für kleinere Wellenlängen gibt es keine so genaue Beschreibung das fiel wohl der Geheimhaltung zum Opfer . Nach dem Krieg wurde diese Schaltung bei UKW Radios fast nicht angewendet , habe nur ein Gerät gesehen das mit GE - Dioden arbeitete .

MFG Nobby

Datei-Anhänge
Mischdiode.jpg Mischdiode.jpg (555x)

Mime-Type: image/jpeg, 18 kB

Noch gefällt der Beitrag keinem Nutzer.
!
!!! Fotos, Grafiken nur über die Upload-Option des Forums, KEINE FREMD-LINKS auf externe Fotos.    

!!! Keine Komplett-Schaltbilder, keine Fotos, keine Grafiken, auf denen Urheberrechte Anderer (auch WEB-Seiten oder Foren) liegen!
Solche Uploads werden wegen der Rechtslage kommentarlos gelöscht!

Keine Fotos, auf denen Personen erkennbar sind, ohne deren schriftliche Zustimmung.

Den Beitrag-Betreff bei Antworten auf Threads nicht verändern!
25.11.10 17:46
wumpus 

Administrator

25.11.10 17:46
wumpus 

Administrator

Re: Die Diode als Mischröhre im Dezimeterbereich

Hallo Nobby,
es hat immer mal wieder Versuche mit Mischdioden gegeben. Z.B. haben Funkamateure solche Schaltungen auch angewendet. Auch im Sendezweig mit Varactor-Dioden z.b. zur Frequenzverdreifachung. Später gab es dann in extrem übersteuersicheren (Intercept-Point 3. Ordnung) Kurzwellenempängern Diodenmischer und Dioden-Quartett-Mischer. Ich habe auch so ein Ding:

AOR AR3030. Da ist der Nebenprodukte-freie Empfang in dicht belegten KW-Bändern eine ware Freude gewesen. Solche Geräte brauchten für 33 kHz bis 30000 kHz nur noch Oktavfilter.




Gruß von Haus zu Haus Rainer (Forum-Admin)

Möge kein Mögel-Dellinger-Effekt auftreten.

25.11.10 19:06
nobbyrad58 

500 und mehr Punkte

25.11.10 19:06
nobbyrad58 

500 und mehr Punkte

Re: Die Diode als Mischröhre im Dezimeterbereich

Hallo Rainer , Hallo an Alle !

Danke für die schnelle Antwort . Es gibt bei dem von mir angesprochenen Philips Technische Rundschau Artikel noch einen anderen , nichttechnischen Hintergrund . Als ich vor kurzem mehre Hefte dieser Firmenschrift bei einem bekannten Online Auktionsanbieter erworben hatte , fand ich in den Heften Markierungen von bestimmten Artikeln : Schwingkreise für sehr hohe Frequenzen ; Die Diode als Mischröhre , besonders bei Dezimeterwellen . Außerdem fand ich neben einem Namens und Adresstempel eine Rechnung einer damals bekannten Berliner Buchhandlung . Es handelte sich um einen Berliner Diplom - Ingenieur . Der Mann ist im Berliner Adressbuch von 1943 unter der Rechnungsadresse zu finden . Weitere Infos über ihn konnte ich nicht finden .
Es kommt ja selten vor das man etwas über die Vorbesitzer der Sammelobjekte findet zumal bei so alten Sachen , außer es handelt sich um Dinge aus dem persönlichen Umfeld . Obwohl Namen und Adresse öffentlich online im Berliner Adressbuch bei der Zentral - und Landesbibliothek Berlin einsehbar sind habe ich mich entschlossen das hier nicht zum Besten zu geben .
Was man weis ist das er sich für kurze Wellen im Dezimeterbereich interessierte , anzunehmen beruflich und das sich zumindest online seine Spur verliert . Man könnte sich vorstellen das der schnelle Aufbau des UKW Rundfunks später des Fernsehens nach dem Krieg auch von dem Können und Wissen solcher Personen positiv beeinflusst wurde .

MFG Nobby

 1
 1
Diodenmischer   Rechnungsadresse   Intercept-Point   Dezimeterbereich   Dioden-Quartett-Mischer   Geheimhaltung   Dezimeterwellen   Kurzwellenempängern   Frequenzverdreifachung   nichttechnischen   Mögel-Dellinger-Effekt   Landesbibliothek   Nebenprodukte-freie   übersteuersicheren   Auktionsanbieter   Varactor-Dioden   Wehrmachtsröhren   Mischverstärkung   Mischröhre   angesprochenen