| Passwort vergessen?
Sie sind nicht angemeldet. |  Anmelden

Sprache auswählen:

Wumpus Gollum Forum von
Wumpus Welt der (alten) Radios
Sie sind nicht angemeldet.
 Anmelden

Doppel-Sperrkreis
  •  
 1 2
 1 2
22.06.11 10:24
wumpus 

Administrator

22.06.11 10:24
wumpus 

Administrator

Doppel-Sperrkreis

Hallo zusammen,

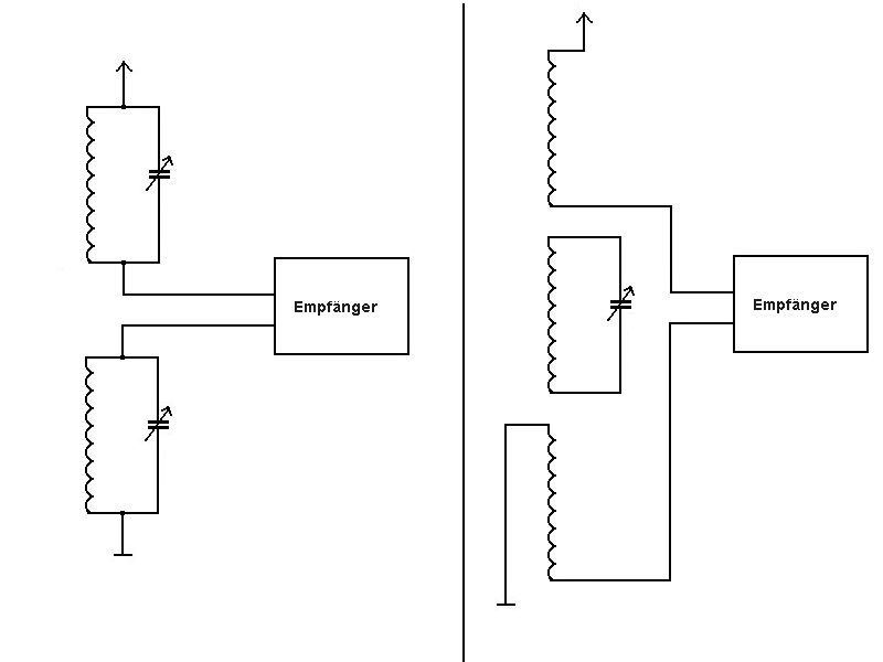
in der Zeitschrift "Funk", Jahrgang 1934, Heft 6, Seite 272 fand ich einen interessanten Artikel von Albert Eix. Er beschreibt seine Probleme in Berlin Siemensstadt Fernempfang durch massive Störungen des Ortssenders Berlin Tegel sicher zu stellen.

Es reichte bei ihm nicht, lediglich in die Antenne einen abstimmbaren Sperrkreis einzufügen. Er brachte einen zweiten Sperrkreis in die Erdleitung ein, stimmte beide auf Berlin Tegel ab und konnte so den Sender deutlicher dämpfen.

Um aber nicht jeweils 2 zusätzliche Abstimmknöpfe bedienen zu müssen, legte er in dem Artikel einen pfiffigen Vorschlag vor. Siehe Schaltbilder.

Sicher eine gute Idee. Wobei ich mir aber nicht sicher bin, ob die "Sparvariante" ähnlich wirksam wäre, wie die echte Doppelsperrkreis-Lösung...

Ein Sperrkreis saugt sowie aus der Antennenleitung, als auch aus der Erdleitung die Energie des Ortssenders weg.

Gerade, wenn die Gefahr besteht, den Ortssender auch über die (zu lange) Erdleitung einzufangen, könnte die Doppelsperrkreislösung was bringen.





Gruß von Haus zu Haus Rainer (Forum-Betreiber)

Rettet den analogen deutschen AM / FM - Rundfunk!:
www.rettet-unsere-radios.de

Zuletzt bearbeitet am 22.06.11 10:27

Datei-Anhänge
doppelsperrkreis.jpg doppelsperrkreis.jpg (355x)

Mime-Type: image/jpeg, 22 kB

Noch gefällt der Beitrag keinem Nutzer.
!
!!! Fotos, Grafiken nur über die Upload-Option des Forums, KEINE FREMD-LINKS auf externe Fotos.    

!!! Keine Komplett-Schaltbilder, keine Fotos, keine Grafiken, auf denen Urheberrechte Anderer (auch WEB-Seiten oder Foren) liegen!
Solche Uploads werden wegen der Rechtslage kommentarlos gelöscht!

Keine Fotos, auf denen Personen erkennbar sind, ohne deren schriftliche Zustimmung.

Den Beitrag-Betreff bei Antworten auf Threads nicht verändern!
23.06.11 09:28
joeberesf 

500 und mehr Punkte

23.06.11 09:28
joeberesf 

500 und mehr Punkte

Re: Doppel-Sperrkreis

Hallo Rainer,

ein interessanter Vorschlag, gerade für uns Detektorfreunde ist ein Sperrkreis ja oft
unentbehrlich. Induktiv gekoppelte Sperrkreise funktionieren mit großen Luftspulen
ganz ausgezeichnet. Ich habe bei meinen Versuchen immer den Eindruck, dass die
Resonanzkurve viel schmaler ist und somit schwache Stationen, nahe dem Ortssender,
besser zu selektieren sind.
Ein gutes Beispiel war für mich der Empfang des BBC 648kHz und Ausblendung der Stimme Russlands auf 693kHz.
Und natürlich den WDR2 auf 720kHz... sehr schwierig beim Detektorempfang in Nordberlin.

Ich habe mal eine Frage zum induktiven Schema (rechts). Ist der Wicklungssinn der Erdspule mit dem
der Antennenspule identisch ?

Gruß

Joe

P.S. Hast Du noch mehr historische Informationen zum Sender in Tegel?

23.06.11 10:25
Martin.M 

500 und mehr Punkte

23.06.11 10:25
Martin.M 

500 und mehr Punkte

Re: Doppel-Sperrkreis

hallo Rainer,

dieselbe Wirkung ist gewiss erreichbar wenn man beide Sperrkreise hintereinander in der heißen Leitung einfügt.
Ich fürchte, wenn man das Radio berührt erdet man es schon manuell, was einem Verlust von Sperrkreis2 gleichzusetzen ist.
Man kann einen Parallelkreis ja als Widerstand betrachten der auf seiner Resofrequenz hochohmiger wird. d.h. hintereinanderschalten ist erlaubt

nette Grüße
Martin

23.06.11 12:48
joeberesf 

500 und mehr Punkte

23.06.11 12:48
joeberesf 

500 und mehr Punkte

Re: Doppel-Sperrkreis

Hallo Martin,

beide Sperrkreise in der Antennenzuleitung sind aus meiner Sicht nicht nötig. Einer sollte ja reichen, vorausgesetzt er ist
auf die entsprechende Frequenz abstimmbar. Wenn ich Rainer richtig verstanden habe, geht es ja um das Problem,
dass starke Ortssender sich auch über die Erdverbindung einschleichen und somit die Ausblendung nicht
richtig erfolgreich ist.
Besonders gut zu beobachten ist der Effekt bei langen Wasserrohrleitungen in höheren Stockwerken oder
manche Radiofreunde benutzen ja auch den Schutzleiter als Erde. ( Vorsicht kann in alten Häusern gefährlich sein = Nullung)
Das führt dazu das der Empfänger nicht richtig am Fußpunkt der Antenne hängt ...oder manchmal wird sogar die vermeindliche
Erde zur Antenne. Bei einer sehr kurzen, gut leitenden Erdverbindung ist ein Sperrkreis eigentlich ausreichend.
Ich finde allerdings eine induktive Kopplung besonders interessant, da die Antenne ja auch die Dämpfung des Sperrkreises
erhöht und somit die Resonanzkurve in die Breite gezogen wird.

Beste Grüße

Joe

Zuletzt bearbeitet am 23.06.11 18:44

23.06.11 12:52
wumpus 

Administrator

23.06.11 12:52
wumpus 

Administrator

Re: Doppel-Sperrkreis

Hallo zusammen,

@Martin: Wenn die Erdleichtung zur niederohmigen Erde (Zentralheizung, Wasserleitung) länger ist, kann diese Erde auch zur Mitantenne werden und Energie in den Empfänger koppeln. da ist der zweite Kreis direkt am Erd-Eingang vielleicht hilfreich.

@Joe: Ich hatte das einfach mit den Spulen übernommen und nicht darüber nachgedacht, ob hier Phasenbeziehungen eingehalten werden müssen. Der Artikel gibt darüber nichts her.

Zur damaligen Sendestelle Tegel habe ich schon was auf meiner Vox-Haus-Seite, ich habe den dortigen Text soeben noch etwas ergänzt und ein Photo zugefügt.

http://www.oldradioworld.de/voxd.htm


Gruß von Haus zu Haus Rainer

Zuletzt bearbeitet am 23.06.11 16:24

23.06.11 18:06
joeberesf 

500 und mehr Punkte

23.06.11 18:06
joeberesf 

500 und mehr Punkte

Re: Doppel-Sperrkreis

Hallo Rainer, hallo zusammen,

bei meinem rein induktiven Aufbau ist der Wicklungssinn zum Antennenkreis völlig egal.
Ich denke, dass dies auch für den Sperrkreis zur Erdverbindung gilt. Da sich aber auch
Antennenspule und Erdspule gegeneinander beeinflussen, würde ich nicht den gleichen
Wicklungssinn wählen.
Eigentlich ist für den Sperrkreis in Richtung Erde, das heiße Ende die Masse. Deswegen
ist der Erdanschluss am oberen Ende der Spule angeschlossen und nicht unten. (Rainers Bild rechts).

Hier mal ein Bild von meinen Sperrkreisversuchen.

Gruß

Joe

Induktiv gekoppelter Sperrkreis


Zuletzt bearbeitet am 23.06.11 18:16

Datei-Anhänge
Sperrkreis 520-1600kHz am Detektor.JPG Sperrkreis 520-1600kHz am Detektor.JPG (374x)

Mime-Type: image/pjpeg, 107 kB

24.06.11 08:39
Pluspol 

500 und mehr Punkte

24.06.11 08:39
Pluspol 

500 und mehr Punkte

Re: Doppel-Sperrkreis

Hallo an alle

Ein Sperrkreis oder zwei in Reihe, das hängt von der nötigen und beabsichtigten Wirkung sowie von der Nähe und Sendeleistung des auszublendenen Senders ab.
Sinnvoll ist das was den Zweck erfüllt, den Anwender zufriedenstellt.
Bei zwei Sperrkreisen, mit parallen L und C, erhöht sich im gezielten Resonanzfall zusätzlich der frequenzabhängige Reihenwiderstand zum Empfängereingang.
Eine andere Möglichkeit ist der Saugkreis, der parallel zum Empfängereingang als L-C-Reihenschaltung fungiert.
Der erreicht bei Resonanz einen relativ kleinen Widerstand, fast den Ohmschen der Spule.
Damit wird das unerwünschte Sendersignal am Knotenpunkt des Antenneneingangs, niederohmig, geschwächt bzw, "abgesaugt".
Vielleicht ist eine Kombination aus beiden Systemen effektiver.
Da die Senderfülle auf der Mittelwelle leider aus Gründen der Modernisierung und profitgesteuerten "Analogsignal-Schwindsucht" sich mehr und mehr verringert, haben sicher nur noch Wenige mit diesem Problem zu tun.

Freundliche Grüße von Dietmar

Zuletzt bearbeitet am 24.06.11 09:17

24.06.11 16:30
Martin.M 

500 und mehr Punkte

24.06.11 16:30
Martin.M 

500 und mehr Punkte

Re: Doppel-Sperrkreis

wumpus:
Hallo zusammen,

in der Zeitschrift "Funk", Jahrgang 1934, Heft 6, Seite 272 fand ich einen interessanten Artikel


OT

hallo Rainer,
ich suche die Daten von einem Trafochen (Tontrafo),
ca 1955, vielleicht noch etwas früher,

Röh Tr.1
Funk Bv 2201/9
1. Ausgabe

hast du davon Unterlagen?

nette Grüße
Martin

26.06.11 08:19
wumpus 

Administrator

26.06.11 08:19
wumpus 

Administrator

Re: Doppel-Sperrkreis

Hallo Martin,

was meinst Du mit "Funk Bv 2201/9"?

Gruß von Haus zu Haus Rainer (Forum-Betreiber)

Rettet den analogen deutschen AM / FM - Rundfunk!:
www.rettet-unsere-radios.de

26.06.11 08:49
Martin.M 

500 und mehr Punkte

26.06.11 08:49
Martin.M 

500 und mehr Punkte

Re: Doppel-Sperrkreis

hallo Rainer,
kein ATR, ist ein kleiner Tontrafo.



nette Grüße
Martin

Zuletzt bearbeitet am 26.06.11 09:28

Datei-Anhänge
tr 003.jpg tr 003.jpg (360x)

Mime-Type: image/jpeg, 90 kB

 1 2
 1 2
Empfängereingang   hintereinanderschalten   gerätespezifische   Antenneneingangs   Doppel-Sperrkreis   Forum-Betreiber   Phasenbeziehungen   selbstgefertigte   betriebsinternen   profitgesteuerten   Doppelsperrkreis-Lösung   Antennenzuleitung   Doppelsperrkreislösung   Sperrkreis   rettet-unsere-radios   L-C-Reihenschaltung   Wasserrohrleitungen   frequenzabhängige   Analogsignal-Schwindsucht   Sperrkreisversuchen