| Passwort vergessen?
Sie sind nicht angemeldet. |  Anmelden

Sprache auswählen:

Wumpus Gollum Forum von
Wumpus Welt der (alten) Radios
Sie sind nicht angemeldet.
 Anmelden

LC-Oszillator schwingt nicht.
  •  
 1 2 3
 1 2 3
12.06.18 10:21
MANLioncity 

100-249 Punkte

12.06.18 10:21
MANLioncity 

100-249 Punkte

LC-Oszillator schwingt nicht.

Der einzige LC-Oszillator, der bei mir zuverlässig schwingt ist ein Colpits-Oszillator in Bassischaltung. Ich habe die Schaltung des KEMO-Bausatzes nachgebaut. Alle anderen Versuche mit Meißner, Hartley-Schaltungen oder Colpits in Kollektorschaltung funktionieren, wenn überhaupt nur in der Simulation. Auch der hochgelobte emittergekoppelte Oszillator, der angeblich jeden Schwingkreis zum Schwingen bringen soll funktioniert bei mir nur in der Theorie.

Noch gefällt der Beitrag keinem Nutzer.
!
!!! Fotos, Grafiken nur über die Upload-Option des Forums, KEINE FREMD-LINKS auf externe Fotos.    

!!! Keine Komplett-Schaltbilder, keine Fotos, keine Grafiken, auf denen Urheberrechte Anderer (auch WEB-Seiten oder Foren) liegen!
Solche Uploads werden wegen der Rechtslage kommentarlos gelöscht!

Keine Fotos, auf denen Personen erkennbar sind, ohne deren schriftliche Zustimmung.

Den Beitrag-Betreff bei Antworten auf Threads nicht verändern!
12.06.18 13:40
technikfreund 

500 und mehr Punkte

12.06.18 13:40
technikfreund 

500 und mehr Punkte

Re: LC-Oszillator schwingt nicht.

Hi,

für welchen Frequenzbereich soll der Oszillator denn sein?

Von Kemo kenne ich nur die einfachen Oszillatoren mit Spule + Abstimmkondensator
direkt am Kollektor eines NICHT - HF Transistors.

Viele Grüße Technikfreund.

12.06.18 13:51
HB9 

500 und mehr Punkte

12.06.18 13:51
HB9 

500 und mehr Punkte

Re: LC-Oszillator schwingt nicht.

Hallo,

wenn ein Oszillator nicht schwingt, ist normalerweise die Rückkopplung falsch dimensioniert, bei einer separaten Rückkopplungsspule auch der Wickelsinn, so dass statt einer Rückkopplung eine Gegenkopplung entsteht. Der Oszillator mit Emitter-Rückkopplung ist wirklich sehr schwingfreudig und stabil. Wenn der nicht arbeitet, liegt es fast immer daran, dass der Kondensator parallel zum Emitterwiderstand zu klein ist.

Ich habe eine Schaltung angehängt, die garantiert funktioniert. Die Schaltung um T1 ist der Oszillator, die Frequenz ist um 8MHz herum, bei viel höherer oder niedrigerer Frequenz müssen die Kondensatoren C4 und C5 entsprechend angepasst werden. L1/C1 ist der Schwingkreis, hier kann auch ein Quarz verwendet werden, dann muss aber die Verbindung R3/R1 mit der Basis verbunden werden, C2 entfällt. Mit dem LC-Kreis hat diese Beschaltung den Vorteil, dass der Spannungsteiler für die Basisspannung den Schwingkreis nicht dämpft, dadurch wird der Oszillator frequenzstabiler. Der Trafo L2 kann auch entfallen, dann wird der Kollektor direkt mit der Betriebsspannung verbunden. C3 entkoppelt die Speisung, der Wert ist ziemlich unkritisch.

Der Transistor muss ein HF-tauglicher Typ sein, die NF-Typen wie z.B. BC548 haben viel höhere Kapazitäten und eignen sich daher höchstens für Frequenzen unter 1MHz. FETs sind grundsätzlich auch verwendbar, wegen der geringeren Steilheit ist die Dimensionierung der Rückkopplung aber heikler.

Gruss HB9

Datei-Anhänge
Schema.pdf Schema.pdf (610x)

Mime-Type: application/pdf, 21 kB

12.06.18 20:46
MANLioncity 

100-249 Punkte

12.06.18 20:46
MANLioncity 

100-249 Punkte

Re: LC-Oszillator schwingt nicht.

Die Schaltung müsste ein Colpits-Oszillator in Kollektorschaltung(Emitterfolger) sein . Die Rückkopplung erfolgt über C4. Beim Franzis-Kurzwellenradio funktioniert das mit einem PNP-Transistor sehr gut. Leider ist es mir nicht gelungen, diese Schaltung funktionierend auf einem Bredboard nachzubauen.

12.06.18 21:58
technikfreund 

500 und mehr Punkte

12.06.18 21:58
technikfreund 

500 und mehr Punkte

Re: LC-Oszillator schwingt nicht.

Hi MANLioncity,

hast du einen Schaltplan davon?

Grüße Technikfreund.

Zuletzt bearbeitet am 12.06.18 22:02

12.06.18 22:06
MANLioncity 

100-249 Punkte

12.06.18 22:06
MANLioncity 

100-249 Punkte

Re: LC-Oszillator schwingt nicht.

Den Schaltplan vom Franzis Kurzwellenradio findet man mit einer Suchmaschine. Er gehört zur Betriebsanleitung.

12.06.18 22:31
technikfreund 

500 und mehr Punkte

12.06.18 22:31
technikfreund 

500 und mehr Punkte

Re: LC-Oszillator schwingt nicht.

Hi MANLioncity,

was baust du jetzt genau? Einen Oszillator in einem Empfänger, einen Oszillator als z.B. Meßsender?

In welchem Frequenzbereich soll der arbeiten? Schick mal bitte einen direkten Schaltplan Link.

Grüße Technikfreund.

13.06.18 10:03
MANLioncity 

100-249 Punkte

13.06.18 10:03
MANLioncity 

100-249 Punkte

Re: LC-Oszillator schwingt nicht.

@HB9: Die Schaltung wird nicht funktionieren: Die Kollektorschaltung verstärkt die Eingangsspannung nicht: VU < 1. Wenn die Rückkopplung über C4-C5 erfolgen soll, dann wird die Spannung noch ,mehr abgeschwächt (kapazitiver Spannungsteiler) Es gibt keine "Hochtransformation" von Wechselspannungen durch kapazitive Spannungsteiler, sonst währe es ja ein Spannungsvervielfacher. Ich weiß nicht wer dieses Märchen verbreitet hat ( ich denke das war jd. vom ELO-Verlag) , die setzten solche unsinnigen Schaltungen in den Umlauf ( siehe ELO: sparsamer Einkreiser).

Datei-Anhänge
Sparsames Transistorradio.pdf Sparsames Transistorradio.pdf (520x)

Mime-Type: application/pdf, 178 kB

13.06.18 12:31
joeberesf 

500 und mehr Punkte

13.06.18 12:31
joeberesf 

500 und mehr Punkte

Re: LC-Oszillator schwingt nicht.

Hallo Manlioncity,

hier aus einem alten Beitrag. http://www.wumpus-gollum-forum.de/forum/...3&beitrag=0

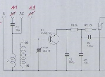
"Beim KW- Retroradio mit dem Transistor BC557C wird im Anleitungsbuch folgendes beschrieben:

"Der PNP- Transistor T1 arbeitet als Emitterfolger . C2 und die Basis-Emitter-Kapazität von ca. 5pF bilden einen kapazitiven Spannungsteiler. Zusammen mit dem Schwingkreis wird ein
Colpitts-Oszillator gebildet."

Hier die gleiche Frage; Gibt es eine Definition zum Colpitts- Oszillator und wie funktioniert er.
Was ich völlig ungewöhnlich fand....., es gibt ja keine Rückkopplungsanzapfung oder Spule !


Ich hätte nicht gedacht das hier eine Rückkopplung einsetzen kann.







Gruß

Joe "


Zuletzt bearbeitet am 13.06.18 15:57

Datei-Anhänge
HF- Teil Franzis KW Retro.jpg HF- Teil Franzis KW Retro.jpg (451x)

Mime-Type: image/jpeg, 21 kB

13.06.18 16:44
WalterBar 

500 und mehr Punkte

13.06.18 16:44
WalterBar 

500 und mehr Punkte

Re: LC-Oszillator schwingt nicht.

joeberesf:

Hier die gleiche Frage; Gibt es eine Definition zum Colpitts- Oszillator und wie funktioniert er.
Was ich völlig ungewöhnlich fand....., es gibt ja keine Rückkopplungsanzapfung oder Spule !


Hallo zusammen,

das Kennzeichen der Colpitts-Schaltung ist ein kapazitiver Spannungsteiler, der den Bruchteil der mitgekoppelten Spannung bestimmt. Die Serienschaltung der Kondensatoren wirkt als Schwingkreiskapazität. Der Colpitts-Oszillator funktioniert sowohl in Emitter- als auch in Basisschaltung, benötigt aber in Emitterschaltung im Gegensatz zur Basisschaltung einen passenden Collectorwiderstand. In Basisschaltung entspricht der Colpitts dem Hartley-Oszillator, der die Induktivität anzapft.


Gruss
Walter

aus Tietze-Schenk, Halbleiter-Schaltungstechnik 1974, Seite 421 (damaliges Standartwerk)

meine Meinung:

Eine Schaltung, die interne Transistorkapazitäten (oder den geringen Innenwiderstand der Stromversorgung) zur Schwingungserzeugung ausnutzt, ist immer Mist!

Zuletzt bearbeitet am 13.06.18 17:22

Datei-Anhänge
Colpitts.jpg Colpitts.jpg (556x)

Mime-Type: image/jpeg, 71 kB

 1 2 3
 1 2 3
Franzis-Kurzwellenradio   Kapazitätsverhältnis   Rückkopplungsanzapfung   Halbleiter-Schaltungstechnik   Basis-Emitter-Kapazität   Rückkopplungsprinzip   Übergangswiderstände   LC-Oszillator   Transistorkapazitäten   2-Komponenten-Epoxydkleber   Schwingkreiskapazität   Spannungstransformation   Spannungsvervielfacher   Verbesserungspotential   schwingt   Spannungsteiler   v=hn-5jGwhLLU&feature=youtu   Schaltung   funktioniert   Telefunken-Kamerad-Nachbau