| Passwort vergessen?
Sie sind nicht angemeldet. |  Anmelden

Sprache auswählen:

Wumpus Gollum Forum von
Wumpus Welt der (alten) Radios

Neutralisation von Pentoden
  •  
 1
 1
11.11.18 15:07
HB9 

500 und mehr Punkte

11.11.18 15:07
HB9 

500 und mehr Punkte

Neutralisation von Pentoden

Hallo zusammen,

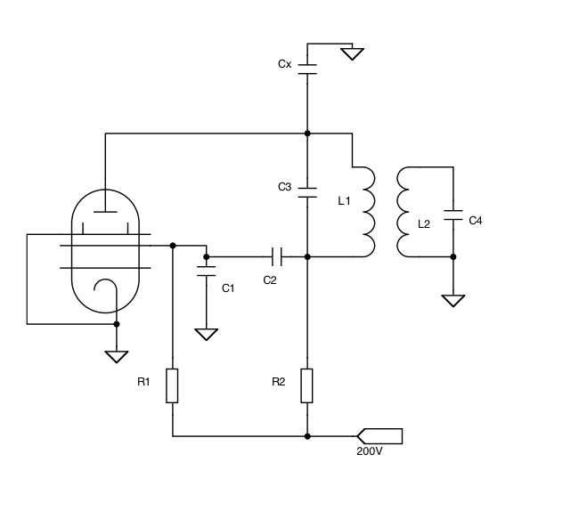
vielleicht ist dem einen oder anderen schon mal aufgefallen, dass bei vielen Radios mit UKW die Entkoppelkondensatoren von Anoden- und Schirmgitterspannung im ZF-Teil etwas seltsam verschaltet sind, nämlich statt jeder auf Masse, ist meistens der Anodenkreis-Blockkondensator vom 'kalten' Ende des Schwingkreises zum Schirmgitter geschaltet, und vom Schirmgitter folgt ein weiterer Kondensator nach Masse, wie im folgenden Bild:



Das ist eine typische ZF-Stufe. L1/C3 und L2/C4 bilden das ZF-Filter, R1 ist der Schirmgitter-Vorwiderstand und C1 der Schirmgitter-Abblockkondensator. R2 ist der Anodenspannungs-Siebwiderstand und C2 der zugehörige Abblockkondensator, der wie schon geschrieben nicht direkt auf Masse führt, sondern via C1. Der Kondensator Cx existiert normalerweise nicht als Bauteil und ist hier stellvertretend für alle Kapazitäten im Anodenkreis nach Masse. Bei Hexoden wird das ebenfalls angewendet.

Der Grund für die besagte Schaltung von C2 ist eine Neutralisation der Röhre. Zwar muss man Pentoden normalerweise nicht neutralisieren, aber bei FM und auch bei ZF-Stufen in Fernsehgeräten wird die Filterkurve verbessert. Durch die zwar kleine, aber auch bei Pentoden vorhandene Rückwirkungskapazität zwischen Steuergitter und Anode wird nämlich der Frequenzgang der Bandfilter verbogen und asymmetrisch. Bei FM ergibt das Verzerrungen und beim Fernsehen unsaubere horizontale Helligkeitsübergänge, was beides unerwünscht ist. Allerdings sind die Verzerrungen bei FM recht gering und auch von der Auslegung der Bandfilter abhängig, so dass man auch immer wieder Geräte ohne Neutralisation findet, insbesondere aus der FM-Anfangszeit.

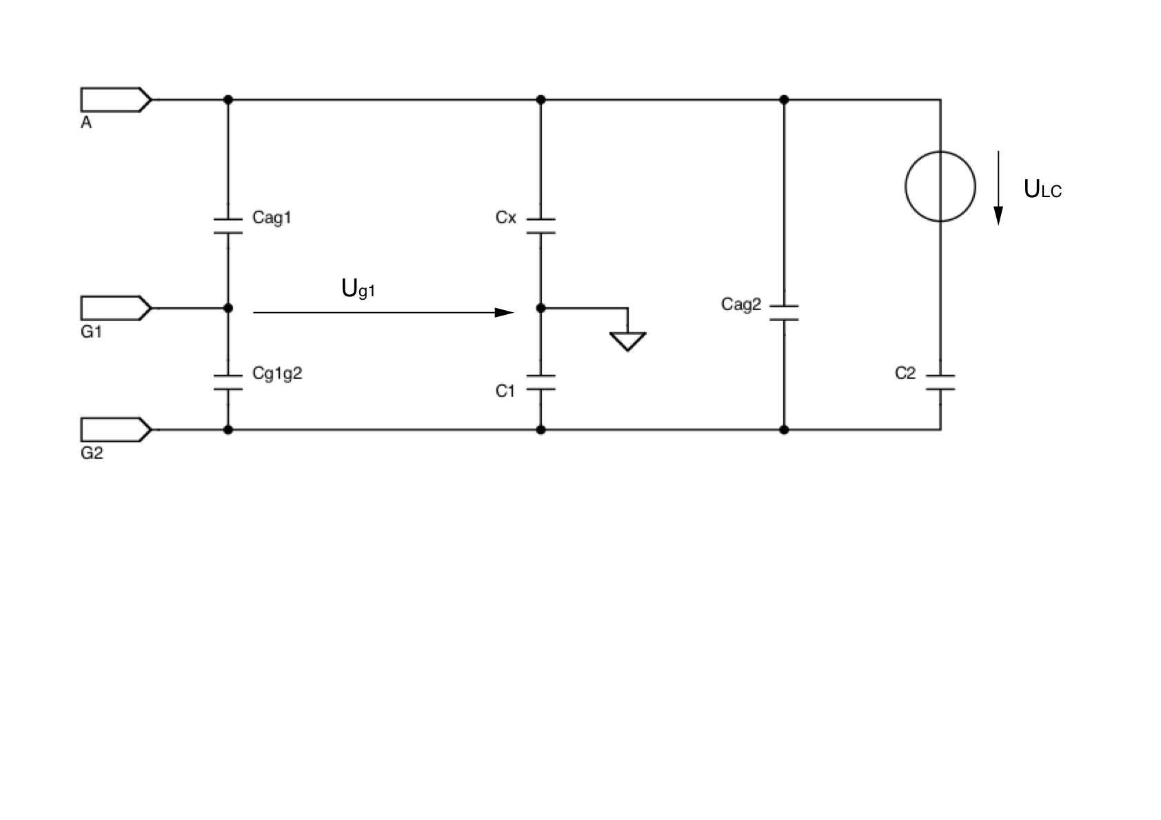
Um die Neutralisation zu verstehen, habe ich hier ein Ersatzschaltbild gezeichnet:



Die Anschlüsse links sind die Anode (A), das Steuergitter (G1) und das Schirmgitter (G2) der Röhre. Die Kondensatoren C1 und C2 entsprechen dem obigen Schaltbild, Cag1 ist die Kapazität zwischen Anode und Steuergitter, Cg1g2 die Kapazität zwischen Steuer- und Schirmgitter und Cag2 die Kapazität zwischen Anode und Schirmgitter. Cx ist wie erwähnt die (parasitäre) Kapazität der Anode nach Masse. Das Bandfilter wird hier als Spannungsquelle ULC modelliert.
Weiter wird angenommen, dass der Blindwiderstand von C1 und C2 viel kleiner ist als die Widerstandswerte von R1 und R2, so dass man die Widerstände als nicht existent betrachten kann. In der Praxis ist das immer der Fall, da sonst der Zweck (Entkopplung) nicht erfüllt wird.
Die Funktion ist nun folgende: Rückwirkungsfreiheit ist dann gegeben, wenn keine Spannung von der Anode auf das Steuergitter (G1) eingespeist wird, also die Spannung Ug1 Null wird. Da die (röhreninterne) Koppelkapazität Cag1 'gottgegeben' ist, bedeutet das, dass man eine weitere, gegenüber der Anodenspannung um 180° gedrehte Spannung auf das Steuergitter einspeisen muss. Bei Trioden ist das ja bekannt und erfolgt durch eine externe Schaltung. Bei Pentoden bietet sich für diesen Zweck das Schirmgitter an. Somit braucht es also am Schirmgitter eine gegenüber der Anode um 180° gedrehte Spannung, und das Verhältnis Anoden- zu Schirmgitterspannung muss dem Verhältnis Cag1 zu Cg1g2 entsprechen. Wenn man jetzt davon ausgeht, dass alle von der Anode nach Masse führenden Kapazitäten in Cx vereinigt sind, entspricht das Verhältnis Anoden- zu Schirmgitterspannung dem Kapazitätsverhältnis Cx/C1. Somit hängt also die Neutralisation von C1 und der Schaltungskapazität im Anodenkreis ab.
Typische Werte von Cag1/Cg1g2 sind so um 1/500. Nimmt man für Cx einen Wert von 10pF, ergibt sich folglich für C1 ein Wer um 5nF, was etwa der Praxis entspricht. Bei meinen Geräten habe ich Werte zwischen 3.3nF und 5.6nF gefunden.

Das ist ein typisches Beispiel verborgener Ingenierskunst, die auf dem besten Weg ist, vergessen zu werden, da die Schaltung sehr diskret ist und sich kaum einer darüber Gedanken macht.

Der Vollständigkeit halber sei noch erwähnt, dass die Eingangskapazität einer Pentode etwas vom Arbeitspunkt, insbesondere der Verstärkung, abhängt. Bei AM ist das völlig egal, während bei FM mit den kleinen Schwingkreiskondensatoren die Bandfilter insbesondere bei steilen ZF-Röhren (EF80, EF184) abhängig von der Signalamplitude leicht verstimmt werden. Das ist auch der Grund, warum man Fernseh-ZF-Stufen, welche eingangsseitig ein Bandfilter haben, nicht regelt. Diese Abhängigkeit kann mit einer HF-Gegenkopplung stark reduziert werden, was zum Teil auch gemacht wird, und zwar entweder mit einem nicht überbrückten Kathodenwiderstand oder dann mit einer kleinen Induktivität, meistens in Form einer Leiterbahnschleife oder bei handverdrahteten Geräten mit einer etwas längeren Zuleitung zur Kathode. Im Datenblatt der EF183 ist das Phänomen inklusive Kompensation beschrieben.

Gruss HB9

Datei-Anhänge
ZF1.png ZF1.png (385x)

Mime-Type: image/png, 22 kB

ZF2.png ZF2.png (425x)

Mime-Type: image/png, 69 kB

Martin.M, WalterBar, regency und Roehren-Lutz gefällt der Beitrag.
!
!!! Fotos, Grafiken nur über die Upload-Option des Forums, KEINE FREMD-LINKS auf externe Fotos.    

!!! Keine Komplett-Schaltbilder, keine Fotos, keine Grafiken, auf denen Urheberrechte Anderer (auch WEB-Seiten oder Foren) liegen!
Solche Uploads werden wegen der Rechtslage kommentarlos gelöscht!

Keine Fotos, auf denen Personen erkennbar sind, ohne deren schriftliche Zustimmung.

Den Beitrag-Betreff bei Antworten auf Threads nicht verändern!
11.11.18 18:29
Antennow

nicht registriert

11.11.18 18:29
Antennow

nicht registriert

Re: Neutralisation von Pentoden

Wurde "Schirmgitterneutralisation" genannt und hatte den Vorteil, daß die Rückwirkung dieser Gegenkopplung auf die Resonanzeigenschaften der ZF-Schwingkreise vernachlässigbar war. Die Notwendigkeit ergab sich bei FM-Empfängern aus der Zielstellung, die ZF sehr hoch zu verstärken, um eine Amplitudenbegrenzung zu erreichen, mit dem Ergebnis, AM-Störungen zu minimieren. Die frühen FM-Empfänger hatten diese Eigenschaften noch nicht, später auch die Geräte der unteren Preisklassen nicht.
Elegante Lösung, gute Leute damals.... auch erstaunlich, mit wie wenig Röhren die damals ein Fernsehsignal aufbereiten konnten!

Wir haben ja noch gelernt, niedrige ZF zu verwenden, da die sich mit Röhren gut beherrschen ließ, und man mußte sich dann mit hoher Vorselektion und Spiegelfrequenzempfang rumplagen. Heute verwendet man ZF bei 45Mhz und breitbandige Eingangsstufen und......... ist nicht mehr die "Gute alte Analogtechnik". Verstehen das die "Alten" unter uns?

keep learning!

Antennow


ich denke, es wird langsam Zeit, seinen eigenen Sender zu betreiben...........

11.11.18 19:15
HB9 

500 und mehr Punkte

11.11.18 19:15
HB9 

500 und mehr Punkte

Re: Neutralisation von Pentoden

Hallo Antennov,

ein weiterer Vorteil dieser Schaltung war auch, dass es kein einziges zusätzliches Bauteil brauchte. Mich hat nur erstaunt, dass der Resonar keine Neutralisation hat, obwohl der in der oberen Preisklasse angesiedelt ist, und andere Geräte dieses Herstellers neutralisiert sind. Andererseits hat der eine ZF-Stufe mehr, so dass vermutlich etwas tolerantere Filter eingebaut wurden, weil man nicht maximale Verstärkung brauchte. Jedenfalls ist er empfangsmässig trotzdem sehr leistungsstark und klanglich hervorragend.

Wegen hoher und niedriger ZF: Heute ist man wieder bei niedriger ZF, mein Software Defined Radio hat eine (dritte) ZF von Null Hertz. So tief gingen nicht mal die ersten Superhets der 30er-Jahre. Allerdings braucht es dafür den Mischer und ZF-Teil doppelt und identlisch, was sich nur digital machen lässt, dafür ist man die Spiegelfrequenz los.

Gruss HB9

11.11.18 19:43
Martin.M 

500 und mehr Punkte

11.11.18 19:43
Martin.M 

500 und mehr Punkte

Re: Neutralisation von Pentoden

wie würde es denn auf dem Wobbelmessplatz aussehen "mit" bzw. "ohne" Neutralisation?
Läßt sich das anhand einer Einzelstufe darstellen oder brauchts dafür eine komplette ZF?
lG Martin

11.11.18 20:44
Antennow

nicht registriert

11.11.18 20:44
Antennow

nicht registriert

Re: Neutralisation von Pentoden

Hallo HB9,

mich interessiert wegen Deiner Bemerkung "Mich hat nur erstaunt, dass der Resonar keine Neutralisation hat", die Schaltung des Resonar.
Nach meiner Erfahrung brauchte man bei der ECH81 und EF89 in der ZF kaum Neutralisation, bei der EF85 ist das schon kritischer.
Auch spielt die Güte der ZF-Schwingkreise eine Rolle.
Sogar die Anordnung der ZF-Bauelemente auf dem Chassis kann Schwingneigungen begünstigen oder kompensieren.
Übrigens fängt bei mir ein "Spitzensuper" erst bei 11 FM-ZF-Kreisen an, allerdings spricht der Cascode-Tuner mit der 6BK7A für Spitze. Hat der schon im UHF-Bereich empfangen? Interessantes Gerät ist es schon.


Sei gegrüßt,

Antennow



ich denke, es wird langsam Zeit, seinen eigenen Sender zu betreiben...........

Zuletzt bearbeitet am 11.11.18 21:43

11.11.18 20:57
Antennow

nicht registriert

11.11.18 20:57
Antennow

nicht registriert

Re: Neutralisation von Pentoden

Martin.M:
wie würde es denn auf dem Wobbelmessplatz aussehen "mit" bzw. "ohne" Neutralisation?
Läßt sich das anhand einer Einzelstufe darstellen oder brauchts dafür eine komplette ZF?
lG Martin

Martin.M , zu Deiner Frage:

auf dem Wobbler würde man bei Schwingneigung (also ohne Neutralisation) eine unsymmetrische Durchlasskurve sehen. Üblicherweise wird über den kompletten ZF-Verstärker gewobbelt. Bei Erstabgleich gibt es meist eine Prozedur in der die Abgleichreihenfolge festgelegt ist, damit man mit möglichst wenig Arbeitszeit zum Ziel kommt.
Auf dem Bildschirm befand sich allgemein eine Maske, die der angestrebten Durchlasskurve entsprach. Auch wurden Frequenzmarken eingeblendet. Somit konnte diese Arbeit von "angelernten" Arbeitskräften durchgeführt werden. (wär kein Job für mich gewesen).

Gruß, Antennow

ich denke, es wird langsam Zeit, seinen eigenen Sender zu betreiben...........

Zuletzt bearbeitet am 11.11.18 21:28

11.11.18 22:50
Martin.M 

500 und mehr Punkte

11.11.18 22:50
Martin.M 

500 und mehr Punkte

Re: Neutralisation von Pentoden

danke.

also eine komplette ZF zusammenbasteln, na das wär doch mal was.
Was meinst du, gehen wir die Sache mal an?

der dicke Kolege hier liefert uns dann die Diagramme für die Interessierten.


lG Martin

Datei-Anhänge
swob.jpg swob.jpg (395x)

Mime-Type: image/jpeg, 103 kB

12.11.18 08:03
HB9 

500 und mehr Punkte

12.11.18 08:03
HB9 

500 und mehr Punkte

Re: Neutralisation von Pentoden

Hallo zusammen,

zur Frage von Martin betreffend Sichtbarmachen:
Es geht auch über nur eine ZF-Stufe, relevant ist nur, dass sowohl eingangsseitig als auch ausgangsseitig ein Schwingkreis angeschlossen ist. Die einfachste Art, die Neutralisation zu überprüfen, ist die, dass man am Eingang lose einkoppelt und die Spannung am Steuergitter misst, dabei möglichst kapazitätsarm ankoppeln. Nun wird der anodenseitige Schwingkreis verstimmt. Bei perfekter Neutralisation ändert beim Verstimmen die Gitterspannung nicht, bei zu wenig Neutralisation sinkt die Gitterspannung ab, wenn man den Ausgangskreis verstimmt, bei "Über-Neutralisation" steigt bei Verstimmung die Spannung an.

@Antennow: Ich habe den Resonar 8539, der hat keine Kaskode am Eingang, sondern eine ECC85 in der üblichen Schaltung. Die ZF wird mit den Röhren EF89, ECH81 und EBF89 verstärkt, wobei zwischen EF89 und ECH81 relativ breitbandig mit einem Einzelkreis und nicht mit einem Bandfilter gekoppelt wird. Somit braucht die EF89 nicht unbedingt eine Neutralisation, aber die anderen beiden ZF-Röhren sind auch nicht neutralisiert. Die Schaltung der ZF selber ist mehr oder weniger Standard, einfach eine Stufe mehr als üblich, und bei AM wird die EF89 als HF-Vorstufe verwendet.
Ob Spitzensuper oder nicht: Es ist nicht DAS absolute Spitzengerät der Zeit, dieses Attribut gehört den Siemens-Schatullen, aber er hat je nach Zählart 10..12 FM-Kreise, umschaltbare Bandbreite, HF-Vorstufe auch für AM, Gegentakt-Endstufe und einen zusätzlichen dynamischen Hochtöner. Somit also deutlich über dem Durchschnitt...

Gruss HB9

 1
 1
Über-Neutralisation   Pentoden   Schaltungskapazität   Entkoppelkondensatoren   Spiegelfrequenzempfang   Resonanzeigenschaften   Schwingkreiskondensatoren   Schirmgitterspannung   Schirmgitter-Abblockkondensator   Schirmgitterneutralisation   Neutralisation   Helligkeitsübergänge   Kapazitätsverhältnis   Abgleichreihenfolge   Rückwirkungsfreiheit   Rückwirkungskapazität   Anodenspannungs-Siebwiderstand   Schirmgitter-Vorwiderstand   Anodenkreis-Blockkondensator   Amplitudenbegrenzung